HMC344LC3TR-R5 RF Switch: Pinout, Feature, Datasheet
Radar RF Type SP4T -40°C~85°C 0Hz~8GHz Isolation:40dB Insertion Loss:2.5dB Absorptive 50Ohm IIP3:43dBm









Radar RF Type SP4T -40°C~85°C 0Hz~8GHz Isolation:40dB Insertion Loss:2.5dB Absorptive 50Ohm IIP3:43dBm
The HMC344LC3 is a broadband non-reflective GaAs MESFET SP4T switch in a ceramic 3x3 mm leadless surface mount package. Covering DC to 8 GHz, this switch offers high isolation and low insertion loss.
HMC344LC3TR-R5 Description
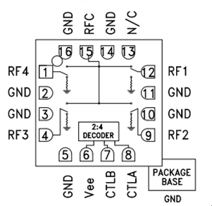
The HMC344LC3 includes an integrated binary decoder circuit which reduces the required logic control lines to two. The switch operates using a negative control voltage of 0/-5V and requires a fixed bias of -5V. Simple external level shifting circuitry allows this switch to be controlled with most TTL/CMOS positive logic families.
HMC344LC3TR-R5 Pinout

HMC344LC3TR-R5 HMC344LC3TR-R5 Pinout

HMC344LC3TR-R5 Feature
Broadband Performance: DC - 8 GHz
Integrated 2:4 TTL Decoder
High Isolation: 40 dB@ 6 GHz
Low Insertion Loss: 2 dB@ 6 GHz
Non-Reflective Topology
Specifications
- TypeParameter
- Lifecycle Status
Lifecycle Status refers to the current stage of an electronic component in its product life cycle, indicating whether it is active, obsolete, or transitioning between these states. An active status means the component is in production and available for purchase. An obsolete status indicates that the component is no longer being manufactured or supported, and manufacturers typically provide a limited time frame for support. Understanding the lifecycle status is crucial for design engineers to ensure continuity and reliability in their projects.
LAST TIME BUY (Last Updated: 2 weeks ago) - Package / Case
refers to the protective housing that encases an electronic component, providing mechanical support, electrical connections, and thermal management.
16-VFCQFN Exposed Pad - Number of Pins16
- Supplier Device Package
The parameter "Supplier Device Package" in electronic components refers to the physical packaging or housing of the component as provided by the supplier. It specifies the form factor, dimensions, and layout of the component, which are crucial for compatibility and integration into electronic circuits and systems. The supplier device package information typically includes details such as the package type (e.g., DIP, SOP, QFN), number of pins, pitch, and overall size, allowing engineers and designers to select the appropriate component for their specific application requirements. Understanding the supplier device package is essential for proper component selection, placement, and soldering during the manufacturing process to ensure optimal performance and reliability of the electronic system.
16-CSMT (3x3) - Operating Temperature
The operating temperature is the range of ambient temperature within which a power supply, or any other electrical equipment, operate in. This ranges from a minimum operating temperature, to a peak or maximum operating temperature, outside which, the power supply may fail.
-40°C~85°C - Packaging
Semiconductor package is a carrier / shell used to contain and cover one or more semiconductor components or integrated circuits. The material of the shell can be metal, plastic, glass or ceramic.
Tape & Reel (TR) - Part Status
Parts can have many statuses as they progress through the configuration, analysis, review, and approval stages.
Obsolete - Moisture Sensitivity Level (MSL)
Moisture Sensitivity Level (MSL) is a standardized rating that indicates the susceptibility of electronic components, particularly semiconductors, to moisture-induced damage during storage and the soldering process, defining the allowable exposure time to ambient conditions before they require special handling or baking to prevent failures
3 (168 Hours) - Max Operating Temperature
The Maximum Operating Temperature is the maximum body temperature at which the thermistor is designed to operate for extended periods of time with acceptable stability of its electrical characteristics.
85°C - Min Operating Temperature
The "Min Operating Temperature" parameter in electronic components refers to the lowest temperature at which the component is designed to operate effectively and reliably. This parameter is crucial for ensuring the proper functioning and longevity of the component, as operating below this temperature may lead to performance issues or even damage. Manufacturers specify the minimum operating temperature to provide guidance to users on the environmental conditions in which the component can safely operate. It is important to adhere to this parameter to prevent malfunctions and ensure the overall reliability of the electronic system.
-40°C - Base Part Number
The "Base Part Number" (BPN) in electronic components serves a similar purpose to the "Base Product Number." It refers to the primary identifier for a component that captures the essential characteristics shared by a group of similar components. The BPN provides a fundamental way to reference a family or series of components without specifying all the variations and specific details.
HMC344 - Circuit
The parameter "Circuit" in electronic components refers to the interconnected arrangement of various electronic elements such as resistors, capacitors, inductors, and active devices like transistors. It defines the path through which electric current flows and establishes the operational behavior of the components within that system. Circuits can be classified as analog or digital, depending on the type of signals they handle, and can vary in complexity from simple series or parallel configurations to intricate designs used in advanced applications.
SP4T - Test Frequency
a statistical procedure for assessing data that contain counts or the numbers of occurrences of various categories or classes.
8GHz - Impedance
In electrical engineering, impedance is the opposition to alternating current presented by the combined effect of resistance and reactance in a circuit.
50Ohm - Throw Configuration
"Throw Configuration" is a term commonly used in the context of switches and relays in electronic components. It refers to the number of positions or states that the switch or relay can be set to. For example, a single-throw (ST) configuration means the switch has only one position, while a double-throw (DT) configuration means the switch has two positions.The throw configuration is important because it determines the versatility and functionality of the switch or relay. Different applications may require different throw configurations to control the flow of current or signals effectively. Understanding the throw configuration of a component is crucial for proper installation and operation within an electronic circuit.
SP4T - Topology
In the context of electronic components, "topology" refers to the arrangement or configuration of the components within a circuit or system. It defines how the components are connected to each other and how signals flow between them. The choice of topology can significantly impact the performance, efficiency, and functionality of the electronic system. Common topologies include series, parallel, star, mesh, and hybrid configurations, each with its own advantages and limitations. Designers carefully select the appropriate topology based on the specific requirements of the circuit to achieve the desired performance and functionality.
Absorptive - Frequency Range
A continuous range or spectrum of frequencies that extends from one limiting frequency to another.
0Hz~8GHz - Insertion Loss
the loss of signal power resulting from the insertion of a device in a transmission line or optical fiber and is usually expressed in decibels (dB).
2.5dB - Isolation
Isolation in electronic components refers to the ability of a component to prevent the flow of electrical current between two points that are at different potentials. It is crucial for ensuring safety and preventing electrical hazards in electronic circuits. Isolation can be achieved through various methods such as using insulating materials, physical barriers, or optical isolation techniques. Proper isolation helps to protect sensitive components and circuits from damage due to voltage spikes, noise, or short circuits. It is particularly important in high-voltage applications and when dealing with components that are connected to different power sources.
40dB - RF Type
The rate of oscillation of electromagnetic radio waves in the range of 3 kHz to 3 GHz, as well as the alternating currents carrying the radio signals.
Radar - P1dB
P1dB, or the 1-dB compression point, is a key parameter in electronic components, particularly in amplifiers and RF (radio frequency) devices. It indicates the output power level at which the gain of the device starts to decrease by 1 dB relative to the expected linear gain. At this point, the device is nearing saturation, and its ability to linearly amplify signals diminishes. Understanding P1dB is essential for designers to ensure that devices operate effectively within their linear region under typical operating conditions.
26dBm - IIP3
IIP3 stands for Third-Order Intercept Point and is a measure used in the performance evaluation of linear electronic components, particularly in amplifiers and mixers. It indicates the level at which the third-order intermodulation products, generated by two input signals, will intersect the fundamental output signals in a power vs. power plot. A higher IIP3 value signifies better linearity and reduced distortion, making the device more suitable for applications where signal integrity is critical. IIP3 is an important parameter in designing communication systems to ensure that unwanted interferences do not affect the desired signals.
43dBm - RoHS Status
RoHS means “Restriction of Certain Hazardous Substances” in the “Hazardous Substances Directive” in electrical and electronic equipment.
ROHS3 Compliant - Lead Free
Lead Free is a term used to describe electronic components that do not contain lead as part of their composition. Lead is a toxic material that can have harmful effects on human health and the environment, so the electronics industry has been moving towards lead-free components to reduce these risks. Lead-free components are typically made using alternative materials such as silver, copper, and tin. Manufacturers must comply with regulations such as the Restriction of Hazardous Substances (RoHS) directive to ensure that their products are lead-free and environmentally friendly.
Contains Lead
HMC344LC3TR-R5 Functional Block Diagram

HMC344LC3TR-R5 Application
The HMC344LC3 is ideal for:
• Broadband, Military, Radar & ECM
• Fiber Optics
• Switched Filter Banks
• Wireless below 8 GHz
• Test Instrumentation
Parts with Similar Specs
HMC344LC3TR-R5 Manufacture
Analog Devices (NASDAQ: ADI) is a world leader in the design, manufacture, and marketing of a broad portfolio of high-performance analog, mixed-signal, and digital signal processing (DSP) integrated circuits (ICs) used in virtually all types of electronic equipment. Since our inception in 1965, we have focused on solving the engineering challenges associated with signal processing in electronic equipment. Used by over 100,000 customers worldwide, our signal processing products play a fundamental role in converting, conditioning, and processing real-world phenomena such as temperature, pressure, sound, light, speed, and motion into electrical signals to be used in a wide array of electronic devices.
Datasheet PDF
- PCN Obsolescence/ EOL :
- Datasheets :
- ConflictMineralStatement :
C945 NPN Transistors: Datasheet, Equivalent and Pinout15 October 202132062
NXP MPC5xxx (SPC5 Equivalent) 32-bit Automotive MCUs: Performance, Safety, and Datasheet Review03 March 2026236
A Comprehensive Guide to ABLIC S-1702RBF00-I6T1U Voltage Regulator07 March 2024221
IRLZ24N MOSFET: Pinout, Equivalents, IRLZ24N vs. FQP20N06L [Video]14 September 20221777
TCA9548ARGER I2C Switch: Diagram, Pinout, and Datasheet23 March 20225302
Unveiling the Potential of the Microchip PIC16LF1904EP Microcontroller29 February 2024131
CSD18543Q3A Power MOSFET: Features, Pinout, and Datasheet18 April 20222155
SMAJ15A TVs Diodes: Features, Pinout, and Datasheet15 February 20222811
Exploring the Cyber Physical System of Electric Vehicles25 March 20242867
Explain in Detail the Three Sharp Weapons to Eliminate EMC: Capacitors/Inductors/Magnetic Beads24 December 20214751
Voltage Supervisor ICs: Solutions for IoT, Automotive, and Industrial Applications04 June 2025929
Global Semiconductor Market Share Continues to Grow27 October 20232233
Carbon Film vs Metal Film Resistors: Complete Comparison Guide19 May 20254797
Ten Smart Sensor Technology Trends for IoT Applications20 November 20216287
800G Optical Transceivers: The Guide for AI Data Centers24 December 20254848
How Do We Seize Investment Opportunities on the Eve of the Ultimate Human Energy Final?12 July 20222199
Analog Devices Inc.
In Stock
United States
China
Canada
Japan
Russia
Germany
United Kingdom
Singapore
Italy
Hong Kong(China)
Taiwan(China)
France
Korea
Mexico
Netherlands
Malaysia
Austria
Spain
Switzerland
Poland
Thailand
Vietnam
India
United Arab Emirates
Afghanistan
Åland Islands
Albania
Algeria
American Samoa
Andorra
Angola
Anguilla
Antigua & Barbuda
Argentina
Armenia
Aruba
Australia
Azerbaijan
Bahamas
Bahrain
Bangladesh
Barbados
Belarus
Belgium
Belize
Benin
Bermuda
Bhutan
Bolivia
Bonaire, Sint Eustatius and Saba
Bosnia & Herzegovina
Botswana
Brazil
British Indian Ocean Territory
British Virgin Islands
Brunei
Bulgaria
Burkina Faso
Burundi
Cabo Verde
Cambodia
Cameroon
Cayman Islands
Central African Republic
Chad
Chile
Christmas Island
Cocos (Keeling) Islands
Colombia
Comoros
Congo
Congo (DRC)
Cook Islands
Costa Rica
Côte d’Ivoire
Croatia
Cuba
Curaçao
Cyprus
Czechia
Denmark
Djibouti
Dominica
Dominican Republic
Ecuador
Egypt
El Salvador
Equatorial Guinea
Eritrea
Estonia
Eswatini
Ethiopia
Falkland Islands
Faroe Islands
Fiji
Finland
French Guiana
French Polynesia
Gabon
Gambia
Georgia
Ghana
Gibraltar
Greece
Greenland
Grenada
Guadeloupe
Guam
Guatemala
Guernsey
Guinea
Guinea-Bissau
Guyana
Haiti
Honduras
Hungary
Iceland
Indonesia
Iran
Iraq
Ireland
Isle of Man
Israel
Jamaica
Jersey
Jordan
Kazakhstan
Kenya
Kiribati
Kosovo
Kuwait
Kyrgyzstan
Laos
Latvia
Lebanon
Lesotho
Liberia
Libya
Liechtenstein
Lithuania
Luxembourg
Macao(China)
Madagascar
Malawi
Maldives
Mali
Malta
Marshall Islands
Martinique
Mauritania
Mauritius
Mayotte
Micronesia
Moldova
Monaco
Mongolia
Montenegro
Montserrat
Morocco
Mozambique
Myanmar
Namibia
Nauru
Nepal
New Caledonia
New Zealand
Nicaragua
Niger
Nigeria
Niue
Norfolk Island
North Korea
North Macedonia
Northern Mariana Islands
Norway
Oman
Pakistan
Palau
Palestinian Authority
Panama
Papua New Guinea
Paraguay
Peru
Philippines
Pitcairn Islands
Portugal
Puerto Rico
Qatar
Réunion
Romania
Rwanda
Samoa
San Marino
São Tomé & Príncipe
Saudi Arabia
Senegal
Serbia
Seychelles
Sierra Leone
Sint Maarten
Slovakia
Slovenia
Solomon Islands
Somalia
South Africa
South Sudan
Sri Lanka
St Helena, Ascension, Tristan da Cunha
St. Barthélemy
St. Kitts & Nevis
St. Lucia
St. Martin
St. Pierre & Miquelon
St. Vincent & Grenadines
Sudan
Suriname
Svalbard & Jan Mayen
Sweden
Syria
Tajikistan
Tanzania
Timor-Leste
Togo
Tokelau
Tonga
Trinidad & Tobago
Tunisia
Turkey
Turkmenistan
Turks & Caicos Islands
Tuvalu
U.S. Outlying Islands
U.S. Virgin Islands
Uganda
Ukraine
Uruguay
Uzbekistan
Vanuatu
Vatican City
Venezuela
Wallis & Futuna
Yemen
Zambia
Zimbabwe


Product
Brand
Articles
Tools








