SN65HVD230DR CAN Transceiver: Datasheet, Pinout, Schematic
8 Terminations 3.3V 8 Pin 65HVD230 Receivers 1/1 Drivers/Receivers 1 Functions









8 Terminations 3.3V 8 Pin 65HVD230 Receivers 1/1 Drivers/Receivers 1 Functions
The SN65HVD230 controller area network (CAN) transceivers are designed for use with the Texas Instruments TMS320Lx240x™; 3.3-V DSPs with CAN controllers, or with equivalent devices. This article will unlock more details about SN65HVD230DR.

SN65HVD230 CAN bus transceiver
- SN65HVD230DR Pinout
- SN65HVD230DR CAD Model
- SN65HVD230DR Description
- Specifications
- Parts with Similar Specs
- SN65HVD230DR Features
- SN65HVD230DR Logic Diagram
- SN65HVD230DR Application
- SN65HVD230DR Typical Application Schematic
- SN65HVD230 vs.SN65HVD231
- SN65HVD230DR Package
- SN65HVD230DR Manufacturer
- Datasheet PDF
- Popularity by Region
SN65HVD230DR Pinout

Pinout
SN65HVD230DR CAD Model
Symbol

Symbol
Footprint

Footprint
3D Model

3D Model
SN65HVD230DR Description
The SN65HVD230 controller area network (CAN) transceiver is designed for use with the Texas Instruments TMS320Lx240x™; 3.3-V DSPs with CAN controllers, or with equivalent devices. It is intended for use in applications employing the CAN serial communication physical layer in accordance with the ISO 11898 standard. Each CAN transceiver is designed to provide differential transmit capability to the bus and differential receive capability to a CAN controller at speeds up to 1 Mbps.
Specifications
- TypeParameter
- Lifecycle Status
Lifecycle Status refers to the current stage of an electronic component in its product life cycle, indicating whether it is active, obsolete, or transitioning between these states. An active status means the component is in production and available for purchase. An obsolete status indicates that the component is no longer being manufactured or supported, and manufacturers typically provide a limited time frame for support. Understanding the lifecycle status is crucial for design engineers to ensure continuity and reliability in their projects.
ACTIVE (Last Updated: 2 days ago) - Factory Lead Time6 Weeks
- Contact Plating
Contact plating (finish) provides corrosion protection for base metals and optimizes the mechanical and electrical properties of the contact interfaces.
Gold - Mounting Type
The "Mounting Type" in electronic components refers to the method used to attach or connect a component to a circuit board or other substrate, such as through-hole, surface-mount, or panel mount.
Surface Mount - Package / Case
refers to the protective housing that encases an electronic component, providing mechanical support, electrical connections, and thermal management.
8-SOIC (0.154, 3.90mm Width) - Surface Mount
having leads that are designed to be soldered on the side of a circuit board that the body of the component is mounted on.
YES - Number of Pins8
- Weight72.603129mg
- Number of I/Os2
- Operating Temperature
The operating temperature is the range of ambient temperature within which a power supply, or any other electrical equipment, operate in. This ranges from a minimum operating temperature, to a peak or maximum operating temperature, outside which, the power supply may fail.
-40°C~85°C - Packaging
Semiconductor package is a carrier / shell used to contain and cover one or more semiconductor components or integrated circuits. The material of the shell can be metal, plastic, glass or ceramic.
Cut Tape (CT) - JESD-609 Code
The "JESD-609 Code" in electronic components refers to a standardized marking code that indicates the lead-free solder composition and finish of electronic components for compliance with environmental regulations.
e4 - Pbfree Code
The "Pbfree Code" parameter in electronic components refers to the code or marking used to indicate that the component is lead-free. Lead (Pb) is a toxic substance that has been widely used in electronic components for many years, but due to environmental concerns, there has been a shift towards lead-free alternatives. The Pbfree Code helps manufacturers and users easily identify components that do not contain lead, ensuring compliance with regulations and promoting environmentally friendly practices. It is important to pay attention to the Pbfree Code when selecting electronic components to ensure they meet the necessary requirements for lead-free applications.
yes - Part Status
Parts can have many statuses as they progress through the configuration, analysis, review, and approval stages.
Active - Moisture Sensitivity Level (MSL)
Moisture Sensitivity Level (MSL) is a standardized rating that indicates the susceptibility of electronic components, particularly semiconductors, to moisture-induced damage during storage and the soldering process, defining the allowable exposure time to ambient conditions before they require special handling or baking to prevent failures
1 (Unlimited) - Number of Terminations8
- Termination
Termination in electronic components refers to the practice of matching the impedance of a circuit to prevent signal reflections and ensure maximum power transfer. It involves the use of resistors or other components at the end of transmission lines or connections. Proper termination is crucial in high-frequency applications to maintain signal integrity and reduce noise.
SMD/SMT - ECCN Code
An ECCN (Export Control Classification Number) is an alphanumeric code used by the U.S. Bureau of Industry and Security to identify and categorize electronic components and other dual-use items that may require an export license based on their technical characteristics and potential for military use.
EAR99 - TypeTransceiver
- Voltage - Supply
Voltage - Supply refers to the range of voltage levels that an electronic component or circuit is designed to operate with. It indicates the minimum and maximum supply voltage that can be applied for the device to function properly. Providing supply voltages outside this range can lead to malfunction, damage, or reduced performance. This parameter is critical for ensuring compatibility between different components in a circuit.
3V~3.6V - Terminal Position
In electronic components, the term "Terminal Position" refers to the physical location of the connection points on the component where external electrical connections can be made. These connection points, known as terminals, are typically used to attach wires, leads, or other components to the main body of the electronic component. The terminal position is important for ensuring proper connectivity and functionality of the component within a circuit. It is often specified in technical datasheets or component specifications to help designers and engineers understand how to properly integrate the component into their circuit designs.
DUAL - Terminal Form
Occurring at or forming the end of a series, succession, or the like; closing; concluding.
GULL WING - Peak Reflow Temperature (Cel)
Peak Reflow Temperature (Cel) is a parameter that specifies the maximum temperature at which an electronic component can be exposed during the reflow soldering process. Reflow soldering is a common method used to attach electronic components to a circuit board. The Peak Reflow Temperature is crucial because it ensures that the component is not damaged or degraded during the soldering process. Exceeding the specified Peak Reflow Temperature can lead to issues such as component failure, reduced performance, or even permanent damage to the component. It is important for manufacturers and assemblers to adhere to the recommended Peak Reflow Temperature to ensure the reliability and functionality of the electronic components.
260 - Number of Functions1
- Supply Voltage
Supply voltage refers to the electrical potential difference provided to an electronic component or circuit. It is crucial for the proper operation of devices, as it powers their functions and determines performance characteristics. The supply voltage must be within specified limits to ensure reliability and prevent damage to components. Different electronic devices have specific supply voltage requirements, which can vary widely depending on their design and intended application.
3.3V - Base Part Number
The "Base Part Number" (BPN) in electronic components serves a similar purpose to the "Base Product Number." It refers to the primary identifier for a component that captures the essential characteristics shared by a group of similar components. The BPN provides a fundamental way to reference a family or series of components without specifying all the variations and specific details.
65HVD230 - Pin Count
a count of all of the component leads (or pins)
8 - Operating Supply Voltage
The voltage level by which an electrical system is designated and to which certain operating characteristics of the system are related.
3.3V - Nominal Supply Current
Nominal current is the same as the rated current. It is the current drawn by the motor while delivering rated mechanical output at its shaft.
17mA - Max Supply Current
Max Supply Current refers to the maximum amount of electrical current that a component can draw from its power supply under normal operating conditions. It is a critical parameter that ensures the component operates reliably without exceeding its thermal limits or damaging internal circuitry. Exceeding this current can lead to overheating, performance degradation, or failure of the component. Understanding this parameter is essential for designing circuits that provide adequate power while avoiding overload situations.
17mA - Slew Rate
the maximum rate of output voltage change per unit time.
15 V/μs - Data Rate
Data Rate is defined as the amount of data transmitted during a specified time period over a network. It is the speed at which data is transferred from one device to another or between a peripheral device and the computer. It is generally measured in Mega bits per second(Mbps) or Mega bytes per second(MBps).
1Mbps - Protocol
In electronic components, the parameter "Protocol" refers to a set of rules and standards that govern the communication between devices. It defines the format, timing, sequencing, and error checking methods for data exchange between different components or systems. Protocols ensure that devices can understand and interpret data correctly, enabling them to communicate effectively with each other. Common examples of protocols in electronics include USB, Ethernet, SPI, I2C, and Bluetooth, each with its own specifications for data transmission. Understanding and adhering to protocols is essential for ensuring compatibility and reliable communication between electronic devices.
CANbus - Number of Drivers/Receivers1/1
- Duplex
In the context of electronic components, "Duplex" refers to a type of communication system that allows for bidirectional data flow. It enables two devices to communicate with each other simultaneously, allowing for both sending and receiving of data at the same time. Duplex communication can be further categorized into two types: half-duplex, where data can be transmitted in both directions but not at the same time, and full-duplex, where data can be sent and received simultaneously. This parameter is crucial in networking and telecommunications systems to ensure efficient and effective data transmission between devices.
Half - Receiver Hysteresis
Receiver hysteresis is?commonly used to ensure glitch-free reception even when differential noise is present. This application report compares the noise immunity of the SN65HVD37 to similar devices available from competitors. Contents.
100mV - Number of Receivers1
- Height1.75mm
- Length4.9mm
- Width3.91mm
- Thickness
Thickness in electronic components refers to the measurement of how thick a particular material or layer is within the component structure. It can pertain to various aspects, such as the thickness of a substrate, a dielectric layer, or conductive traces. This parameter is crucial as it impacts the electrical, mechanical, and thermal properties of the component, influencing its performance and reliability in electronic circuits.
1.58mm - REACH SVHC
The parameter "REACH SVHC" in electronic components refers to the compliance with the Registration, Evaluation, Authorization, and Restriction of Chemicals (REACH) regulation regarding Substances of Very High Concern (SVHC). SVHCs are substances that may have serious effects on human health or the environment, and their use is regulated under REACH to ensure their safe handling and minimize their impact.Manufacturers of electronic components need to declare if their products contain any SVHCs above a certain threshold concentration and provide information on the safe use of these substances. This information allows customers to make informed decisions about the potential risks associated with using the components and take appropriate measures to mitigate any hazards.Ensuring compliance with REACH SVHC requirements is essential for electronics manufacturers to meet regulatory standards, protect human health and the environment, and maintain transparency in their supply chain. It also demonstrates a commitment to sustainability and responsible manufacturing practices in the electronics industry.
No SVHC - Radiation Hardening
Radiation hardening is the process of making electronic components and circuits resistant to damage or malfunction caused by high levels of ionizing radiation, especially for environments in outer space (especially beyond the low Earth orbit), around nuclear reactors and particle accelerators, or during nuclear accidents or nuclear warfare.
No - RoHS Status
RoHS means “Restriction of Certain Hazardous Substances” in the “Hazardous Substances Directive” in electrical and electronic equipment.
ROHS3 Compliant - Lead Free
Lead Free is a term used to describe electronic components that do not contain lead as part of their composition. Lead is a toxic material that can have harmful effects on human health and the environment, so the electronics industry has been moving towards lead-free components to reduce these risks. Lead-free components are typically made using alternative materials such as silver, copper, and tin. Manufacturers must comply with regulations such as the Restriction of Hazardous Substances (RoHS) directive to ensure that their products are lead-free and environmentally friendly.
Lead Free
Parts with Similar Specs
- ImagePart NumberManufacturerPackage / CaseNumber of PinsNumber of ReceiversData RateSupply VoltageNumber of Drivers/ReceiversMoisture Sensitivity Level (MSL)WidthView Compare
SN65HVD230DR
8-SOIC (0.154, 3.90mm Width)
8
1
1Mbps
3.3 V
1/1
1 (Unlimited)
3.91 mm
8-SOIC (0.154, 3.90mm Width)
8
-
250kbps
3.3 V
1/1
1 (Unlimited)
3.91 mm
8-SOIC (0.154, 3.90mm Width)
8
-
20Mbps
3.3 V
1/1
1 (Unlimited)
3.91 mm
8-SOIC (0.154, 3.90mm Width)
8
-
50Mbps
3.3 V
1/1
1 (Unlimited)
3.91 mm
SN65HVD230DR Features
Operates With a 3.3-V Supply
Low Power Replacement for the PCA82C250 Footprint
Bus/Pin ESD Protection Exceeds 16 kV HBM
High Input Impedance Allows for 120 Nodes on a Bus
Controlled Driver Output Transition Times for
improved Signal Quality on the SN65HVD230 and SN65HVD231
Unpowered Node Does Not Disturb the Bus
Compatible With the Requirements of the Iso 11898 Standard
Low-Current SN65HVD230 Standby Mode 370 uA Tvoical
Designed for Signaling Rates(1) up to 1
Megabit/Second (Mbps)
Thermal Shutdown Protection
Open-Circuit Fail-Safe Design
Glitch-Free Power-Up and Power-Down
Protection for Hot-Plugging Applications
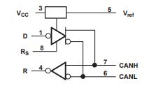
SN65HVD230DR Logic Diagram

Logic Diagram
SN65HVD230DR Application
Motor Control
Industrial Automation
Basestation Control and Status
Robotics
Automotive
UPS Control
SN65HVD230DR Typical Application Schematic
The schematic below illustrates a typical application of the SN65HVD230 family. The output of a DSP's CAN controller is connected to the serial driver input, pin D, and receiver serial output, pin R, of the transceiver. The transceiver is then attached to the differential bus lines at pins CANH and CANL.

Details of a Typical CAN Node
Typically, the bus is a twisted pair of wires with a characteristic impedance of 120 Ω, in the standard half-duplex multipoint topology of Typical CAN Network Schematic below. Each end of the bus is terminated with 120-Ω resistors in compliance with the standard to minimize signal reflections on the bus.

Typical CAN Network
SN65HVD230 vs.SN65HVD231
On the SN65HVD230 and SN65HVD231, pin 8 provides three different modes of operation: high-speed, slope control, and low-power modes. The high-speed mode of operation is selected by connecting pin 8 to the ground, allowing the transmitter output transistors to switch on and off as fast as possible with no limitation on the rise and fall slopes. The rise and fall slopes can be adjusted by connecting a resistor to the ground at pin 8 since the slope is proportional to the pin's output current. This slope control is implemented with external resistor values of 10 kΩ, to achieve a 15-V/μs slew rate, to 100 kΩ, to achieve a 2-V/μs slew rate. See the Application Information section of this datasheet.
The unique difference between the SN65HVD230 and the SN65HVD231 is that both the driver and the receiver are switched off in the SN65HVD231 when a high logic level is applied to pin 8 and remain in this sleep mode until the circuit is reactivated by a low logic level on pin 8. The Vref pin 5 on the SN65HVD230 and SN65HVD231 is available as a VCC/2 voltage reference.
SN65HVD230DR Package

Pacakge
SN65HVD230DR Manufacturer
Texas Instruments (TI) is a global semiconductor firm originating in 1958 and nowadays it has over 30,000 employees who design, conduct and sell analogue and product-differentiating embedded processing components in 35 countries. Aimed at changing the world of tech, TI has put great effort into becoming the solution provider coupled with a vision.
Datasheet PDF
- Datasheets :
SN65HVD230DR-Texas-Instruments-datasheet-37140773.pdf
SN65HVD230DR-Texas-Instruments-datasheet-48117850.pdf
SN65HVD230DR-Texas-Instruments-datasheet-10256024.pdf
SN65HVD230DR-Texas-Instruments-datasheet-14436966.pdf
SN65HVD230DR-Texas-Instruments-datasheet-26446540.pdf
SN65HVD230DR-Texas-Instruments-datasheet-14121709.pdf
SN65HVD230DR-Texas-Instruments-datasheet-8442861.pdf
SN65HVD230DR-Texas-Instruments-datasheet-149765.pdf
SN65HVD230DR-Texas-Instruments-datasheet-8096.pdf
SN65HVD230DR-Texas-Instruments-datasheet-111868.pdf
pid_6158325_sn65hvd230dr-texas-instruments-datasheet-10259090.pdf
- PCN Design/Specification :
Popularity by Region
What is the SN65HVD230 designed for?
It is designed for operation in especially harsh environments, these devices feature cross-wire protection, loss-of-ground and overvoltage protection, over-temperature protection, as well a wide common-mode range.
What differences is between the SN65HVD230 and SN65HVD231?
On the SN65HVD230 and SN65HVD231, pin 8 provides three different modes of operation: high-speed, slope control, and low-power modes. The high-speed mode of operation is selected by connecting pin 8 to the ground, allowing the transmitter output transistors to switch on and off as fast as possible with no limitation on the rise and fall slopes. The rise and fall slopes can be adjusted by connecting a resistor to the ground at pin 8 since the slope is proportional to the pin's output current. This slope control is implemented with external resistor values of 10 kΩ, to achieve a 15-V/μs slew rate, to 100 kΩ, to achieve a 2-V/μs slew rate. See the Application Information section of this datasheet. The unique difference between the SN65HVD230 and the SN65HVD231 is that both the driver and the receiver are switched off in the SN65HVD231 when a high logic level is applied to pin 8 and remain in this sleep mode until the circuit is reactivated by a low logic level on pin 8. The Vref pin 5 on the SN65HVD230 and SN65HVD231 is available as a VCC/2 voltage reference.
CSR8675 Premium Single-Chip : Datasheet, Features and Specifications28 July 20218287
What is the Function of TJA1043? [FAQ]10 June 20223452
L200CV: 40V, Voltage Regulator, Pinout and Datasheet08 March 20223053
ADA4622-4 Precision Op-Amp: Features, Pinout and Datasheet13 December 2021789
PCA9685 LED Controller: Datasheet, PCA9685 Arduino, Schematic10 December 20218888
Microchip PIC18F26J50ISP Microcontroller Datasheet Overview28 February 2024135
A Comprehensive Guide to LTC7852EUFD-1#PBF DC-DC Switching Controller06 March 2024115
MC68HC705C8ACFNE: Trusted Sourcing Guide for Microcontroller Components07 June 2025160
Introduction to Mass Air Flow Sensor15 September 20209606
Enhancing Frequency Stability in Modern Distributed Power Systems21 September 20242447
BMW CEO: The Car Chip Problem Will Not Be Solved Until 202312 April 20223632
Low Temperature Drift Resistors Increase the Accuracy of Analog Circuits11 February 2025876
Hybrid Sources Powered Electric Vehicles - Part 108 March 20231744
Electronic components in a smart watch15 May 20238621
3 Under-the-Radar Semiconductor Stocks Poised for Massive Growth06 October 20231266
How do Solar Cells Work?20 November 20202763
Texas Instruments
In Stock: 30000
United States
China
Canada
Japan
Russia
Germany
United Kingdom
Singapore
Italy
Hong Kong(China)
Taiwan(China)
France
Korea
Mexico
Netherlands
Malaysia
Austria
Spain
Switzerland
Poland
Thailand
Vietnam
India
United Arab Emirates
Afghanistan
Åland Islands
Albania
Algeria
American Samoa
Andorra
Angola
Anguilla
Antigua & Barbuda
Argentina
Armenia
Aruba
Australia
Azerbaijan
Bahamas
Bahrain
Bangladesh
Barbados
Belarus
Belgium
Belize
Benin
Bermuda
Bhutan
Bolivia
Bonaire, Sint Eustatius and Saba
Bosnia & Herzegovina
Botswana
Brazil
British Indian Ocean Territory
British Virgin Islands
Brunei
Bulgaria
Burkina Faso
Burundi
Cabo Verde
Cambodia
Cameroon
Cayman Islands
Central African Republic
Chad
Chile
Christmas Island
Cocos (Keeling) Islands
Colombia
Comoros
Congo
Congo (DRC)
Cook Islands
Costa Rica
Côte d’Ivoire
Croatia
Cuba
Curaçao
Cyprus
Czechia
Denmark
Djibouti
Dominica
Dominican Republic
Ecuador
Egypt
El Salvador
Equatorial Guinea
Eritrea
Estonia
Eswatini
Ethiopia
Falkland Islands
Faroe Islands
Fiji
Finland
French Guiana
French Polynesia
Gabon
Gambia
Georgia
Ghana
Gibraltar
Greece
Greenland
Grenada
Guadeloupe
Guam
Guatemala
Guernsey
Guinea
Guinea-Bissau
Guyana
Haiti
Honduras
Hungary
Iceland
Indonesia
Iran
Iraq
Ireland
Isle of Man
Israel
Jamaica
Jersey
Jordan
Kazakhstan
Kenya
Kiribati
Kosovo
Kuwait
Kyrgyzstan
Laos
Latvia
Lebanon
Lesotho
Liberia
Libya
Liechtenstein
Lithuania
Luxembourg
Macao(China)
Madagascar
Malawi
Maldives
Mali
Malta
Marshall Islands
Martinique
Mauritania
Mauritius
Mayotte
Micronesia
Moldova
Monaco
Mongolia
Montenegro
Montserrat
Morocco
Mozambique
Myanmar
Namibia
Nauru
Nepal
New Caledonia
New Zealand
Nicaragua
Niger
Nigeria
Niue
Norfolk Island
North Korea
North Macedonia
Northern Mariana Islands
Norway
Oman
Pakistan
Palau
Palestinian Authority
Panama
Papua New Guinea
Paraguay
Peru
Philippines
Pitcairn Islands
Portugal
Puerto Rico
Qatar
Réunion
Romania
Rwanda
Samoa
San Marino
São Tomé & Príncipe
Saudi Arabia
Senegal
Serbia
Seychelles
Sierra Leone
Sint Maarten
Slovakia
Slovenia
Solomon Islands
Somalia
South Africa
South Sudan
Sri Lanka
St Helena, Ascension, Tristan da Cunha
St. Barthélemy
St. Kitts & Nevis
St. Lucia
St. Martin
St. Pierre & Miquelon
St. Vincent & Grenadines
Sudan
Suriname
Svalbard & Jan Mayen
Sweden
Syria
Tajikistan
Tanzania
Timor-Leste
Togo
Tokelau
Tonga
Trinidad & Tobago
Tunisia
Turkey
Turkmenistan
Turks & Caicos Islands
Tuvalu
U.S. Outlying Islands
U.S. Virgin Islands
Uganda
Ukraine
Uruguay
Uzbekistan
Vanuatu
Vatican City
Venezuela
Wallis & Futuna
Yemen
Zambia
Zimbabwe






