TDA1554 Audio Amplifier: Datasheet, Applications and Circuit
20 kHz kHz Audio Amplifiers 4.4mm mm 18V V 17-SIP Formed Leads
The TDA1554 is an integrated class-B output amplifier in a 17-lead single-in-line (SIL) plastic power package. This article enforces applications, datasheet, power, circuit, equivalents, and other details about the TDA1554 amplifier. Furthermore, there is a huge range of semiconductors, capacitors, resistors, and ICs in stock. Welcome your RFQ!

TDA 1554 Q amplifier stereo 12v
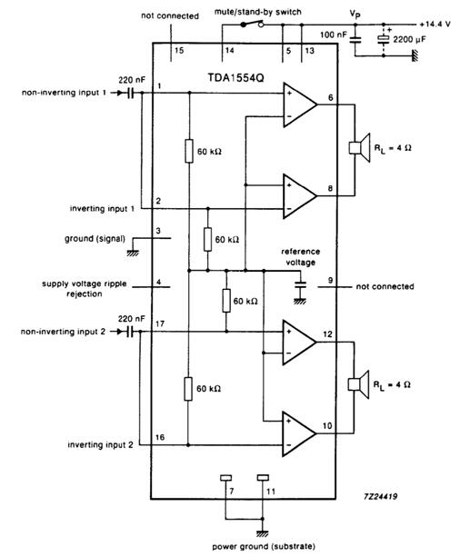
TDA1554 Pinout
There are 17 pins on this audio power amplifier. TDA1554Q contains four audio amplifiers with differential inputs, as previously described. With two noninverting and two inverting pins, we can differentially input data. As a result, it can be used in single-ended or bridge mode configurations. Check out the samples at the conclusion of the tutorial for further information.


TDA1554 Pinout
| Pin No. | Pin Name | Description |
| 1 | NINV1 | Non-inverting input 1 |
| 2 | INV1 | Inverting input 1 |
| 3 | GND | Ground (signal) |
| 4 | RR | Supply voltage ripple rejection |
| 5 | VP1 | Positive Input voltage 1 |
| 6 | OUT1 | Output 1 |
| 7 | GND1 | Power Ground 1 |
| 8 | OUT2 | Output 2 |
| 9 | NC | Not connected |
| 10 | OUT3 | Output 3 |
| 11 | GND2 | Power Ground 2 |
| 12 | OUT4 | Output 4 |
| 13 | VP2 | Positive Input voltage 2 |
| 14 | M/SS | Mute/Stand-by switch |
| 15 | NC | Not connected |
| 16 | INV2 | Inverting input 2 |
| 17 | NINV2 | Non-inverting input 2 |
TDA1554 CAD Model
Symbol

TDA1554 Symbol
Footprint

TDA1554 Footprint
TDA1554 Description
TDA1554 is a power amplifier IC with an inbuilt Class-B output amplifier that can handle 4*11W single-ended or 2*22W dual-ended power. TDA1554 is available in a single-in-line package with 17 leads. A 4*11W single-ended or 2*22W bridge amplifier is included in the internal circuitry. Two of the four amplifiers are inverting, whereas the other two are not. Additionally, each amplifier has a 20dB gain (26dB in BTL). Mute/stand-by is likewise available on the TDA1554.
Specifications
- TypeParameter
- Mounting Type
The "Mounting Type" in electronic components refers to the method used to attach or connect a component to a circuit board or other substrate, such as through-hole, surface-mount, or panel mount.
Through Hole - Package / Case
refers to the protective housing that encases an electronic component, providing mechanical support, electrical connections, and thermal management.
17-SIP Formed Leads - Surface Mount
having leads that are designed to be soldered on the side of a circuit board that the body of the component is mounted on.
NO - Operating Temperature (Max.)150°C
- Operating Temperature (Min.)-50°C
- Packaging
Semiconductor package is a carrier / shell used to contain and cover one or more semiconductor components or integrated circuits. The material of the shell can be metal, plastic, glass or ceramic.
Tube - Published1998
- JESD-609 Code
The "JESD-609 Code" in electronic components refers to a standardized marking code that indicates the lead-free solder composition and finish of electronic components for compliance with environmental regulations.
e3 - Part Status
Parts can have many statuses as they progress through the configuration, analysis, review, and approval stages.
Obsolete - Moisture Sensitivity Level (MSL)
Moisture Sensitivity Level (MSL) is a standardized rating that indicates the susceptibility of electronic components, particularly semiconductors, to moisture-induced damage during storage and the soldering process, defining the allowable exposure time to ambient conditions before they require special handling or baking to prevent failures
1 (Unlimited) - Number of Terminations17
- ECCN Code
An ECCN (Export Control Classification Number) is an alphanumeric code used by the U.S. Bureau of Industry and Security to identify and categorize electronic components and other dual-use items that may require an export license based on their technical characteristics and potential for military use.
EAR99 - TypeClass B
- Terminal Finish
Terminal Finish refers to the surface treatment applied to the terminals or leads of electronic components to enhance their performance and longevity. It can improve solderability, corrosion resistance, and overall reliability of the connection in electronic assemblies. Common finishes include nickel, gold, and tin, each possessing distinct properties suitable for various applications. The choice of terminal finish can significantly impact the durability and effectiveness of electronic devices.
TIN - HTS Code
HTS (Harmonized Tariff Schedule) codes are product classification codes between 8-1 digits. The first six digits are an HS code, and the countries of import assign the subsequent digits to provide additional classification. U.S. HTS codes are 1 digits and are administered by the U.S. International Trade Commission.
8542.33.00.01 - Voltage - Supply
Voltage - Supply refers to the range of voltage levels that an electronic component or circuit is designed to operate with. It indicates the minimum and maximum supply voltage that can be applied for the device to function properly. Providing supply voltages outside this range can lead to malfunction, damage, or reduced performance. This parameter is critical for ensuring compatibility between different components in a circuit.
6V~18V - Terminal Position
In electronic components, the term "Terminal Position" refers to the physical location of the connection points on the component where external electrical connections can be made. These connection points, known as terminals, are typically used to attach wires, leads, or other components to the main body of the electronic component. The terminal position is important for ensuring proper connectivity and functionality of the component within a circuit. It is often specified in technical datasheets or component specifications to help designers and engineers understand how to properly integrate the component into their circuit designs.
ZIG-ZAG - Peak Reflow Temperature (Cel)
Peak Reflow Temperature (Cel) is a parameter that specifies the maximum temperature at which an electronic component can be exposed during the reflow soldering process. Reflow soldering is a common method used to attach electronic components to a circuit board. The Peak Reflow Temperature is crucial because it ensures that the component is not damaged or degraded during the soldering process. Exceeding the specified Peak Reflow Temperature can lead to issues such as component failure, reduced performance, or even permanent damage to the component. It is important for manufacturers and assemblers to adhere to the recommended Peak Reflow Temperature to ensure the reliability and functionality of the electronic components.
NOT SPECIFIED - Number of Functions2
- Terminal Pitch
The center distance from one pole to the next.
1.27mm - Reach Compliance Code
Reach Compliance Code refers to a designation indicating that electronic components meet the requirements set by the Registration, Evaluation, Authorization, and Restriction of Chemicals (REACH) regulation in the European Union. It signifies that the manufacturer has assessed and managed the chemical substances within the components to ensure safety and environmental protection. This code is vital for compliance with regulations aimed at minimizing risks associated with hazardous substances in electronic products.
unknown - Time@Peak Reflow Temperature-Max (s)
Time@Peak Reflow Temperature-Max (s) refers to the maximum duration that an electronic component can be exposed to the peak reflow temperature during the soldering process, which is crucial for ensuring reliable solder joint formation without damaging the component.
NOT SPECIFIED - Base Part Number
The "Base Part Number" (BPN) in electronic components serves a similar purpose to the "Base Product Number." It refers to the primary identifier for a component that captures the essential characteristics shared by a group of similar components. The BPN provides a fundamental way to reference a family or series of components without specifying all the variations and specific details.
TDA1554Q - Pin Count
a count of all of the component leads (or pins)
17 - JESD-30 Code
JESD-30 Code refers to a standardized descriptive designation system established by JEDEC for semiconductor-device packages. This system provides a systematic method for generating designators that convey essential information about the package's physical characteristics, such as size and shape, which aids in component identification and selection. By using JESD-30 codes, manufacturers and engineers can ensure consistency and clarity in the specification of semiconductor packages across various applications and industries.
R-PZIP-T17 - Qualification Status
An indicator of formal certification of qualifications.
Not Qualified - Output Type
The "Output Type" parameter in electronic components refers to the type of signal or data that is produced by the component as an output. This parameter specifies the nature of the output signal, such as analog or digital, and can also include details about the voltage levels, current levels, frequency, and other characteristics of the output signal. Understanding the output type of a component is crucial for ensuring compatibility with other components in a circuit or system, as well as for determining how the output signal can be utilized or processed further. In summary, the output type parameter provides essential information about the nature of the signal that is generated by the electronic component as its output.
2-Channel (Stereo) or 4-Channel (Quad) - Supply Voltage-Max (Vsup)
The parameter "Supply Voltage-Max (Vsup)" in electronic components refers to the maximum voltage that can be safely applied to the component without causing damage. It is an important specification to consider when designing or using electronic circuits to ensure the component operates within its safe operating limits. Exceeding the maximum supply voltage can lead to overheating, component failure, or even permanent damage. It is crucial to adhere to the specified maximum supply voltage to ensure the reliable and safe operation of the electronic component.
18V - Temperature Grade
Temperature grades represent a tire's resistance to heat and its ability to dissipate heat when tested under controlled laboratory test conditions.
AUTOMOTIVE - Supply Voltage-Min (Vsup)
The parameter "Supply Voltage-Min (Vsup)" in electronic components refers to the minimum voltage level required for the component to operate within its specified performance range. This parameter indicates the lowest voltage that can be safely applied to the component without risking damage or malfunction. It is crucial to ensure that the supply voltage provided to the component meets or exceeds this minimum value to ensure proper functionality and reliability. Failure to adhere to the specified minimum supply voltage may result in erratic behavior, reduced performance, or even permanent damage to the component.
6V - Number of Channels2
- Supply Current-Max
Supply Current-Max refers to the maximum amount of current that an electronic component or circuit can draw from its power supply under specified operating conditions. It is a critical parameter that determines the power consumption and thermal performance of the device. Exceeding this limit can lead to overheating, potential damage, or failure of the component. Knowing the Supply Current-Max helps in designing circuits that ensure proper operation and reliability.
160mA - Output Power
That power available at a specified output of a device under specified conditions of operation.
22W - Bandwidth
In electronic components, "Bandwidth" refers to the range of frequencies over which the component can effectively operate or pass signals without significant loss or distortion. It is a crucial parameter for devices like amplifiers, filters, and communication systems. The bandwidth is typically defined as the difference between the upper and lower frequencies at which the component's performance meets specified criteria, such as a certain level of signal attenuation or distortion. A wider bandwidth indicates that the component can handle a broader range of frequencies, making it more versatile for various applications. Understanding the bandwidth of electronic components is essential for designing and optimizing circuits to ensure proper signal transmission and reception within the desired frequency range.
20 kHz - Gain
In electronic components, "Gain" refers to the ratio of the output signal amplitude to the input signal amplitude. It is a measure of the amplification provided by the component, such as a transistor or operational amplifier. Gain is typically expressed in decibels (dB) or as a numerical value, indicating how much the signal is amplified by the component.A higher gain value indicates a greater amplification of the input signal, while a lower gain value indicates less amplification. Gain is an important parameter in designing and analyzing electronic circuits, as it determines the overall performance and functionality of the system. Different components have different gain characteristics, and understanding the gain of a component is crucial for achieving the desired signal processing or amplification in electronic systems.
26 dB - Max Output Power x Channels @ Load
Max Output Power x Channels @ Load is a specification that describes the maximum power output that an electronic component, such as an amplifier or audio device, can deliver across a certain number of channels at a specific load impedance. This parameter is important for understanding the capability of the component to drive speakers or other devices effectively. The value is typically expressed in watts and can vary depending on the number of channels being used and the impedance of the load. It helps users determine the compatibility of the component with their audio setup and ensures that the component can provide sufficient power for optimal performance.
22W x 2 @ 4 Ω; 11W x 4 @ 2 Ω - Harmonic Distortion
Harmonic distortion is a common parameter used to describe the quality of audio or electronic signals. It refers to the presence of unwanted harmonics or additional frequencies in the output signal that were not present in the input signal. These harmonics are typically multiples of the original signal frequency and can distort the waveform, affecting the overall sound quality or performance of the electronic component. Lower harmonic distortion values indicate a cleaner and more accurate output signal, while higher distortion levels can result in a more distorted or altered sound. Manufacturers often specify harmonic distortion levels in percentage or decibels to help users understand the quality of the component's output.
0.1% - Features
In the context of electronic components, the term "Features" typically refers to the specific characteristics or functionalities that a particular component offers. These features can vary depending on the type of component and its intended use. For example, a microcontroller may have features such as built-in memory, analog-to-digital converters, and communication interfaces like UART or SPI.When evaluating electronic components, understanding their features is crucial in determining whether they meet the requirements of a particular project or application. Engineers and designers often look at features such as operating voltage, speed, power consumption, and communication protocols to ensure compatibility and optimal performance.In summary, the "Features" parameter in electronic components describes the unique attributes and capabilities that differentiate one component from another, helping users make informed decisions when selecting components for their electronic designs.
Depop, Mute, Short-Circuit and Thermal Protection, Standby - Length24mm
- Height Seated (Max)
Height Seated (Max) is a parameter in electronic components that refers to the maximum allowable height of the component when it is properly seated or installed on a circuit board or within an enclosure. This specification is crucial for ensuring proper fit and alignment within the overall system design. Exceeding the maximum seated height can lead to mechanical interference, electrical shorts, or other issues that may impact the performance and reliability of the electronic device. Manufacturers provide this information to help designers and engineers select components that will fit within the designated space and function correctly in the intended application.
17mm - Width4.4mm
- RoHS Status
RoHS means “Restriction of Certain Hazardous Substances” in the “Hazardous Substances Directive” in electrical and electronic equipment.
ROHS3 Compliant
TDA1554 Features
Requires very few external components
Flexibility in use − Quad single-ended or stereo BTL
High output power
Low offset voltage at outputs (important for BTL)
Fixed gain
Good ripple rejection
Mute/stand-by switch
Load dump protection
AC and DC short-circuit-safe to ground and VP
Thermally protected
Reverse polarity safe
Capability to handle high energy on outputs (VP = 0 V)
Protected against electrostatic discharge
No switch-on/switch-off plop
Low thermal resistance
Identical inputs (inverting and non-inverting)
Flexible leads
TDA1554 Applications
Stereo amplifiers
Home audio circuits
Car radios
TDA1554 Equivalents
TDA7294, LM386, TDA2030, TDA2040, LM4871
Where to Use TDA1554
This IC is designed for usage in automobile radios. Its outputs have a low offset voltage, which is critical for BTL applications. It can manage significant energy outputs. This IC is utilized in 22W stereo amplifiers and 11W single-ended home audio circuits.
How to Use TDA1554
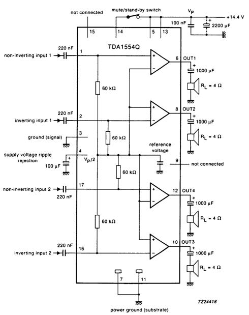
TDA1554 is an amplifier IC that may be used to create stereo audio power amplifier circuits of 2*22 watts and 4*11 watts. A strong heatsink is required because the circuit dissipated roughly 28 watts of heat. At full loudness, the circuit uses 12 volts and 5 amps. When the volume is reduced, the current consumption is reduced, and less heat is dissipated.
Now, as we know we can use this IC for 2*22 watts and 4* 11-watt stereo audio power amplifier circuits. The connection diagram for both is given below:

2*22 Watt Stereo Audio Power Amplifier Circuit
The BTL arrangement is represented in the circuit above. In both circuits, the components are nearly identical. Each speaker is driven by a single MOSFET half-bridge in single-ended mode, while in bridge-tied load (BTL); the speaker is connected between the two MOSFET half-bridges.

4*11 Watt Stereo Audio Power Amplifier Circuit
TDA1554 is used in the circuit above, which is a 4-channel 11-watt home audio circuit. There are four channels on each amplifier. It uses a DC voltage range of 12 to 18 volts to operate. A 12-volt power supply capable of delivering 2 Amps can be used to provide this voltage supply.
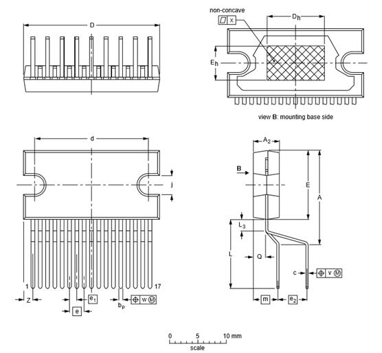
TDA1554 Dimensions

TDA1554 Dimensions
TDA1554 Manufacturer
NXP Semiconductors is dedicated to providing secure connectivity solutions for embedded applications, the company has 45,000 employees in more than 35 countries. and has been operating, with its experience and expertise, for more than 60 years. As a leader in this field, NXP is driving innovation in the secure connected vehicle, end-to-end security & privacy, and smart connected solutions markets, with the hope of making lives easier, better, and safer Freescale Semiconductor parts are now a part of the NXP family.
Datasheet PDF
- PCN Obsolescence/ EOL :
- Datasheets :
What is the use of TDA1554?
It is an audio amplifier IC used in Stereo amplifiers, Home audio circuits, and Car radios.
What is the transistor next to the capacitor in the TDA1554 audio circuit?
The transistor next to the capacitor in the TDA1554Q audio circuit is used for mute. The triode has many functions and its main functions in the audio are voltage amplification, current amplification, power supply stabilization, logic control, and mute on and off.
How to measure the quality of the tda1554 on the power amplifier board?
TDA1554Q is a classic power amplifier IC with few external components. Many are used in multimedia. Because there are few external components, check whether the input has a signal and power supply, then the IC is broken and replaced directly.
STP9NK60ZFP Power MOSFET: Pinout, Datasheet, and Features11 September 20212348
ATTINY2313 8-bit AVR Microcontroller: Pinout, Datasheet and Programming01 November 20217584
WS2812B Addressable RGB LED: Datasheet, Pinout and Applications10 September 202126251
LM258P Low Power Dual Bipolar Op-amps:Description,Features and Applications25 February 20221642
MMBTA42 NPN High-Voltage Transistor: NPN, SOT-23, Datasheet07 February 20222013
LM2576 Step-Down Switching Regulator: Datasheet pdf, Circuit and Pinout02 December 202110209
TLC5940NT LED Driver: Features, Speicifications and Applications27 May 20211836
TL072 OP-AMP: Where & How to Use TL072?20 November 202123230
What is a Thermoelectric Cooler?08 April 20216149
Ultimate Guide to KVM Switches: Definition, Usage, and 2025 Trends18 December 20258840
Semiconductor Materials:Types, Properties and Production Process21 October 202523126
Smart Sensors: Definition, Structures and Applications04 July 20225200
High-Frequency Silicon Carbide MOSFETs using Resonant Gate Driver Circuits13 March 20241739
GlobalFoundries Unveils $4 Billion Expansion in Singapore to Meet Rising Chip Demand13 September 20233937
5G Enters an Arena All Its Own: AT&T to bring 5G to AT&T Stadium15 November 2019901
What is Bluetooth Low Energy (BLE) Audio Technology?26 April 20226358
NXP USA Inc.
In Stock
United States
China
Canada
Japan
Russia
Germany
United Kingdom
Singapore
Italy
Hong Kong(China)
Taiwan(China)
France
Korea
Mexico
Netherlands
Malaysia
Austria
Spain
Switzerland
Poland
Thailand
Vietnam
India
United Arab Emirates
Afghanistan
Åland Islands
Albania
Algeria
American Samoa
Andorra
Angola
Anguilla
Antigua & Barbuda
Argentina
Armenia
Aruba
Australia
Azerbaijan
Bahamas
Bahrain
Bangladesh
Barbados
Belarus
Belgium
Belize
Benin
Bermuda
Bhutan
Bolivia
Bonaire, Sint Eustatius and Saba
Bosnia & Herzegovina
Botswana
Brazil
British Indian Ocean Territory
British Virgin Islands
Brunei
Bulgaria
Burkina Faso
Burundi
Cabo Verde
Cambodia
Cameroon
Cayman Islands
Central African Republic
Chad
Chile
Christmas Island
Cocos (Keeling) Islands
Colombia
Comoros
Congo
Congo (DRC)
Cook Islands
Costa Rica
Côte d’Ivoire
Croatia
Cuba
Curaçao
Cyprus
Czechia
Denmark
Djibouti
Dominica
Dominican Republic
Ecuador
Egypt
El Salvador
Equatorial Guinea
Eritrea
Estonia
Eswatini
Ethiopia
Falkland Islands
Faroe Islands
Fiji
Finland
French Guiana
French Polynesia
Gabon
Gambia
Georgia
Ghana
Gibraltar
Greece
Greenland
Grenada
Guadeloupe
Guam
Guatemala
Guernsey
Guinea
Guinea-Bissau
Guyana
Haiti
Honduras
Hungary
Iceland
Indonesia
Iran
Iraq
Ireland
Isle of Man
Israel
Jamaica
Jersey
Jordan
Kazakhstan
Kenya
Kiribati
Kosovo
Kuwait
Kyrgyzstan
Laos
Latvia
Lebanon
Lesotho
Liberia
Libya
Liechtenstein
Lithuania
Luxembourg
Macao(China)
Madagascar
Malawi
Maldives
Mali
Malta
Marshall Islands
Martinique
Mauritania
Mauritius
Mayotte
Micronesia
Moldova
Monaco
Mongolia
Montenegro
Montserrat
Morocco
Mozambique
Myanmar
Namibia
Nauru
Nepal
New Caledonia
New Zealand
Nicaragua
Niger
Nigeria
Niue
Norfolk Island
North Korea
North Macedonia
Northern Mariana Islands
Norway
Oman
Pakistan
Palau
Palestinian Authority
Panama
Papua New Guinea
Paraguay
Peru
Philippines
Pitcairn Islands
Portugal
Puerto Rico
Qatar
Réunion
Romania
Rwanda
Samoa
San Marino
São Tomé & Príncipe
Saudi Arabia
Senegal
Serbia
Seychelles
Sierra Leone
Sint Maarten
Slovakia
Slovenia
Solomon Islands
Somalia
South Africa
South Sudan
Sri Lanka
St Helena, Ascension, Tristan da Cunha
St. Barthélemy
St. Kitts & Nevis
St. Lucia
St. Martin
St. Pierre & Miquelon
St. Vincent & Grenadines
Sudan
Suriname
Svalbard & Jan Mayen
Sweden
Syria
Tajikistan
Tanzania
Timor-Leste
Togo
Tokelau
Tonga
Trinidad & Tobago
Tunisia
Turkey
Turkmenistan
Turks & Caicos Islands
Tuvalu
U.S. Outlying Islands
U.S. Virgin Islands
Uganda
Ukraine
Uruguay
Uzbekistan
Vanuatu
Vatican City
Venezuela
Wallis & Futuna
Yemen
Zambia
Zimbabwe


Product
Brand
Articles
Tools
















