TPS26600PWPT: High Voltage, Pinout, 4.2V to 55V
16 Terminations 24V 16 Pin TPS26600 Current regulator -40°C~125°C TJ Min 4.2V Max 60V









16 Terminations 24V 16 Pin TPS26600 Current regulator -40°C~125°C TJ Min 4.2V Max 60V
The TPS26600PWPT components are small, but they have a lot of high-voltage eFuses and a lot of protection features. This article is going to show the introduction of the device.
- TPS26600PWPT Description
- TPS26600PWPT Pinout
- TPS26600PWPT CAD Model
- TPS26600PWPT Features
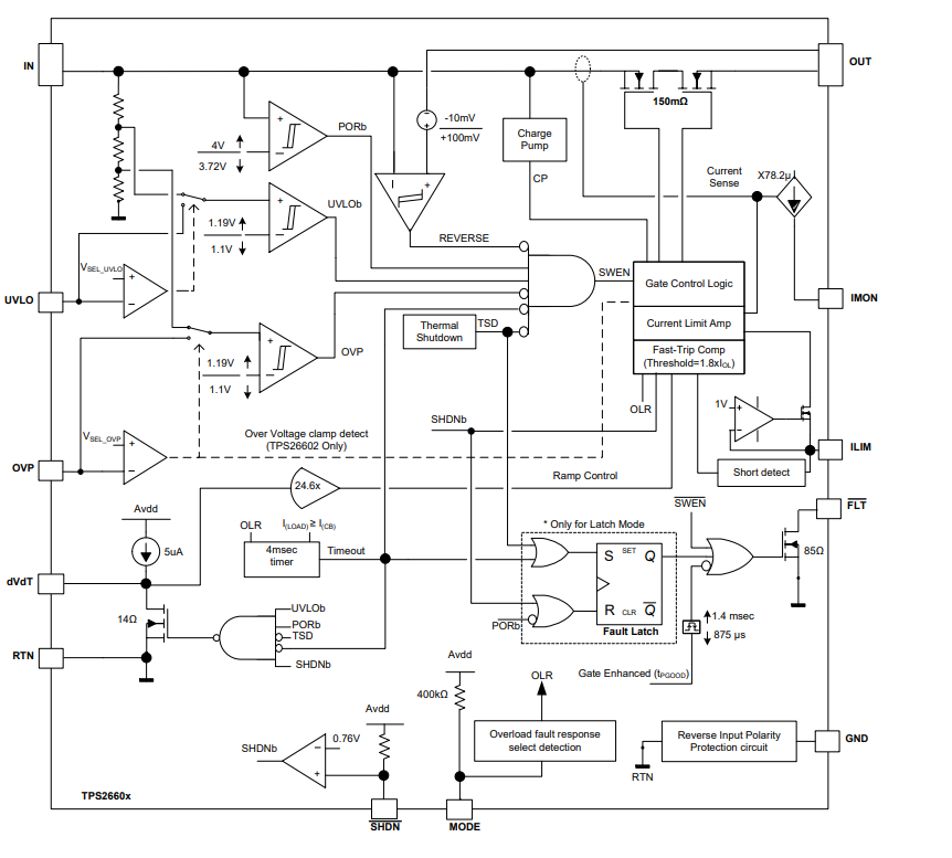
- TPS26600PWPT Functional Block Diagram
- TPS26600PWPT Equivalents
- Specifications
- TPS26600PWPT Applications
- TPS26600PWPT Typical Application Circuit
- TPS26600PWPT Package
- TPS26600PWPT Manufacturer
- Trend Analysis
- Parts with Similar Specs
- Datasheet PDF
TPS26600PWPT Description
The TPS26600PWPT components are small, but they have a lot of high-voltage eFuses and a lot of protection features. Many common DC bus voltages can be controlled thanks to the wide supply input range of 4.2 to 55 V. The device can withstand and protect loads from source voltages of up to 60 V, both positive and negative. The device's integrated back to back FETs enable reverse current blocking, making it useful for systems that require output voltage holdup during power outages and brownouts. Many customizable features are available for load, source, and device safety, including overcurrent, output slew rate, and overvoltage and undervoltage thresholds. The inherent robust protection control blocks, combined with the TPS2660x's high voltage rating, enable to simplify surge protection system designs.
TPS26600PWPT Pinout

TPS26600PWPT CAD Model
Symbol

Footprint

3D Model

TPS26600PWPT Features
• 4.2-V to 55-V Operating Voltage, 60-V ABSmax
• Integrated Reverse Input Polarity Protection down to –60 V
– Zero Additional Components Required
• Integrated Back to Back MOSFETs with 150-mΩ total RON
• 0.1-A to 2.23-A Adjustable current limit (±5% accuracy at 1 A)
• Load protection during Surge (IEC 61000-4-5) with minimum external components
• IMON Current Indicator Output (±8.5% accuracy)
• Low Quiescent Current, 300-µA in Operating, 20-µA in Shutdown
• Adjustable UVLO, OVP Cut Off, Output Slew Rate Control
• Reverse Current Blocking
• Fixed 38-V Overvoltage Clamp (TPS26602 only)
• Available in Easy-to-Use 16-Pin HTSSOP and 24-
Pin VQFN Packages
• Selectable Current-Limiting Fault Response Options (Auto-Retry, Latch Off, Circuit Breaker Modes)
• UL 2367 Recognized
– File No. 169910
– RILIM ≥ 5.36 kΩ (2.35-A Maximum)
• UL60950 - Safe during Single Point Failure Test
– Open/Short ILIM Detection
TPS26600PWPT Functional Block Diagram

TPS26600PWPT Equivalents
| Part Number | Description | Manufacturer |
| MAX14588ETE+POWER CIRCUITS | Power Supply Support Circuit, Adjustable, 1 Channel, BICMOS, 3 X 3 MM, ROHS COMPLIANT, TQFN-16 | Maxim Integrated Products |
| TPS26602PWPRPOWER CIRCUITS | 4.2-V to 60-V, 150mΩ, 0.1-2.23A eFuse with integrated input reverse polarity protection 16-HTSSOP -40 to 125 | Texas Instruments |
| TPS26600RHFRPOWER CIRCUITS | 4.2-V to 60-V, 150mΩ, 0.1-2.23A eFuse with integrated input reverse polarity protection 24-VQFN -40 to 125 | Texas Instruments |
| RT9535BGQWPOWER CIRCUITS | Power Supply Support Circuit, Adjustable, 1 Channel, WQFN-24 | Richtek Technology Corp |
| TPS26600PWPRPOWER CIRCUITS | 4.2-V to 60-V, 150mΩ, 0.1-2.23A eFuse with integrated input reverse polarity protection 16-HTSSOP -40 to 125 | Texas Instruments |
| TPS26602PWPTPOWER CIRCUITS | 4.2-V to 60-V, 150mΩ, 0.1-2.23A eFuse with integrated input reverse polarity protection 16-HTSSOP -40 to 125 | Texas Instruments |
| MAX14588ETE+TPOWER CIRCUITS | Power Supply Support Circuit, Adjustable, 1 Channel, BICMOS, TQFN-16 | Maxim Integrated Products |
| TPS26600RHFTPOWER CIRCUITS | 4.2-V to 60-V, 150mΩ, 0.1-2.23A eFuse with integrated input reverse polarity protection 24-VQFN -40 to 125 | Texas Instruments |
Specifications
- TypeParameter
- Lifecycle Status
Lifecycle Status refers to the current stage of an electronic component in its product life cycle, indicating whether it is active, obsolete, or transitioning between these states. An active status means the component is in production and available for purchase. An obsolete status indicates that the component is no longer being manufactured or supported, and manufacturers typically provide a limited time frame for support. Understanding the lifecycle status is crucial for design engineers to ensure continuity and reliability in their projects.
ACTIVE (Last Updated: 5 days ago) - Factory Lead Time6 Weeks
- Mounting Type
The "Mounting Type" in electronic components refers to the method used to attach or connect a component to a circuit board or other substrate, such as through-hole, surface-mount, or panel mount.
Surface Mount - Package / Case
refers to the protective housing that encases an electronic component, providing mechanical support, electrical connections, and thermal management.
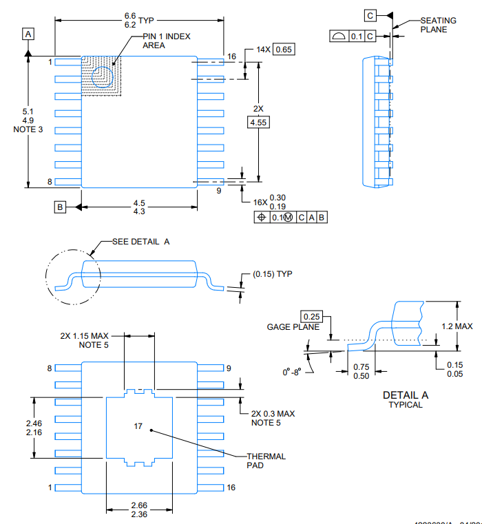
16-PowerTSSOP (0.173, 4.40mm Width) - Surface Mount
having leads that are designed to be soldered on the side of a circuit board that the body of the component is mounted on.
YES - Number of Pins16
- Operating Temperature
The operating temperature is the range of ambient temperature within which a power supply, or any other electrical equipment, operate in. This ranges from a minimum operating temperature, to a peak or maximum operating temperature, outside which, the power supply may fail.
-40°C~125°C TJ - Packaging
Semiconductor package is a carrier / shell used to contain and cover one or more semiconductor components or integrated circuits. The material of the shell can be metal, plastic, glass or ceramic.
Tape & Reel (TR) - JESD-609 Code
The "JESD-609 Code" in electronic components refers to a standardized marking code that indicates the lead-free solder composition and finish of electronic components for compliance with environmental regulations.
e4 - Pbfree Code
The "Pbfree Code" parameter in electronic components refers to the code or marking used to indicate that the component is lead-free. Lead (Pb) is a toxic substance that has been widely used in electronic components for many years, but due to environmental concerns, there has been a shift towards lead-free alternatives. The Pbfree Code helps manufacturers and users easily identify components that do not contain lead, ensuring compliance with regulations and promoting environmentally friendly practices. It is important to pay attention to the Pbfree Code when selecting electronic components to ensure they meet the necessary requirements for lead-free applications.
yes - Part Status
Parts can have many statuses as they progress through the configuration, analysis, review, and approval stages.
Active - Moisture Sensitivity Level (MSL)
Moisture Sensitivity Level (MSL) is a standardized rating that indicates the susceptibility of electronic components, particularly semiconductors, to moisture-induced damage during storage and the soldering process, defining the allowable exposure time to ambient conditions before they require special handling or baking to prevent failures
2 (1 Year) - Number of Terminations16
- Terminal Finish
Terminal Finish refers to the surface treatment applied to the terminals or leads of electronic components to enhance their performance and longevity. It can improve solderability, corrosion resistance, and overall reliability of the connection in electronic assemblies. Common finishes include nickel, gold, and tin, each possessing distinct properties suitable for various applications. The choice of terminal finish can significantly impact the durability and effectiveness of electronic devices.
Nickel/Palladium/Gold (Ni/Pd/Au) - Terminal Position
In electronic components, the term "Terminal Position" refers to the physical location of the connection points on the component where external electrical connections can be made. These connection points, known as terminals, are typically used to attach wires, leads, or other components to the main body of the electronic component. The terminal position is important for ensuring proper connectivity and functionality of the component within a circuit. It is often specified in technical datasheets or component specifications to help designers and engineers understand how to properly integrate the component into their circuit designs.
DUAL - Terminal Form
Occurring at or forming the end of a series, succession, or the like; closing; concluding.
GULL WING - Supply Voltage
Supply voltage refers to the electrical potential difference provided to an electronic component or circuit. It is crucial for the proper operation of devices, as it powers their functions and determines performance characteristics. The supply voltage must be within specified limits to ensure reliability and prevent damage to components. Different electronic devices have specific supply voltage requirements, which can vary widely depending on their design and intended application.
24V - Base Part Number
The "Base Part Number" (BPN) in electronic components serves a similar purpose to the "Base Product Number." It refers to the primary identifier for a component that captures the essential characteristics shared by a group of similar components. The BPN provides a fundamental way to reference a family or series of components without specifying all the variations and specific details.
TPS26600 - Function
The parameter "Function" in electronic components refers to the specific role or purpose that the component serves within an electronic circuit. It defines how the component interacts with other elements, influences the flow of electrical signals, and contributes to the overall behavior of the system. Functions can include amplification, signal processing, switching, filtering, and energy storage, among others. Understanding the function of each component is essential for designing effective and efficient electronic systems.
Electronic Fuse - Number of Channels1
- Max Supply Voltage
In general, the absolute maximum common-mode voltage is VEE-0.3V and VCC+0.3V, but for products without a protection element at the VCC side, voltages up to the absolute maximum rated supply voltage (i.e. VEE+36V) can be supplied, regardless of supply voltage.
60V - Min Supply Voltage
The minimum supply voltage (V min ) is explored for sequential logic circuits by statistically simulating the impact of within-die process variations and gate-dielectric soft breakdown on data retention and hold time.
4.2V - Analog IC - Other Type
Analog IC - Other Type is a parameter used to categorize electronic components that are integrated circuits (ICs) designed for analog signal processing but do not fall into more specific subcategories such as amplifiers, comparators, or voltage regulators. These ICs may include specialized analog functions such as analog-to-digital converters (ADCs), digital-to-analog converters (DACs), voltage references, or signal conditioning circuits. They are typically used in various applications where precise analog signal processing is required, such as in audio equipment, instrumentation, communication systems, and industrial control systems. Manufacturers provide detailed specifications for these components to help engineers select the most suitable IC for their specific design requirements.
POWER SUPPLY SUPPORT CIRCUIT - Nominal Supply Current
Nominal current is the same as the rated current. It is the current drawn by the motor while delivering rated mechanical output at its shaft.
300μA - Adjustable Threshold
The "Adjustable Threshold" parameter in electronic components refers to the ability to manually set or modify the threshold level at which a specific function or operation is triggered. This feature allows users to customize the sensitivity or activation point of the component according to their specific requirements or preferences. By adjusting the threshold, users can fine-tune the performance of the component to suit different applications or environmental conditions. This flexibility in threshold adjustment can be particularly useful in various electronic devices and systems where precise control over triggering levels is necessary for optimal functionality.
YES - Accuracy
Accuracy in electronic components refers to the degree to which a measured value agrees with the true or accepted value. It evaluates the precision of a component in providing correct output or measurement under specified conditions. High accuracy indicates minimal deviation from the actual value, while low accuracy shows significant error in measurement. This parameter is crucial in applications where precise data is essential for reliable performance and decision-making.
±5% - Max Junction Temperature (Tj)
Max Junction Temperature (Tj) refers to the maximum allowable temperature at the junction of a semiconductor device, such as a transistor or integrated circuit. It is a critical parameter that influences the performance, reliability, and lifespan of the component. Exceeding this temperature can lead to thermal runaway, breakdown, or permanent damage to the device. Proper thermal management is essential to ensure the junction temperature remains within safe operating limits during device operation.
125°C - On-State Resistance
On-State Resistance, often denoted as Rds(on), refers to the resistance offered by a semiconductor device, such as a MOSFET or a diode, when it is in the "on" state and conducting current. This parameter is critical in determining the efficiency of the component, as lower on-state resistance results in reduced power loss and heat generation during operation. It is typically measured in ohms and can vary based on the specific device characteristics, current level, and temperature.
150mOhm - Height1.2mm
- Length5mm
- Width4.4mm
- Thickness
Thickness in electronic components refers to the measurement of how thick a particular material or layer is within the component structure. It can pertain to various aspects, such as the thickness of a substrate, a dielectric layer, or conductive traces. This parameter is crucial as it impacts the electrical, mechanical, and thermal properties of the component, influencing its performance and reliability in electronic circuits.
1mm - RoHS Status
RoHS means “Restriction of Certain Hazardous Substances” in the “Hazardous Substances Directive” in electrical and electronic equipment.
ROHS3 Compliant - Lead Free
Lead Free is a term used to describe electronic components that do not contain lead as part of their composition. Lead is a toxic material that can have harmful effects on human health and the environment, so the electronics industry has been moving towards lead-free components to reduce these risks. Lead-free components are typically made using alternative materials such as silver, copper, and tin. Manufacturers must comply with regulations such as the Restriction of Hazardous Substances (RoHS) directive to ensure that their products are lead-free and environmentally friendly.
Lead Free
TPS26600PWPT Applications
• Programmable Logic Controller
• Distributed Control System (DCS)
• Control and Automation
• Redundant Supply ORing
• Industrial Surge Protection
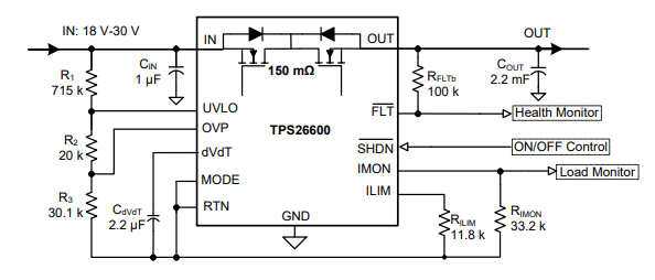
TPS26600PWPT Typical Application Circuit

TPS26600PWPT Typical Application Circuit
TPS26600PWPT Package

TPS26600PWPT Manufacturer
Texas Instruments Incorporated (TI) is an American technology company based in Dallas, Texas, that designs and manufactures semiconductors and various integrated circuits, which it sells to electronics designers and manufacturers globally. It is one of the top 10 semiconductor companies worldwide based on sales volume. The company's focus is on developing analog chips and embedded processors, which account for more than 80% of its revenue. TI also produces TI digital light processing technology and education technology products including calculators, micro-controllers, and multi-core processors. The company boasts 45,000 patents around the globe as of 2016.
Trend Analysis
Parts with Similar Specs
Datasheet PDF
- Datasheets :
- PCN Design/Specification :
What is TPS26600PWPT?
The TPS26600PWPT components are small, but they have a lot of high-voltage eFuses and a lot of protection features. Many common DC bus voltages can be controlled thanks to the wide supply input range of 4.2 to 55 V. The device can withstand and protect loads from source voltages of up to 60 V, both positive and negative. The device's integrated back to back FETs enable reverse current blocking, making it useful for systems that require output voltage holdup during power outages and brownouts. Many customizable features are available for load, source, and device safety, including overcurrent, output slew rate, and overvoltage and undervoltage thresholds. The inherent robust protection control blocks, combined with the TPS2660x's high voltage rating, enable to simplify surge protection system designs.
What is the recommended operating temperature of the component?
-40°C~125°C TJ.
What is the package of the device?
16-PowerTSSOP (0.173, 4.40mm Width).
What is the component’s number of pins?
16.
How STM32G070KBT6 Enhances Embedded Applications24 July 202593
STM32H7 Arm® Cortex®-M7 MCUs: Features, Advantage and Datasheet07 January 20228165
74LS00 Quad 2 Input NAND Gate: Datasheet, Pinout and Schematic26 October 202113311
LF353N Dual JFET Input Op-Amp: Datasheet, Pinout and Equivalents15 September 202110532
RX5500 433.92 MHz Hybrid Receiver:Pinout, Datasheet, and Applications16 September 2021963
LP5036RJVR LED Display Driver:Circuit, Datasheet, and Pinout18 March 2022691
CR123A 3V Lithium Battery, CR123 VS CR123A, CR123A Equivalents07 March 202229198
AD625: High-Performance Instrumentation Amplifier for Precise Signal Conditioning06 March 2024118
Emerging Storage Technologies: MRAM, RRAM, and PCRAM05 November 20218555
Operational Amplifier Basics: Working Principle and Amplifier Circuit21 March 202518132
Switch-mode Power Supply Basics14 December 20205732
What Makes a CPU?30 March 20221545
Semiconductor Foundry Market Expected to Reach US$ 161.90 Billion By 203126 September 2023651
How Fast is Wi-Fi 6?07 June 20214868
What are the Different Types of Fingerprint Sensors?16 December 20208626
Introduction to Graphics Processing Unit (GPU)26 January 20212994
Texas Instruments
In Stock: 4
United States
China
Canada
Japan
Russia
Germany
United Kingdom
Singapore
Italy
Hong Kong(China)
Taiwan(China)
France
Korea
Mexico
Netherlands
Malaysia
Austria
Spain
Switzerland
Poland
Thailand
Vietnam
India
United Arab Emirates
Afghanistan
Åland Islands
Albania
Algeria
American Samoa
Andorra
Angola
Anguilla
Antigua & Barbuda
Argentina
Armenia
Aruba
Australia
Azerbaijan
Bahamas
Bahrain
Bangladesh
Barbados
Belarus
Belgium
Belize
Benin
Bermuda
Bhutan
Bolivia
Bonaire, Sint Eustatius and Saba
Bosnia & Herzegovina
Botswana
Brazil
British Indian Ocean Territory
British Virgin Islands
Brunei
Bulgaria
Burkina Faso
Burundi
Cabo Verde
Cambodia
Cameroon
Cayman Islands
Central African Republic
Chad
Chile
Christmas Island
Cocos (Keeling) Islands
Colombia
Comoros
Congo
Congo (DRC)
Cook Islands
Costa Rica
Côte d’Ivoire
Croatia
Cuba
Curaçao
Cyprus
Czechia
Denmark
Djibouti
Dominica
Dominican Republic
Ecuador
Egypt
El Salvador
Equatorial Guinea
Eritrea
Estonia
Eswatini
Ethiopia
Falkland Islands
Faroe Islands
Fiji
Finland
French Guiana
French Polynesia
Gabon
Gambia
Georgia
Ghana
Gibraltar
Greece
Greenland
Grenada
Guadeloupe
Guam
Guatemala
Guernsey
Guinea
Guinea-Bissau
Guyana
Haiti
Honduras
Hungary
Iceland
Indonesia
Iran
Iraq
Ireland
Isle of Man
Israel
Jamaica
Jersey
Jordan
Kazakhstan
Kenya
Kiribati
Kosovo
Kuwait
Kyrgyzstan
Laos
Latvia
Lebanon
Lesotho
Liberia
Libya
Liechtenstein
Lithuania
Luxembourg
Macao(China)
Madagascar
Malawi
Maldives
Mali
Malta
Marshall Islands
Martinique
Mauritania
Mauritius
Mayotte
Micronesia
Moldova
Monaco
Mongolia
Montenegro
Montserrat
Morocco
Mozambique
Myanmar
Namibia
Nauru
Nepal
New Caledonia
New Zealand
Nicaragua
Niger
Nigeria
Niue
Norfolk Island
North Korea
North Macedonia
Northern Mariana Islands
Norway
Oman
Pakistan
Palau
Palestinian Authority
Panama
Papua New Guinea
Paraguay
Peru
Philippines
Pitcairn Islands
Portugal
Puerto Rico
Qatar
Réunion
Romania
Rwanda
Samoa
San Marino
São Tomé & Príncipe
Saudi Arabia
Senegal
Serbia
Seychelles
Sierra Leone
Sint Maarten
Slovakia
Slovenia
Solomon Islands
Somalia
South Africa
South Sudan
Sri Lanka
St Helena, Ascension, Tristan da Cunha
St. Barthélemy
St. Kitts & Nevis
St. Lucia
St. Martin
St. Pierre & Miquelon
St. Vincent & Grenadines
Sudan
Suriname
Svalbard & Jan Mayen
Sweden
Syria
Tajikistan
Tanzania
Timor-Leste
Togo
Tokelau
Tonga
Trinidad & Tobago
Tunisia
Turkey
Turkmenistan
Turks & Caicos Islands
Tuvalu
U.S. Outlying Islands
U.S. Virgin Islands
Uganda
Ukraine
Uruguay
Uzbekistan
Vanuatu
Vatican City
Venezuela
Wallis & Futuna
Yemen
Zambia
Zimbabwe








