LP5036RJVR LED Display Driver:Circuit, Datasheet, and Pinout
PMIC LP5036 29kHz 3.3V 46-VFQFN Exposed Pad
The LP5036RJVR device is a 36-channel constant current-sink LED driver. This passage is going to introduce LP5036RJVR from the perspectives of features, CAD models, and datasheets.
LP5036RJVR Description
Utmel Electronics distributes the LP5036RJVR, a Texas Instruments product. It belongs to the LED category. It's used in a variety of fields, including automotive hybrid, electric, and powertrain systems. Defense and industrial aeronautics Data centers and enterprise computing are two types of enterprise systems. This part's main specifications are: 36-channel I2C constant current RGB LED driver 46-VQFN -40 to 125. It's also eco-friendly and RoHS-compliant (lead-free / RoHS-compliant).
LP5036RJVR Application
Automotive
Advanced driver assistance systems (ADAS/)Body electronics & lighting/Hybrid, electric & powertrain system/sInfotainment & cluster
2. Industrial
Aerospace & defense/Appliances/Building automation/Electronic point of sale (EPOS)Factory automation & control/Grid infrastructure/Industrial transport (non-car & non-light truck)/Lighting/Medical/Motor drives/Power delivery/Pro audio, video & signage/Test & measurement
3. Enterprise systems
Datacenter & enterprise computing/Enterprise machine/Enterprise projectors
LP5036RJVR Features
• Operating Voltage Range:
– VCC Range: 2.7 V to 5.5 V
– EN, SDA, and SCL Pins Compatible With 1.8-V, 3.3-V, and 5-V Power Rails
– Output Maximum Voltage: 6 V
• 36 Constant-Current Sinks With High Precision
– 25.5 mA Maximum per Channel When VCC in Full Range
– 35 mA Maximum per Channel When VCC ≥ 3.3V
– Device-to-Device Error ±5%; Channel-to channel Error ±5%
• Ultralow Quiescent Current:
– Shutdown Mode: 1 µA (Maximum) When EN Low
– Power Saving Mode: 12 µA (Maximum) When EN High and All LEDs Off for > 30 ms
• Integrated 12-Bit, 29-kHz PWM Generator for Each Channel:
– Independent Color-Mixing Register Per Channel
– Independent Brightness-Control Register Per RGB LED Module
– Optional Logarithmic- or Linear-Scale Brightness Control
– Integrated 3-Phase-Shifting PWM Scheme
• 3 Programmable Banks (R, G, B) for Easy Software Control of Each Color
• 2 External Hardware Address Pins Allow Connecting up to 4 Devices
• Broadcast Slave Address Allows Configuring Multiple Devices Simultaneously
• Auto-Increment Allows Writing or Reading Consecutive Registers Within One Transmission
• Up to 400-kHz Fast-Mode I2C Speed
LP5036RJVR CAD Models
Symbol

Footprint

3D Models

LP5036RJVR Package

VQFN-46
LP5036RJVR Pin Function
| NAME | NO. | I/O | DESCRIPTION |
| ADDR0 | 38 | - | I²C slave-address selection pin. This pin must not be left floating. |
| ADDR1 | 39 | - | I²C slave-address selection pin. This pin must not be left floating. |
| EN | 43 | I | Chip enable input pin |
| IREF | 44 | - | Output current-reference global-setting pin |
| NC | - | - | No internal connection |
| NC | - | - | No internal connection |
| NC | - | - | No internal connection |
| NC | - | - | No internal connection |
| NC | - | - | No internal connection |
| NC | - | - | No internal connection |
| OUT0 | 1 | O | Current sink output 0. If not used, this pin can be left floating. |
| OUT1 | 2 | O | Current sink output 1. If not used, this pin can be left floating. |
| OUT2 | 3 | O | Current sink output 2. If not used, this pin can be left floating. |
| OUT3 | 4 | O | Current sink output 3. If not used, this pin can be left floating. |
| OUT4 | 5 | O | Current sink output 4. If not used, this pin can be left floating. |
| OUT5 | 6 | O | Current sink output 5. If not used, this pin can be left floating. |
| OUT6 | 7 | O | Current sink output 6. If not used, this pin can be left floating. |
| OUT7 | 8 | O | Current sink output 7. If not used, this pin can be left floating. |
| OUT8 | 9 | O | Current sink output 8. If not used, this pin can be left floating. |
| OUT9 | 10 | O | Current sink output 9. If not used, this pin can be left floating. |
| OUT10 | 11 | O | Current sink output 10. If not used, this pin can be left floating. |
| OUT11 | 12 | O | Current sink output 11. If not used, this pin can be left floating. |
| OUT12 | 13 | O | Current sink output 12. If not used, this pin can be left floating. |
| OUT13 | 14 | O | Current sink output 13. If not used, this pin can be left floating. |
| OUT14 | 15 | O | Current sink output 14. If not used, this pin can be left floating. |
| OUT15 | 16 | O | Current sink output 15. If not used, this pin can be left floating. |
| OUT16 | 17 | O | Current sink output 16. If not used, this pin can be left floating. |
| OUT17 | 18 | O | Current sink output 17. If not used, this pin can be left floating. |
| OUT18 | 19 | O | Current sink output 18. If not used, this pin can be left floating. |
| OUT19 | 20 | O | Current sink output 19. If not used, this pin can be left floating. |
| OUT20 | 21 | O | Current sink output 20. If not used, this pin can be left floating. |
| OUT21 | 22 | O | Current sink output 21. If not used, this pin can be left floating. |
| OUT22 | 23 | O | Current sink output 22. If not used, this pin can be left floating. |
| OUT23 | 24 | O | Current sink output 23. If not used, this pin can be left floating. |
| OUT24 | 25 | O | Current sink output 24. If not used, this pin can be left floating. |
| OUT25 | 26 | O | Current sink output 25. If not used, this pin can be left floating. |
| OUT26 | 27 | O | Current sink output 26. If not used, this pin can be left floating. |
| OUT27 | 28 | O | Current sink output 27. If not used, this pin can be left floating. |
| OUT28 | 29 | O | Current sink output 28. If not used, this pin can be left floating. |
| OUT29 | 30 | O | Current sink output 29. If not used, this pin can be left floating. |
| OUT30 | 31 | O | Current sink output 30. If not used, this pin can be left floating. |
| OUT31 | 32 | O | Current sink output 31. If not used, this pin can be left floating. |
| OUT32 | 33 | O | Current sink output 32. If not used, this pin can be left floating. |
| OUT33 | 34 | O | Current sink output 33. If not used, this pin can be left floating. |
| OUT34 | 35 | O | Current sink output 34. If not used, this pin can be left floating. |
| OUT35 | 36 | O | Current sink output 35. If not used, this pin can be left floating. |
| SCL | 42 | I | I²C bus clock line. If not used, this pin must be connected to GND or VCC. |
| SDA | 41 | I/O | I²C bus data line. If not used, this pin must be connected to GND or VCC. |
| VCAP | 45 | - | Internal LDO output pin, this pin must be connected to a 1-µF capacitor to GND |
| VCC | 40 | I | Input power. |
| GND | 37 | - | The ground pin for the device. |
| GND | 46 | - | The ground pin for the device. |
| Thermal pad | GND | - | Exposed thermal pad also serves as a ground for the device |
LP5036RJVR Manufacturer
Texas Instruments Incorporated (TI) is an American technology company based in Dallas, Texas, that designs and manufactures semiconductors and integrated circuits for electronic designers and manufacturers around the world. Based on sales volume, it is one of the top ten semiconductor companies in the world. Analog chips and embedded processors, which account for more than 80% of the company's revenue, are the company's main focus. TI also makes calculators, microcontrollers, and multi-core processors, as well as TI digital light processing technology and education technology. As of 2016, the company had 45,000 patents worldwide.
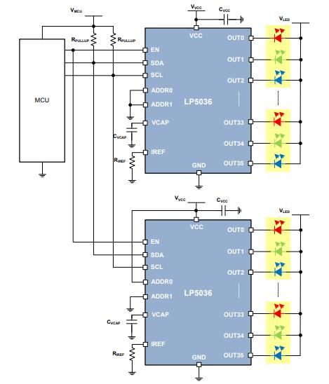
LP5036RJVR Application Circuit

LP5036RJVR Functional Block Diagram

Specifications
- TypeParameter
- Factory Lead Time12 Weeks
- Mounting Type
The "Mounting Type" in electronic components refers to the method used to attach or connect a component to a circuit board or other substrate, such as through-hole, surface-mount, or panel mount.
Surface Mount - Package / Case
refers to the protective housing that encases an electronic component, providing mechanical support, electrical connections, and thermal management.
46-VFQFN Exposed Pad - Surface Mount
having leads that are designed to be soldered on the side of a circuit board that the body of the component is mounted on.
YES - Operating Temperature
The operating temperature is the range of ambient temperature within which a power supply, or any other electrical equipment, operate in. This ranges from a minimum operating temperature, to a peak or maximum operating temperature, outside which, the power supply may fail.
-40°C~125°C TJ - Packaging
Semiconductor package is a carrier / shell used to contain and cover one or more semiconductor components or integrated circuits. The material of the shell can be metal, plastic, glass or ceramic.
Tape & Reel (TR) - JESD-609 Code
The "JESD-609 Code" in electronic components refers to a standardized marking code that indicates the lead-free solder composition and finish of electronic components for compliance with environmental regulations.
e4 - Pbfree Code
The "Pbfree Code" parameter in electronic components refers to the code or marking used to indicate that the component is lead-free. Lead (Pb) is a toxic substance that has been widely used in electronic components for many years, but due to environmental concerns, there has been a shift towards lead-free alternatives. The Pbfree Code helps manufacturers and users easily identify components that do not contain lead, ensuring compliance with regulations and promoting environmentally friendly practices. It is important to pay attention to the Pbfree Code when selecting electronic components to ensure they meet the necessary requirements for lead-free applications.
yes - Part Status
Parts can have many statuses as they progress through the configuration, analysis, review, and approval stages.
Active - Moisture Sensitivity Level (MSL)
Moisture Sensitivity Level (MSL) is a standardized rating that indicates the susceptibility of electronic components, particularly semiconductors, to moisture-induced damage during storage and the soldering process, defining the allowable exposure time to ambient conditions before they require special handling or baking to prevent failures
2 (1 Year) - Number of Terminations46
- TypeLinear
- Terminal Finish
Terminal Finish refers to the surface treatment applied to the terminals or leads of electronic components to enhance their performance and longevity. It can improve solderability, corrosion resistance, and overall reliability of the connection in electronic assemblies. Common finishes include nickel, gold, and tin, each possessing distinct properties suitable for various applications. The choice of terminal finish can significantly impact the durability and effectiveness of electronic devices.
Nickel/Palladium/Gold (Ni/Pd/Au) - Applications
The parameter "Applications" in electronic components refers to the specific uses or functions for which a component is designed. It encompasses various fields such as consumer electronics, industrial automation, telecommunications, automotive, and medical devices. Understanding the applications helps in selecting the right components for a particular design based on performance, reliability, and compatibility requirements. This parameter also guides manufacturers in targeting their products to relevant markets and customer needs.
LED Lighting - Terminal Position
In electronic components, the term "Terminal Position" refers to the physical location of the connection points on the component where external electrical connections can be made. These connection points, known as terminals, are typically used to attach wires, leads, or other components to the main body of the electronic component. The terminal position is important for ensuring proper connectivity and functionality of the component within a circuit. It is often specified in technical datasheets or component specifications to help designers and engineers understand how to properly integrate the component into their circuit designs.
QUAD - Number of Functions1
- Supply Voltage
Supply voltage refers to the electrical potential difference provided to an electronic component or circuit. It is crucial for the proper operation of devices, as it powers their functions and determines performance characteristics. The supply voltage must be within specified limits to ensure reliability and prevent damage to components. Different electronic devices have specific supply voltage requirements, which can vary widely depending on their design and intended application.
3.3V - Frequency
In electronic components, the parameter "Frequency" refers to the rate at which a signal oscillates or cycles within a given period of time. It is typically measured in Hertz (Hz) and represents how many times a signal completes a full cycle in one second. Frequency is a crucial aspect in electronic components as it determines the behavior and performance of various devices such as oscillators, filters, and communication systems. Understanding the frequency characteristics of components is essential for designing and analyzing electronic circuits to ensure proper functionality and compatibility with other components in a system.
29kHz - Base Part Number
The "Base Part Number" (BPN) in electronic components serves a similar purpose to the "Base Product Number." It refers to the primary identifier for a component that captures the essential characteristics shared by a group of similar components. The BPN provides a fundamental way to reference a family or series of components without specifying all the variations and specific details.
LP5036 - JESD-30 Code
JESD-30 Code refers to a standardized descriptive designation system established by JEDEC for semiconductor-device packages. This system provides a systematic method for generating designators that convey essential information about the package's physical characteristics, such as size and shape, which aids in component identification and selection. By using JESD-30 codes, manufacturers and engineers can ensure consistency and clarity in the specification of semiconductor packages across various applications and industries.
R-PQCC-N46 - Number of Outputs36
- Voltage - Output
Voltage - Output is a parameter that refers to the electrical potential difference between the output terminal or pin of an electronic component and a reference point, typically ground. It indicates the level of voltage that the component is capable of providing at its output under specified operating conditions. This parameter is crucial in determining the performance and functionality of the component in a circuit, as it directly affects the signal or power being delivered to other components or devices connected to the output. Engineers and designers use the voltage output specification to ensure compatibility and proper functioning of the component within the overall system.
0V~5.5V - Internal Switch(s)
The term "Internal Switch(s)" in electronic components typically refers to a built-in mechanism within a device that allows for the control of electrical current flow. These internal switches can be used to turn circuits on or off, change the direction of current, or regulate the flow of electricity within the component. They are often designed to be controlled externally, either manually or automatically, to enable various functions or operations within the electronic device. Internal switches play a crucial role in the overall functionality and performance of electronic components by providing a means to manage and manipulate electrical signals effectively.
No - fmax-Min
fmax-Min refers to the frequency range that an electronic component or system can operate within. It represents the difference between the maximum frequency (fmax) and the minimum frequency (Min) limits of operation. This parameter is crucial in defining the bandwidth of the component, indicating how effectively it can transmit or receive signals over that range. A wider fmax-Min value typically signifies better performance for applications that require broad frequency response.
0.4 MHz - Number of Segments36
- Voltage - Supply (Max)
Voltage - Supply (Max) is a parameter in electronic components that specifies the maximum voltage that can be safely applied to the component for proper operation. This parameter is crucial for ensuring the component's longevity and preventing damage due to overvoltage conditions. Exceeding the maximum supply voltage can lead to component failure, reduced performance, or even permanent damage. Designers must carefully consider this parameter when selecting components and designing circuits to ensure reliable and safe operation within the specified voltage limits.
5.5V - Voltage - Supply (Min)
Voltage - Supply (Min) is a parameter in electronic components that specifies the minimum voltage required for the component to operate within its specified performance range. This parameter indicates the lowest voltage level that can be safely applied to the component without causing malfunctions or damage. It is crucial to ensure that the supply voltage provided to the component is equal to or higher than the specified minimum voltage to guarantee proper functionality and reliability. Failure to meet this requirement may result in erratic behavior, reduced performance, or even permanent damage to the component.
2.7V - Multiplexed Display Capability
Multiplexed Display Capability refers to the ability of an electronic component or system to control multiple display elements using fewer input/output lines. This is achieved by rapidly switching between different displays or segments, allowing for efficient communication and reduced wiring complexity. In multiplexed systems, each display is activated sequentially, creating the illusion of simultaneous display to the user. This capability is commonly utilized in devices like LED matrices and LCD screens to enhance functionality while conserving space and resources.
NO - Data Input Mode
Data Input Mode in electronic components refers to the specific method or protocol used to input data into the component. This parameter determines how data is received and processed by the component, whether it be through serial communication, parallel communication, or other interfaces. The data input mode is crucial for ensuring compatibility and proper functioning of the component within a larger electronic system. Understanding and configuring the data input mode correctly is essential for effective data transfer and communication between different components in a circuit or system.
SERIAL - RoHS Status
RoHS means “Restriction of Certain Hazardous Substances” in the “Hazardous Substances Directive” in electrical and electronic equipment.
ROHS3 Compliant
Trend Analysis
Datasheet PDF
- Datasheets :
Parts with Similar Specs
What’s the dimensions of LP5036RJVR?
Height:1mm/Length:6mm/Thickness: 900 µm/Width:5mm
Where is LP5036RJVR made by?
It is made by an American technology company--Texas Instruments Incorporated.
How many pins does LP5036RJVR have?
It has 46 pins.
Is it possible for LP5036RJVR to be a possible alternative to battery-powered terminal devices?
The LP503x device features an automatic power-saving mode for ultra-low static current. When all channels are turned off for 30ms, the total power consumption of the device drops to 10µA, making the LP503x device A possible alternative to battery-powered terminal devices.
Can LP5036RJVR be operated in the temperature of 100℃?
Yes, its suitable operating temperature is between -45℃ and +125℃.
Microchip PIC32MX130F064DVPT Technical Datasheet29 February 2024110
RS232 Connector: Pinout, Circuit and Datasheet10 November 20214799
PIC12F508 Microcontroller: Datasheet, Programming, Block Diagram13 October 20215817
The Guide to BAV70 High-speed switching double diode [FAQ]22 April 20223107
1N4148 VS 1N4007[FAQ]: What are the differences between them?06 May 202220397
STS4DNF60L:datasheet, pinout and specifications11 March 2022393
L9110S 2-Channel Motor driver: Circuit, Pinout, and How to work [Video&FAQ]25 April 202220192
CR1616 Lithium Battery-Dimensions, Equivalence, Datasheet28 March 20223041
US Energy Department Funds Next-Gen Semiconductor Projects to Improve Power Grids09 December 20232307
A Hybrid SiC and GaN-Based DC-DC Converter for EVs20 September 20242363
What is Visible Light Communication(VLC)?13 October 202113428
An Overview of SD Card12 April 202110452
Analysis of Resistors in Series and Parallel16 October 202516303
Basic Knowledge of Various Types of Mixers03 January 20234104
What is a Power Capacitor?20 November 20215766
What is a Servo Motor?09 March 20214747
Texas Instruments
In Stock
United States
China
Canada
Japan
Russia
Germany
United Kingdom
Singapore
Italy
Hong Kong(China)
Taiwan(China)
France
Korea
Mexico
Netherlands
Malaysia
Austria
Spain
Switzerland
Poland
Thailand
Vietnam
India
United Arab Emirates
Afghanistan
Åland Islands
Albania
Algeria
American Samoa
Andorra
Angola
Anguilla
Antigua & Barbuda
Argentina
Armenia
Aruba
Australia
Azerbaijan
Bahamas
Bahrain
Bangladesh
Barbados
Belarus
Belgium
Belize
Benin
Bermuda
Bhutan
Bolivia
Bonaire, Sint Eustatius and Saba
Bosnia & Herzegovina
Botswana
Brazil
British Indian Ocean Territory
British Virgin Islands
Brunei
Bulgaria
Burkina Faso
Burundi
Cabo Verde
Cambodia
Cameroon
Cayman Islands
Central African Republic
Chad
Chile
Christmas Island
Cocos (Keeling) Islands
Colombia
Comoros
Congo
Congo (DRC)
Cook Islands
Costa Rica
Côte d’Ivoire
Croatia
Cuba
Curaçao
Cyprus
Czechia
Denmark
Djibouti
Dominica
Dominican Republic
Ecuador
Egypt
El Salvador
Equatorial Guinea
Eritrea
Estonia
Eswatini
Ethiopia
Falkland Islands
Faroe Islands
Fiji
Finland
French Guiana
French Polynesia
Gabon
Gambia
Georgia
Ghana
Gibraltar
Greece
Greenland
Grenada
Guadeloupe
Guam
Guatemala
Guernsey
Guinea
Guinea-Bissau
Guyana
Haiti
Honduras
Hungary
Iceland
Indonesia
Iran
Iraq
Ireland
Isle of Man
Israel
Jamaica
Jersey
Jordan
Kazakhstan
Kenya
Kiribati
Kosovo
Kuwait
Kyrgyzstan
Laos
Latvia
Lebanon
Lesotho
Liberia
Libya
Liechtenstein
Lithuania
Luxembourg
Macao(China)
Madagascar
Malawi
Maldives
Mali
Malta
Marshall Islands
Martinique
Mauritania
Mauritius
Mayotte
Micronesia
Moldova
Monaco
Mongolia
Montenegro
Montserrat
Morocco
Mozambique
Myanmar
Namibia
Nauru
Nepal
New Caledonia
New Zealand
Nicaragua
Niger
Nigeria
Niue
Norfolk Island
North Korea
North Macedonia
Northern Mariana Islands
Norway
Oman
Pakistan
Palau
Palestinian Authority
Panama
Papua New Guinea
Paraguay
Peru
Philippines
Pitcairn Islands
Portugal
Puerto Rico
Qatar
Réunion
Romania
Rwanda
Samoa
San Marino
São Tomé & Príncipe
Saudi Arabia
Senegal
Serbia
Seychelles
Sierra Leone
Sint Maarten
Slovakia
Slovenia
Solomon Islands
Somalia
South Africa
South Sudan
Sri Lanka
St Helena, Ascension, Tristan da Cunha
St. Barthélemy
St. Kitts & Nevis
St. Lucia
St. Martin
St. Pierre & Miquelon
St. Vincent & Grenadines
Sudan
Suriname
Svalbard & Jan Mayen
Sweden
Syria
Tajikistan
Tanzania
Timor-Leste
Togo
Tokelau
Tonga
Trinidad & Tobago
Tunisia
Turkey
Turkmenistan
Turks & Caicos Islands
Tuvalu
U.S. Outlying Islands
U.S. Virgin Islands
Uganda
Ukraine
Uruguay
Uzbekistan
Vanuatu
Vatican City
Venezuela
Wallis & Futuna
Yemen
Zambia
Zimbabwe











