UC3842AN PWM Controller[FAQ+Video]: UC3842AN VS UC3842N, Circuit, Equivalent, Datasheet, and Pinout
8 Terminals 10V~30V 8-Pin UC3842 DC to DC converter IC SWITCHING CONTROLLER 1 Outputs Up to 500kHz Transistor Driver









8 Terminals 10V~30V 8-Pin UC3842 DC to DC converter IC SWITCHING CONTROLLER 1 Outputs Up to 500kHz Transistor Driver
The UC3842AN is a Current Mode PWM Controller optimized for off-line and DC to DC converters. Where UC3842AN can be used? How does UC3842AN work? Is there any other PWM Controller that can substitute UC3842AN? Today Magi will solve these questions for you.

UC3842 Switching Power Supply For Battery Charger 3-15V 10A
- UC3842AN Description
- UC3842AN Pinout and Configurations
- UC3842AN CAD Models
- Specifications
- UC3842AN Features
- UC3842AN Applications
- UC3842AN Equivalent
- UC3842AN Alternatives
- UC3842AN Block Diagram
- UC3842AN Manufacturer
- UC3842AN Package
- Where to use UC3842AN
- How to use UC3842AN
- UC3842AN VS UC3842N
- Trend Analysis
- Datasheet PDF
- Parts with Similar Specs
UC3842AN Description
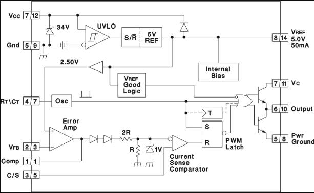
The UC3842AN is a Current Mode PWM Controller optimized for off-line and DC to DC converters. The internal circuits include UVLO, low start-up current circuit, temperature compensated reference, high gain error amplifier, current sensing comparator, and high current totem-pole output for driving a POWER MOSFET. Also, UC3842A provides a low start-up current below 0.3mA and a short shutdown delay time typ. 100ns. The UC3842A has a UVLO threshold of 16V(on) and 10V(off). The UC3842A can operate within a 100% duty cycle.
UC3842AN Pinout and Configurations

| Pin Number | Pin Name | Description |
| 1 | COMP (Comparator) | It is an output pin that outputs a low impedance 1MHz signal, based on the difference between the set and current-voltage. It is normally connected to the voltage feedback pin of the IC through a resistor and capacitor. |
| 2 | V FB (Voltage Feedback) | It is an input to the error amplifier inside the IC. The difference in voltage level is supplied to this pin |
| 3 | Current Sense | A shunt resistor is used to monitor the current through the circuit, and the voltage across it is provided as a feedback to the current sense pin |
| 4 | R T /C T (Timing Resistor/ Timing Capacitor) | The IC has an internal oscillator which can be set using an external resistor and capacitor connected to this pin. |
| 5 | Ground | Connected to the ground of the circuit |
| 6 | Output | This pin outputs the PWM signal based on the feedback provided and we can use this to switch the power electronic device. |
| 7 | Vcc | Supply voltage for the IC (Nominal 11V) |
| 8 | V REF | Reference voltage based on which the PWM signal is produced. |
UC3842AN CAD Models
Symbol

Footprint

3D Models

Specifications
- TypeParameter
- Lifecycle Status
Lifecycle Status refers to the current stage of an electronic component in its product life cycle, indicating whether it is active, obsolete, or transitioning between these states. An active status means the component is in production and available for purchase. An obsolete status indicates that the component is no longer being manufactured or supported, and manufacturers typically provide a limited time frame for support. Understanding the lifecycle status is crucial for design engineers to ensure continuity and reliability in their projects.
ACTIVE (Last Updated: 6 days ago) - Factory Lead Time6 Weeks
- Mounting Type
The "Mounting Type" in electronic components refers to the method used to attach or connect a component to a circuit board or other substrate, such as through-hole, surface-mount, or panel mount.
Through Hole - Package / Case
refers to the protective housing that encases an electronic component, providing mechanical support, electrical connections, and thermal management.
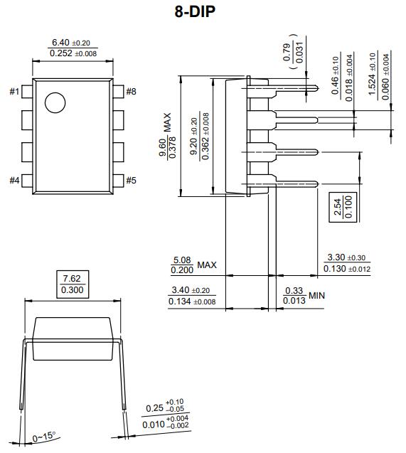
8-DIP (0.300, 7.62mm) - Surface Mount
having leads that are designed to be soldered on the side of a circuit board that the body of the component is mounted on.
NO - Number of Pins8
- Weight528.605208mg
- Operating Temperature
The operating temperature is the range of ambient temperature within which a power supply, or any other electrical equipment, operate in. This ranges from a minimum operating temperature, to a peak or maximum operating temperature, outside which, the power supply may fail.
0°C~70°C TA - Packaging
Semiconductor package is a carrier / shell used to contain and cover one or more semiconductor components or integrated circuits. The material of the shell can be metal, plastic, glass or ceramic.
Tube - Tolerance
In electronic components, "tolerance" refers to the acceptable deviation or variation from the specified or ideal value of a particular parameter, such as resistance, capacitance, or voltage. It indicates the range within which the actual value of the component can fluctuate while still being considered acceptable for use in a circuit. Tolerance is typically expressed as a percentage or a specific value and is important for ensuring the accuracy and reliability of electronic devices. Components with tighter tolerances are more precise but may also be more expensive. It is crucial to consider tolerance when selecting components to ensure proper functionality and performance of the circuit.
2% - JESD-609 Code
The "JESD-609 Code" in electronic components refers to a standardized marking code that indicates the lead-free solder composition and finish of electronic components for compliance with environmental regulations.
e4 - Pbfree Code
The "Pbfree Code" parameter in electronic components refers to the code or marking used to indicate that the component is lead-free. Lead (Pb) is a toxic substance that has been widely used in electronic components for many years, but due to environmental concerns, there has been a shift towards lead-free alternatives. The Pbfree Code helps manufacturers and users easily identify components that do not contain lead, ensuring compliance with regulations and promoting environmentally friendly practices. It is important to pay attention to the Pbfree Code when selecting electronic components to ensure they meet the necessary requirements for lead-free applications.
yes - Part Status
Parts can have many statuses as they progress through the configuration, analysis, review, and approval stages.
Active - Moisture Sensitivity Level (MSL)
Moisture Sensitivity Level (MSL) is a standardized rating that indicates the susceptibility of electronic components, particularly semiconductors, to moisture-induced damage during storage and the soldering process, defining the allowable exposure time to ambient conditions before they require special handling or baking to prevent failures
1 (Unlimited) - Number of Terminations8
- Termination
Termination in electronic components refers to the practice of matching the impedance of a circuit to prevent signal reflections and ensure maximum power transfer. It involves the use of resistors or other components at the end of transmission lines or connections. Proper termination is crucial in high-frequency applications to maintain signal integrity and reduce noise.
Through Hole - ECCN Code
An ECCN (Export Control Classification Number) is an alphanumeric code used by the U.S. Bureau of Industry and Security to identify and categorize electronic components and other dual-use items that may require an export license based on their technical characteristics and potential for military use.
EAR99 - Terminal Finish
Terminal Finish refers to the surface treatment applied to the terminals or leads of electronic components to enhance their performance and longevity. It can improve solderability, corrosion resistance, and overall reliability of the connection in electronic assemblies. Common finishes include nickel, gold, and tin, each possessing distinct properties suitable for various applications. The choice of terminal finish can significantly impact the durability and effectiveness of electronic devices.
Nickel/Palladium/Gold (Ni/Pd/Au) - Max Power Dissipation
The maximum power that the MOSFET can dissipate continuously under the specified thermal conditions.
1W - Terminal Position
In electronic components, the term "Terminal Position" refers to the physical location of the connection points on the component where external electrical connections can be made. These connection points, known as terminals, are typically used to attach wires, leads, or other components to the main body of the electronic component. The terminal position is important for ensuring proper connectivity and functionality of the component within a circuit. It is often specified in technical datasheets or component specifications to help designers and engineers understand how to properly integrate the component into their circuit designs.
DUAL - Supply Voltage
Supply voltage refers to the electrical potential difference provided to an electronic component or circuit. It is crucial for the proper operation of devices, as it powers their functions and determines performance characteristics. The supply voltage must be within specified limits to ensure reliability and prevent damage to components. Different electronic devices have specific supply voltage requirements, which can vary widely depending on their design and intended application.
11V - Terminal Pitch
The center distance from one pole to the next.
2.54mm - Frequency
In electronic components, the parameter "Frequency" refers to the rate at which a signal oscillates or cycles within a given period of time. It is typically measured in Hertz (Hz) and represents how many times a signal completes a full cycle in one second. Frequency is a crucial aspect in electronic components as it determines the behavior and performance of various devices such as oscillators, filters, and communication systems. Understanding the frequency characteristics of components is essential for designing and analyzing electronic circuits to ensure proper functionality and compatibility with other components in a system.
450kHz - Base Part Number
The "Base Part Number" (BPN) in electronic components serves a similar purpose to the "Base Product Number." It refers to the primary identifier for a component that captures the essential characteristics shared by a group of similar components. The BPN provides a fundamental way to reference a family or series of components without specifying all the variations and specific details.
UC3842 - Function
The parameter "Function" in electronic components refers to the specific role or purpose that the component serves within an electronic circuit. It defines how the component interacts with other elements, influences the flow of electrical signals, and contributes to the overall behavior of the system. Functions can include amplification, signal processing, switching, filtering, and energy storage, among others. Understanding the function of each component is essential for designing effective and efficient electronic systems.
Step-Up, Step-Down, Step-Up/Step-Down - Number of Outputs1
- Output Voltage
Output voltage is a crucial parameter in electronic components that refers to the voltage level produced by the component as a result of its operation. It represents the electrical potential difference between the output terminal of the component and a reference point, typically ground. The output voltage is a key factor in determining the performance and functionality of the component, as it dictates the level of voltage that will be delivered to the connected circuit or load. It is often specified in datasheets and technical specifications to ensure compatibility and proper functioning within a given system.
15V - Output Type
The "Output Type" parameter in electronic components refers to the type of signal or data that is produced by the component as an output. This parameter specifies the nature of the output signal, such as analog or digital, and can also include details about the voltage levels, current levels, frequency, and other characteristics of the output signal. Understanding the output type of a component is crucial for ensuring compatibility with other components in a circuit or system, as well as for determining how the output signal can be utilized or processed further. In summary, the output type parameter provides essential information about the nature of the signal that is generated by the electronic component as its output.
Transistor Driver - Max Output Current
The maximum current that can be supplied to the load.
1A - Input Voltage-Nom
Input Voltage-Nom refers to the nominal or rated input voltage that an electronic component or device is designed to operate within. This parameter specifies the voltage level at which the component is expected to function optimally and safely. It is important to ensure that the actual input voltage supplied to the component does not exceed this nominal value to prevent damage or malfunction. Manufacturers provide this specification to guide users in selecting the appropriate power supply or input voltage source for the component. It is a critical parameter to consider when designing or using electronic circuits to ensure reliable performance and longevity of the component.
15V - Analog IC - Other Type
Analog IC - Other Type is a parameter used to categorize electronic components that are integrated circuits (ICs) designed for analog signal processing but do not fall into more specific subcategories such as amplifiers, comparators, or voltage regulators. These ICs may include specialized analog functions such as analog-to-digital converters (ADCs), digital-to-analog converters (DACs), voltage references, or signal conditioning circuits. They are typically used in various applications where precise analog signal processing is required, such as in audio equipment, instrumentation, communication systems, and industrial control systems. Manufacturers provide detailed specifications for these components to help engineers select the most suitable IC for their specific design requirements.
SWITCHING CONTROLLER - Output Configuration
Output Configuration in electronic components refers to the arrangement or setup of the output pins or terminals of a device. It defines how the output signals are structured and how they interact with external circuits or devices. The output configuration can determine the functionality and compatibility of the component in a circuit design. Common types of output configurations include single-ended, differential, open-drain, and push-pull configurations, each serving different purposes and applications in electronic systems. Understanding the output configuration of a component is crucial for proper integration and operation within a circuit.
Positive - Power Dissipation
the process by which an electronic or electrical device produces heat (energy loss or waste) as an undesirable derivative of its primary action.
1W - Output Current
The rated output current is the maximum load current that a power supply can provide at a specified ambient temperature. A power supply can never provide more current that it's rated output current unless there is a fault, such as short circuit at the load.
1A - Voltage - Supply (Vcc/Vdd)
Voltage - Supply (Vcc/Vdd) is a key parameter in electronic components that specifies the voltage level required for the proper operation of the device. It represents the power supply voltage that needs to be provided to the component for it to function correctly. This parameter is crucial as supplying the component with the correct voltage ensures that it operates within its specified limits and performance characteristics. It is typically expressed in volts (V) and is an essential consideration when designing and using electronic circuits to prevent damage and ensure reliable operation.
10V~30V - Control Features
Control features in electronic components refer to specific functionalities or characteristics that allow users to manage and regulate the operation of the component. These features are designed to provide users with control over various aspects of the component's performance, such as adjusting settings, monitoring parameters, or enabling specific modes of operation. Control features can include options for input/output configurations, power management, communication protocols, and other settings that help users customize and optimize the component's behavior according to their requirements. Overall, control features play a crucial role in enhancing the flexibility, usability, and performance of electronic components in various applications.
Frequency Control - Max Output Voltage
The maximum output voltage refers to the dynamic area beyond which the output is saturated in the positive or negative direction, and is limited according to the load resistance value.
13.5V - Topology
In the context of electronic components, "topology" refers to the arrangement or configuration of the components within a circuit or system. It defines how the components are connected to each other and how signals flow between them. The choice of topology can significantly impact the performance, efficiency, and functionality of the electronic system. Common topologies include series, parallel, star, mesh, and hybrid configurations, each with its own advantages and limitations. Designers carefully select the appropriate topology based on the specific requirements of the circuit to achieve the desired performance and functionality.
Boost, Buck, Buck-Boost, Flyback, Forward - Control Mode
In electronic components, "Control Mode" refers to the method or mode of operation used to regulate or control the behavior of the component. This parameter determines how the component responds to input signals or commands to achieve the desired output. The control mode can vary depending on the specific component and its intended function, such as voltage regulation, current limiting, or frequency modulation. Understanding the control mode of an electronic component is crucial for proper integration and operation within a circuit or system.
CURRENT-MODE - Frequency - Switching
"Frequency - Switching" in electronic components refers to the rate at which a device, such as a transistor or switching regulator, turns on and off during operation. This parameter is crucial in determining the efficiency and performance of power converters, oscillators, and other circuits that rely on rapid switching. Higher switching frequencies typically allow for smaller component sizes but may require more advanced design considerations to manage heat and electromagnetic interference.
Up to 500kHz - Max Input Voltage
Max Input Voltage refers to the maximum voltage level that an electronic component can safely handle without getting damaged. This parameter is crucial for ensuring the proper functioning and longevity of the component. Exceeding the specified maximum input voltage can lead to overheating, electrical breakdown, or permanent damage to the component. It is important to carefully adhere to the manufacturer's guidelines regarding the maximum input voltage to prevent any potential issues and maintain the reliability of the electronic device.
25V - Control Technique
In electronic components, "Control Technique" refers to the method or approach used to regulate and manage the operation of the component. This parameter is crucial in determining how the component functions within a circuit or system. Different control techniques can include analog control, digital control, pulse-width modulation (PWM), and various feedback mechanisms. The choice of control technique can impact the performance, efficiency, and overall functionality of the electronic component. It is important to select the appropriate control technique based on the specific requirements and characteristics of the application in which the component will be used.
PULSE WIDTH MODULATION - Reference Voltage
A voltage reference is an electronic device that ideally produces a fixed (constant) voltage irrespective of the loading on the device, power supply variations, temperature changes, and the passage of time. Voltage references are used in power supplies, analog-to-digital converters, digital-to-analog converters, and other measurement and control systems. Voltage references vary widely in performance; a regulator for a computer power supply may only hold its value to within a few percent of the nominal value, whereas laboratory voltage standards have precisions and stability measured in parts per million.
5V - Rise Time
In electronics, when describing a voltage or current step function, rise time is the time taken by a signal to change from a specified low value to a specified high value.
50ns - Supply Current-Max (Isup)
Supply Current-Max (Isup) refers to the maximum amount of current that an electronic component can draw from its power supply during operation. It represents the peak current demand of the device under normal operating conditions and is critical for ensuring that the power supply can adequately support the component's needs without risking damage or malfunction. This parameter is essential for designing circuits and selecting appropriate power supply units to prevent overloading and ensure reliable performance.
25mA - Synchronous Rectifier
Synchronous rectification is a technique for improving the efficiency of rectification by replacing diodes with actively controlled switches, usually power MOSFETs or power bipolar junction transistors (BJT).
No - Fall Time (Typ)
Fall Time (Typ) is a parameter used to describe the time it takes for a signal to transition from a high level to a low level in an electronic component, such as a transistor or an integrated circuit. It is typically measured in nanoseconds or microseconds and is an important characteristic that affects the performance of the component in digital circuits. A shorter fall time indicates faster switching speeds and can result in improved overall circuit performance, such as reduced power consumption and increased data transmission rates. Designers often consider the fall time specification when selecting components for their circuits to ensure proper functionality and efficiency.
50 ns - Nominal Input Voltage
The actual voltage at which a circuit operates can vary from the nominal voltage within a range that permits satisfactory operation of equipment. The word “nominal” means “named”.
25V - Max Duty Cycle
Max Duty Cycle refers to the maximum percentage of time that an electronic component, such as a switch or a power supply, can be in an "on" state during a defined time period. It is an important parameter in pulse-width modulated (PWM) systems and helps determine how often a device can operate without overheating or sustaining damage. By specifying the maximum duty cycle, manufacturers provide guidance on the safe operational limits of the component, ensuring reliability and efficiency in various applications.
100 % - Input Current
Input current is a parameter that refers to the amount of electrical current flowing into a specific electronic component or device. It is typically measured in amperes (A) and represents the current required for the component to operate properly. Understanding the input current is important for designing circuits and power supplies, as it helps determine the capacity and compatibility of the components being used. Monitoring the input current also helps ensure that the component is not being overloaded or underpowered, which can affect its performance and longevity.
11mA - Duty Cycle (Max)
The "Duty Cycle (Max)" parameter in electronic components refers to the maximum percentage of time that a signal is active or on within a specific period. It is commonly used in components such as pulse-width modulation (PWM) controllers, oscillators, and timers. A duty cycle of 100% means the signal is always on, while a duty cycle of 0% means the signal is always off. Understanding the maximum duty cycle is important for ensuring proper operation and performance of the electronic component within its specified limits. It is typically expressed as a percentage and helps determine the amount of power or energy being delivered by the signal.
96% - Height5.08mm
- Length9.81mm
- Width6.35mm
- Thickness
Thickness in electronic components refers to the measurement of how thick a particular material or layer is within the component structure. It can pertain to various aspects, such as the thickness of a substrate, a dielectric layer, or conductive traces. This parameter is crucial as it impacts the electrical, mechanical, and thermal properties of the component, influencing its performance and reliability in electronic circuits.
3.9mm - REACH SVHC
The parameter "REACH SVHC" in electronic components refers to the compliance with the Registration, Evaluation, Authorization, and Restriction of Chemicals (REACH) regulation regarding Substances of Very High Concern (SVHC). SVHCs are substances that may have serious effects on human health or the environment, and their use is regulated under REACH to ensure their safe handling and minimize their impact.Manufacturers of electronic components need to declare if their products contain any SVHCs above a certain threshold concentration and provide information on the safe use of these substances. This information allows customers to make informed decisions about the potential risks associated with using the components and take appropriate measures to mitigate any hazards.Ensuring compliance with REACH SVHC requirements is essential for electronics manufacturers to meet regulatory standards, protect human health and the environment, and maintain transparency in their supply chain. It also demonstrates a commitment to sustainability and responsible manufacturing practices in the electronics industry.
No SVHC - RoHS Status
RoHS means “Restriction of Certain Hazardous Substances” in the “Hazardous Substances Directive” in electrical and electronic equipment.
ROHS3 Compliant - Lead Free
Lead Free is a term used to describe electronic components that do not contain lead as part of their composition. Lead is a toxic material that can have harmful effects on human health and the environment, so the electronics industry has been moving towards lead-free components to reduce these risks. Lead-free components are typically made using alternative materials such as silver, copper, and tin. Manufacturers must comply with regulations such as the Restriction of Hazardous Substances (RoHS) directive to ensure that their products are lead-free and environmentally friendly.
Lead Free
UC3842AN Features
Optimized for Off-Line and DC-DC Converters
Low Start-Up Current (< 0.5 mA)
Trimmed Oscillator Discharge Current
Automatic Feedforward Compensation
Pulse-by-Pulse Current Limiting
Enhanced Load Response Characteristics
Undervoltage Lockout With Hysteresis
Double Pulse Suppression
High-Current Totem Pole Output
Internally-Trimmed Bandgap Reference
Up to 500-kHz Operation
Create a Custom Design Using the UCx84xA With the WEBENCH® Power Designer
UC3842AN Applications
Switch Mode Power Supplies (SMPS)
DC-DC Converters
Power Modules
Industrial PSU
Battery Operated PSU
UC3842AN Equivalent
UC3843 is the equivalent of UC3842AN
UC3842AN Block Diagram

UC3842AN Manufacturer
Texas Instruments Inc. (TI) is an American technology company that designs and manufactures semiconductors and various integrated circuits, which it sells to electronics designers and manufacturers globally. Its headquarters are in Dallas, Texas, United States. TI is one of the top ten semiconductor companies worldwide, based on sales volume. Texas Instruments's focus is on developing analog chips and embedded processors, which account for more than 80% of its revenue. TI also produces TI digital light processing (DLP) technology and education technology products including calculators, microcontrollers, and multi-core processors.
UC3842AN Package

Where to use UC3842AN
The UC3842AN IC is a current Mode PWM Controller, which means it can change the output voltage to the load to provide a constant current. A trimmed oscillator, a temperature corrected reference, a high gain error amplifier, a current detecting comparator, and a high current totem pole output for driving a Power MOSFET are all included in this IC.
In applications such as SMPS, RPS, DC-DC Converters, Line voltage regulators, and so on, the UC3842AN can be used to regulate or limit current. So, if you're looking for an IC that can generate PWM signals to control a power switch based on the current flowing through the circuit, this IC would be a good fit.
How to use UC3842AN
The use of the UC3842 in a circuit is fairly straightforward because it only requires a few components. The following is a sample application circuit taken from the UC3842 datasheet.

The VCC pin's input voltage should be between 12 and 28 volts. The IC's output pin is connected to the gate driver circuit of the to-be-switched Power switch. The VFB (Voltage feedback) pin serves as feedback for controlling the PWM signal. The feedback pin receives the difference voltage across the shunt resistor, which is used to monitor the change in current in the circuit. Through the timing resistor, VREF is utilized to deliver the charging current to the oscillator timing capacitor. VREF must be bypassed to GROUND with a ceramic capacitor attached as close to the pin as possible for reference stability.
UC3842AN VS UC3842N
| Source Content uid | UC3842AN | UC3842N |
| Rohs Code | No | Yes |
| Part Life Cycle Code | Obsolete | Obsolete |
| Ihs Manufacturer | ON SEMICONDUCTOR | FAIRCHILD SEMICONDUCTOR CORP |
| Part Package Code | DIP | DIP |
| Package Description | DIP, DIP8,.3 | DIP, DIP8,.3 |
| Pin Count | 8 | 8 |
| Reach Compliance Code | not_compliant | compliant |
| ECCN Code | EAR99 | EAR99 |
| HTS Code | 8542.39.00.01 | 8542.39.00.01 |
| Analog IC - Other Type | SWITCHING CONTROLLER | SWITCHING CONTROLLER |
| Control Mode | CURRENT-MODE | CURRENT-MODE |
| Control Technique | PULSE WIDTH MODULATION | PULSE WIDTH MODULATION |
| Input Voltage-Max | 30 V | 30 V |
| Input Voltage-Min | 11.5 V | 12 V |
| Input Voltage-Nom | 15 V | 15 V |
| JESD-30 Code | R-PDIP-T8 | R-PDIP-T8 |
| JESD-609 Code | e0 | e3 |
| Length | 9.78 mm | 9.2 mm |
| Number of Functions | 1 | 1 |
| Number of Terminals | 8 | 8 |
| Operating Temperature-Max | 70 °C | 70 °C |
| Operating Temperature-Min | - | - |
| Output Current-Max | 1 A | 1 A |
| Package Body Material | PLASTIC/EPOXY | PLASTIC/EPOXY |
| Package Code | DIP | DIP |
| Package Equivalence Code | DIP8,.3 | DIP8,.3 |
| Package Shape | RECTANGULAR | RECTANGULAR |
| Package Style | IN-LINE | IN-LINE |
| Peak Reflow Temperature (Cel) | NOT SPECIFIED | NOT APPLICABLE |
| Qualification Status | Not Qualified | Not Qualified |
| Seated Height-Max | 4.45 mm | 5.08 mm |
| Surface Mount | NO | NO |
| Switcher Configuration | SINGLE | SINGLE |
| Switching Frequency-Max | 500 kHz | 500 kHz |
| Technology | BIPOLAR | BIPOLAR |
| Temperature Grade | COMMERCIAL | COMMERCIAL |
| Terminal Finish | Tin/Lead (Sn/Pb) | Matte Tin (Sn) |
| Terminal Form | THROUGH-HOLE | THROUGH-HOLE |
| Terminal Pitch | 2.54 mm | 2.54 mm |
| Terminal Position | DUAL | DUAL |
| Time@Peak Reflow Temperature-Max (s) | NOT SPECIFIED | NOT APPLICABLE |
| Width | 7.62 mm | 7.62 mm |
| Base Number Matches | 7 | 5 |
Trend Analysis
Datasheet PDF
- Datasheets :
UC3842AN-Texas-Instruments-datasheet-106659699.pdf
UC3842AN-Texas-Instruments-datasheet-14164639.pdf
UC3842AN-Texas-Instruments-datasheet-8367174.pdf
UC3842AN-Texas-Instruments-datasheet-8484463.pdf
UC3842AN-Texas-Instruments-datasheet-7825623.pdf
UC3842AN-Texas-Instruments-datasheet-148588.pdf
UC3842AN-Texas-Instruments-datasheet-11034.pdf
- PCN Assembly/Origin :
- PCN Design/Specification :
Parts with Similar Specs
- ImagePart NumberManufacturerPackage / CaseNumber of PinsNumber of OutputsMax Output CurrentOutput CurrentFrequency - SwitchingMax Input VoltageFactory Lead TimeView Compare
UC3842AN
8-DIP (0.300, 7.62mm)
8
1
1 A
1 A
Up to 500kHz
25 V
6 Weeks
8-DIP (0.300, 7.62mm)
8
1
1 A
1 A
500kHz
25 V
6 Weeks
8-DIP (0.300, 7.62mm)
8
1
1 A
200 mA
Up to 500kHz
25 V
6 Weeks
8-DIP (0.300, 7.62mm)
8
1
1 A
200 mA
Up to 500kHz
25 V
6 Weeks
What is the use of PWM in SMPS?
PWM (Pulse Width Modulated) power supplies are a type of switching power supply. Pulse Width Modulation is generally used to help regulate the voltage in a switching power supply. This is necessary when the current demand on the power supply or the charging system's supply voltage is not constant.
Is the uc3842 IC a current mode controller?
Note: Complete Technical Details can be found on the UC3842 datasheet given at the end of this page. The UC3842 IC is a current Mode PWM Controller, meaning it can be used to provide a constant current by varying the output voltage to the load.
What is the under voltage lockout on uc3842?
UNDER-VOLTAGE LOCKOUT (UVLO) This circuit ensures that VCCis adequate to make the UC3842 fully operational before enabling the output stage. Figure 5a shows that the UVLO turn-on and turn-off thresholds are fixed internally at 16 V and 10 V respectively. The 6 V hysteresis prevents VCC oscillations during power sequencing.
What’s the dimensions of UC3842AN?
Height 5.08mm/Length 9.81mm/Thickness 3.9mm/Width 6.35mm
What’s the recommended operation for UC3842AN?
The idea temperature is from 0 to +70°C.
MJE3055T Bipolar (BJT) Transistor NPN 60 V 10 A[Video]: Datasheet, Pinout, and Features06 April 20223139
MCP23S17 Expander: Features, Pinout, and Datasheet13 December 20213864
LP2951CSD-3.3 NOPB 8-WDFN Voltage Regulators, LP2951 Datasheet pdf17 February 20221052
STM32G030F6P6: Overview, Features, Applications19 October 20232447
M95M01-R EEPROM: Pinout, Equivalent and Datasheet20 December 20212299
TSOP4838: Description, datasheet, and features15 March 20222975
2N7002 Transistor: Pinout, Datasheet, and Test Circuit05 July 20215157
STM32F072RBT6 Microcontroller: 48MHz, 64-LQFP, Pinout and Datasheet14 February 20222650
HF PCB Circuit Design 10 Questions16 March 20223377
What is Metaverse?09 October 20212682
Microcontroller (MCU) Market Analysis09 February 20224176
50 Frequently Asked Questions about Oscilloscope22 November 202110323
What is a Digital Potentiometer?23 September 20205711
Good News: UTMEL Electronic is now the Authorized Distributor for Isocom Components 2004 Ltd.10 November 20236506
How Does the A4988 Stepper Motor Driver Work27 February 20233735
The Introduction to Common Tools and Using Methods of Fiber Optic07 January 20226389
Texas Instruments
In Stock: 250
United States
China
Canada
Japan
Russia
Germany
United Kingdom
Singapore
Italy
Hong Kong(China)
Taiwan(China)
France
Korea
Mexico
Netherlands
Malaysia
Austria
Spain
Switzerland
Poland
Thailand
Vietnam
India
United Arab Emirates
Afghanistan
Åland Islands
Albania
Algeria
American Samoa
Andorra
Angola
Anguilla
Antigua & Barbuda
Argentina
Armenia
Aruba
Australia
Azerbaijan
Bahamas
Bahrain
Bangladesh
Barbados
Belarus
Belgium
Belize
Benin
Bermuda
Bhutan
Bolivia
Bonaire, Sint Eustatius and Saba
Bosnia & Herzegovina
Botswana
Brazil
British Indian Ocean Territory
British Virgin Islands
Brunei
Bulgaria
Burkina Faso
Burundi
Cabo Verde
Cambodia
Cameroon
Cayman Islands
Central African Republic
Chad
Chile
Christmas Island
Cocos (Keeling) Islands
Colombia
Comoros
Congo
Congo (DRC)
Cook Islands
Costa Rica
Côte d’Ivoire
Croatia
Cuba
Curaçao
Cyprus
Czechia
Denmark
Djibouti
Dominica
Dominican Republic
Ecuador
Egypt
El Salvador
Equatorial Guinea
Eritrea
Estonia
Eswatini
Ethiopia
Falkland Islands
Faroe Islands
Fiji
Finland
French Guiana
French Polynesia
Gabon
Gambia
Georgia
Ghana
Gibraltar
Greece
Greenland
Grenada
Guadeloupe
Guam
Guatemala
Guernsey
Guinea
Guinea-Bissau
Guyana
Haiti
Honduras
Hungary
Iceland
Indonesia
Iran
Iraq
Ireland
Isle of Man
Israel
Jamaica
Jersey
Jordan
Kazakhstan
Kenya
Kiribati
Kosovo
Kuwait
Kyrgyzstan
Laos
Latvia
Lebanon
Lesotho
Liberia
Libya
Liechtenstein
Lithuania
Luxembourg
Macao(China)
Madagascar
Malawi
Maldives
Mali
Malta
Marshall Islands
Martinique
Mauritania
Mauritius
Mayotte
Micronesia
Moldova
Monaco
Mongolia
Montenegro
Montserrat
Morocco
Mozambique
Myanmar
Namibia
Nauru
Nepal
New Caledonia
New Zealand
Nicaragua
Niger
Nigeria
Niue
Norfolk Island
North Korea
North Macedonia
Northern Mariana Islands
Norway
Oman
Pakistan
Palau
Palestinian Authority
Panama
Papua New Guinea
Paraguay
Peru
Philippines
Pitcairn Islands
Portugal
Puerto Rico
Qatar
Réunion
Romania
Rwanda
Samoa
San Marino
São Tomé & Príncipe
Saudi Arabia
Senegal
Serbia
Seychelles
Sierra Leone
Sint Maarten
Slovakia
Slovenia
Solomon Islands
Somalia
South Africa
South Sudan
Sri Lanka
St Helena, Ascension, Tristan da Cunha
St. Barthélemy
St. Kitts & Nevis
St. Lucia
St. Martin
St. Pierre & Miquelon
St. Vincent & Grenadines
Sudan
Suriname
Svalbard & Jan Mayen
Sweden
Syria
Tajikistan
Tanzania
Timor-Leste
Togo
Tokelau
Tonga
Trinidad & Tobago
Tunisia
Turkey
Turkmenistan
Turks & Caicos Islands
Tuvalu
U.S. Outlying Islands
U.S. Virgin Islands
Uganda
Ukraine
Uruguay
Uzbekistan
Vanuatu
Vatican City
Venezuela
Wallis & Futuna
Yemen
Zambia
Zimbabwe









