74HC193 Counter: Specification, Pinout and Datasheet PDF
5V DUAL Counters & Dividers 74HC Series 74HC193 16 Pins Up, Down Positive Edge 16-SOIC (0.154, 3.90mm Width)
Unit Price: $1.560276
Ext Price: $1.56









5V DUAL Counters & Dividers 74HC Series 74HC193 16 Pins Up, Down Positive Edge 16-SOIC (0.154, 3.90mm Width)
74HC193 is a 4-bit synchronous binary up/down counter.This article mainly introduce Pinout, datasheet PDF and other detailed imformation about Nexperia 74HC193.

74HC154 + 74HC193
74HC193 Description
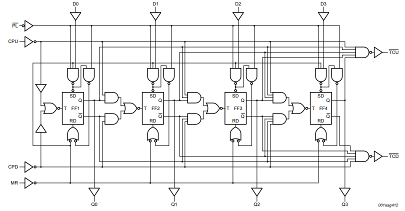
The 74HC193 is a 4-bit synchronous binary up/down counter. Separate up/down clocks, CPU and CPD respectively, simplify operation.
The outputs change state synchronously with the LOW-to-HIGH transition of either clock input. If the CPU clock is pulsed while CPD is held HIGH, the device will count up. If the CPD clock is pulsed while CPU is held HIGH, the device will count down.
Only one clock input can be held HIGH at any time to guarantee predictable behavior. The device can be cleared at any time by the asynchronous master reset input (MR); it may also be loaded in parallel by activating the asynchronous parallel load input (PL). The terminal count up (TCU) and terminal count down (TCD) outputs are normally HIGH.
When the circuit has reached the maximum count state of 15, the next HIGH-to-LOW transition of CPU will cause TCU to go LOW. TCU will stay LOW until CPU goes HIGH again, duplicating the count up clock. Likewise, the TCD output will go LOW when the circuit is in the zero state and the CPD goes LOW. The terminal count outputs can be used as the clock input signals to the next higher order circuit in a multistage counter, since they duplicate the clock waveforms. Multistage counters will not be fully synchronous, since there is a slight delay time difference added for each stage that is added.
The counter may be preset by the asynchronous parallel load capability of the circuit. Information present on the parallel data inputs (D0 to D3) is loaded into the counter and appears on the outputs (Q0 to Q3) regardless of the conditions of the clock inputs when the parallel load (PL) input is LOW. A HIGH level on the master reset (MR) input will disable the parallel load gates, override both clock inputs and set all outputs (Q0 to Q3) LOW.
If one of the clock inputs is LOW during and after a reset or load operation, the next LOW-to-HIGH transition of that clock will be interpreted as a legitimate signal and will be counted. Inputs include clamp diodes. This enables the use of current limiting resistors to interface inputs to voltages in excess of VCC.
74HC193 Pinout


Pin Description
74HC193 CAD Model
Symbol

Footprint

3D Model

74HC193 Feature
1.Input levels:
(1)For 74HC193: CMOS level
(2)For 74HCT193: TTL level
2.Synchronous reversible 4-bit binary counting
3.Asynchronous parallel load
4.Asynchronous reset
5.Expandable without external logic
6.Complies with JEDEC standard no. 7A
7.ESD protection:
(1)HBM JESD22-A114F exceeds 2000 V
(2)MM JESD22-A115-A exceeds 200 V.
8.Multiple package options
9.Specified from -40 °C to +85 °C and -40 °C to +125 °C.
74HC193 Application

Application for cascaded up/down counter with parallel load
Specifications
- TypeParameter
- Factory Lead Time4 Weeks
- Contact Plating
Contact plating (finish) provides corrosion protection for base metals and optimizes the mechanical and electrical properties of the contact interfaces.
Gold - Mount
In electronic components, the term "Mount" typically refers to the method or process of physically attaching or fixing a component onto a circuit board or other electronic device. This can involve soldering, adhesive bonding, or other techniques to secure the component in place. The mounting process is crucial for ensuring proper electrical connections and mechanical stability within the electronic system. Different components may have specific mounting requirements based on their size, shape, and function, and manufacturers provide guidelines for proper mounting procedures to ensure optimal performance and reliability of the electronic device.
Surface Mount - Mounting Type
The "Mounting Type" in electronic components refers to the method used to attach or connect a component to a circuit board or other substrate, such as through-hole, surface-mount, or panel mount.
Surface Mount - Package / Case
refers to the protective housing that encases an electronic component, providing mechanical support, electrical connections, and thermal management.
16-SOIC (0.154, 3.90mm Width) - Number of Elements1
- Usage LevelAutomotive grade
- Operating Temperature
The operating temperature is the range of ambient temperature within which a power supply, or any other electrical equipment, operate in. This ranges from a minimum operating temperature, to a peak or maximum operating temperature, outside which, the power supply may fail.
-40°C~125°C - Packaging
Semiconductor package is a carrier / shell used to contain and cover one or more semiconductor components or integrated circuits. The material of the shell can be metal, plastic, glass or ceramic.
Tape & Reel (TR) - Series
In electronic components, the "Series" refers to a group of products that share similar characteristics, designs, or functionalities, often produced by the same manufacturer. These components within a series typically have common specifications but may vary in terms of voltage, power, or packaging to meet different application needs. The series name helps identify and differentiate between various product lines within a manufacturer's catalog.
74HC - Published2007
- Part Status
Parts can have many statuses as they progress through the configuration, analysis, review, and approval stages.
Active - Moisture Sensitivity Level (MSL)
Moisture Sensitivity Level (MSL) is a standardized rating that indicates the susceptibility of electronic components, particularly semiconductors, to moisture-induced damage during storage and the soldering process, defining the allowable exposure time to ambient conditions before they require special handling or baking to prevent failures
1 (Unlimited) - Number of Terminations16
- Voltage - Supply
Voltage - Supply refers to the range of voltage levels that an electronic component or circuit is designed to operate with. It indicates the minimum and maximum supply voltage that can be applied for the device to function properly. Providing supply voltages outside this range can lead to malfunction, damage, or reduced performance. This parameter is critical for ensuring compatibility between different components in a circuit.
2V~6V - Terminal Position
In electronic components, the term "Terminal Position" refers to the physical location of the connection points on the component where external electrical connections can be made. These connection points, known as terminals, are typically used to attach wires, leads, or other components to the main body of the electronic component. The terminal position is important for ensuring proper connectivity and functionality of the component within a circuit. It is often specified in technical datasheets or component specifications to help designers and engineers understand how to properly integrate the component into their circuit designs.
DUAL - Terminal Form
Occurring at or forming the end of a series, succession, or the like; closing; concluding.
GULL WING - Number of Functions1
- Supply Voltage
Supply voltage refers to the electrical potential difference provided to an electronic component or circuit. It is crucial for the proper operation of devices, as it powers their functions and determines performance characteristics. The supply voltage must be within specified limits to ensure reliability and prevent damage to components. Different electronic devices have specific supply voltage requirements, which can vary widely depending on their design and intended application.
5V - Base Part Number
The "Base Part Number" (BPN) in electronic components serves a similar purpose to the "Base Product Number." It refers to the primary identifier for a component that captures the essential characteristics shared by a group of similar components. The BPN provides a fundamental way to reference a family or series of components without specifying all the variations and specific details.
74HC193 - Pin Count
a count of all of the component leads (or pins)
16 - Operating Supply Voltage
The voltage level by which an electrical system is designated and to which certain operating characteristics of the system are related.
5V - Supply Voltage-Max (Vsup)
The parameter "Supply Voltage-Max (Vsup)" in electronic components refers to the maximum voltage that can be safely applied to the component without causing damage. It is an important specification to consider when designing or using electronic circuits to ensure the component operates within its safe operating limits. Exceeding the maximum supply voltage can lead to overheating, component failure, or even permanent damage. It is crucial to adhere to the specified maximum supply voltage to ensure the reliable and safe operation of the electronic component.
6V - Supply Voltage-Min (Vsup)
The parameter "Supply Voltage-Min (Vsup)" in electronic components refers to the minimum voltage level required for the component to operate within its specified performance range. This parameter indicates the lowest voltage that can be safely applied to the component without risking damage or malfunction. It is crucial to ensure that the supply voltage provided to the component meets or exceeds this minimum value to ensure proper functionality and reliability. Failure to adhere to the specified minimum supply voltage may result in erratic behavior, reduced performance, or even permanent damage to the component.
2V - Quiescent Current
The quiescent current is defined as the current level in the amplifier when it is producing an output of zero.
8μA - Reset
The "Reset" parameter in electronic components refers to a function that initializes or sets a device to a predefined state. It is often used to clear any temporary data, errors, or configurations that may have been stored during operation. The reset process can ensure that the device starts from a known good state, allowing for reliable performance in subsequent tasks. This parameter is critical in digital circuits and systems where proper initialization is necessary for correct functioning.
Asynchronous - Family
In electronic components, the parameter "Family" typically refers to a categorization or classification system used to group similar components together based on their characteristics, functions, or applications. This classification helps users easily identify and select components that meet their specific requirements. The "Family" parameter can include various subcategories such as resistors, capacitors, diodes, transistors, integrated circuits, and more. Understanding the "Family" of an electronic component can provide valuable information about its compatibility, performance specifications, and potential uses within a circuit or system. It is important to consider the "Family" parameter when designing or troubleshooting electronic circuits to ensure proper functionality and compatibility with other components.
HC/UH - Logic Function
In electronic components, the term "Logic Function" refers to the specific operation or behavior of a component based on its input signals. It describes how the component processes the input signals to produce the desired output. Logic functions are fundamental to digital circuits and are used to perform logical operations such as AND, OR, NOT, and XOR.Each electronic component, such as logic gates or flip-flops, is designed to perform a specific logic function based on its internal circuitry. By understanding the logic function of a component, engineers can design and analyze complex digital systems to ensure proper functionality and performance. Different logic functions can be combined to create more complex operations, allowing for the creation of sophisticated digital devices and systems.
Counter - Direction
In electronic components, the parameter "Direction" refers to the orientation or alignment in which the component is designed to operate effectively. This parameter is particularly important for components such as diodes, transistors, and capacitors, which have specific polarity or orientation requirements for proper functionality. For example, diodes allow current flow in one direction only, so their direction parameter indicates the correct orientation for current flow. Similarly, polarized capacitors have a positive and negative terminal, requiring proper alignment for correct operation. Understanding and adhering to the direction parameter is crucial for ensuring the reliable and efficient performance of electronic components in a circuit.
Up, Down - Logic Type
Logic Type in electronic components refers to the classification of circuits based on the logical operations they perform. It includes types such as AND, OR, NOT, NAND, NOR, XOR, and XNOR, each defining the relationship between binary inputs and outputs. The logic type determines how the inputs affect the output state based on specific rules of Boolean algebra. This classification is crucial for designing digital circuits and systems, enabling engineers to select appropriate components for desired functionalities.
Binary Counter - Number of Bits per Element4
- Trigger Type
Trigger Type in electronic components refers to the mechanism or method by which a device, such as a flip-flop or timer, responds to an input signal. It defines how the device transitions between states based on specific conditions, such as rising or falling edges of a signal, levels, or pulses. Different trigger types such as edge-triggered, level-triggered, or pulse-triggered influence the timing and behavior of the circuit, thereby determining how input signals affect the output in various applications.
Positive Edge - Propagation Delay (tpd)
Propagation delay (tpd) is a crucial parameter in electronic components, especially in digital circuits. It refers to the time taken for a signal to travel from the input of a component to its output. This delay is caused by various factors such as the internal circuitry, interconnections, and the physical properties of the component. Propagation delay is essential to consider in designing circuits to ensure proper timing and functionality. It is typically measured in nanoseconds or picoseconds and plays a significant role in determining the overall performance and speed of electronic systems.
325 ns - Count Rate
the number of decays recorded each second by a detector
49MHz - Timing
Timing in electronic components refers to the control and synchronization of electrical signals within a circuit. It is crucial for ensuring that various operations occur at the correct moments, allowing for reliable communication and processing of data. Timing parameters can include clock frequencies, delay times, and pulse widths, which determine how signals interact and propagate through the system. Proper timing is essential for the functionality and performance of digital and analog circuits, impacting everything from microcontroller operations to data transmission rates.
Synchronous - Length9.9mm
- Width3.9mm
- Radiation Hardening
Radiation hardening is the process of making electronic components and circuits resistant to damage or malfunction caused by high levels of ionizing radiation, especially for environments in outer space (especially beyond the low Earth orbit), around nuclear reactors and particle accelerators, or during nuclear accidents or nuclear warfare.
No - RoHS Status
RoHS means “Restriction of Certain Hazardous Substances” in the “Hazardous Substances Directive” in electrical and electronic equipment.
ROHS3 Compliant
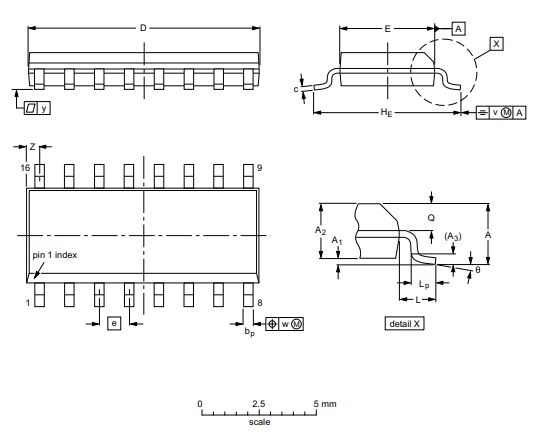
74HC193 Package

SO-16: Plastic small outline package; 16 leads; body with 3.9mm
74HC193 Functional Diagram
Functional Diagram

Logic Symbol

IEC Logic Symbol

Logic Diagram

74HC193 Manufacturer
Nexperia is a dedicated global leader in Discretes, Logic and MOSFETs devices. This new company became independent at the beginning of 2017. Focused on efficiency, Nexperia produces consistently reliable semiconductor components at high volume: 85 billion annually. The company’s extensive portfolio meets the stringent standards set by the Automotive industry. And industry-leading small packages, produced in their own manufacturing facilities, combine power and thermal efficiency with best-in-class quality levels. Built on over half a century of expertise, Nexperia has 11,000 employees across Asia, Europe and the U.S. supporting customers globally.
Trend Analysis
Datasheet PDF
- Datasheets :
- PCN Packaging :
- RohsStatement :
1.What’s the difference between 74HC193 and 74HC191?
74HC191 and 74HC193 are both synchronous four-bit plus/minus engines, but the control function is slightly different. The 74HC193 can output borrow/carry bits but 74HC191 can not.
2.What’s the basic characteristics of the synchronous 4-bit up/down binary counter circuit in 74HC193?
1) Synchronous reversible 4-digit counter; 2) Asynchronous parallel load; 3) Asynchronous reset; 4) The expansion has no external logic.
3.How to design a hexadecimal counter with 74hc193?
Clearing method: When the counter counts to 0100 = 4, the TCU output is 0 at this time, this is the carry valid signal, because it is a synchronous counter, the counter will not be cleared until the next clock pulse arrives, and it is counting at this time To 0101, and it happens to be cleared. It can be cleared by connecting an inverter output to MR through TPU.
AP2112K-3.3TRG1: 600mA LDO Voltage Regulator Review & Applications17 September 2025959
ISO1050DUB Transceiver: Pinout, Specification, and Datasheet09 August 20241646
EV1527 Encoder IC: Datasheet pdf, equivalent and Circuit19 November 202117083
ICL7107CPLZ A/D Converter: Features, Pinout, and Datasheet25 February 20223119
AD6623ASZ Transmit Signal Processor: Pinout, Specification, Datasheet25 May 2021502
Difference between RS232 RS422 and RS48508 March 20223893
23LCV512 SPI Serial SRAM: Pinout, Equivalent and Datasheet20 April 20221174
IRFP460 MOSFET: IRFP460 vs.IRFP460A, Pinout and Equivalent28 March 202212711
Switching Diodes Basics: Working, Types and Circuit Analysis24 October 202539961
What is 3D XPoint?09 November 20213996
What is Instrument Transformer?08 January 20225441
Protect USB Ports From Nefarious USB Killers15 November 20191531
Software Tools for NXP Microcontroller Development06 June 2025687
How Does the A4988 Stepper Motor Driver Work27 February 20233616
What are the Testing Method and Types of Transistors?21 October 202513189
What are Laser Diodes?20 October 202513901
Nexperia USA Inc.
In Stock: 10000
Minimum: 1 Multiples: 1
Qty
Unit Price
Ext Price
1
$1.560276
$1.56
10
$1.471958
$14.72
100
$1.388640
$138.86
500
$1.310038
$655.02
1000
$1.235885
$1,235.88
Not the price you want? Send RFQ Now and we'll contact you ASAP.
Inquire for More Quantity






