Designing with AD623: Datasheet, Pinout, and Medical/Transducer Interface Guide
1 Channels 17nA 90 dB Instrumentational OP Amps 0.0275μA 2.7V~12V ± 2.5V~6V AD623 8 Pins 8-TSSOP, 8-MSOP (0.118, 3.00mm Width)









1 Channels 17nA 90 dB Instrumentational OP Amps 0.0275μA 2.7V~12V ± 2.5V~6V AD623 8 Pins 8-TSSOP, 8-MSOP (0.118, 3.00mm Width)
The AD623 is an integrated, single- or dual-supply instrumentation amplifier designed to deliver rail-to-rail output swing using supply voltages from 2.7 V to 12 V. It is a precision component optimized for amplifying small differential signals in the presence of high common-mode noise.
- Executive Summary: What is the AD623?
- 1. Technical Specifications & Performance Analysis
- 2. Pinout, Package, and Configuration
- 3. Design & Integration Guide (For Engineers & Makers)
- 4. Typical Applications & Use Cases
- 5. Alternatives and Cross-Reference Guide
- 6. Frequently Asked Questions (FAQ)
- Specifications
- Parts with Similar Specs
- Datasheet PDF
Executive Summary: What is the AD623?
The AD623 is an integrated, single- or dual-supply instrumentation amplifier designed to deliver rail-to-rail output swing using supply voltages from 2.7 V to 12 V. It is a precision component optimized for amplifying small differential signals in the presence of high common-mode noise.
Market Position: Industry-standard, low-power instrumentation amplifier optimized for versatility and ease of use.
Top Features: Rail-to-rail output swing, single-supply operation (2.7V minimum), and gain programmable via a single external resistor.
Primary Audience: Ideal for medical device designers (ECG/EEG), industrial engineers (load cells), and battery-operated IoT developers.
Supply Status: Active; widely available from major electronics distributors.

1. Technical Specifications & Performance Analysis
The AD623 stands out by providing a cost-effective solution for bridge amplification and sensor interfacing without requiring complex discrete op-amp circuits.
1.1 Core Architecture
The AD623 utilizes a modified three-op-amp instrumentation amplifier architecture. This design allows for high Common Mode Rejection Ratio (CMRR) while operating on a single supply. Unlike traditional In-Amps that require dual rails to handle signals near ground, the AD623's input range extends 150 mV below ground in single-supply mode, making it perfect for sensing low-side currents or grounded transducers.
1.2 Key Electrical Characteristics
Supply Voltage: Highly flexible, supporting 2.7V to 12V (Single) or ±2.5V to ±6V (Dual).
Power Efficiency: Maximum quiescent current of 550 µA, essential for battery-life preservation in portable medical gear.
Noise Profile: Low input noise of 35 nV/√Hz @ 1 kHz, ensuring signal integrity for microvolt-level sensor data.
Gain Flexibility: Supports a gain range from 1 to 1000 using only one external resistor ($R_G$).
1.3 Interfaces and Connectivity
As an analog component, the AD623 interfaces directly with sensors and provides an amplified signal to an Analog-to-Digital Converter (ADC). It is commonly paired with microcontrollers like the STM32 or Arduino for data acquisition.

2. Pinout, Package, and Configuration
Understanding the physical layout is the first step toward a successful PCB layout.
2.1 Pin Configuration Guide

The AD623 typically comes in an 8-pin configuration:
- Pins 1 & 8 ($R_G$): Gain set pins. Connect a resistor between these to set the gain.
- Pin 2 (-IN): Inverting Input.
- Pin 3 (+IN): Non-inverting Input.
- Pin 4 (-Vs): Negative Supply (or Ground for single-supply).
- Pin 5 (REF): Reference Pin. Sets the "zero" level of the output.
- Pin 6 (OUT): Amplifier Output.
- Pin 7 (+Vs): Positive Supply.
2.2 Naming Convention & Ordering Codes
Understanding the Part Numbers:
AD623AN: Plastic DIP (Through-hole).
AD623ARZ: SOIC_N (Surface mount, RoHS compliant).
AD623ARMZ: MSOP (Ultra-compact for space-constrained designs).
Suffix "R7" or "RL": Indicates Tape and Reel packaging for high-speed machine assembly.
2.3 Available Packages
| Package Type | Dimensions | Common Use Case |
|---|---|---|
| 8-Lead PDIP | 9.27mm x 6.35mm | Prototyping and breadboarding. |
| 8-Lead SOIC | 4.90mm x 3.90mm | Standard industrial PCBs. |
| 8-Lead MSOP | 3.00mm x 3.00mm | Compact medical wearables and IoT. |
3. Design & Integration Guide (For Engineers & Makers)
Pro Tip: Always verify the "Diamond Plot" (Input Voltage Range vs. Output Voltage) in the datasheet to ensure your signal doesn't clip.
3.1 Hardware Implementation
Bypass Capacitors: Use a 0.1 µF ceramic capacitor in parallel with a 10 µF tantalum capacitor as close to the $+V_s$ pin as possible to minimize noise.
REF Pin Management: The REF pin must be driven by a low-impedance source. If you use a resistor divider to bias the output, you must buffer it with an op-amp to avoid destroying the CMRR.
PCB Layout: Keep the gain resistor ($R_G$) traces as short as possible to prevent parasitic capacitance from affecting stability.
3.2 Common Design Challenges
Issue: Output Saturation/Clipping -> Fix: Check the Input Common Mode Range. Even if the output is within range, the internal nodes may saturate if the input common-mode voltage is too high (stay 1.5V below positive rail).
Issue: High Noise/Drift -> Fix: Ensure the REF pin is grounded or driven by a low-impedance buffer. Avoid long, unshielded input wires.
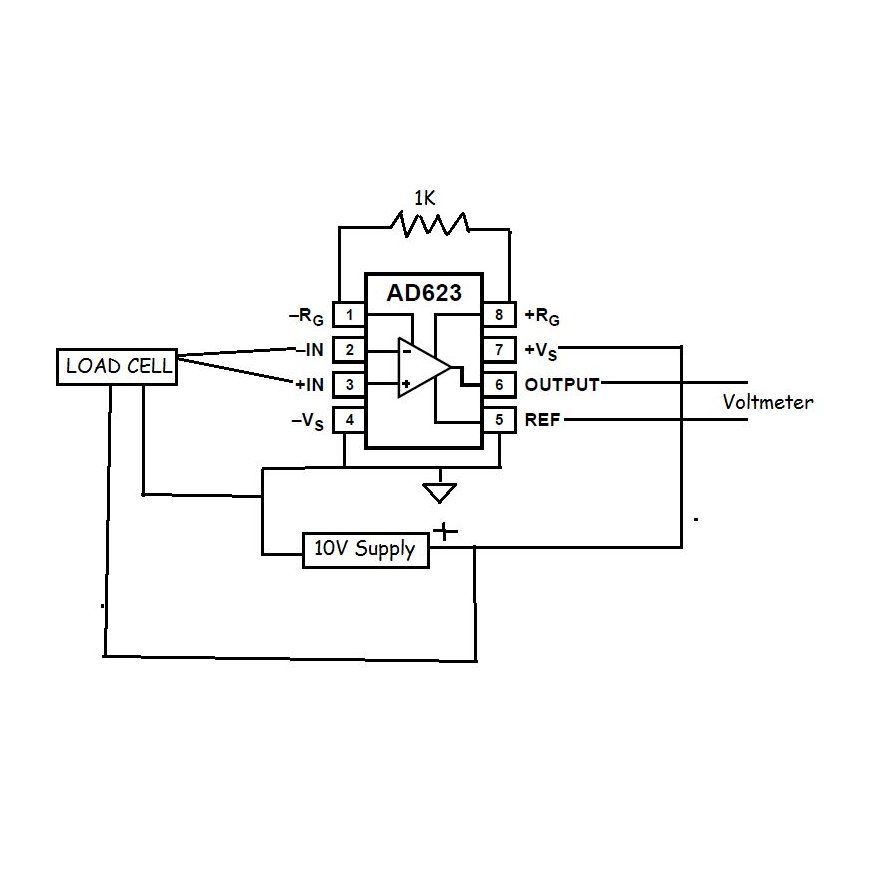
4. Typical Applications & Use Cases
4.1 Real-World Example: Load Cell Interface
In a digital scale, the AD623 amplifies the millivolt-level differential signal from a Wheatstone bridge (load cell). Because the AD623 can operate on 3.3V or 5V, it can be powered directly from the same rail as the MCU, simplifying the Power Distribution Network (PDN).

5. Alternatives and Cross-Reference Guide
If the AD623 is unavailable or doesn't meet specific precision requirements, consider these alternatives:
Direct Replacements: TI INA122 is a strong alternative for single-supply, low-power applications.
Better Performance (Zero-Drift): TI INA333 offers lower offset voltage and zero-drift performance for ultra-precise instrumentation.
Higher Voltage/Classic: AD620 is the predecessor; it offers better noise performance but requires dual supplies and is not rail-to-rail.
Cost-Effective: INA128 for general-purpose high-voltage applications where rail-to-rail output isn't required.
6. Frequently Asked Questions (FAQ)
Q: What is the difference between AD623 and AD620?
A: The AD623 is a rail-to-rail, single-supply optimized amplifier, whereas the AD620 usually requires dual supplies and has higher precision but lacks rail-to-rail capability.
Q: Can AD623 be used in Automotive applications?
A: Yes, provided the operating temperature and voltage spikes are managed within the datasheet limits (up to 12V).
Q: Where can I find the datasheet and library files for AD623?
A: Official documentation is available on the Analog Devices website; ECAD models are available on platforms like SnapEDA or Ultra Librarian.
Q: Is AD623 suitable for battery-operated devices?
A: Absolutely. Its 550 µA max quiescent current makes it an excellent choice for portable electronics.
Specifications
Parts with Similar Specs
- ImagePart NumberManufacturerPackage / CaseNumber of PinsSlew RateGain Bandwidth ProductInput Offset Voltage (Vos)Power Supply Rejection Ratio (PSRR)Common Mode Rejection RatioSupply VoltageView Compare
AD623ARMZ-REEL7
8-TSSOP, 8-MSOP (0.118, 3.00mm Width)
8
0.3V/μs
800 kHz
25 μV
80 dB
90 dB
5 V
8-TSSOP, 8-MSOP (0.118, 3.00mm Width)
8
2400V/μs
350 MHz
6 mV
72 dB
70 dB
5 V
8-TSSOP, 8-MSOP (0.118, 3.00mm Width)
8
0.3V/μs
125 kHz
25 μV
80 dB
86 dB
12 V
8-TSSOP, 8-MSOP (0.118, 3.00mm Width)
8
0.3V/μs
-
25 μV
80 dB
86 dB
12 V
8-TSSOP, 8-MSOP (0.118, 3.00mm Width)
8
0.3V/μs
-
25 μV
80 dB
86 dB
-
Datasheet PDF
- Datasheets :
- PCN Assembly/Origin :
- PCN Design/Specification :
- ConflictMineralStatement :
TIP121 NPN Transistor: Darlington NPN, TIP121 Datasheet, Pinout05 May 20223292
Discovering the NXP LPC3141/3143 Microcontroller: A Technical Analysis29 February 2024189
AMD Xilinx Kintex-7 FPGA Series: Architecture Analysis and Design Guide14 January 2026153
KSA992 BJT Transistor: TO-92, KSA992 Pinout, Datasheet, Equivalent05 May 20224464
XMOS xCORE Multicore Microcontroller XE216-512-TQ128 Datasheet29 February 2024302
2N2907A Bipolar Transistor PNP TO-18: Datasheet, Pinout, and Equivalents09 February 20222048
What is the Function of TJA1043? [FAQ]10 June 20223778
AT89C51CC03: Enhanced 8-bit MCU with CAN Controller and Flash Memory28 February 2024196
Advancements and Challenges of High Frequency Converters19 June 20231790
Basic Knowledge of Various Types of Mixers03 January 20234023
NOR Flash: Working, Structure and Applications18 November 202112823
10 Details to Improve the Anti-Interference Ability of MCU29 December 20213746
Lattice FPGA vs Competitors A Comprehensive Comparison09 June 20254813
Introduction to Types of Oscillator Circuits14 January 202614476
Understanding Computer Memory: From SIMM and DIMM to DDR523 May 202518414
Oregon's Semiconductor Boost: Governor Announces $240 Million Investment06 October 20231497
Analog Devices Inc.
In Stock: 14
United States
China
Canada
Japan
Russia
Germany
United Kingdom
Singapore
Italy
Hong Kong(China)
Taiwan(China)
France
Korea
Mexico
Netherlands
Malaysia
Austria
Spain
Switzerland
Poland
Thailand
Vietnam
India
United Arab Emirates
Afghanistan
Åland Islands
Albania
Algeria
American Samoa
Andorra
Angola
Anguilla
Antigua & Barbuda
Argentina
Armenia
Aruba
Australia
Azerbaijan
Bahamas
Bahrain
Bangladesh
Barbados
Belarus
Belgium
Belize
Benin
Bermuda
Bhutan
Bolivia
Bonaire, Sint Eustatius and Saba
Bosnia & Herzegovina
Botswana
Brazil
British Indian Ocean Territory
British Virgin Islands
Brunei
Bulgaria
Burkina Faso
Burundi
Cabo Verde
Cambodia
Cameroon
Cayman Islands
Central African Republic
Chad
Chile
Christmas Island
Cocos (Keeling) Islands
Colombia
Comoros
Congo
Congo (DRC)
Cook Islands
Costa Rica
Côte d’Ivoire
Croatia
Cuba
Curaçao
Cyprus
Czechia
Denmark
Djibouti
Dominica
Dominican Republic
Ecuador
Egypt
El Salvador
Equatorial Guinea
Eritrea
Estonia
Eswatini
Ethiopia
Falkland Islands
Faroe Islands
Fiji
Finland
French Guiana
French Polynesia
Gabon
Gambia
Georgia
Ghana
Gibraltar
Greece
Greenland
Grenada
Guadeloupe
Guam
Guatemala
Guernsey
Guinea
Guinea-Bissau
Guyana
Haiti
Honduras
Hungary
Iceland
Indonesia
Iran
Iraq
Ireland
Isle of Man
Israel
Jamaica
Jersey
Jordan
Kazakhstan
Kenya
Kiribati
Kosovo
Kuwait
Kyrgyzstan
Laos
Latvia
Lebanon
Lesotho
Liberia
Libya
Liechtenstein
Lithuania
Luxembourg
Macao(China)
Madagascar
Malawi
Maldives
Mali
Malta
Marshall Islands
Martinique
Mauritania
Mauritius
Mayotte
Micronesia
Moldova
Monaco
Mongolia
Montenegro
Montserrat
Morocco
Mozambique
Myanmar
Namibia
Nauru
Nepal
New Caledonia
New Zealand
Nicaragua
Niger
Nigeria
Niue
Norfolk Island
North Korea
North Macedonia
Northern Mariana Islands
Norway
Oman
Pakistan
Palau
Palestinian Authority
Panama
Papua New Guinea
Paraguay
Peru
Philippines
Pitcairn Islands
Portugal
Puerto Rico
Qatar
Réunion
Romania
Rwanda
Samoa
San Marino
São Tomé & Príncipe
Saudi Arabia
Senegal
Serbia
Seychelles
Sierra Leone
Sint Maarten
Slovakia
Slovenia
Solomon Islands
Somalia
South Africa
South Sudan
Sri Lanka
St Helena, Ascension, Tristan da Cunha
St. Barthélemy
St. Kitts & Nevis
St. Lucia
St. Martin
St. Pierre & Miquelon
St. Vincent & Grenadines
Sudan
Suriname
Svalbard & Jan Mayen
Sweden
Syria
Tajikistan
Tanzania
Timor-Leste
Togo
Tokelau
Tonga
Trinidad & Tobago
Tunisia
Turkey
Turkmenistan
Turks & Caicos Islands
Tuvalu
U.S. Outlying Islands
U.S. Virgin Islands
Uganda
Ukraine
Uruguay
Uzbekistan
Vanuatu
Vatican City
Venezuela
Wallis & Futuna
Yemen
Zambia
Zimbabwe










