How To Make Simple Mini Stereo Audio Amplifier Circuit- TDA2822
12mA mA 22 kHz kHz 3.2W W Audio Amplifiers 7.62mm mm 4W W 15V V 16 pins 16-DIP (0.300, 7.62mm)









12mA mA 22 kHz kHz 3.2W W Audio Amplifiers 7.62mm mm 4W W 15V V 16 pins 16-DIP (0.300, 7.62mm)
The TDA2822M is a monolithic integrated circuit in 8 lead Mini dip package. It is intended for use as a dual audio power amplifier in portable cassette players and radios.

How To Make Simple Mini Stereo Audio Amplifier Circuit - TDA2822
TDA2822 Description
The TDA2822M is a monolithic integrated circuit in 8 lead Mini dip package. It is intended for use as a dual audio power amplifier in portable cassette players and radios.
TDA2822 Audio amplifier features and specifications
· Supply Voltage: 3-15V
· Output Power: 3.2 W
· Audio - Load Impedance: 8 Ohms
· Gain: 39 dB
· Operating Supply Current: 12 mA
· Ib - Input Bias Current: 0.1 uA
· PSRR - Power Supply Rejection Ratio: 40 dB
· Available in 8-Pin DIP package
TDA2822 Ordering information

TDA2822 Ordering information
TDA2822 Block diagram

TDA2822 Block diagram
TDA2822 Absolute maximum ratings

Note:
1. Absolute maximum ratings are stress ratings only and functional device operation is not implied. The device could be damaged beyond Absolute maximum ratings.
2. The device is guaranteed to meet performance specifications within the 0℃~70℃ operating temperature range and assured by design from -20℃~ 85℃
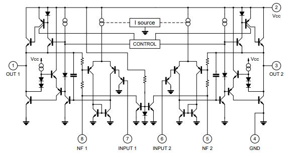
TDA2822 Schematic diagram

TDA2822 Schematic diagram
Where to use TDA2822 Amplifier IC
The TDA2822 is a Dual Audio Amplifier IC, meaning it has two Op-Amps inside its package, and they are commonly used for audio amplification because of their wide bandwidth gain. The two outputs can deliver 250 milliwatts of output power. This IC can be used in portable audio systems, preamplifiers, hearing aid mini radios, headphone amplifiers, etc.
So if you are looking for a dual package Operational amplifier IC with high gain, and wide bandwidth for audio amplification, then this IC might be the right choice for you.
How to use TDA2822 Amplifier
An application circuit from the TDA2822 datasheet is given below

The left load is connected to output pin 1 of the IC through electrolytic capacitor C4, and the right load is connected to output pin 3 through electrolytic capacitor C5. The Inverting Input Pins (5 and 8) are connected to the ground via electrolytic capacitors. Non-Inverting Input Pins (7 and 6) are connected to input1 and input2. Pin 2 is connected to the DC supply and pin 4 is connected to the ground. Electrolytic capacitor C3 is connected across VCC and groundworks as a filter capacitor.
MSP430x15x, MSP430x16x, MSP430x161x: Mixed Signal Microcontroller29 February 202474
CS124 SSR RELAY SPST-NO 3.5A 0-40V: Datasheet, Features and Equivalents11 January 2022274
BTA16-600B Triacs: BTA16-600B Datasheet PDF, Pinout, Circuit22 April 202230524
Arduino Giga R1 WiFi: Specifications, Features and Applications[FAQs]06 October 20236238
LP2985 Low-Dropout Regulator: Pinout, Application and Package19 July 20212133
MV104 Diode: Datasheet, Alternatives and Application Circuit23 September 20211101
BMI088 IMU: BMI088 Datasheet, Pinout, BMI088 vs. MPU605026 March 20225161
STM32F302RET6 Microcontroller: 32-Bit, Pinout , Features and Datasheet17 January 20221312
Huawei's Mysterious Advanced Chip in New Mate 60 Pro Smartphone Sparks Speculation Amid US Sanctions01 September 20231775
Image Sensor: How do CCD and CMOS Sensors work?24 October 202511750
Selection Criteria for Power Management ICs (PMICs)06 April 20223112
What is a Biosensor?23 March 20213149
What is an Electromagnetic Relay?13 October 20209474
Power Transformer Basics and Operation Cautions16 October 20203789
Beginner’s Handbook for Choosing Circular Connectors14 July 20251388
Introduction to Step-down Transformers14 October 20206799
STMicroelectronics
In Stock: 320
United States
China
Canada
Japan
Russia
Germany
United Kingdom
Singapore
Italy
Hong Kong(China)
Taiwan(China)
France
Korea
Mexico
Netherlands
Malaysia
Austria
Spain
Switzerland
Poland
Thailand
Vietnam
India
United Arab Emirates
Afghanistan
Åland Islands
Albania
Algeria
American Samoa
Andorra
Angola
Anguilla
Antigua & Barbuda
Argentina
Armenia
Aruba
Australia
Azerbaijan
Bahamas
Bahrain
Bangladesh
Barbados
Belarus
Belgium
Belize
Benin
Bermuda
Bhutan
Bolivia
Bonaire, Sint Eustatius and Saba
Bosnia & Herzegovina
Botswana
Brazil
British Indian Ocean Territory
British Virgin Islands
Brunei
Bulgaria
Burkina Faso
Burundi
Cabo Verde
Cambodia
Cameroon
Cayman Islands
Central African Republic
Chad
Chile
Christmas Island
Cocos (Keeling) Islands
Colombia
Comoros
Congo
Congo (DRC)
Cook Islands
Costa Rica
Côte d’Ivoire
Croatia
Cuba
Curaçao
Cyprus
Czechia
Denmark
Djibouti
Dominica
Dominican Republic
Ecuador
Egypt
El Salvador
Equatorial Guinea
Eritrea
Estonia
Eswatini
Ethiopia
Falkland Islands
Faroe Islands
Fiji
Finland
French Guiana
French Polynesia
Gabon
Gambia
Georgia
Ghana
Gibraltar
Greece
Greenland
Grenada
Guadeloupe
Guam
Guatemala
Guernsey
Guinea
Guinea-Bissau
Guyana
Haiti
Honduras
Hungary
Iceland
Indonesia
Iran
Iraq
Ireland
Isle of Man
Israel
Jamaica
Jersey
Jordan
Kazakhstan
Kenya
Kiribati
Kosovo
Kuwait
Kyrgyzstan
Laos
Latvia
Lebanon
Lesotho
Liberia
Libya
Liechtenstein
Lithuania
Luxembourg
Macao(China)
Madagascar
Malawi
Maldives
Mali
Malta
Marshall Islands
Martinique
Mauritania
Mauritius
Mayotte
Micronesia
Moldova
Monaco
Mongolia
Montenegro
Montserrat
Morocco
Mozambique
Myanmar
Namibia
Nauru
Nepal
New Caledonia
New Zealand
Nicaragua
Niger
Nigeria
Niue
Norfolk Island
North Korea
North Macedonia
Northern Mariana Islands
Norway
Oman
Pakistan
Palau
Palestinian Authority
Panama
Papua New Guinea
Paraguay
Peru
Philippines
Pitcairn Islands
Portugal
Puerto Rico
Qatar
Réunion
Romania
Rwanda
Samoa
San Marino
São Tomé & Príncipe
Saudi Arabia
Senegal
Serbia
Seychelles
Sierra Leone
Sint Maarten
Slovakia
Slovenia
Solomon Islands
Somalia
South Africa
South Sudan
Sri Lanka
St Helena, Ascension, Tristan da Cunha
St. Barthélemy
St. Kitts & Nevis
St. Lucia
St. Martin
St. Pierre & Miquelon
St. Vincent & Grenadines
Sudan
Suriname
Svalbard & Jan Mayen
Sweden
Syria
Tajikistan
Tanzania
Timor-Leste
Togo
Tokelau
Tonga
Trinidad & Tobago
Tunisia
Turkey
Turkmenistan
Turks & Caicos Islands
Tuvalu
U.S. Outlying Islands
U.S. Virgin Islands
Uganda
Ukraine
Uruguay
Uzbekistan
Vanuatu
Vatican City
Venezuela
Wallis & Futuna
Yemen
Zambia
Zimbabwe










