LM5164QDDARQ1: LM5164, Converter, 48V, 100V Input
8 Terminals 6V LM5164 DC DC Voltage Regulator SWITCHING REGULATOR 1 Outputs Up to 1MHz Tape & Reel (TR) 8-PowerSOIC (0.154, 3.90mm Width)









8 Terminals 6V LM5164 DC DC Voltage Regulator SWITCHING REGULATOR 1 Outputs Up to 1MHz Tape & Reel (TR) 8-PowerSOIC (0.154, 3.90mm Width)
The LM5164QDDARQ1 synchronous buck converter is designed to regulate over a wide range of input voltages, reducing the requirement for external surge suppression components. The article is going to introduce the features, applications and other details of the component.

Texas Instruments LM5164/LM5164-Q1 Synchronous Buck DC/DC Converters — New Product Brief | Mouser
- LM5164QDDARQ1 Description
- LM5164QDDARQ1 Pinout
- LM5164QDDARQ1 CAD Model
- LM5164QDDARQ1 Features
- LM5164QDDARQ1 Functional Block Diagram
- LM5164QDDARQ1 Recommended Operating Conditions
- LM5164QDDARQ1 Equivalents
- LM5164QDDARQ1 Advantages
- LM5164QDDARQ1 Electrical Characteristics
- Specifications
- LM5164QDDARQ1 Applications
- Parts with Similar Specs
- LM5164QDDARQ1 Typical Application Circuit
- LM5164QDDARQ1 Package
- LM5164QDDARQ1 Manufacturer
- Trend Analysis
- Datasheet PDF
LM5164QDDARQ1 Description
The LM5164QDDARQ1 synchronous buck converter is designed to regulate over a wide range of input voltages, reducing the requirement for external surge suppression components. A minimum adjustable on-time of 50 ns allows for significant step-down conversion ratios, allowing direct step-down from a 48-V nominal input to low-voltage rails, reducing system complexity and solution cost. The LM5164QDDARQ1 works at approximately 100 percent duty cycle with input voltage dips as low as 6 V, making it a great choice for wide input supply range industrial and large cell count battery pack applications.
LM5164QDDARQ1 Pinout

LM5164QDDARQ1 CAD Model
Symbol

Footprint

3D Model

LM5164QDDARQ1 Features
• Designed for reliable and rugged applications
– Wide input voltage range of 6 V to 100 V
– Junction temperature range: –40°C to +150°C
– Fixed 3-ms internal soft-start timer
– Peak and valley current-limit protection
– Input UVLO and thermal shutdown protection
• Suited for scalable Industrial power supplies and battery packs
– Low minimum on- and off-times of 50 ns
– Adjustable switching frequency up to 1 MHz
– Diode emulation for high light-load efficiency
– 10.5-µA no-load input quiescent current
– 3-µA shutdown quiescent current
– Optimized for CISPR 32 EMI standard
• Integration reduces solution size and cost
– COT mode control architecture
– Integrated 0.725-Ω NFET buck switch supports wide duty-cycle range
– Integrated 0.34-Ω NFET synchronous rectifier
eliminates external Schottky diode
– 1.2-V internal voltage reference
– No loop compensation components
– Internal VCC bias regulator and boot diode
– Open-drain power good indicator
– 8-Pin SOIC package with PowerPAD™
• Create a custom design using WEBENCH® power designer
LM5164QDDARQ1 Functional Block Diagram

LM5164QDDARQ1 Recommended Operating Conditions
| MIN | NOM | MAX | UNIT | ||
| VIN | In put voltage | 6 | 100 | V | |
| VSW | Switch node voltage | 100 | V | ||
| VEN/UVLO | Enable voltage | 100 | V | ||
| ILOAD | Load current | 1 | 1.25 | A | |
| FSW | Switching frequency | 1000 | kHz | ||
| cbst | External BST to SW capacitance | 2.2 | nF | ||
| tON | Programmable on -time | 50 | 10000 | ns | |
LM5164QDDARQ1 Equivalents
| Part Number | Description | Manufacturer |
| LM5164QDDATQ1POWER CIRCUITS | 6-V to 100-V input, 1-A synchronous DC-DC buck converter with ultra-low IQ 8-SO PowerPAD -40 to 150 | Texas Instruments |
| BD9207FPS-E2POWER CIRCUITS | Switching Regulator, 1.5A, 990kHz Switching Freq-Max, PSSO4, ROHS COMPLIANT, TO-252, 5 PIN | ROHM Semiconductor |
| PLM5164DDATPOWER CIRCUITS | 6-V to 100-V Input, 1-A Synchronous Buck DC-DC Converter With Ultra-Low IQ 8-SO PowerPAD -40 to 150 | Texas Instruments |
| BD9207FPSPOWER CIRCUITS | Switching Regulator, 1.5A, 990kHz Switching Freq-Max, PSSO4, ROHS COMPLIANT, TO-252, 5 PIN | ROHM Semiconductor |
| LMZ36002RVQRPOWER CIRCUITS | 4.5V to 60V, 2A Step-Down Power Module in QFN Package 43-B3QFN -40 to 105 | Texas Instruments |
| LM5164DDATPOWER CIRCUITS | 6-V to 100-V input, 1-A synchronous buck DC-DC converter with ultra-low IQ 8-SO PowerPAD -40 to 150 | Texas Instruments |
| LMZ34202RVQRPOWER CIRCUITS | 4.5V to 42V, 2A Step-Down Power Module in QFN Package 43-B3QFN -40 to 105 | Texas Instruments |
LM5164QDDARQ1 Advantages
• Reduced board space: The new device's thermally efficient, small-form integrated circuit (SOIC) PowerPADTM packaging is 5 mm x 6 mm, which is 30% smaller than competitive offerings. Designers can use the LM5164QDDARQ1 to develop a complete power supply design with a footprint of 105 mm2, which is more than 10% smaller than competitive products.
• High light load efficiency: The LM5164QDDARQ1 has a very low typical standby static current of 10-A. When compared to rival methods, this delivers a 10% light-load efficiency, a 24 V to 5 V conversion at 1-mA loads, and extends battery life.
• Simple and cost-effective design: A standard 8-pin SOIC box, few external components, and WEBENCH® Power Designer simplify and decrease design costs.
LM5164QDDARQ1 Electrical Characteristics
| PARAMETER | TEST CONDITIONS | MIN | TYP | MAX | UNIT | |
| SUPPLYCURRENT | ||||||
| IQ-SHUTDOWN | VIN shutdown current | VEn = 0V | 3 | 15 | pA | |
| IQ-SLEEP1 | VIN sleep current | VEn = 2.5 V, VFb = 1.5V | 10.5 | 25 | pA | |
| IQ-ACTIVE | VIN active current | VEn = 2.5 V | 600 | 880 | pA | |
| EN/UVLO | ||||||
| VSD-RISING | Shutdown threshold | VEN/UVLO rising | 1.1 | V | ||
| VSD-FALLING | Shutdown threshold | VEN/UVLO falling | 0.45 | V | ||
| VEN-RISING | Enable threshold | VEN/UVLO rising | 1.45 | 1.5 | 1.55 | V |
| VEN-FALLING | Enable threshold | VEN/UVLO falling | 1.35 | 1.4 | 1.44 | V |
| FEEDBACK | ||||||
| VREF | FB regulation voltage | Vfb falling | 1.181 | 1.2 | 1.218 | V |
| TIMING | ||||||
| tON1 | On-time1 | Vvin = 6 V, Rron = 75 kQ | 5000 | ns | ||
| tON2 | On-time2 | Vvin = 6 V, Rron = 25 kQ | 650 | ns | ||
| tON3 | On-time3 | Vvin = 12 V, Rron = 75 kQ | 2550 | ns | ||
| tON4 | On-time4 | Vvin = 12 V, Rron = 25 kQ | 830 | ns | ||
| PGOOD | ||||||
| VPG-UTH | FB upper threshold for PGOOD high to low | Vfb rising | 1.105 | 1.14 | 1.175 | V |
| VPG-LTH | FB lower threshold for PGOOD high to low | Vfb falling | 1.055 | 1.08 | 1.1 | V |
| VPG-HYS | PGOOD upper a nd lower threshold hysteresis | Vfb falling | 60 | mV | ||
| rpg | PGOOD pulldown resistance | VFB = 1 V | 30 | Q | ||
| BOOTSTRAP | ||||||
| VBST-UV | Gate drive UVLO | Vbst rising | 2.7 | 3.4 | V | |
| POWERSWITCHES | ||||||
| rdson-hs | High-side MOSFET Rdson | Isw = -100 mA | 0.725 | Q | ||
| rdson-ls | Low-side MOSFET Rdson | Isw =100 mA | 0.34 | Q | ||
Specifications
- TypeParameter
- Factory Lead Time6 Weeks
- Mounting Type
The "Mounting Type" in electronic components refers to the method used to attach or connect a component to a circuit board or other substrate, such as through-hole, surface-mount, or panel mount.
Surface Mount - Package / Case
refers to the protective housing that encases an electronic component, providing mechanical support, electrical connections, and thermal management.
8-PowerSOIC (0.154, 3.90mm Width) - Surface Mount
having leads that are designed to be soldered on the side of a circuit board that the body of the component is mounted on.
YES - Operating Temperature
The operating temperature is the range of ambient temperature within which a power supply, or any other electrical equipment, operate in. This ranges from a minimum operating temperature, to a peak or maximum operating temperature, outside which, the power supply may fail.
-40°C~150°C TJ - Packaging
Semiconductor package is a carrier / shell used to contain and cover one or more semiconductor components or integrated circuits. The material of the shell can be metal, plastic, glass or ceramic.
Tape & Reel (TR) - Series
In electronic components, the "Series" refers to a group of products that share similar characteristics, designs, or functionalities, often produced by the same manufacturer. These components within a series typically have common specifications but may vary in terms of voltage, power, or packaging to meet different application needs. The series name helps identify and differentiate between various product lines within a manufacturer's catalog.
Automotive, AEC-Q100 - Pbfree Code
The "Pbfree Code" parameter in electronic components refers to the code or marking used to indicate that the component is lead-free. Lead (Pb) is a toxic substance that has been widely used in electronic components for many years, but due to environmental concerns, there has been a shift towards lead-free alternatives. The Pbfree Code helps manufacturers and users easily identify components that do not contain lead, ensuring compliance with regulations and promoting environmentally friendly practices. It is important to pay attention to the Pbfree Code when selecting electronic components to ensure they meet the necessary requirements for lead-free applications.
yes - Part Status
Parts can have many statuses as they progress through the configuration, analysis, review, and approval stages.
Active - Moisture Sensitivity Level (MSL)
Moisture Sensitivity Level (MSL) is a standardized rating that indicates the susceptibility of electronic components, particularly semiconductors, to moisture-induced damage during storage and the soldering process, defining the allowable exposure time to ambient conditions before they require special handling or baking to prevent failures
2 (1 Year) - Number of Terminations8
- Terminal Position
In electronic components, the term "Terminal Position" refers to the physical location of the connection points on the component where external electrical connections can be made. These connection points, known as terminals, are typically used to attach wires, leads, or other components to the main body of the electronic component. The terminal position is important for ensuring proper connectivity and functionality of the component within a circuit. It is often specified in technical datasheets or component specifications to help designers and engineers understand how to properly integrate the component into their circuit designs.
DUAL - Terminal Form
Occurring at or forming the end of a series, succession, or the like; closing; concluding.
GULL WING - Base Part Number
The "Base Part Number" (BPN) in electronic components serves a similar purpose to the "Base Product Number." It refers to the primary identifier for a component that captures the essential characteristics shared by a group of similar components. The BPN provides a fundamental way to reference a family or series of components without specifying all the variations and specific details.
LM5164 - JESD-30 Code
JESD-30 Code refers to a standardized descriptive designation system established by JEDEC for semiconductor-device packages. This system provides a systematic method for generating designators that convey essential information about the package's physical characteristics, such as size and shape, which aids in component identification and selection. By using JESD-30 codes, manufacturers and engineers can ensure consistency and clarity in the specification of semiconductor packages across various applications and industries.
R-PDSO-G8 - Function
The parameter "Function" in electronic components refers to the specific role or purpose that the component serves within an electronic circuit. It defines how the component interacts with other elements, influences the flow of electrical signals, and contributes to the overall behavior of the system. Functions can include amplification, signal processing, switching, filtering, and energy storage, among others. Understanding the function of each component is essential for designing effective and efficient electronic systems.
Step-Down - Number of Outputs1
- Voltage - Input (Max)
Voltage - Input (Max) is a parameter in electronic components that specifies the maximum voltage that can be safely applied to the input of the component without causing damage. This parameter is crucial for ensuring the proper functioning and longevity of the component. Exceeding the maximum input voltage can lead to electrical overstress, which may result in permanent damage or failure of the component. It is important to carefully adhere to the specified maximum input voltage to prevent any potential issues and maintain the reliability of the electronic system.
100V - Output Type
The "Output Type" parameter in electronic components refers to the type of signal or data that is produced by the component as an output. This parameter specifies the nature of the output signal, such as analog or digital, and can also include details about the voltage levels, current levels, frequency, and other characteristics of the output signal. Understanding the output type of a component is crucial for ensuring compatibility with other components in a circuit or system, as well as for determining how the output signal can be utilized or processed further. In summary, the output type parameter provides essential information about the nature of the signal that is generated by the electronic component as its output.
Adjustable - Voltage - Input (Min)
Voltage - Input (Min) refers to the minimum voltage level that an electronic component requires to operate correctly. It indicates the lowest voltage that can be applied to the component while still allowing it to function as intended. If the input voltage falls below this specified minimum, the component may not perform properly or may fail to operate altogether. This parameter is critical for ensuring reliable operation and longevity of the device in electronic circuits.
6V - Input Voltage-Nom
Input Voltage-Nom refers to the nominal or rated input voltage that an electronic component or device is designed to operate within. This parameter specifies the voltage level at which the component is expected to function optimally and safely. It is important to ensure that the actual input voltage supplied to the component does not exceed this nominal value to prevent damage or malfunction. Manufacturers provide this specification to guide users in selecting the appropriate power supply or input voltage source for the component. It is a critical parameter to consider when designing or using electronic circuits to ensure reliable performance and longevity of the component.
24V - Analog IC - Other Type
Analog IC - Other Type is a parameter used to categorize electronic components that are integrated circuits (ICs) designed for analog signal processing but do not fall into more specific subcategories such as amplifiers, comparators, or voltage regulators. These ICs may include specialized analog functions such as analog-to-digital converters (ADCs), digital-to-analog converters (DACs), voltage references, or signal conditioning circuits. They are typically used in various applications where precise analog signal processing is required, such as in audio equipment, instrumentation, communication systems, and industrial control systems. Manufacturers provide detailed specifications for these components to help engineers select the most suitable IC for their specific design requirements.
SWITCHING REGULATOR - Output Configuration
Output Configuration in electronic components refers to the arrangement or setup of the output pins or terminals of a device. It defines how the output signals are structured and how they interact with external circuits or devices. The output configuration can determine the functionality and compatibility of the component in a circuit design. Common types of output configurations include single-ended, differential, open-drain, and push-pull configurations, each serving different purposes and applications in electronic systems. Understanding the output configuration of a component is crucial for proper integration and operation within a circuit.
Positive - Voltage - Output (Min/Fixed)
Voltage - Output (Min/Fixed) refers to the minimum fixed output voltage level that an electronic component, such as a voltage regulator or power supply, is designed to provide under specified load conditions. This parameter ensures that the device consistently delivers a reliable voltage that meets the requirements of the connected circuits or components. It is critical for applications where stable and predictable voltage is necessary for proper operation.
1.2V - Topology
In the context of electronic components, "topology" refers to the arrangement or configuration of the components within a circuit or system. It defines how the components are connected to each other and how signals flow between them. The choice of topology can significantly impact the performance, efficiency, and functionality of the electronic system. Common topologies include series, parallel, star, mesh, and hybrid configurations, each with its own advantages and limitations. Designers carefully select the appropriate topology based on the specific requirements of the circuit to achieve the desired performance and functionality.
Buck - Frequency - Switching
"Frequency - Switching" in electronic components refers to the rate at which a device, such as a transistor or switching regulator, turns on and off during operation. This parameter is crucial in determining the efficiency and performance of power converters, oscillators, and other circuits that rely on rapid switching. Higher switching frequencies typically allow for smaller component sizes but may require more advanced design considerations to manage heat and electromagnetic interference.
Up to 1MHz - Synchronous Rectifier
Synchronous rectification is a technique for improving the efficiency of rectification by replacing diodes with actively controlled switches, usually power MOSFETs or power bipolar junction transistors (BJT).
Yes - Length4.9mm
- Width3.9mm
- RoHS Status
RoHS means “Restriction of Certain Hazardous Substances” in the “Hazardous Substances Directive” in electrical and electronic equipment.
ROHS3 Compliant
LM5164QDDARQ1 Applications
• Appliances, power and garden tools
• High-cell-count battery packs (E-Bike, E-Scooter)
• Motor drives, drones, telecom
Parts with Similar Specs
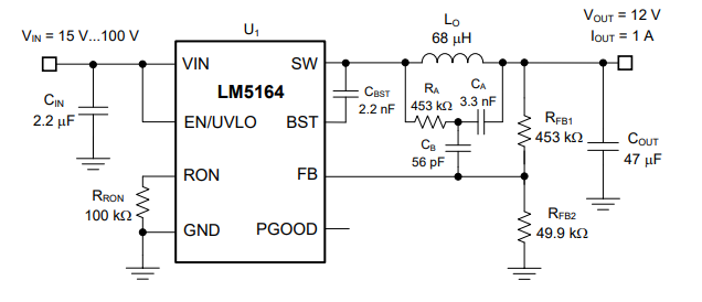
LM5164QDDARQ1 Typical Application Circuit

LM5164QDDARQ1 Typical Application Circuit
LM5164QDDARQ1 Package

LM5164QDDARQ1 Manufacturer
Texas Instruments Incorporated (TI) is an American technology company based in Dallas, Texas, that designs and manufactures semiconductors and various integrated circuits, which it sells to electronics designers and manufacturers globally. It is one of the top 10 semiconductor companies worldwide based on sales volume. The company's focus is on developing analog chips and embedded processors, which account for more than 80% of its revenue. TI also produces TI digital light processing technology and education technology products including calculators, micro-controllers, and multi-core processors. The company boasts 45,000 patents around the globe as of 2016.
Trend Analysis
What is LM5164QDDARQ1 ?
The LM5164QDDARQ1 synchronous buck converter is designed to regulate over a wide range of input voltages, reducing the requirement for external surge suppression components. A minimum adjustable on-time of 50 ns allows for significant step-down conversion ratios, allowing direct step-down from a 48-V nominal input to low-voltage rails, reducing system complexity and solution cost. The LM5164QDDARQ1 works at approximately 100 percent duty cycle with input voltage dips as low as 6 V, making it a great choice for wide input supply range industrial and large cell count battery pack applications.
What is the recommended operating temperature of the component?
-40°C~150°C TJ.
What is the package of the device?
8-PowerSOIC (0.154, 3.90mm Width).
What is the component’s number of terminations?
8.
Introduction to Microchip PIC24EP64GP20429 February 202471
IRF630 Power Mosfet: Pinout, Application, Datasheet28 July 20215171
KSC1845 Transistor: Datasheet, Pinout, Equivalent06 December 20212973
CD4543BE: Datasheet, Circuit, and Pinout06 August 20214064
CD4007 CMOS Inverter: 14 SOIC Inverter, Pinout and Datasheet pdf [Video]07 January 20225671
TIP112 Silicon Power Transistor: Pinout, Datasheet pdf and Equivalent [FAQ]10 December 20212285
TDA7294 DMOS Audio Amplifier: Pinout, Datasheet and Power18 September 202139871
STM32F070CBT6 ARM Microcontroller: Pinout, Datasheet, Features and Applications06 January 20221710
Working Principle and Characteristics of Zener diodes20 October 202522635
Intel Launches First-of-its-Kind Semiconductor Technician Certificate Program to Address Workforce Shortage28 September 20231711
What is an Accelerometer: Definition, Types and Applications02 April 20229092
What is FPC (Flexible Printed Circuit)?14 April 202113200
Classification and Characteristics of Microwave Filter14 December 20216517
Working Principle and Types of Throttle Position Sensor01 April 202431497
Solenoid Switch: Working Principle, Types and Applications03 February 202124419
What is a Ceramic Filter?10 April 20212791
Texas Instruments
In Stock: 20000
United States
China
Canada
Japan
Russia
Germany
United Kingdom
Singapore
Italy
Hong Kong(China)
Taiwan(China)
France
Korea
Mexico
Netherlands
Malaysia
Austria
Spain
Switzerland
Poland
Thailand
Vietnam
India
United Arab Emirates
Afghanistan
Åland Islands
Albania
Algeria
American Samoa
Andorra
Angola
Anguilla
Antigua & Barbuda
Argentina
Armenia
Aruba
Australia
Azerbaijan
Bahamas
Bahrain
Bangladesh
Barbados
Belarus
Belgium
Belize
Benin
Bermuda
Bhutan
Bolivia
Bonaire, Sint Eustatius and Saba
Bosnia & Herzegovina
Botswana
Brazil
British Indian Ocean Territory
British Virgin Islands
Brunei
Bulgaria
Burkina Faso
Burundi
Cabo Verde
Cambodia
Cameroon
Cayman Islands
Central African Republic
Chad
Chile
Christmas Island
Cocos (Keeling) Islands
Colombia
Comoros
Congo
Congo (DRC)
Cook Islands
Costa Rica
Côte d’Ivoire
Croatia
Cuba
Curaçao
Cyprus
Czechia
Denmark
Djibouti
Dominica
Dominican Republic
Ecuador
Egypt
El Salvador
Equatorial Guinea
Eritrea
Estonia
Eswatini
Ethiopia
Falkland Islands
Faroe Islands
Fiji
Finland
French Guiana
French Polynesia
Gabon
Gambia
Georgia
Ghana
Gibraltar
Greece
Greenland
Grenada
Guadeloupe
Guam
Guatemala
Guernsey
Guinea
Guinea-Bissau
Guyana
Haiti
Honduras
Hungary
Iceland
Indonesia
Iran
Iraq
Ireland
Isle of Man
Israel
Jamaica
Jersey
Jordan
Kazakhstan
Kenya
Kiribati
Kosovo
Kuwait
Kyrgyzstan
Laos
Latvia
Lebanon
Lesotho
Liberia
Libya
Liechtenstein
Lithuania
Luxembourg
Macao(China)
Madagascar
Malawi
Maldives
Mali
Malta
Marshall Islands
Martinique
Mauritania
Mauritius
Mayotte
Micronesia
Moldova
Monaco
Mongolia
Montenegro
Montserrat
Morocco
Mozambique
Myanmar
Namibia
Nauru
Nepal
New Caledonia
New Zealand
Nicaragua
Niger
Nigeria
Niue
Norfolk Island
North Korea
North Macedonia
Northern Mariana Islands
Norway
Oman
Pakistan
Palau
Palestinian Authority
Panama
Papua New Guinea
Paraguay
Peru
Philippines
Pitcairn Islands
Portugal
Puerto Rico
Qatar
Réunion
Romania
Rwanda
Samoa
San Marino
São Tomé & Príncipe
Saudi Arabia
Senegal
Serbia
Seychelles
Sierra Leone
Sint Maarten
Slovakia
Slovenia
Solomon Islands
Somalia
South Africa
South Sudan
Sri Lanka
St Helena, Ascension, Tristan da Cunha
St. Barthélemy
St. Kitts & Nevis
St. Lucia
St. Martin
St. Pierre & Miquelon
St. Vincent & Grenadines
Sudan
Suriname
Svalbard & Jan Mayen
Sweden
Syria
Tajikistan
Tanzania
Timor-Leste
Togo
Tokelau
Tonga
Trinidad & Tobago
Tunisia
Turkey
Turkmenistan
Turks & Caicos Islands
Tuvalu
U.S. Outlying Islands
U.S. Virgin Islands
Uganda
Ukraine
Uruguay
Uzbekistan
Vanuatu
Vatican City
Venezuela
Wallis & Futuna
Yemen
Zambia
Zimbabwe











