LT1167 Precision Instrumentation Amplifier: 1-10,000 Gain Range and Performance Deep Dive
Linear Technology/Analog Devices
50pA Instrumentational OP Amps 0.0006μA 4.6V~36V ±2.3V~18V LT1167 8 Pins 8-DIP (0.300, 7.62mm)









50pA Instrumentational OP Amps 0.0006μA 4.6V~36V ±2.3V~18V LT1167 8 Pins 8-DIP (0.300, 7.62mm)
The LT1167 is a low-power, precision instrumentation amplifier featuring 1-10,000 gain via one resistor. Explore specs, pinouts, and equivalents for your BOM today.
- Executive Summary: What is the LT1167?
- 1. Technical Specifications & Performance Analysis
- 2. Pinout, Package, and Configuration
- 3. Design & Integration Guide (For Engineers & Makers)
- 4. Typical Applications & Use Cases
- 5. Alternatives and Cross-Reference Guide
- 6. Frequently Asked Questions (FAQ)
- 7. Resources
- Specifications
- Datasheet PDF
Executive Summary: What is the LT1167?
The LT1167 is a low-power, precision instrumentation amplifier designed for high-accuracy signal conditioning in applications requiring the extraction of small differential signals from large common-mode noise. It is widely recognized for its "single-resistor gain" architecture, allowing users to set gains from 1 to 10,000 with extreme simplicity.
Market Position: High-performance industry standard; balances precision with ease of use.
Top Features: Single-resistor gain setting, ultra-low input bias current (350pA), and high CMRR (>90dB at G=1).
Primary Audience: Ideal for medical device designers, industrial sensor engineers, and high-resolution data acquisition specialists.
Supply Status: Active (Widely available through major distributors).

1. Technical Specifications & Performance Analysis
The LT1167 represents a significant evolution in instrumentation amplifier (In-Amp) design, focusing on minimizing the error budget in low-frequency sensor interfaces.
1.1 Core Architecture
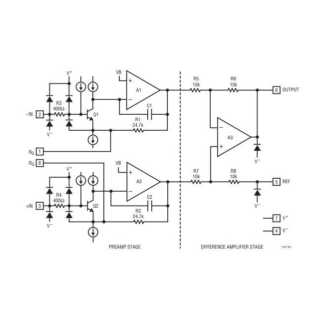
The LT1167 utilizes a classic three-op-amp internal configuration but optimizes the input stage for exceptionally low noise and high input impedance. By using just one external resistor ($R_G$), the gain can be precisely tuned. This eliminates the need for matched resistor pairs, which are typically required in discrete designs to maintain high Common Mode Rejection Ratio (CMRR).
1.2 Key Electrical Characteristics
Engineers must note these critical parameters for power budget and signal integrity:
- Supply Voltage Range: Operates from ±2.3V to ±18V, making it compatible with both battery-powered and industrial rail systems.
- Low Noise: Features a voltage noise density of 7.5nV/√Hz at 1kHz, essential for microvolt-level sensor signals.
- Power Efficiency: Draws only 0.9mA (typical), suitable for multi-channel systems where thermal buildup is a concern.
- Precision: Maximum input offset voltage of 40µV ensures minimal DC error without external trimming.
1.3 Interfaces and Connectivity
As an analog component, the LT1167 interfaces directly with: - Inputs: High-impedance differential inputs for bridges and thermocouples. - Outputs: Single-ended output capable of driving ADC inputs or further gain stages. - Gain Pins: Dedicated pins for the $R_G$ resistor to minimize parasitic interference.

2. Pinout, Package, and Configuration
Understanding the physical layout is vital for both PCB design and procurement logistics.
2.1 Pin Configuration Guide
| Pin Number | Name | Function |
|---|---|---|
| 1, 8 | -RG, +RG | Gain set resistor pins. Connect $R_G$ between these. |
| 2 | -IN | Inverting Input. |
| 3 | +IN | Non-Inverting Input. |
| 4 | V- | Negative Power Supply Rail. |
| 5 | REF | Reference Pin; sets the output voltage level for zero differential input. |
| 6 | OUT | Output Signal Pin. |
| 7 | V+ | Positive Power Supply Rail. |
2.2 Naming Convention & Ordering Codes
LT1167CN8: Commercial grade (0°C to 70°C), 8-pin PDIP.
LT1167IS8: Industrial grade (-40°C to 85°C), 8-pin SOIC.
LT1167ACS8: High-precision "A" grade with tighter offset specs in SOIC packaging.
2.3 Available Packages
| Package Type | Dimensions | Common Use Case |
|---|---|---|
| PDIP-8 | 9.27mm x 6.35mm | Prototyping, through-hole hobbyist projects. |
| SOIC-8 | 4.90mm x 3.90mm | Standard SMT production, space-constrained PCBs. |
3. Design & Integration Guide (For Engineers & Makers)
Pro Tip: Keep the $R_G$ resistor as close to pins 1 and 8 as possible to avoid RFI pickup and stability issues.
3.1 Hardware Implementation
Bypass Capacitors: Use 0.1µF ceramic capacitors in parallel with 10µF tantalum capacitors from each supply rail to ground.
PCB Layout: Use a ground plane. Route input traces symmetrically to maintain common-mode rejection.
Thermal Management: With a 0.9mA draw, the LT1167 rarely requires a heatsink, but ensure it is away from high-heat components like LDOs.
3.2 Common Design Challenges
Issue: RFI Rectification: High-frequency noise can cause DC offset shifts.
Fix: Install a differential R-C filter (e.g., 100Ω resistors and a 1nF capacitor) at the inputs.
Issue: Input Bias Return Path: Floating sources cause the output to saturate at the rails.
Fix: Add 10MΩ resistors from each input to ground to provide a DC path for bias currents.
Issue: Common Mode Saturation: The output swing is limited by the input common-mode voltage.
Fix: Consult the "Diamond Plot" in the LT1167 datasheet to ensure your signal stays within the linear operating region.
4. Typical Applications & Use Cases
[播放] Watch Tutorial: LT1167
4.1 Real-World Example: Strain Gauge Bridge
In industrial weighing scales, a strain gauge bridge produces a very small differential voltage. The LT1167 can be set to a gain of 100 ($R_G \approx 499\Omega$) to amplify this signal to a range readable by a 12-bit or 16-bit ADC. Its high CMRR ensures that the 50/60Hz hum from the factory floor does not corrupt the weight measurement.
5. Alternatives and Cross-Reference Guide
If the LT1167 is out of stock or does not meet specific budget/performance needs, consider these:
Direct Replacements:
AD620: The industry-standard equivalent; very similar pinout and performance.
INA128: Texas Instruments' alternative with slightly different power consumption profiles.
Better Performance:
INA828: Next-generation TI part with lower power and better precision.
LT1168: A lower-power version of the LT1167 for battery-critical apps.
Cost-Effective Options:
INA118: Good balance of price and performance for general-purpose use.
6. Frequently Asked Questions (FAQ)
Q: What is the difference between LT1167 and AD620?
A: They are very similar and often pin-compatible. The LT1167 generally offers lower input bias current and meets stricter ESD testing (IEC 1000-4-2 Level 4).
Q: Can LT1167 be used in Automotive applications?
A: Yes, provided the temperature range (Industrial grade) and voltage transients are managed with external protection.
Q: Where can I find the datasheet and library files for LT1167?
A: The official datasheet is available on the Analog Devices website. CAD models (Altium, KiCad) are available via Ultra Librarian or SnapEDA.
Q: Is LT1167 suitable for battery-operated devices?
A: Yes. Its 0.9mA current draw and ability to run on supplies as low as ±2.3V make it excellent for portable medical or test equipment.
7. Resources
Development Tools: LTspice (Highly recommended for simulating the Diamond Plot behavior).
Evaluation Boards: DC141 or similar universal In-Amp boards from Analog Devices.
Specifications
Datasheet PDF
- Datasheets :
- Design Resources :
2SC4793 Transistor: 2SC4793, 2SC4793 Datasheet, Equivalent18 December 202119554
MOC3021M Optocoupler: Circuit, Pinout, and Datasheet02 March 20227030
Difference Between TDA7293 vs. TDA7294 Audio Amplifier [Video&FAQ]24 April 202224712
CR2450 Battery: Datasheet, Equivalent, Features22 July 20218376
LM318 OP-AMP: Datasheet, Pinout, Alternatives and Circuit09 September 20216541
BS170 N-Channel MOSFET: Pinout, Equivalent and Datasheet03 September 202113772
LM339AN: Comparator, Pinout, 36V17 March 20223753
TC7660COA Voltage Converter: Datasheet, Pinout, Circuit22 September 20211222
VFD Driving Guide: What to Do When Your MCU Runs Out of Pins?22 July 2025882
Utmel Discount Coupon is being delivered19 October 20201354
Rectangular Connectors vs Circular Connectors: Which fits your Project Best04 July 20252052
Is Digital Radio Frequency Memory (DRFM) Suitable for Spoofing Interference?12 November 20214862
What is latch?28 March 20256009
Surge Protector Best Practices for Everyday Use10 July 20251838
What Sensors are Used in Industrial Robots?09 November 20215963
Power of Dual and Isomorphic Principles in Power Electronics24 July 20232842
Linear Technology/Analog Devices
In Stock
United States
China
Canada
Japan
Russia
Germany
United Kingdom
Singapore
Italy
Hong Kong(China)
Taiwan(China)
France
Korea
Mexico
Netherlands
Malaysia
Austria
Spain
Switzerland
Poland
Thailand
Vietnam
India
United Arab Emirates
Afghanistan
Åland Islands
Albania
Algeria
American Samoa
Andorra
Angola
Anguilla
Antigua & Barbuda
Argentina
Armenia
Aruba
Australia
Azerbaijan
Bahamas
Bahrain
Bangladesh
Barbados
Belarus
Belgium
Belize
Benin
Bermuda
Bhutan
Bolivia
Bonaire, Sint Eustatius and Saba
Bosnia & Herzegovina
Botswana
Brazil
British Indian Ocean Territory
British Virgin Islands
Brunei
Bulgaria
Burkina Faso
Burundi
Cabo Verde
Cambodia
Cameroon
Cayman Islands
Central African Republic
Chad
Chile
Christmas Island
Cocos (Keeling) Islands
Colombia
Comoros
Congo
Congo (DRC)
Cook Islands
Costa Rica
Côte d’Ivoire
Croatia
Cuba
Curaçao
Cyprus
Czechia
Denmark
Djibouti
Dominica
Dominican Republic
Ecuador
Egypt
El Salvador
Equatorial Guinea
Eritrea
Estonia
Eswatini
Ethiopia
Falkland Islands
Faroe Islands
Fiji
Finland
French Guiana
French Polynesia
Gabon
Gambia
Georgia
Ghana
Gibraltar
Greece
Greenland
Grenada
Guadeloupe
Guam
Guatemala
Guernsey
Guinea
Guinea-Bissau
Guyana
Haiti
Honduras
Hungary
Iceland
Indonesia
Iran
Iraq
Ireland
Isle of Man
Israel
Jamaica
Jersey
Jordan
Kazakhstan
Kenya
Kiribati
Kosovo
Kuwait
Kyrgyzstan
Laos
Latvia
Lebanon
Lesotho
Liberia
Libya
Liechtenstein
Lithuania
Luxembourg
Macao(China)
Madagascar
Malawi
Maldives
Mali
Malta
Marshall Islands
Martinique
Mauritania
Mauritius
Mayotte
Micronesia
Moldova
Monaco
Mongolia
Montenegro
Montserrat
Morocco
Mozambique
Myanmar
Namibia
Nauru
Nepal
New Caledonia
New Zealand
Nicaragua
Niger
Nigeria
Niue
Norfolk Island
North Korea
North Macedonia
Northern Mariana Islands
Norway
Oman
Pakistan
Palau
Palestinian Authority
Panama
Papua New Guinea
Paraguay
Peru
Philippines
Pitcairn Islands
Portugal
Puerto Rico
Qatar
Réunion
Romania
Rwanda
Samoa
San Marino
São Tomé & Príncipe
Saudi Arabia
Senegal
Serbia
Seychelles
Sierra Leone
Sint Maarten
Slovakia
Slovenia
Solomon Islands
Somalia
South Africa
South Sudan
Sri Lanka
St Helena, Ascension, Tristan da Cunha
St. Barthélemy
St. Kitts & Nevis
St. Lucia
St. Martin
St. Pierre & Miquelon
St. Vincent & Grenadines
Sudan
Suriname
Svalbard & Jan Mayen
Sweden
Syria
Tajikistan
Tanzania
Timor-Leste
Togo
Tokelau
Tonga
Trinidad & Tobago
Tunisia
Turkey
Turkmenistan
Turks & Caicos Islands
Tuvalu
U.S. Outlying Islands
U.S. Virgin Islands
Uganda
Ukraine
Uruguay
Uzbekistan
Vanuatu
Vatican City
Venezuela
Wallis & Futuna
Yemen
Zambia
Zimbabwe


Product
Brand
Articles
Tools







