SSM2164 VCA: Alternatives, Schematic, Datasheet
4 Channels 10nA Instrumentational OP Amps 16 Pins SOIC N
The SSM2164 contains four independent voltage-controlled amplifiers (VCAs) in a single package. This article will unlock more details about SSM2164, a low-cost quad voltage-controlled amplifier. Furthermore, huge range of Semiconductors, Capacitors, Resistors and ICs in stock. Welcome RFQ.
SSM2164 Pinout

SSM2164 Pinout
SSM2164 Description
The SSM2164 contains four independent voltage-controlled amplifiers (VCAs) in a single package. High performance (100 dB dynamic range, 0.02% THD) is provided at a very low cost-per-VCA, resulting in excellent value for cost-sensitive gain control applications. Each VCA offers current input and output for maximum design flexibility and a ground-referenced –33 mV/dB control port.
The SSM2164 will operate over a wide supply voltage range of ±4 V to ±18 V. Available in 16-pin P-DIP and SOIC packages, the device is guaranteed for operation over the extended industrial temperature range of –40°C to +85°C.
SSM2164 CAD Model
Symbol

SSM2164 Symbol
Footprint

SSM2164 Footprint
3D Model

SSM2164 3D Model
Specifications
- TypeParameter
- Mount
In electronic components, the term "Mount" typically refers to the method or process of physically attaching or fixing a component onto a circuit board or other electronic device. This can involve soldering, adhesive bonding, or other techniques to secure the component in place. The mounting process is crucial for ensuring proper electrical connections and mechanical stability within the electronic system. Different components may have specific mounting requirements based on their size, shape, and function, and manufacturers provide guidelines for proper mounting procedures to ensure optimal performance and reliability of the electronic device.
Surface Mount - Package / Case
refers to the protective housing that encases an electronic component, providing mechanical support, electrical connections, and thermal management.
SOIC N - Number of Pins16
- Packaging
Semiconductor package is a carrier / shell used to contain and cover one or more semiconductor components or integrated circuits. The material of the shell can be metal, plastic, glass or ceramic.
Rail/Tube - JESD-609 Code
The "JESD-609 Code" in electronic components refers to a standardized marking code that indicates the lead-free solder composition and finish of electronic components for compliance with environmental regulations.
e0 - Moisture Sensitivity Level (MSL)
Moisture Sensitivity Level (MSL) is a standardized rating that indicates the susceptibility of electronic components, particularly semiconductors, to moisture-induced damage during storage and the soldering process, defining the allowable exposure time to ambient conditions before they require special handling or baking to prevent failures
1 (Unlimited) - Number of Terminations16
- ECCN Code
An ECCN (Export Control Classification Number) is an alphanumeric code used by the U.S. Bureau of Industry and Security to identify and categorize electronic components and other dual-use items that may require an export license based on their technical characteristics and potential for military use.
EAR99 - Resistance
Resistance is a fundamental property of electronic components that measures their opposition to the flow of electric current. It is denoted by the symbol "R" and is measured in ohms (Ω). Resistance is caused by the collisions of electrons with atoms in a material, which generates heat and reduces the flow of current. Components with higher resistance will impede the flow of current more than those with lower resistance. Resistance plays a crucial role in determining the behavior and functionality of electronic circuits, such as limiting current flow, voltage division, and controlling power dissipation.
5kOhm - Terminal Finish
Terminal Finish refers to the surface treatment applied to the terminals or leads of electronic components to enhance their performance and longevity. It can improve solderability, corrosion resistance, and overall reliability of the connection in electronic assemblies. Common finishes include nickel, gold, and tin, each possessing distinct properties suitable for various applications. The choice of terminal finish can significantly impact the durability and effectiveness of electronic devices.
Tin/Lead (Sn85Pb15) - Max Operating Temperature
The Maximum Operating Temperature is the maximum body temperature at which the thermistor is designed to operate for extended periods of time with acceptable stability of its electrical characteristics.
85°C - Min Operating Temperature
The "Min Operating Temperature" parameter in electronic components refers to the lowest temperature at which the component is designed to operate effectively and reliably. This parameter is crucial for ensuring the proper functioning and longevity of the component, as operating below this temperature may lead to performance issues or even damage. Manufacturers specify the minimum operating temperature to provide guidance to users on the environmental conditions in which the component can safely operate. It is important to adhere to this parameter to prevent malfunctions and ensure the overall reliability of the electronic system.
-40°C - Terminal Position
In electronic components, the term "Terminal Position" refers to the physical location of the connection points on the component where external electrical connections can be made. These connection points, known as terminals, are typically used to attach wires, leads, or other components to the main body of the electronic component. The terminal position is important for ensuring proper connectivity and functionality of the component within a circuit. It is often specified in technical datasheets or component specifications to help designers and engineers understand how to properly integrate the component into their circuit designs.
DUAL - Terminal Form
Occurring at or forming the end of a series, succession, or the like; closing; concluding.
GULL WING - Peak Reflow Temperature (Cel)
Peak Reflow Temperature (Cel) is a parameter that specifies the maximum temperature at which an electronic component can be exposed during the reflow soldering process. Reflow soldering is a common method used to attach electronic components to a circuit board. The Peak Reflow Temperature is crucial because it ensures that the component is not damaged or degraded during the soldering process. Exceeding the specified Peak Reflow Temperature can lead to issues such as component failure, reduced performance, or even permanent damage to the component. It is important for manufacturers and assemblers to adhere to the recommended Peak Reflow Temperature to ensure the reliability and functionality of the electronic components.
240 - Number of Functions1
- Terminal Pitch
The center distance from one pole to the next.
1.27mm - Reach Compliance Code
Reach Compliance Code refers to a designation indicating that electronic components meet the requirements set by the Registration, Evaluation, Authorization, and Restriction of Chemicals (REACH) regulation in the European Union. It signifies that the manufacturer has assessed and managed the chemical substances within the components to ensure safety and environmental protection. This code is vital for compliance with regulations aimed at minimizing risks associated with hazardous substances in electronic products.
not_compliant - Time@Peak Reflow Temperature-Max (s)
Time@Peak Reflow Temperature-Max (s) refers to the maximum duration that an electronic component can be exposed to the peak reflow temperature during the soldering process, which is crucial for ensuring reliable solder joint formation without damaging the component.
30 - Pin Count
a count of all of the component leads (or pins)
16 - Qualification Status
An indicator of formal certification of qualifications.
Not Qualified - Temperature Grade
Temperature grades represent a tire's resistance to heat and its ability to dissipate heat when tested under controlled laboratory test conditions.
INDUSTRIAL - Number of Channels4
- Supply Current-Max
Supply Current-Max refers to the maximum amount of current that an electronic component or circuit can draw from its power supply under specified operating conditions. It is a critical parameter that determines the power consumption and thermal performance of the device. Exceeding this limit can lead to overheating, potential damage, or failure of the component. Knowing the Supply Current-Max helps in designing circuits that ensure proper operation and reliability.
8mA - Current - Input Bias
The parameter "Current - Input Bias" in electronic components refers to the amount of current required at the input terminal of a device to maintain proper operation. It is a crucial specification as it determines the minimum input current needed for the component to function correctly. Input bias current can affect the performance and accuracy of the device, especially in precision applications where small signal levels are involved. It is typically specified in datasheets for operational amplifiers, transistors, and other semiconductor devices to provide users with important information for circuit design and analysis.
10nA - Gain Bandwidth Product
The gain–bandwidth product (designated as GBWP, GBW, GBP, or GB) for an amplifier is the product of the amplifier's bandwidth and the gain at which the bandwidth is measured.
500 kHz - Voltage Gain
Voltage gain is a measure of how much an electronic component or circuit amplifies an input voltage signal to produce an output voltage signal. It is typically expressed as a ratio or in decibels (dB). A higher voltage gain indicates a greater amplification of the input signal. Voltage gain is an important parameter in amplifiers, where it determines the level of amplification provided by the circuit. It is calculated by dividing the output voltage by the input voltage and is a key factor in determining the overall performance and functionality of electronic devices.
20dB - Power Supply Rejection Ratio (PSRR)
Power Supply Rejection Ratio (PSRR) is a measure of how well an electronic component, such as an operational amplifier or voltage regulator, can reject changes in its supply voltage. It indicates the ability of the component to maintain a stable output voltage despite fluctuations in the input supply voltage. A higher PSRR value signifies better performance in rejecting noise and variations from the power supply, leading to improved signal integrity and more reliable operation in electronic circuits. PSRR is typically expressed in decibels (dB).
90dB - Gain
In electronic components, "Gain" refers to the ratio of the output signal amplitude to the input signal amplitude. It is a measure of the amplification provided by the component, such as a transistor or operational amplifier. Gain is typically expressed in decibels (dB) or as a numerical value, indicating how much the signal is amplified by the component.A higher gain value indicates a greater amplification of the input signal, while a lower gain value indicates less amplification. Gain is an important parameter in designing and analyzing electronic circuits, as it determines the overall performance and functionality of the system. Different components have different gain characteristics, and understanding the gain of a component is crucial for achieving the desired signal processing or amplification in electronic systems.
20 dB - Max Dual Supply Voltage
A Dual power supply is a regular direct current power supply. It can provide a positive as well as negative voltage. It ensures stable power supply to the device as well as it helps to prevent system damage.
18V - Min Dual Supply Voltage
The parameter "Min Dual Supply Voltage" in electronic components refers to the minimum voltage required for the proper operation of a device that uses dual power supplies. Dual power supplies typically consist of a positive and a negative voltage source. The "Min Dual Supply Voltage" specification ensures that both the positive and negative supply voltages are within a certain range to guarantee the device functions correctly. It is important to adhere to this parameter to prevent damage to the component and ensure reliable performance.
4V - Consumer IC Type
Consumer IC Type refers to the specific type of integrated circuit (IC) that is designed for use in consumer electronic devices. These ICs are typically optimized for applications in products such as smartphones, tablets, televisions, and other consumer electronics. They are often characterized by features such as low power consumption, small form factor, and high performance to meet the demands of modern consumer devices. Consumer IC types may include microcontrollers, audio amplifiers, display drivers, and other specialized chips tailored for consumer electronics applications. Manufacturers develop and market these ICs to meet the unique requirements of the consumer electronics industry, providing solutions for a wide range of functions and applications in modern devices.
VOLUME CONTROL CIRCUIT - Harmonic Distortion
Harmonic distortion is a common parameter used to describe the quality of audio or electronic signals. It refers to the presence of unwanted harmonics or additional frequencies in the output signal that were not present in the input signal. These harmonics are typically multiples of the original signal frequency and can distort the waveform, affecting the overall sound quality or performance of the electronic component. Lower harmonic distortion values indicate a cleaner and more accurate output signal, while higher distortion levels can result in a more distorted or altered sound. Manufacturers often specify harmonic distortion levels in percentage or decibels to help users understand the quality of the component's output.
0.3% - Channel Separation
Channel separation is a measure of how well a stereo audio system can reproduce sound from one channel without any interference from the other channel. It indicates the degree to which the left and right channels remain distinct and isolated from each other during playback. Higher channel separation values indicate better performance, as it means that the audio signals in each channel are less likely to bleed into or affect the other channel. This parameter is important for achieving accurate stereo imaging and a more immersive listening experience.
110 dB - Length9.9mm
- Height Seated (Max)
Height Seated (Max) is a parameter in electronic components that refers to the maximum allowable height of the component when it is properly seated or installed on a circuit board or within an enclosure. This specification is crucial for ensuring proper fit and alignment within the overall system design. Exceeding the maximum seated height can lead to mechanical interference, electrical shorts, or other issues that may impact the performance and reliability of the electronic device. Manufacturers provide this information to help designers and engineers select components that will fit within the designated space and function correctly in the intended application.
1.75mm - RoHS Status
RoHS means “Restriction of Certain Hazardous Substances” in the “Hazardous Substances Directive” in electrical and electronic equipment.
Non-RoHS Compliant
SSM2164 Features
Four High-Performance VCAs in a Single Package
0.02% THD
No External Trimming
120 dB Gain Range
0.07 dB Gain Matching (Unity Gain)
Class A or AB Operation
SSM2164 Applications
Remote, Automatic, or Computer Volume Controls
Automotive Volume/Balance/Faders
Audio Mixers
Compressor/Limiters/Compandors
Noise Reduction Systems
Automatic Gain Controls
Voltage Controlled Filters
Spatial Sound Processors
Effects Processors
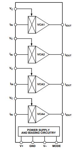
SSM2164 Functional Block Diagram

SSM2164 Functional Block Diagram
SSM2164 Alternatives
| Parts | Description | Manufacturer |
| SSM2164S CONSUMER CIRCUITS | IC 4 CHANNEL(S), VOLUME CONTROL CIRCUIT, PDSO16, SOIC-16, Audio Control IC | Analog Devices Inc |
| SSM2164SZ CONSUMER CIRCUITS | Low-Cost Quad Voltage Controlled Amplifier | Analog Devices Inc |
| SSM2164SZ-REEL CONSUMER CIRCUITS | Low-Cost Quad Voltage Controlled Amplifier | Analog Devices Inc |
| SSM2164S-REEL CONSUMER CIRCUITS | IC 4 CHANNEL(S), VOLUME CONTROL CIRCUIT, PDSO16, SOIC-16, Audio Control IC | Analog Devices Inc |
SSM2164 Alternatives
SSM2164 Application Circuit

SSM2164 Typical Application Circuit
The SSM2164 is a quad Voltage Controlled Amplifier (VCA) with 120 dB of gain control range. Each VCA is a current-in, current-out device with a separate –33 mV/dB voltage input control port. The class of operation (either Class A or Class AB) is set by a single external resistor allowing optimization of the distortion versus noise tradeoff for a particular application. The four independent VCAs in a single 16-pin package make the SSM2164 ideal for applications where multiple volume control elements are needed. The typical application circuit for SSM2164 is given above.
SSM2164 Simplified Schematic
The simplified schematic given below shows the basic structure of one of the four VCAs in the device. The gain core is comprised of the matched differential pairs Q1-Q4 and the current mirrors of Q5, Q6 and Q7, Q8. The current input pin, IIN, is connected to the collectors of Q1 and Q7, and the difference in current between these two transistors is equivalent to IIN. For example, if 100 µA is flowing into the input, Q1’s collector current will be 100 µA higher than Q7’s collector current.

SMM2164 Simplified Schematic
SSM2164 Package

SSM2164 Package
SSM2164 Manufacturer
Analog Devices is an international market leader in the design, production, and commercialization of a large range of high-performance integrated circuits (ICs) for analogue, mixed-signal, and digital signals (DSP) processing of almost all electronic systems.
Datasheet PDF
- Datasheets :
- ConflictMineralStatement :
What is SSM2164 VCA?
The SSM2164 contains four independent voltage-controlled amplifiers (VCAs) in a single package. High performance (100 dB dynamic range, 0.02% THD) is provided at a very low cost-per-VCA, resulting in excellent value for cost-sensitive gain control applications. Each VCA offers current input and output for maximum design flexibility and a ground-referenced –33 mV/dB control port. The SSM2164 will operate over a wide supply voltage range of ±4 V to ±18 V. Available in 16-pin P-DIP and SOIC packages, the device is guaranteed for operation over the extended industrial temperature range of –40°C to +85°C.
What is a VCA used for in modular?
A VCA, Voltage Controlled Amplifier, sometimes referred to as an audio gate, is an essential module to any Eurorack and no system is complete without one. The concept is an input, output and control that sets how much of the input signal passes through to the output.
What does a Voltage Controlled Amplifier do?
A VCA is a processor that can alter the amplitude of a signal proportional to the control voltage applied to its amplitude modulation control input. In simple words, it is just an amplifier whose output you can control with a control signal.
LM317 vs IRFZ44N Mosfet: Who works better?03 August 202212198
LM1458N Operational Amplifier: Pinout, Datasheet, and Schematic Diagram09 August 20213409
Microchip PIC16F1613TIML Microcontroller Datasheet Overview29 February 202481
STP55NF06 Power MOSFET: Pinout, Datasheet, Equivalent12 January 20226411
TIP29C Transistor: Where & How to Use?11 November 20212235
TMC2100 Stepper Motor Driver[Video]: TMC2100 VS TMC2130 VS TMC2208, Pinout, and Datasheet05 May 20225365
SX1276 Transceiver: Datasheet, SX1276 vs. SX127209 November 202110159
D44H8 Power Transistor: Pinout, Datasheet, and Applications21 July 20211137
Dismantling and Analyzing Each Component in the Switching Power Supply16 February 20226236
How much do you know about Button Battery?15 March 20244655
What is a Tactile Sensor?21 October 20213579
ARM, FPGA, DSP and CPLD: Connection and Difference15 March 20226368
VRAM (Video RAM) Explained03 June 20217827
Optimizing Energy Management with Non-Isolated DC-DC Converters04 February 20242893
Degson Authorized Distributor | UTMEL Electronics21 November 20232318
Utmel Customer Rating Standard, Rights and Interests24 July 20202352
Analog Devices, Inc.
In Stock
United States
China
Canada
Japan
Russia
Germany
United Kingdom
Singapore
Italy
Hong Kong(China)
Taiwan(China)
France
Korea
Mexico
Netherlands
Malaysia
Austria
Spain
Switzerland
Poland
Thailand
Vietnam
India
United Arab Emirates
Afghanistan
Åland Islands
Albania
Algeria
American Samoa
Andorra
Angola
Anguilla
Antigua & Barbuda
Argentina
Armenia
Aruba
Australia
Azerbaijan
Bahamas
Bahrain
Bangladesh
Barbados
Belarus
Belgium
Belize
Benin
Bermuda
Bhutan
Bolivia
Bonaire, Sint Eustatius and Saba
Bosnia & Herzegovina
Botswana
Brazil
British Indian Ocean Territory
British Virgin Islands
Brunei
Bulgaria
Burkina Faso
Burundi
Cabo Verde
Cambodia
Cameroon
Cayman Islands
Central African Republic
Chad
Chile
Christmas Island
Cocos (Keeling) Islands
Colombia
Comoros
Congo
Congo (DRC)
Cook Islands
Costa Rica
Côte d’Ivoire
Croatia
Cuba
Curaçao
Cyprus
Czechia
Denmark
Djibouti
Dominica
Dominican Republic
Ecuador
Egypt
El Salvador
Equatorial Guinea
Eritrea
Estonia
Eswatini
Ethiopia
Falkland Islands
Faroe Islands
Fiji
Finland
French Guiana
French Polynesia
Gabon
Gambia
Georgia
Ghana
Gibraltar
Greece
Greenland
Grenada
Guadeloupe
Guam
Guatemala
Guernsey
Guinea
Guinea-Bissau
Guyana
Haiti
Honduras
Hungary
Iceland
Indonesia
Iran
Iraq
Ireland
Isle of Man
Israel
Jamaica
Jersey
Jordan
Kazakhstan
Kenya
Kiribati
Kosovo
Kuwait
Kyrgyzstan
Laos
Latvia
Lebanon
Lesotho
Liberia
Libya
Liechtenstein
Lithuania
Luxembourg
Macao(China)
Madagascar
Malawi
Maldives
Mali
Malta
Marshall Islands
Martinique
Mauritania
Mauritius
Mayotte
Micronesia
Moldova
Monaco
Mongolia
Montenegro
Montserrat
Morocco
Mozambique
Myanmar
Namibia
Nauru
Nepal
New Caledonia
New Zealand
Nicaragua
Niger
Nigeria
Niue
Norfolk Island
North Korea
North Macedonia
Northern Mariana Islands
Norway
Oman
Pakistan
Palau
Palestinian Authority
Panama
Papua New Guinea
Paraguay
Peru
Philippines
Pitcairn Islands
Portugal
Puerto Rico
Qatar
Réunion
Romania
Rwanda
Samoa
San Marino
São Tomé & Príncipe
Saudi Arabia
Senegal
Serbia
Seychelles
Sierra Leone
Sint Maarten
Slovakia
Slovenia
Solomon Islands
Somalia
South Africa
South Sudan
Sri Lanka
St Helena, Ascension, Tristan da Cunha
St. Barthélemy
St. Kitts & Nevis
St. Lucia
St. Martin
St. Pierre & Miquelon
St. Vincent & Grenadines
Sudan
Suriname
Svalbard & Jan Mayen
Sweden
Syria
Tajikistan
Tanzania
Timor-Leste
Togo
Tokelau
Tonga
Trinidad & Tobago
Tunisia
Turkey
Turkmenistan
Turks & Caicos Islands
Tuvalu
U.S. Outlying Islands
U.S. Virgin Islands
Uganda
Ukraine
Uruguay
Uzbekistan
Vanuatu
Vatican City
Venezuela
Wallis & Futuna
Yemen
Zambia
Zimbabwe


















