TPS27081ADDCR High-Side Load Switch: Diagram, Pinout, and Datasheet
0.95mm PMIC TPS27081 6 Pin 5V SOT-23-6 Thin, TSOT-23-6
The TPS27081ADDCR is a load switch that can handle up to 8 volts and 3 amps. This article mainly introduces Diagram, Pinout, Datasheet and other detailed information about Texas Instruments TPS27081ADDCR.

Transistor as a switch - low side or high side
- TPS27081ADDCR Description
- TPS27081ADDCR Pinout
- TPS27081ADDCR CAD Model
- TPS27081ADDCR Features
- Specifications
- Parts with Similar Specs
- TPS27081ADDCR Functional Block Diagram
- TPS27081ADDCR Simplified Schematic
- TPS27081ADDCR Layout
- TPS27081ADDCR Typical Application
- TPS27081ADDCR Applications
- TPS27081ADDCR Package
- TPS27081ADDCR Manufacturer
- Trend Analysis
- Datasheet PDF
TPS27081ADDCR Description
The TPS27081ADDCR is a load switch that can handle up to 8 volts and 3 amps. The device uses an ultra-low resistance P-channel MOSFET to reduce voltage drop for low voltage and high current rails, lowering the dropout voltage via the device.
The device includes a customizable slew rate that aids in reducing or eliminating power supply droop caused by large inrush currents. The device exhibits very low leakage currents when it is turned off.
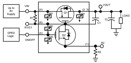
The TPS27081ADDCR combines a Power PFET and a Control NFET into a single small package, and has ESD protection on all pins, allowing for better ESD compatibility with other onboard components.
The TPS27081ADDCR level shifts ON/OFF logic signals to VIN levels and supports CPU or MCU logic as low as 1-V to manage higher voltage power sources without the need for an external level-shifter.
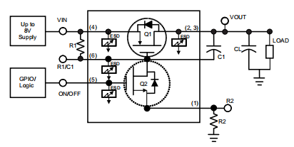
Using a quick ON/OFF logic signal to switch a large value output capacitor CL may result in an excessive inrush current. Connect a resistor R2 and an external capacitor C1 as illustrated in the Simplified Schematic to manage the load inrush current. Refer to the Application and Implementation section to set the TPS27081ADDCR to obtain a specific slew rate.
In standby power switch applications, a single pullup resistor R1 is required. When inrush current regulation is not required, connect the R2 pin of the TPS27081ADDCR to system ground in such situations.
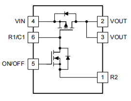
TPS27081ADDCR Pinout
The following shows TPS27081ADDCR Pinout.

Pinout
| Pin Number | Pin Name | Description |
| 5 | ON/OFF | Active high enable. When driven with a high-impedance driver, connect an external pull down resistor to GND |
| 6 | R1/C1 | Gate terminal of power PFET (Q1) |
| 1 | R2 | Source terminal of NMOS (Q2) . Connect to system GND directly or through a slew rate control resistor |
| 4 | VIN | Source terminal of power PFET (Q1). Connect a pull-up resistor between the pins VIN/R1 and R1/C1 |
| 2,3 | VOUT | Drain terminal of power PFET (Q1). Connect a slew control capacitor between pins VOUT and R1/C1 |
TPS27081ADDCR CAD Model
TPS27081ADDCR Features
• Low ON-Resistance, High-Current PFET
– RDS(on) = 32 mΩ at VGS = –4.5 V
– RDS(on) = 44 mΩ at VGS = –3 V
– RDS(on) = 82 mΩ at VGS = –1.8 V
– RDS(on) = 93 mΩ at VGS = –1.5 V
– RDS(on) = 155 mΩ at VGS = –1.2 V
• Adjustable Turnon and Turnoff Slew Rate Control Through External R1, R2, and C1
• Supports a Wide Range of 1.2-V to 8-V Supply Inputs
• Integrated NMOS for PFET Control
• NMOS ON/OFF Supports a Wide Range of 1-V to 8-V Control Logic Interface
• Full ESD Protection (All Pins)
– HBM 2 kV, CDM 500 V
• Ultra-Low Leakage Current in Standby (Typical 100 nA)
• Available in Tiny 6-Pin Package
– 2.9 mm × 2.8 mm × 0.75 mm SOT (DDC)
Specifications
- TypeParameter
- Lifecycle Status
Lifecycle Status refers to the current stage of an electronic component in its product life cycle, indicating whether it is active, obsolete, or transitioning between these states. An active status means the component is in production and available for purchase. An obsolete status indicates that the component is no longer being manufactured or supported, and manufacturers typically provide a limited time frame for support. Understanding the lifecycle status is crucial for design engineers to ensure continuity and reliability in their projects.
ACTIVE (Last Updated: 5 days ago) - Factory Lead Time6 Weeks
- Mount
In electronic components, the term "Mount" typically refers to the method or process of physically attaching or fixing a component onto a circuit board or other electronic device. This can involve soldering, adhesive bonding, or other techniques to secure the component in place. The mounting process is crucial for ensuring proper electrical connections and mechanical stability within the electronic system. Different components may have specific mounting requirements based on their size, shape, and function, and manufacturers provide guidelines for proper mounting procedures to ensure optimal performance and reliability of the electronic device.
Surface Mount - Mounting Type
The "Mounting Type" in electronic components refers to the method used to attach or connect a component to a circuit board or other substrate, such as through-hole, surface-mount, or panel mount.
Surface Mount - Package / Case
refers to the protective housing that encases an electronic component, providing mechanical support, electrical connections, and thermal management.
SOT-23-6 Thin, TSOT-23-6 - Number of Pins6
- Weight36.003894mg
- Operating Temperature
The operating temperature is the range of ambient temperature within which a power supply, or any other electrical equipment, operate in. This ranges from a minimum operating temperature, to a peak or maximum operating temperature, outside which, the power supply may fail.
-40°C~85°C TA - Packaging
Semiconductor package is a carrier / shell used to contain and cover one or more semiconductor components or integrated circuits. The material of the shell can be metal, plastic, glass or ceramic.
Cut Tape (CT) - JESD-609 Code
The "JESD-609 Code" in electronic components refers to a standardized marking code that indicates the lead-free solder composition and finish of electronic components for compliance with environmental regulations.
e3 - Pbfree Code
The "Pbfree Code" parameter in electronic components refers to the code or marking used to indicate that the component is lead-free. Lead (Pb) is a toxic substance that has been widely used in electronic components for many years, but due to environmental concerns, there has been a shift towards lead-free alternatives. The Pbfree Code helps manufacturers and users easily identify components that do not contain lead, ensuring compliance with regulations and promoting environmentally friendly practices. It is important to pay attention to the Pbfree Code when selecting electronic components to ensure they meet the necessary requirements for lead-free applications.
yes - Part Status
Parts can have many statuses as they progress through the configuration, analysis, review, and approval stages.
Active - Moisture Sensitivity Level (MSL)
Moisture Sensitivity Level (MSL) is a standardized rating that indicates the susceptibility of electronic components, particularly semiconductors, to moisture-induced damage during storage and the soldering process, defining the allowable exposure time to ambient conditions before they require special handling or baking to prevent failures
1 (Unlimited) - Number of Terminations6
- ECCN Code
An ECCN (Export Control Classification Number) is an alphanumeric code used by the U.S. Bureau of Industry and Security to identify and categorize electronic components and other dual-use items that may require an export license based on their technical characteristics and potential for military use.
EAR99 - Resistance
Resistance is a fundamental property of electronic components that measures their opposition to the flow of electric current. It is denoted by the symbol "R" and is measured in ohms (Ω). Resistance is caused by the collisions of electrons with atoms in a material, which generates heat and reduces the flow of current. Components with higher resistance will impede the flow of current more than those with lower resistance. Resistance plays a crucial role in determining the behavior and functionality of electronic circuits, such as limiting current flow, voltage division, and controlling power dissipation.
82mOhm - Terminal Finish
Terminal Finish refers to the surface treatment applied to the terminals or leads of electronic components to enhance their performance and longevity. It can improve solderability, corrosion resistance, and overall reliability of the connection in electronic assemblies. Common finishes include nickel, gold, and tin, each possessing distinct properties suitable for various applications. The choice of terminal finish can significantly impact the durability and effectiveness of electronic devices.
Matte Tin (Sn) - Max Power Dissipation
The maximum power that the MOSFET can dissipate continuously under the specified thermal conditions.
1.19W - Terminal Position
In electronic components, the term "Terminal Position" refers to the physical location of the connection points on the component where external electrical connections can be made. These connection points, known as terminals, are typically used to attach wires, leads, or other components to the main body of the electronic component. The terminal position is important for ensuring proper connectivity and functionality of the component within a circuit. It is often specified in technical datasheets or component specifications to help designers and engineers understand how to properly integrate the component into their circuit designs.
DUAL - Terminal Form
Occurring at or forming the end of a series, succession, or the like; closing; concluding.
GULL WING - Peak Reflow Temperature (Cel)
Peak Reflow Temperature (Cel) is a parameter that specifies the maximum temperature at which an electronic component can be exposed during the reflow soldering process. Reflow soldering is a common method used to attach electronic components to a circuit board. The Peak Reflow Temperature is crucial because it ensures that the component is not damaged or degraded during the soldering process. Exceeding the specified Peak Reflow Temperature can lead to issues such as component failure, reduced performance, or even permanent damage to the component. It is important for manufacturers and assemblers to adhere to the recommended Peak Reflow Temperature to ensure the reliability and functionality of the electronic components.
260 - Number of Functions1
- Supply Voltage
Supply voltage refers to the electrical potential difference provided to an electronic component or circuit. It is crucial for the proper operation of devices, as it powers their functions and determines performance characteristics. The supply voltage must be within specified limits to ensure reliability and prevent damage to components. Different electronic devices have specific supply voltage requirements, which can vary widely depending on their design and intended application.
5V - Terminal Pitch
The center distance from one pole to the next.
0.95mm - Base Part Number
The "Base Part Number" (BPN) in electronic components serves a similar purpose to the "Base Product Number." It refers to the primary identifier for a component that captures the essential characteristics shared by a group of similar components. The BPN provides a fundamental way to reference a family or series of components without specifying all the variations and specific details.
TPS27081 - Number of Outputs1
- Max Output Current
The maximum current that can be supplied to the load.
3A - Supply Voltage-Max (Vsup)
The parameter "Supply Voltage-Max (Vsup)" in electronic components refers to the maximum voltage that can be safely applied to the component without causing damage. It is an important specification to consider when designing or using electronic circuits to ensure the component operates within its safe operating limits. Exceeding the maximum supply voltage can lead to overheating, component failure, or even permanent damage. It is crucial to adhere to the specified maximum supply voltage to ensure the reliable and safe operation of the electronic component.
8V - Supply Voltage-Min (Vsup)
The parameter "Supply Voltage-Min (Vsup)" in electronic components refers to the minimum voltage level required for the component to operate within its specified performance range. This parameter indicates the lowest voltage that can be safely applied to the component without risking damage or malfunction. It is crucial to ensure that the supply voltage provided to the component meets or exceeds this minimum value to ensure proper functionality and reliability. Failure to adhere to the specified minimum supply voltage may result in erratic behavior, reduced performance, or even permanent damage to the component.
1V - Interface
In electronic components, the term "Interface" refers to the point at which two different systems, devices, or components connect and interact with each other. It can involve physical connections such as ports, connectors, or cables, as well as communication protocols and standards that facilitate the exchange of data or signals between the connected entities. The interface serves as a bridge that enables seamless communication and interoperability between different parts of a system or between different systems altogether. Designing a reliable and efficient interface is crucial in ensuring proper functionality and performance of electronic components and systems.
On/Off - Output Configuration
Output Configuration in electronic components refers to the arrangement or setup of the output pins or terminals of a device. It defines how the output signals are structured and how they interact with external circuits or devices. The output configuration can determine the functionality and compatibility of the component in a circuit design. Common types of output configurations include single-ended, differential, open-drain, and push-pull configurations, each serving different purposes and applications in electronic systems. Understanding the output configuration of a component is crucial for proper integration and operation within a circuit.
High Side - Power Dissipation
the process by which an electronic or electrical device produces heat (energy loss or waste) as an undesirable derivative of its primary action.
1.19W - Output Current
The rated output current is the maximum load current that a power supply can provide at a specified ambient temperature. A power supply can never provide more current that it's rated output current unless there is a fault, such as short circuit at the load.
3A - Voltage - Supply (Vcc/Vdd)
Voltage - Supply (Vcc/Vdd) is a key parameter in electronic components that specifies the voltage level required for the proper operation of the device. It represents the power supply voltage that needs to be provided to the component for it to function correctly. This parameter is crucial as supplying the component with the correct voltage ensures that it operates within its specified limits and performance characteristics. It is typically expressed in volts (V) and is an essential consideration when designing and using electronic circuits to prevent damage and ensure reliable operation.
Not Required - Switch Type
Based on their characteristics, there are basically three types of switches: Linear switches, tactile switches and clicky switches.
General Purpose - Nominal Input Voltage
The actual voltage at which a circuit operates can vary from the nominal voltage within a range that permits satisfactory operation of equipment. The word “nominal” means “named”.
8V - Ratio - Input:Output
The parameter "Ratio - Input:Output" in electronic components refers to the relationship between the input and output quantities of a device or system. It is a measure of how the input signal or energy is transformed or converted into the output signal or energy. This ratio is often expressed as a numerical value or percentage, indicating the efficiency or effectiveness of the component in converting the input to the desired output. A higher ratio typically signifies better performance or higher efficiency, while a lower ratio may indicate losses or inefficiencies in the conversion process. Understanding and optimizing the input-output ratio is crucial in designing and evaluating electronic components for various applications.
1:1 - Voltage - Load
Voltage - Load refers to the voltage across a load component in an electronic circuit when it is connected and operational. It represents the electrical potential difference that drives current through the load, which can be a resistor, motor, or other devices that consume electrical power. The voltage - load relationship is crucial for determining how much power the load will utilize and how it will affect the overall circuit performance. Properly managing voltage - load is essential for ensuring devices operate efficiently and safely within their specified limits.
1.2V~8V - Number of Drivers2
- Rds On (Typ)
The parameter "Rds On (Typ)" in electronic components refers to the typical on-state resistance of a MOSFET (Metal-Oxide-Semiconductor Field-Effect Transistor) when it is fully conducting. This parameter indicates the resistance encountered by the current flowing through the MOSFET when it is in the on-state, which affects the power dissipation and efficiency of the component. A lower Rds On value indicates better conduction and lower power loss in the MOSFET. Designers often consider this parameter when selecting components for applications where minimizing power loss and maximizing efficiency are critical factors.
32m Ω - Built-in Protections
Built-in protections in electronic components refer to the safety features and mechanisms that are integrated into the component to prevent damage or malfunction in various situations. These protections are designed to safeguard the component from overvoltage, overcurrent, overheating, short circuits, and other potential hazards that could occur during operation. By having built-in protections, electronic components can operate more reliably and safely, extending their lifespan and reducing the risk of failure. These protections are essential for ensuring the overall performance and longevity of electronic devices and systems.
TRANSIENT - Features
In the context of electronic components, the term "Features" typically refers to the specific characteristics or functionalities that a particular component offers. These features can vary depending on the type of component and its intended use. For example, a microcontroller may have features such as built-in memory, analog-to-digital converters, and communication interfaces like UART or SPI.When evaluating electronic components, understanding their features is crucial in determining whether they meet the requirements of a particular project or application. Engineers and designers often look at features such as operating voltage, speed, power consumption, and communication protocols to ensure compatibility and optimal performance.In summary, the "Features" parameter in electronic components describes the unique attributes and capabilities that differentiate one component from another, helping users make informed decisions when selecting components for their electronic designs.
Slew Rate Controlled - Height1.1mm
- Length2.9mm
- Width1.6mm
- Thickness
Thickness in electronic components refers to the measurement of how thick a particular material or layer is within the component structure. It can pertain to various aspects, such as the thickness of a substrate, a dielectric layer, or conductive traces. This parameter is crucial as it impacts the electrical, mechanical, and thermal properties of the component, influencing its performance and reliability in electronic circuits.
870μm - REACH SVHC
The parameter "REACH SVHC" in electronic components refers to the compliance with the Registration, Evaluation, Authorization, and Restriction of Chemicals (REACH) regulation regarding Substances of Very High Concern (SVHC). SVHCs are substances that may have serious effects on human health or the environment, and their use is regulated under REACH to ensure their safe handling and minimize their impact.Manufacturers of electronic components need to declare if their products contain any SVHCs above a certain threshold concentration and provide information on the safe use of these substances. This information allows customers to make informed decisions about the potential risks associated with using the components and take appropriate measures to mitigate any hazards.Ensuring compliance with REACH SVHC requirements is essential for electronics manufacturers to meet regulatory standards, protect human health and the environment, and maintain transparency in their supply chain. It also demonstrates a commitment to sustainability and responsible manufacturing practices in the electronics industry.
No SVHC - Radiation Hardening
Radiation hardening is the process of making electronic components and circuits resistant to damage or malfunction caused by high levels of ionizing radiation, especially for environments in outer space (especially beyond the low Earth orbit), around nuclear reactors and particle accelerators, or during nuclear accidents or nuclear warfare.
No - RoHS Status
RoHS means “Restriction of Certain Hazardous Substances” in the “Hazardous Substances Directive” in electrical and electronic equipment.
ROHS3 Compliant - Lead Free
Lead Free is a term used to describe electronic components that do not contain lead as part of their composition. Lead is a toxic material that can have harmful effects on human health and the environment, so the electronics industry has been moving towards lead-free components to reduce these risks. Lead-free components are typically made using alternative materials such as silver, copper, and tin. Manufacturers must comply with regulations such as the Restriction of Hazardous Substances (RoHS) directive to ensure that their products are lead-free and environmentally friendly.
Lead Free
Parts with Similar Specs
- ImagePart NumberManufacturerPackage / CaseNumber of PinsNumber of OutputsMax Output CurrentOutput CurrentInterfaceRoHS StatusMoisture Sensitivity Level (MSL)View Compare
TPS27081ADDCR
SOT-23-6 Thin, TSOT-23-6
6
1
3 A
3 A
On/Off
ROHS3 Compliant
1 (Unlimited)
SOT-23-6
6
1
1.8 A
1.8 A
On/Off
ROHS3 Compliant
1 (Unlimited)
SOT-23-6
6
1
900 mA
-
On/Off
ROHS3 Compliant
1 (Unlimited)
SOT-23-6
6
1
2.5 A
-
On/Off
ROHS3 Compliant
1 (Unlimited)
SOT-23-6
6
1
2.5 A
-
On/Off
ROHS3 Compliant
1 (Unlimited)
TPS27081ADDCR Functional Block Diagram
TPS27081ADDCR Simplified Schematic
TPS27081ADDCR Layout
Use proper PCB layout techniques for the device's optimal operating performance, such as:
• VIN and VOUT traces should be as short and wide as feasible to allow high current.
• Ceramic bypass capacitors with low ESR should be used to connect the VIN pin to ground. 1-F ceramic with X5R or X7R dielectric is a standard recommended bypass capacitance. This capacitor should be as close as feasible to the device pins.
• Ceramic bypass capacitors with low ESR should be used to connect the VOUT pin to ground. The suggested bypass capacitance is one-tenth of the VIN bypass capacitor with dielectric ratings of X5R or X7R.
This capacitor should be as close as feasible to the device pins.

Layout
TPS27081ADDCR Typical Application
Standard Load Switching Application
The TPS27081ADDCR is a high-side load switch with a power PFET and a control NMOS integrated in a small package. Internal components of the device are rated for an 8-V supply and can handle up to 3 A of load current.
The device can be used for a wide range of purposes. The TPS27081ADDCR device is used to manage the load inrush current as shown in the diagram below.

Standard Application Diagram
TPS27081ADDCR Applications
• High-Side Load Switches
• Inrush Current Control
• Power Sequencing and Control
• Standby Power Isolation
• Portable Power Switches
TPS27081ADDCR Package
TPS27081ADDCR Manufacturer
Texas Instruments Incorporated (TI) is an American technology corporation based in Dallas, Texas, that creates and manufactures semiconductors and integrated circuits for electronic designers and manufacturers around the world. Based on sales volume, it is one of the top ten semiconductor businesses in the world. Analog chips and embedded processors, which account for more than 80% of the company's revenue, are the company's main focus. TI also makes calculators, microcontrollers, and multi-core processors, as well as TI digital light processing technologies and education technology.
Trend Analysis
Datasheet PDF
- PCN Assembly/Origin :
What does a high side switch do?
High-side switches can safely drive high currents into complex (resistive, inductive, and capacitive) grounded loads in compliance with the harsh automotive environment. This requires both a robust, low on-resistance power switch and accurate analog circuitry for diagnostic, protection, and control functions.
What is the high and low side of a switch?
The low-side switch is switching ground while the high-side switch is connecting the voltage supply. Generally in a circuit, you want to keep the ground connected and switch the power.
What is load switching?
A load switch is simply a switch, mechanical or electronic, that connects or disconnects a load to the high side of a power source. A wall light switch is a load switch. Any off/on switch on an appliance or electronic product is a load switch. A relay can be a load switch.
How many volts does the TPS27081ADDCR handle?
8 volts and 3 amps.
What type of P-channel MOSFET does the TPS27081ADDCR use?
Ultra-low resistance.
What is the slew rate of the TPS27081ADDCR?
Reducing or eliminating power supply droop.
What does the TPS27081ADDCR exhibit when it is turned off?
Very low leakage currents.
What two components does the TPS27081ADDCR combine into a single small package?
Power PFET and a Control NFET.
What does the TPS27081ADDCR support as low as 1-V to manage higher voltage power sources without the need for an external level-shifter?
CPU or MCU logic.
What happens when using a quick ON/OFF logic signal to switch a large value output capacitor CL?
Using a quick ON/OFF logic signal to switch a large value output capacitor CL may result in an excessive inrush current.
In what document is the TPS27081ADDCR illustrated?
Simplified Schematic.
What section of the TPS27081ADDCR provides a specific slew rate?
Application and Implementation.
What is required in standby power switch applications?
A single pullup resistor R1.
What pin does the TPS27081ADDCR connect to when inrush current regulation is not required?
R2 pin.
STP55NF06L Power MOSFET: Pinout, Features, and Datasheet11 September 20213594
UC3845 PWM Controller: Circuit, Pinout, and Datasheet [Video&FAQ]09 October 202158365
KSZ9031RNXIA Transceiver Full Ethernet 48-QFN: KSZ9031RNXIA VS KSZ9021RN, Datasheet, and Equivalents10 February 20222692
ST-LINK/V2 Programmer/Debugger/Emulators STM8 and STM32 microcontrollers: Datasheet, Pinout14 January 202217308
BAV199 Low Leakage Diode: 85V 140MA SOT323, BAV199 Dual Surface Mount and Datasheet19 January 20222716
A Comprehensive Guide to S-24CS08ADP-1G Memory Module by ABLIC U.S.A. Inc.07 March 2024260
2SK3878 Field Effect Transistor: Equivalent, Datasheet and Diagram24 February 202213368
STM32F302RCT6 Microcontroller: 32-Bit, 64-LQFP, Pinout and Datasheet17 January 2022729
What is 3D Printing Technology (3DP)?18 January 20223718
PWM vs MPPT Solar Charge Controllers: A Complete Comparison Guide06 June 20252913
BYD Semiconductor Terminates IPO Application for the Fourth Time22 February 20233571
Basic Introduction to Metal Film Resistor28 August 202013072
Meta-Vision for CMOS Image Sensors: Beyond the Human Eye15 March 20222528
How New Battery Charger Technology is Shaping the Future10 July 2025738
Chiplet Brings Change to the Business Model of IP Design Companies05 September 20224155
What are Programmable Logic Controllers?07 September 20202960
Texas Instruments
In Stock: 30000
United States
China
Canada
Japan
Russia
Germany
United Kingdom
Singapore
Italy
Hong Kong(China)
Taiwan(China)
France
Korea
Mexico
Netherlands
Malaysia
Austria
Spain
Switzerland
Poland
Thailand
Vietnam
India
United Arab Emirates
Afghanistan
Åland Islands
Albania
Algeria
American Samoa
Andorra
Angola
Anguilla
Antigua & Barbuda
Argentina
Armenia
Aruba
Australia
Azerbaijan
Bahamas
Bahrain
Bangladesh
Barbados
Belarus
Belgium
Belize
Benin
Bermuda
Bhutan
Bolivia
Bonaire, Sint Eustatius and Saba
Bosnia & Herzegovina
Botswana
Brazil
British Indian Ocean Territory
British Virgin Islands
Brunei
Bulgaria
Burkina Faso
Burundi
Cabo Verde
Cambodia
Cameroon
Cayman Islands
Central African Republic
Chad
Chile
Christmas Island
Cocos (Keeling) Islands
Colombia
Comoros
Congo
Congo (DRC)
Cook Islands
Costa Rica
Côte d’Ivoire
Croatia
Cuba
Curaçao
Cyprus
Czechia
Denmark
Djibouti
Dominica
Dominican Republic
Ecuador
Egypt
El Salvador
Equatorial Guinea
Eritrea
Estonia
Eswatini
Ethiopia
Falkland Islands
Faroe Islands
Fiji
Finland
French Guiana
French Polynesia
Gabon
Gambia
Georgia
Ghana
Gibraltar
Greece
Greenland
Grenada
Guadeloupe
Guam
Guatemala
Guernsey
Guinea
Guinea-Bissau
Guyana
Haiti
Honduras
Hungary
Iceland
Indonesia
Iran
Iraq
Ireland
Isle of Man
Israel
Jamaica
Jersey
Jordan
Kazakhstan
Kenya
Kiribati
Kosovo
Kuwait
Kyrgyzstan
Laos
Latvia
Lebanon
Lesotho
Liberia
Libya
Liechtenstein
Lithuania
Luxembourg
Macao(China)
Madagascar
Malawi
Maldives
Mali
Malta
Marshall Islands
Martinique
Mauritania
Mauritius
Mayotte
Micronesia
Moldova
Monaco
Mongolia
Montenegro
Montserrat
Morocco
Mozambique
Myanmar
Namibia
Nauru
Nepal
New Caledonia
New Zealand
Nicaragua
Niger
Nigeria
Niue
Norfolk Island
North Korea
North Macedonia
Northern Mariana Islands
Norway
Oman
Pakistan
Palau
Palestinian Authority
Panama
Papua New Guinea
Paraguay
Peru
Philippines
Pitcairn Islands
Portugal
Puerto Rico
Qatar
Réunion
Romania
Rwanda
Samoa
San Marino
São Tomé & Príncipe
Saudi Arabia
Senegal
Serbia
Seychelles
Sierra Leone
Sint Maarten
Slovakia
Slovenia
Solomon Islands
Somalia
South Africa
South Sudan
Sri Lanka
St Helena, Ascension, Tristan da Cunha
St. Barthélemy
St. Kitts & Nevis
St. Lucia
St. Martin
St. Pierre & Miquelon
St. Vincent & Grenadines
Sudan
Suriname
Svalbard & Jan Mayen
Sweden
Syria
Tajikistan
Tanzania
Timor-Leste
Togo
Tokelau
Tonga
Trinidad & Tobago
Tunisia
Turkey
Turkmenistan
Turks & Caicos Islands
Tuvalu
U.S. Outlying Islands
U.S. Virgin Islands
Uganda
Ukraine
Uruguay
Uzbekistan
Vanuatu
Vatican City
Venezuela
Wallis & Futuna
Yemen
Zambia
Zimbabwe


Product
Brand
Articles
Tools


























