LP5018RSMR LED Driver: Datasheet, Alternatives, CAD Models
0.4mm PMIC LP5018 15MHz 3.3V 32-VFQFN Exposed Pad
The LP5018RSMR device is an 18- or 24-channel constant-current-sink LED driver. This article is going to introduce LP5018RSMR from the perspectives of datasheet, package, manufacturer, and specification.
- LP5018RSMR Description
- LP5018RSMR Applications
- LP5018RSMR Functional Block Diagram
- LP5018RSMR Features
- LP5018RSMR CAD Models
- Specifications
- LP5018RSMR Dimensions
- LP5018RSMR Package
- LP5018RSMR Pin Configuration and Functions
- LP5018RSMR Advantages
- LP5018RSMR Alternatives
- Trend Analysis
- Datasheet PDF
- Parts with Similar Specs
LP5018RSMR Description
High-performance RGB LED drivers are required in smart homes and other applications that use human-machine interaction. Flashing, breathing, and chasing LED animation effects substantially enhance the user experience, and system noise must be kept to a minimum.
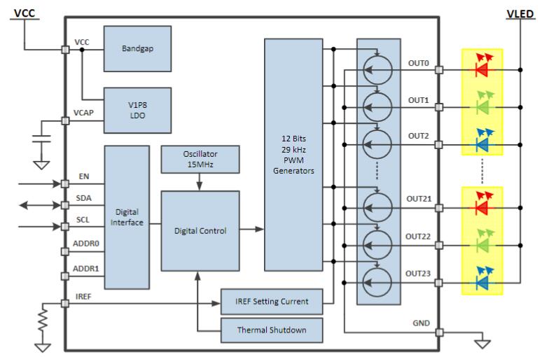
The LP5018RSMR is a constant current sink LED driver with 18 or 24 channels. Pre-configuration streamlines the software coding process for the LP5018RSMR device, which provides integrated color mixing and brightness control. For each channel, integrated 12 -bit, 29 kHz PWM generators provide smooth, vibrant color and reduce perceptible noise.
LP5018RSMR Applications
LED Lighting, Indicator Lights, and Fun Lights for:
• Smart Speaker (With Voice Assistant)
• Smart Home Appliances
• Video Doorbell
• Electronic Smart Lock
• Smoke and Heat Detector
• STB and DVR
• Smart Router
• Handheld Device
LP5018RSMR Functional Block Diagram

LP5018RSMR Features
Operating Voltage Range:
– VCC Range: 2.7 V to 5.5 V
– EN, SDA, and SCL Pins Compatible With 1.8-V, 3.3-V, and 5-V Power Rails
– Output Maximum Voltage: 6 V
24 Constant-Current Sinks With High Precision
– 25.5 mA Maximum per Channel With VCC in Full Range
– 35 mA Maximum per Channel When VCC ≥ 3.3V
– Device-to-Device Error: ±7%; Channel-to channel Error: ±7%
Ultralow Quiescent Current:
– Shutdown Mode: 1 µA (Maximum) With EN Low
– Power Saving Mode: 10 µA (Typical) With EN High and All LEDs Off for > 30 ms
Integrated 12-Bit, 29-kHz PWM Generator for Each Channel:
– Independent Color-Mixing Register Per Channel
– Independent Brightness-Control Register Per RGB LED Module
– Optional Logarithmic- or Linear-Scale Brightness Control
– Integrated 3-Phase PWM-Shifting Scheme
3 Programmable Banks (R, G, B) for Easy Software Control of Each Color
2 External Hardware Address Pins Allow Connecting up to 4 Devices
Broadcast Slave Address Allows Configuring Multiple Devices Simultaneously
Auto-Increment Allows Writing or Reading Consecutive Registers Within One Transmission
Up to 400-kHz Fast-Mode I2C Speed
LP5018RSMR CAD Models
Symbol

Footprint

3D Models

Specifications
- TypeParameter
- Factory Lead Time12 Weeks
- Mounting Type
The "Mounting Type" in electronic components refers to the method used to attach or connect a component to a circuit board or other substrate, such as through-hole, surface-mount, or panel mount.
Surface Mount - Package / Case
refers to the protective housing that encases an electronic component, providing mechanical support, electrical connections, and thermal management.
32-VFQFN Exposed Pad - Surface Mount
having leads that are designed to be soldered on the side of a circuit board that the body of the component is mounted on.
YES - Operating Temperature
The operating temperature is the range of ambient temperature within which a power supply, or any other electrical equipment, operate in. This ranges from a minimum operating temperature, to a peak or maximum operating temperature, outside which, the power supply may fail.
-40°C~85°C TA - Packaging
Semiconductor package is a carrier / shell used to contain and cover one or more semiconductor components or integrated circuits. The material of the shell can be metal, plastic, glass or ceramic.
Tape & Reel (TR) - JESD-609 Code
The "JESD-609 Code" in electronic components refers to a standardized marking code that indicates the lead-free solder composition and finish of electronic components for compliance with environmental regulations.
e4 - Pbfree Code
The "Pbfree Code" parameter in electronic components refers to the code or marking used to indicate that the component is lead-free. Lead (Pb) is a toxic substance that has been widely used in electronic components for many years, but due to environmental concerns, there has been a shift towards lead-free alternatives. The Pbfree Code helps manufacturers and users easily identify components that do not contain lead, ensuring compliance with regulations and promoting environmentally friendly practices. It is important to pay attention to the Pbfree Code when selecting electronic components to ensure they meet the necessary requirements for lead-free applications.
yes - Part Status
Parts can have many statuses as they progress through the configuration, analysis, review, and approval stages.
Active - Moisture Sensitivity Level (MSL)
Moisture Sensitivity Level (MSL) is a standardized rating that indicates the susceptibility of electronic components, particularly semiconductors, to moisture-induced damage during storage and the soldering process, defining the allowable exposure time to ambient conditions before they require special handling or baking to prevent failures
2 (1 Year) - Number of Terminations32
- TypeLinear
- Terminal Finish
Terminal Finish refers to the surface treatment applied to the terminals or leads of electronic components to enhance their performance and longevity. It can improve solderability, corrosion resistance, and overall reliability of the connection in electronic assemblies. Common finishes include nickel, gold, and tin, each possessing distinct properties suitable for various applications. The choice of terminal finish can significantly impact the durability and effectiveness of electronic devices.
Nickel/Palladium/Gold (Ni/Pd/Au) - Applications
The parameter "Applications" in electronic components refers to the specific uses or functions for which a component is designed. It encompasses various fields such as consumer electronics, industrial automation, telecommunications, automotive, and medical devices. Understanding the applications helps in selecting the right components for a particular design based on performance, reliability, and compatibility requirements. This parameter also guides manufacturers in targeting their products to relevant markets and customer needs.
Lighting - Terminal Position
In electronic components, the term "Terminal Position" refers to the physical location of the connection points on the component where external electrical connections can be made. These connection points, known as terminals, are typically used to attach wires, leads, or other components to the main body of the electronic component. The terminal position is important for ensuring proper connectivity and functionality of the component within a circuit. It is often specified in technical datasheets or component specifications to help designers and engineers understand how to properly integrate the component into their circuit designs.
QUAD - Number of Functions1
- Supply Voltage
Supply voltage refers to the electrical potential difference provided to an electronic component or circuit. It is crucial for the proper operation of devices, as it powers their functions and determines performance characteristics. The supply voltage must be within specified limits to ensure reliability and prevent damage to components. Different electronic devices have specific supply voltage requirements, which can vary widely depending on their design and intended application.
3.3V - Terminal Pitch
The center distance from one pole to the next.
0.4mm - Frequency
In electronic components, the parameter "Frequency" refers to the rate at which a signal oscillates or cycles within a given period of time. It is typically measured in Hertz (Hz) and represents how many times a signal completes a full cycle in one second. Frequency is a crucial aspect in electronic components as it determines the behavior and performance of various devices such as oscillators, filters, and communication systems. Understanding the frequency characteristics of components is essential for designing and analyzing electronic circuits to ensure proper functionality and compatibility with other components in a system.
15MHz - Base Part Number
The "Base Part Number" (BPN) in electronic components serves a similar purpose to the "Base Product Number." It refers to the primary identifier for a component that captures the essential characteristics shared by a group of similar components. The BPN provides a fundamental way to reference a family or series of components without specifying all the variations and specific details.
LP5018 - JESD-30 Code
JESD-30 Code refers to a standardized descriptive designation system established by JEDEC for semiconductor-device packages. This system provides a systematic method for generating designators that convey essential information about the package's physical characteristics, such as size and shape, which aids in component identification and selection. By using JESD-30 codes, manufacturers and engineers can ensure consistency and clarity in the specification of semiconductor packages across various applications and industries.
S-PQCC-N32 - Number of Outputs18
- Voltage - Output
Voltage - Output is a parameter that refers to the electrical potential difference between the output terminal or pin of an electronic component and a reference point, typically ground. It indicates the level of voltage that the component is capable of providing at its output under specified operating conditions. This parameter is crucial in determining the performance and functionality of the component in a circuit, as it directly affects the signal or power being delivered to other components or devices connected to the output. Engineers and designers use the voltage output specification to ensure compatibility and proper functioning of the component within the overall system.
0V~5.5V - Internal Switch(s)
The term "Internal Switch(s)" in electronic components typically refers to a built-in mechanism within a device that allows for the control of electrical current flow. These internal switches can be used to turn circuits on or off, change the direction of current, or regulate the flow of electricity within the component. They are often designed to be controlled externally, either manually or automatically, to enable various functions or operations within the electronic device. Internal switches play a crucial role in the overall functionality and performance of electronic components by providing a means to manage and manipulate electrical signals effectively.
No - fmax-Min
fmax-Min refers to the frequency range that an electronic component or system can operate within. It represents the difference between the maximum frequency (fmax) and the minimum frequency (Min) limits of operation. This parameter is crucial in defining the bandwidth of the component, indicating how effectively it can transmit or receive signals over that range. A wider fmax-Min value typically signifies better performance for applications that require broad frequency response.
0.4 MHz - Dimming
Dimming is a feature in electronic components, such as LED lights or display screens, that allows the user to adjust the brightness level of the device. It is a method of controlling the amount of light output by the component, typically by varying the voltage or current supplied to it. Dimming can be achieved through various techniques, such as pulse-width modulation (PWM) or analog dimming. This feature is commonly used to save energy, create ambiance, or enhance visual comfort in different applications.
I2C - Number of Segments24
- Voltage - Supply (Max)
Voltage - Supply (Max) is a parameter in electronic components that specifies the maximum voltage that can be safely applied to the component for proper operation. This parameter is crucial for ensuring the component's longevity and preventing damage due to overvoltage conditions. Exceeding the maximum supply voltage can lead to component failure, reduced performance, or even permanent damage. Designers must carefully consider this parameter when selecting components and designing circuits to ensure reliable and safe operation within the specified voltage limits.
5.5V - Voltage - Supply (Min)
Voltage - Supply (Min) is a parameter in electronic components that specifies the minimum voltage required for the component to operate within its specified performance range. This parameter indicates the lowest voltage level that can be safely applied to the component without causing malfunctions or damage. It is crucial to ensure that the supply voltage provided to the component is equal to or higher than the specified minimum voltage to guarantee proper functionality and reliability. Failure to meet this requirement may result in erratic behavior, reduced performance, or even permanent damage to the component.
2.7V - Multiplexed Display Capability
Multiplexed Display Capability refers to the ability of an electronic component or system to control multiple display elements using fewer input/output lines. This is achieved by rapidly switching between different displays or segments, allowing for efficient communication and reduced wiring complexity. In multiplexed systems, each display is activated sequentially, creating the illusion of simultaneous display to the user. This capability is commonly utilized in devices like LED matrices and LCD screens to enhance functionality while conserving space and resources.
NO - Data Input Mode
Data Input Mode in electronic components refers to the specific method or protocol used to input data into the component. This parameter determines how data is received and processed by the component, whether it be through serial communication, parallel communication, or other interfaces. The data input mode is crucial for ensuring compatibility and proper functioning of the component within a larger electronic system. Understanding and configuring the data input mode correctly is essential for effective data transfer and communication between different components in a circuit or system.
SERIAL - Length4mm
- Height Seated (Max)
Height Seated (Max) is a parameter in electronic components that refers to the maximum allowable height of the component when it is properly seated or installed on a circuit board or within an enclosure. This specification is crucial for ensuring proper fit and alignment within the overall system design. Exceeding the maximum seated height can lead to mechanical interference, electrical shorts, or other issues that may impact the performance and reliability of the electronic device. Manufacturers provide this information to help designers and engineers select components that will fit within the designated space and function correctly in the intended application.
1mm - Width4mm
- RoHS Status
RoHS means “Restriction of Certain Hazardous Substances” in the “Hazardous Substances Directive” in electrical and electronic equipment.
ROHS3 Compliant
LP5018RSMR Dimensions
| Height | 1mm |
| Length | 4mm |
| Width | 900μm |
| Thickness | 4mm |
LP5018RSMR Package
LP5018RSMR Pin Configuration and Functions

| PIN | |||
| Name | NO. | I/O | DESCRIPTION |
| ADDR0 | 25 | - | I²C slave-address selection pin. This pin must not be left floating. |
| ADDR1 | 26 | - | I²C slave-address selection pin. This pin must not be left floating. |
| EN | 30 | I | Chip enable input pin |
| IREF | 31 | - | Output current-reference global-setting pin |
| NC | 19,20,21, 22,23,24 | - | No internal connection |
| OUT0 | 1 | O | Current sink output 0. If not used, this pin can be left floating. |
| OUT1 | 2 | O | Current sink output 1. If not used, this pin can be left floating. |
| OUT2 | 3 | O | Current sink output 2. If not used, this pin can be left floating. |
| OUT3 | 4 | O | Current sink output 3. If not used, this pin can be left floating. |
| OUT4 | 5 | O | Current sink output 4. If not used, this pin can be left floating. |
| OUT5 | 6 | O | Current sink output 5. If not used, this pin can be left floating. |
| OUT6 | 7 | O | Current sink output 6. If not used, this pin can be left floating. |
| OUT7 | 8 | O | Current sink output 7. If not used, this pin can be left floating. |
| OUT8 | 9 | O | Current sink output 8. If not used, this pin can be left floating. |
| OUT9 | 10 | O | Current sink output 9. If not used, this pin can be left floating. |
| OUT10 | 11 | O | Current sink output 10. If not used, this pin can be left floating. |
| OUT11 | 12 | O | Current sink output 11. If not used, this pin can be left floating. |
| OUT12 | 13 | O | Current sink output 12. If not used, this pin can be left floating. |
| OUT13 | 14 | O | Current sink output 13. If not used, this pin can be left floating. |
| OUT14 | 15 | O | Current sink output 14. If not used, this pin can be left floating. |
| OUT15 | 16 | O | Current sink output 15. If not used, this pin can be left floating. |
| OUT16 | 17 | O | Current sink output 16. If not used, this pin can be left floating. |
| OUT17 | 18 | O | Current sink output 17. If not used, this pin can be left floating. |
| SCL | 29 | I | I²C bus clock line. If not used, this pin must be connected to GND or VCC. |
| SDA | 28 | I/O | I²C bus data line. If not used, this pin must be connected to GND or VCC. |
| VCAP | 32 | - | Internal LDO output pin, this pin must be connected to a 1--µF capacitor to GND. Place the capacitor as close to the device as possible. |
| VCC | 27 | I | Input power. |
| GND | - | An exposed thermal pad also serves as the ground pin for the device. | |
LP5018RSMR Advantages
1. PWM Control for Each Channel
The high-resolution PWM generator is solely utilized for intensity control in most traditional LED drivers, which are built for single-color LEDs. To obtain the desired look using RGB LEDs, however, both color mixing and intensity control must be handled. Users must manage color mixing and intensity control simultaneously with a single PWM register in the old solution. When utilizing a logarithmic scale control, several undesirable effects occur restricted dimming steps, difficult software design, and color distortion.
2. LED Bank Control
Most LED animation effects, such as blinking and breathing, use the same illumination pattern across all RGB LEDs, Instead of operating each LED individually, which consumes a lot of microcontroller resources, the LP5018RSMR device offers a simple coding solution called LED bank control.
3. Current Range Setting
A single external resistor, RIREF, controls the constant-current value (ISET) of all 24 channels. The output current is close to zero when the IREF pin is floating. The LP5018RSMR device provides internal current-limit protection when the IREF pin is shorted to GND, and the output-channel maximum current is limited to ILIM.
4. Automatic Power-Save Mode
When all of the LED outputs are turned off, the LP5018RSMR device can automatically enter power-saving mode, cutting idle current consumption to 10 A. (typical). When register bit Power Save EN = 1 (default) and all LEDs are off for more than 30 milliseconds, an automatic power-saving mode is enabled. In power-saving mode, almost all analog blocks are turned off. The LP5018RSMR device returns to NORMAL mode if any I2C commands are sent to it.
5. Protection Features-Thermal Shutdown
The thermal shutdown feature in the LP5018RSMR gadget protects the device from harm caused by overheating. The device enters shutdown mode when the junction temperature reaches 160°C (typical). When the junction temperature of the LP5018RSMR device is dropped to 145°C, the device releases thermal shutdown (typical).
LP5018RSMR Alternatives
| Part names | Description | Manufacturer |
| TLC5951RHAT | 24-ch 12-bit PWM LED driver w/7-bit dot correction 8-bit global brightness 40-VQFN -40 to 85 | Texas Instruments |
| TLC5952DAP | 24-channel constant-current LED driver with global brightness and LED open Short Detection 32-HTSSOP -40 to 85 | Texas Instruments |
| MAX6974ATL-T | LED Driver, BICMOS, PQCC40 | Maxim Integrated Products |
| TLC5951RHAR | 24-ch 12-bit PWM LED driver w/7-bit dot correction 8-bit global brightness 40-VQFN -40 to 85 | Texas Instruments |
| MAX6974ATL+ | LED Driver, 24-Segment, BICMOS, 6 X 6 MM, 0.80 MM EIGHT, LEAD FREE, MO-220WJJD-2, TQFN-40 | Maxim Integrated Products |
| TLC5951DAPR | 24-ch 12-bit PWM LED driver w/7-bit dot correction 8-bit global brightness 38-HTSSOP -40 to 85 | Texas Instruments |
| TLC5951RTAR | 24-ch 12-bit PWM LED driver w/7-bit dot correction 8-bit global brightness 40-WQFN -40 to 85 | Texas Instruments |
| LP5024RSMR | 24-channel I2C constant-current RGB LED driver 32-VQFN -40 to 85 | Texas Instruments |
Trend Analysis
Datasheet PDF
- Datasheets :
Parts with Similar Specs
What’s the recommended operating conditions?
Input voltage on VCC is between 2.7 and 5.5v. The voltage on OUTx is between 0 and 5.5v. The voltage on ADDRx, EN, SDA, and SCL is between 0 and 5.5v.
How many pins does LP5018RSMR have?
32
Can LP5018RSMR be operated in 100℃?
No, its operating ambient temperature is from -40 to 85℃.
What’s the main parameters of LP5018RSMR?
The main parameters of this part are: 18-channel I2C constant-current RGB LED driver 32-VQFN -40 to 125.
What’s LP5018RSMR?
LP5018RSMR is an 18- or 24-channel constant-current-sinkLEDdriver. LP5018RSMR improves the user experience in color mixing and brightness control, from both live effects and coding efforts.
BMI160 Obsolete: Best Replacement Sensors BMI270, BMI323, LSM6DSOTR30 August 20252487
A Comprehensive Guide to LTM2882HY-3#PBF Transceiver Module06 March 2024133
DS17285 Real Time Clock: Pinout, Equivalent and Datasheet13 April 2022696
STMicroelectronics STM32H563VIT6 Microcontroller: Specs, Applications & Performance04 July 2025188
AD8421 Amplifier:Pinout, Datasheet, Schematic26 October 20214256
TIP41C Transistor: Datasheet, Pinout, and Test Circuits09 July 202134681
RP2040 VS ESP32 VS STM32[Video]: What are the differences between them?18 April 20224777
TIP142 Transistor: Datasheet, Equivalent, Amplifier Circuit06 December 202112260
What is a Baseband Processor?11 November 20217246
Beginners Guide to FPGA Design29 December 2021846
The Introduction of Car Fuse09 October 20214633
How Proper Thermal Management Extends the Life of Your Electronics18 July 2025545
LED Driver: Function, Types, and Application01 September 202012506
The Ultimate Guide to Maintaining Your L1154 Battery16 June 2025503
What are Memory Chips?03 December 20206020
What is a Motherboard Chipset? A Guide to 2025 Architecture25 December 20253673
Texas Instruments
In Stock: 10000
United States
China
Canada
Japan
Russia
Germany
United Kingdom
Singapore
Italy
Hong Kong(China)
Taiwan(China)
France
Korea
Mexico
Netherlands
Malaysia
Austria
Spain
Switzerland
Poland
Thailand
Vietnam
India
United Arab Emirates
Afghanistan
Åland Islands
Albania
Algeria
American Samoa
Andorra
Angola
Anguilla
Antigua & Barbuda
Argentina
Armenia
Aruba
Australia
Azerbaijan
Bahamas
Bahrain
Bangladesh
Barbados
Belarus
Belgium
Belize
Benin
Bermuda
Bhutan
Bolivia
Bonaire, Sint Eustatius and Saba
Bosnia & Herzegovina
Botswana
Brazil
British Indian Ocean Territory
British Virgin Islands
Brunei
Bulgaria
Burkina Faso
Burundi
Cabo Verde
Cambodia
Cameroon
Cayman Islands
Central African Republic
Chad
Chile
Christmas Island
Cocos (Keeling) Islands
Colombia
Comoros
Congo
Congo (DRC)
Cook Islands
Costa Rica
Côte d’Ivoire
Croatia
Cuba
Curaçao
Cyprus
Czechia
Denmark
Djibouti
Dominica
Dominican Republic
Ecuador
Egypt
El Salvador
Equatorial Guinea
Eritrea
Estonia
Eswatini
Ethiopia
Falkland Islands
Faroe Islands
Fiji
Finland
French Guiana
French Polynesia
Gabon
Gambia
Georgia
Ghana
Gibraltar
Greece
Greenland
Grenada
Guadeloupe
Guam
Guatemala
Guernsey
Guinea
Guinea-Bissau
Guyana
Haiti
Honduras
Hungary
Iceland
Indonesia
Iran
Iraq
Ireland
Isle of Man
Israel
Jamaica
Jersey
Jordan
Kazakhstan
Kenya
Kiribati
Kosovo
Kuwait
Kyrgyzstan
Laos
Latvia
Lebanon
Lesotho
Liberia
Libya
Liechtenstein
Lithuania
Luxembourg
Macao(China)
Madagascar
Malawi
Maldives
Mali
Malta
Marshall Islands
Martinique
Mauritania
Mauritius
Mayotte
Micronesia
Moldova
Monaco
Mongolia
Montenegro
Montserrat
Morocco
Mozambique
Myanmar
Namibia
Nauru
Nepal
New Caledonia
New Zealand
Nicaragua
Niger
Nigeria
Niue
Norfolk Island
North Korea
North Macedonia
Northern Mariana Islands
Norway
Oman
Pakistan
Palau
Palestinian Authority
Panama
Papua New Guinea
Paraguay
Peru
Philippines
Pitcairn Islands
Portugal
Puerto Rico
Qatar
Réunion
Romania
Rwanda
Samoa
San Marino
São Tomé & Príncipe
Saudi Arabia
Senegal
Serbia
Seychelles
Sierra Leone
Sint Maarten
Slovakia
Slovenia
Solomon Islands
Somalia
South Africa
South Sudan
Sri Lanka
St Helena, Ascension, Tristan da Cunha
St. Barthélemy
St. Kitts & Nevis
St. Lucia
St. Martin
St. Pierre & Miquelon
St. Vincent & Grenadines
Sudan
Suriname
Svalbard & Jan Mayen
Sweden
Syria
Tajikistan
Tanzania
Timor-Leste
Togo
Tokelau
Tonga
Trinidad & Tobago
Tunisia
Turkey
Turkmenistan
Turks & Caicos Islands
Tuvalu
U.S. Outlying Islands
U.S. Virgin Islands
Uganda
Ukraine
Uruguay
Uzbekistan
Vanuatu
Vatican City
Venezuela
Wallis & Futuna
Yemen
Zambia
Zimbabwe




















