74HC04D Hex Inverter: Pinout, Features and Datasheet
Gates & Inverters 2V~6V V
The 74HC04D is a high speed CMOS Inverter fabricated with silicon gate C2MOS technology. It achieves the high speed operation similar to equivalent LSTTL while maintaining the CMOS low power dissipation. Furthermore, Huge range of Semiconductors, Capacitors, Resistors and IcS in stock. Welcome RFQ.
74HC04D Pinout

Pinout
74HC04D CAD Model

Symbol

Footprint

3D Model
74HC04D Overview
The 74HC04D is a high speed CMOS Inverter fabricated with silicon gate C2MOS technology. It achieves the high speed operation similar to equivalent LSTTL while maintaining the CMOS low power dissipation. The internal circuit is composed of 3 stages, including buffered output, which provide high noise immunity and stable output. All inputs are equipped with protection circuits against static discharge or transient excess voltage.
This article provides you with a basic overview of the 74HC04D Hex Inverter, including its pin descriptions, features and specifications, etc., to help you quickly understand what 74HC04D is.
74HC04D Features
● High speed: tpd = 6 ns (typ.) at VCC = 5 V
● Low power dissipation: ICC = 1.0µA (max) at Ta = 25 ℃
● Balanced propagation delays: tPLH ≈ tPHL
● Wide operating voltage range: VCC(opr) = 2.0 to 6.0 V
Specifications
- TypeParameter
- Factory Lead Time12 Weeks
- Mounting Type
The "Mounting Type" in electronic components refers to the method used to attach or connect a component to a circuit board or other substrate, such as through-hole, surface-mount, or panel mount.
Surface Mount - Package / Case
refers to the protective housing that encases an electronic component, providing mechanical support, electrical connections, and thermal management.
14-SOIC (0.154, 3.90mm Width) - Surface Mount
having leads that are designed to be soldered on the side of a circuit board that the body of the component is mounted on.
YES - Logic Level-High1.5V ~ 4.2V
- Logic Level-Low0.5V ~ 1.8V
- Operating Temperature
The operating temperature is the range of ambient temperature within which a power supply, or any other electrical equipment, operate in. This ranges from a minimum operating temperature, to a peak or maximum operating temperature, outside which, the power supply may fail.
-40°C~125°C - Packaging
Semiconductor package is a carrier / shell used to contain and cover one or more semiconductor components or integrated circuits. The material of the shell can be metal, plastic, glass or ceramic.
Cut Tape (CT) - Series
In electronic components, the "Series" refers to a group of products that share similar characteristics, designs, or functionalities, often produced by the same manufacturer. These components within a series typically have common specifications but may vary in terms of voltage, power, or packaging to meet different application needs. The series name helps identify and differentiate between various product lines within a manufacturer's catalog.
74HC - Published2016
- Part Status
Parts can have many statuses as they progress through the configuration, analysis, review, and approval stages.
Active - Moisture Sensitivity Level (MSL)
Moisture Sensitivity Level (MSL) is a standardized rating that indicates the susceptibility of electronic components, particularly semiconductors, to moisture-induced damage during storage and the soldering process, defining the allowable exposure time to ambient conditions before they require special handling or baking to prevent failures
1 (Unlimited) - Number of Terminations14
- HTS Code
HTS (Harmonized Tariff Schedule) codes are product classification codes between 8-1 digits. The first six digits are an HS code, and the countries of import assign the subsequent digits to provide additional classification. U.S. HTS codes are 1 digits and are administered by the U.S. International Trade Commission.
8542.39.00.01 - Voltage - Supply
Voltage - Supply refers to the range of voltage levels that an electronic component or circuit is designed to operate with. It indicates the minimum and maximum supply voltage that can be applied for the device to function properly. Providing supply voltages outside this range can lead to malfunction, damage, or reduced performance. This parameter is critical for ensuring compatibility between different components in a circuit.
2V~6V - Terminal Position
In electronic components, the term "Terminal Position" refers to the physical location of the connection points on the component where external electrical connections can be made. These connection points, known as terminals, are typically used to attach wires, leads, or other components to the main body of the electronic component. The terminal position is important for ensuring proper connectivity and functionality of the component within a circuit. It is often specified in technical datasheets or component specifications to help designers and engineers understand how to properly integrate the component into their circuit designs.
DUAL - Terminal Form
Occurring at or forming the end of a series, succession, or the like; closing; concluding.
GULL WING - Peak Reflow Temperature (Cel)
Peak Reflow Temperature (Cel) is a parameter that specifies the maximum temperature at which an electronic component can be exposed during the reflow soldering process. Reflow soldering is a common method used to attach electronic components to a circuit board. The Peak Reflow Temperature is crucial because it ensures that the component is not damaged or degraded during the soldering process. Exceeding the specified Peak Reflow Temperature can lead to issues such as component failure, reduced performance, or even permanent damage to the component. It is important for manufacturers and assemblers to adhere to the recommended Peak Reflow Temperature to ensure the reliability and functionality of the electronic components.
NOT SPECIFIED - Number of Functions6
- Supply Voltage
Supply voltage refers to the electrical potential difference provided to an electronic component or circuit. It is crucial for the proper operation of devices, as it powers their functions and determines performance characteristics. The supply voltage must be within specified limits to ensure reliability and prevent damage to components. Different electronic devices have specific supply voltage requirements, which can vary widely depending on their design and intended application.
5V - Terminal Pitch
The center distance from one pole to the next.
1.27mm - Time@Peak Reflow Temperature-Max (s)
Time@Peak Reflow Temperature-Max (s) refers to the maximum duration that an electronic component can be exposed to the peak reflow temperature during the soldering process, which is crucial for ensuring reliable solder joint formation without damaging the component.
NOT SPECIFIED - JESD-30 Code
JESD-30 Code refers to a standardized descriptive designation system established by JEDEC for semiconductor-device packages. This system provides a systematic method for generating designators that convey essential information about the package's physical characteristics, such as size and shape, which aids in component identification and selection. By using JESD-30 codes, manufacturers and engineers can ensure consistency and clarity in the specification of semiconductor packages across various applications and industries.
R-PDSO-G14 - Supply Voltage-Max (Vsup)
The parameter "Supply Voltage-Max (Vsup)" in electronic components refers to the maximum voltage that can be safely applied to the component without causing damage. It is an important specification to consider when designing or using electronic circuits to ensure the component operates within its safe operating limits. Exceeding the maximum supply voltage can lead to overheating, component failure, or even permanent damage. It is crucial to adhere to the specified maximum supply voltage to ensure the reliable and safe operation of the electronic component.
6V - Supply Voltage-Min (Vsup)
The parameter "Supply Voltage-Min (Vsup)" in electronic components refers to the minimum voltage level required for the component to operate within its specified performance range. This parameter indicates the lowest voltage that can be safely applied to the component without risking damage or malfunction. It is crucial to ensure that the supply voltage provided to the component meets or exceeds this minimum value to ensure proper functionality and reliability. Failure to adhere to the specified minimum supply voltage may result in erratic behavior, reduced performance, or even permanent damage to the component.
2V - Number of Circuits6
- Family
In electronic components, the parameter "Family" typically refers to a categorization or classification system used to group similar components together based on their characteristics, functions, or applications. This classification helps users easily identify and select components that meet their specific requirements. The "Family" parameter can include various subcategories such as resistors, capacitors, diodes, transistors, integrated circuits, and more. Understanding the "Family" of an electronic component can provide valuable information about its compatibility, performance specifications, and potential uses within a circuit or system. It is important to consider the "Family" parameter when designing or troubleshooting electronic circuits to ensure proper functionality and compatibility with other components.
HC/UH - Number of Inputs1
- Logic Type
Logic Type in electronic components refers to the classification of circuits based on the logical operations they perform. It includes types such as AND, OR, NOT, NAND, NOR, XOR, and XNOR, each defining the relationship between binary inputs and outputs. The logic type determines how the inputs affect the output state based on specific rules of Boolean algebra. This classification is crucial for designing digital circuits and systems, enabling engineers to select appropriate components for desired functionalities.
Inverter - Max Propagation Delay @ V, Max CL
The parameter "Max Propagation Delay @ V, Max CL" in electronic components refers to the maximum amount of time it takes for a signal to propagate through the component from input to output when operating at a specific voltage (V) and driving a maximum specified load capacitance (CL). This parameter is crucial in determining the speed and performance of the component in a circuit. A shorter propagation delay indicates faster signal processing and better overall performance. Designers use this parameter to ensure that signals can be transmitted and received within the required timing constraints in their electronic systems.
13ns @ 6V, 50pF - Propagation Delay (tpd)
Propagation delay (tpd) is a crucial parameter in electronic components, especially in digital circuits. It refers to the time taken for a signal to travel from the input of a component to its output. This delay is caused by various factors such as the internal circuitry, interconnections, and the physical properties of the component. Propagation delay is essential to consider in designing circuits to ensure proper timing and functionality. It is typically measured in nanoseconds or picoseconds and plays a significant role in determining the overall performance and speed of electronic systems.
130 ns - Current - Quiescent (Max)
The parameter "Current - Quiescent (Max)" in electronic components refers to the maximum amount of current that a device consumes when it is in a quiescent or idle state. This parameter is important because it indicates the minimum power consumption of the device when it is not actively performing any tasks. It is typically measured in units of amperes (A) and helps in determining the overall power efficiency and battery life of the electronic component. Designers and engineers use this parameter to ensure that the device meets power consumption requirements and operates within specified limits during standby or idle modes.
1μA - Height Seated (Max)
Height Seated (Max) is a parameter in electronic components that refers to the maximum allowable height of the component when it is properly seated or installed on a circuit board or within an enclosure. This specification is crucial for ensuring proper fit and alignment within the overall system design. Exceeding the maximum seated height can lead to mechanical interference, electrical shorts, or other issues that may impact the performance and reliability of the electronic device. Manufacturers provide this information to help designers and engineers select components that will fit within the designated space and function correctly in the intended application.
1.75mm - Width3.9mm
- RoHS Status
RoHS means “Restriction of Certain Hazardous Substances” in the “Hazardous Substances Directive” in electrical and electronic equipment.
RoHS Compliant
74HC04D Functional Block Diagram

IEC Logic Symbol
74HC04D Equivalent
74ls04, 74hct04.
Parts with Similar Specs
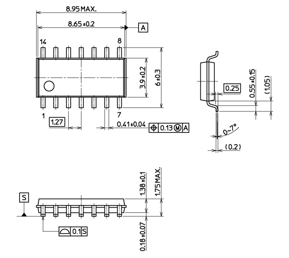
74HC04D Package

Package Dimensions
74HC04D Marking

Marking information
74HC04D Manufacturer
Toshiba Semiconductor & Storage has grown rapidly as a manufacturer providing a variety enabling technology solutions. These products are widely used by OEMs, ODMs, CMs and fabless chip companies to help them develop advanced integrated products for various markets including computing, networking, communications, automotive, etc. They focus on providing products with high performance and reliable services, thus meeting the highest expectations of customers.
Datasheet PDF
- Datasheets :
Trend Analysis
What is the essential property of the 74HC04D?
74HC04D is a CMOS six inverter, the operating power supply voltage is 2V-6V.
Can 74HC04D be replaced by CD4052BM?
74HC04D is a six inverter, and CD4052BM is a dual 4-to-1 analog switch, which cannot be substituted.
Is there any relationship between 74HC04D input voltage and output voltage?
74HC04 is a six inverter, that is, there are six inverters on an integrated block. When the input is high, the output is low; when the input is low, the output is high.
BMM150 Sensor: Datasheet, Pinout and Applications27 August 20213185
STA8088EXG RF RX GALILEO 1.575GHZ 169TFBGA[FAQ]: Datasheet, Block Diagram, and Features14 March 2022621
MAN6760 Display Modules: Datasheet, Manufacturer, Application02 November 20213364
BF246 N-Channel Switch: Pinout, Datasheet, Equivalent27 April 20222235
TXS0104EPWR: Overview, Features, and Applications21 December 2023655
A Practical Guide to STM32F429IIT6 in Embedded Systems24 July 2025102
SST25VF020B SPI Serial Flash: Pinout, Equivalent and Datasheet16 February 20222420
BAT54S Diode: BAT54S Datasheet, Price, Pinout27 January 20223327
Classification and Selection of Industrial Connectors11 February 20223923
Introduction to Optical Zoom and Digital Zoom19 June 20216830
What Makes Rocker Switches Unique18 July 2025546
Yahoo Discontinues Services in Mainland China13 November 2023835
Filters Explained: Principles, Parameters and Application Guide09 April 20259266
Introduction to Electrochemical Sensors19 November 202517844
Optocouplers Guide: Understanding Types, Applications, and Circuit Design Tutorial06 June 20251518
Switch-mode Power Supply Basics14 December 20205861
Toshiba Semiconductor and Storage
In Stock: 6
Minimum: 1 Multiples: 1
Qty
Unit Price
Ext Price
1
$0.162444
$0.16
10
$0.153249
$1.53
100
$0.144574
$14.46
500
$0.136391
$68.20
1000
$0.128671
$128.67
Not the price you want? Send RFQ Now and we'll contact you ASAP.
Inquire for More Quantity













