STA8088EXG RF RX GALILEO 1.575GHZ 169TFBGA[FAQ]: Datasheet, Block Diagram, and Features
169 Pin BOTTOM RF Receiver 1.8V~3.3V -40°C~85°C I2C, SPI, UART, USB 1.575GHz 169-TFBGA
Unit Price: $21.718791
Ext Price: $21.72









169 Pin BOTTOM RF Receiver 1.8V~3.3V -40°C~85°C I2C, SPI, UART, USB 1.575GHz 169-TFBGA
STA8088EXG is a single-die independent positioning receiver IC that can function with several constellations. This article is going to introduce pinout, applications, features, and more details about STA8088EXG.
Overview of STA8088EXG
The STA8088EXG is a single-die independent positioning receiver IC that can function with several constellations (GPS, Galileo, Glonass, and QZSS ). STA8088EXG delivers a highly flexible and cost-effective solution for hand-held and telematics applications by integrating the ARM946 microcontroller core with a large number of peripherals/ interfaces.
The device is appropriate for sensor-based and sensor-less ST Dead Reckoning technologies that improve location accuracy even in areas where GNSS signals are not available, such as tunnels and indoor parking.
STA8088EXG Features
STMicroelectronics® 3rd generation positioning receiver with 32 trackings channels and 2 fast acquisition channels compatible with GPS, Galileo, Glonass, and QZSS systems
Embedded RF front-end with built-in LNA
-162dBm indoor sensitivity (tracking mode)
Fast TTFF < 1 s in hot start and 35 s in coldstart
Support of ST-AGPSTM Multimode AssistedGPS (extended ephemeris solution)
High-performance ARM946 MCU (up to208 MHz)
256 Kbyte embedded TCM /SRAM
FSMC external memory interface (NAND, NORand SRAM )
External SQI Flash interface
One 16-bit Extended Function Timer (EFT)with input capture/ output compare and PWM.
Four 32-bit free-running timers/ counters
Real-Time Clock (RTC) circuit
3 UARTs (one full for modem support)
1 I2C master/slave interface
1 Synchronous Serial Port (SSP, Motorola-SPIsupported)
USB2.0 dual role full speed (12 MHz) with integrated physical layer transceiver
2 Secure-Digital Multimedia Memory CardInterfaces (SDMMC)
2 Controller Area Network (CAN)
STA8088EXG CAD Model

STA8088EXG Symbol

STA8088EXG Footprint
STA8088EXG Block Diagram

STA8088EXG Block Diagram
Specifications
- TypeParameter
- Factory Lead Time26 Weeks
- Mount
In electronic components, the term "Mount" typically refers to the method or process of physically attaching or fixing a component onto a circuit board or other electronic device. This can involve soldering, adhesive bonding, or other techniques to secure the component in place. The mounting process is crucial for ensuring proper electrical connections and mechanical stability within the electronic system. Different components may have specific mounting requirements based on their size, shape, and function, and manufacturers provide guidelines for proper mounting procedures to ensure optimal performance and reliability of the electronic device.
Surface Mount - Package / Case
refers to the protective housing that encases an electronic component, providing mechanical support, electrical connections, and thermal management.
169-TFBGA - Number of Pins169
- Usage LevelIndustrial grade
- Operating Temperature
The operating temperature is the range of ambient temperature within which a power supply, or any other electrical equipment, operate in. This ranges from a minimum operating temperature, to a peak or maximum operating temperature, outside which, the power supply may fail.
-40°C~85°C - Packaging
Semiconductor package is a carrier / shell used to contain and cover one or more semiconductor components or integrated circuits. The material of the shell can be metal, plastic, glass or ceramic.
Tray - JESD-609 Code
The "JESD-609 Code" in electronic components refers to a standardized marking code that indicates the lead-free solder composition and finish of electronic components for compliance with environmental regulations.
e2 - Part Status
Parts can have many statuses as they progress through the configuration, analysis, review, and approval stages.
Active - Moisture Sensitivity Level (MSL)
Moisture Sensitivity Level (MSL) is a standardized rating that indicates the susceptibility of electronic components, particularly semiconductors, to moisture-induced damage during storage and the soldering process, defining the allowable exposure time to ambient conditions before they require special handling or baking to prevent failures
3 (168 Hours) - Number of Terminations169
- ECCN Code
An ECCN (Export Control Classification Number) is an alphanumeric code used by the U.S. Bureau of Industry and Security to identify and categorize electronic components and other dual-use items that may require an export license based on their technical characteristics and potential for military use.
7A994 - Terminal Finish
Terminal Finish refers to the surface treatment applied to the terminals or leads of electronic components to enhance their performance and longevity. It can improve solderability, corrosion resistance, and overall reliability of the connection in electronic assemblies. Common finishes include nickel, gold, and tin, each possessing distinct properties suitable for various applications. The choice of terminal finish can significantly impact the durability and effectiveness of electronic devices.
Tin/Silver/Copper/Nickel (Sn/Ag/Cu/Ni) - Applications
The parameter "Applications" in electronic components refers to the specific uses or functions for which a component is designed. It encompasses various fields such as consumer electronics, industrial automation, telecommunications, automotive, and medical devices. Understanding the applications helps in selecting the right components for a particular design based on performance, reliability, and compatibility requirements. This parameter also guides manufacturers in targeting their products to relevant markets and customer needs.
General Purpose - Voltage - Supply
Voltage - Supply refers to the range of voltage levels that an electronic component or circuit is designed to operate with. It indicates the minimum and maximum supply voltage that can be applied for the device to function properly. Providing supply voltages outside this range can lead to malfunction, damage, or reduced performance. This parameter is critical for ensuring compatibility between different components in a circuit.
1.8V~3.3V - Terminal Position
In electronic components, the term "Terminal Position" refers to the physical location of the connection points on the component where external electrical connections can be made. These connection points, known as terminals, are typically used to attach wires, leads, or other components to the main body of the electronic component. The terminal position is important for ensuring proper connectivity and functionality of the component within a circuit. It is often specified in technical datasheets or component specifications to help designers and engineers understand how to properly integrate the component into their circuit designs.
BOTTOM - Terminal Form
Occurring at or forming the end of a series, succession, or the like; closing; concluding.
BALL - Terminal Pitch
The center distance from one pole to the next.
0.635mm - Frequency
In electronic components, the parameter "Frequency" refers to the rate at which a signal oscillates or cycles within a given period of time. It is typically measured in Hertz (Hz) and represents how many times a signal completes a full cycle in one second. Frequency is a crucial aspect in electronic components as it determines the behavior and performance of various devices such as oscillators, filters, and communication systems. Understanding the frequency characteristics of components is essential for designing and analyzing electronic circuits to ensure proper functionality and compatibility with other components in a system.
1.575GHz - Base Part Number
The "Base Part Number" (BPN) in electronic components serves a similar purpose to the "Base Product Number." It refers to the primary identifier for a component that captures the essential characteristics shared by a group of similar components. The BPN provides a fundamental way to reference a family or series of components without specifying all the variations and specific details.
STA8088 - Qualification Status
An indicator of formal certification of qualifications.
Not Qualified - Power Supplies
an electronic circuit that converts the voltage of an alternating current (AC) into a direct current (DC) voltage.?
1.21.8/3.3V - Interface
In electronic components, the term "Interface" refers to the point at which two different systems, devices, or components connect and interact with each other. It can involve physical connections such as ports, connectors, or cables, as well as communication protocols and standards that facilitate the exchange of data or signals between the connected entities. The interface serves as a bridge that enables seamless communication and interoperability between different parts of a system or between different systems altogether. Designing a reliable and efficient interface is crucial in ensuring proper functionality and performance of electronic components and systems.
I2C, SPI, UART, USB - Data Interface
A Data Interface in EDQ is a template of a set of attributes representing a given entity, used to create processes that read from, or write to, interfaces rather than directly from or to sources or targets of data.
I2C, SPI, UART, USB - Consumer IC Type
Consumer IC Type refers to the specific type of integrated circuit (IC) that is designed for use in consumer electronic devices. These ICs are typically optimized for applications in products such as smartphones, tablets, televisions, and other consumer electronics. They are often characterized by features such as low power consumption, small form factor, and high performance to meet the demands of modern consumer devices. Consumer IC types may include microcontrollers, audio amplifiers, display drivers, and other specialized chips tailored for consumer electronics applications. Manufacturers develop and market these ICs to meet the unique requirements of the consumer electronics industry, providing solutions for a wide range of functions and applications in modern devices.
CONSUMER CIRCUIT - Modulation or Protocol
Modulation is the process of converting data into radio waves by adding information to an electronic or optical carrier signal. A carrier signal is one with a steady waveform -- constant height, or amplitude, and frequency.
Galileo, GPS - Sensitivity (dBm)
Sensitivity (dBm) is a parameter used to measure the minimum input power level required for an electronic component or device to operate effectively. It is typically expressed in decibels relative to one milliwatt (dBm), which is a common unit of power measurement in the field of electronics. A higher sensitivity value indicates that the component can detect weaker input signals, making it more responsive and capable of functioning in low-power conditions. Sensitivity is an important specification for devices like receivers, sensors, and transducers, as it directly impacts their ability to detect and process signals accurately. Manufacturers often provide sensitivity ratings to help users understand the performance capabilities of the component in different operating conditions.
-162 dBm - Height1.2mm
- Length9.15mm
- Width9.15mm
- RoHS Status
RoHS means “Restriction of Certain Hazardous Substances” in the “Hazardous Substances Directive” in electrical and electronic equipment.
ROHS3 Compliant - Lead Free
Lead Free is a term used to describe electronic components that do not contain lead as part of their composition. Lead is a toxic material that can have harmful effects on human health and the environment, so the electronics industry has been moving towards lead-free components to reduce these risks. Lead-free components are typically made using alternative materials such as silver, copper, and tin. Manufacturers must comply with regulations such as the Restriction of Hazardous Substances (RoHS) directive to ensure that their products are lead-free and environmentally friendly.
Lead Free
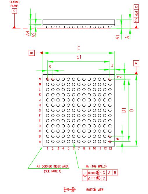
STA8088EXG Package information

| Ref. dim | Data book (mm) | Drawing (mm) | ||||
| Min. | Typ. | Max. | Min. | Typ. | Max. | |
| A(1) | 1.2 | 1.07 | ||||
| A1(2) | 0.21 | 0.22 | 0.27 | 0.32 | ||
| A2 | 0.2 | 0.16 | 0.2 | 0.24 | ||
| A4 | 0.585 | 0.57 | 0.585 | 0.6 | ||
| b(3) | 0.3 | 0.35 | 0.4 | 0.3 | 0.35 | 0.4 |
| D | 8.85 | 9 | 9.15 | 8.9 | 9 | 9.1 |
| D1 | 7.8 | 7.8 | ||||
| E | 9.85 | 9 | 9.15 | 8.9 | 9 | 9.1 |
| E1 | 7.8 | 7.8 | ||||
| e | 0.65 | 0.65 | ||||
| Z | 0.6 | 0.6 | ||||
| ddd | 0.08 | 0.08 | ||||
| eee(4) | 0.15 | 0.15 | ||||
| fff(5) | 0.05 | 0.05 | ||||
STA8088EXG Manufacturer
STMicroelectronics is a leading global independent semiconductor firm that develops and delivers semiconductor solutions for a wide range of microelectronics applications. The Company is at the forefront of System-on-Chip (SoC) technology, and its products play a major role in supporting today's convergence trends, thanks to an unparalleled mix of silicon and system expertise, manufacturing capabilities, Intellectual Property (IP) portfolio, and strategic partners.
Datasheet PDF
- Datasheets :
Popularity by Region
How many pins of STA8088EXG ?
169 pins.
What’ the operating temperature of STA8088EXG ?
-40°C~85°C.
What’s the Voltage - Supply of STA8088EXG ?
1.8V~3.3V.
What’s the frequency of STA8088EXG ?
1.575GHz.
What’s the sensitivity of STA8088EXG ?
-162 dBm.
CD40106 HEX Inverter: Pinout, Applications and Datasheet18 August 20216106
SG3525 Pulse width modulation controller IC: Datasheet, and Pinout13 October 202221155
Arduino Uno Rev3: Pinout Diagram, Features and Applications26 September 202312750
TIP112 Silicon Power Transistor: Pinout, Datasheet pdf and Equivalent [FAQ]10 December 20212551
39-01-2040 Receptacle Housing Dual Row 4 Circuits [FAQ]:Datasheet, Applications, and Technical Data22 March 2022830
TP5100 VS TP4056: Differences between charging and protection modules09 April 202233212
EN2342QI DC-DC Converter, 4.5V to14V Step-down, 68-pin and Switching Regulators17 April 2025921
ESP32S2 WiFi 802.11b/g/n Transceiver Module: Datasheet, Pinout, and Application13 January 20222911
What is a Digital Potentiometer?08 January 20267513
Working Principle and Application of Infrared Sensors27 October 202515962
What is an Accelerometer: Definition, Types and Applications02 April 20229550
Global Ceramic Capacitors Market In-Depth Analysis to 202510 December 20255406
Volkswagen CFO: Chip Supply Shortage Will Continue Until 202411 April 20224733
What are Electromagnetic Waves?07 December 20214989
Transfer Learning Method for detailed defect classification in semiconductor manufacturing based on Convolution Neural Network13 January 20233184
Introduction to Five Types of Classic Power Supply Circuits08 March 20226885
STMicroelectronics
In Stock: 5900
Minimum: 1 Multiples: 1
Qty
Unit Price
Ext Price
1
$21.718791
$21.72
10
$20.489425
$204.89
100
$19.329646
$1,932.96
500
$18.235516
$9,117.76
1000
$17.203317
$17,203.32
Not the price you want? Send RFQ Now and we'll contact you ASAP.
Inquire for More Quantity


Product
Brand
Articles
Tools




