IRF1404 Power MOSFET: Datasheet, IRF1404, IRF1404 vs. IRF3205
N-Channel Tube 4m Ω @ 121A, 10V ±20V 5669pF @ 25V 196nC @ 10V TO-220-3









N-Channel Tube 4m Ω @ 121A, 10V ±20V 5669pF @ 25V 196nC @ 10V TO-220-3
IRF1404 is an N channel MOSFET manufactured in the TO-220AB package. This post will show you more details about IRF1404. there is a huge range of Semiconductors, Capacitors, Resistors and ICs in stock. Welcome RFQ.

How To Make Simple Inverter 12V to 220V IRF1404 , Step by step
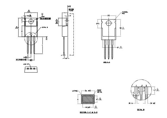
- IRF1404 Pinout
- IRF1404 CAD Model
- What is IRF1404?
- IRF1404 Manufacturer
- IRF1404 Features
- IRF1404 Application
- IRF1404 Equivalent
- Where & How to use IRF1404
- IRF1404 Test Circuit
- How to Make IRF1404 Safely Long Run in a Circuit?
- Parts with Similar Specs
- Specifications
- How to package IRF1404
- Datasheet PDF
- Popularity by Region
IRF1404 Pinout

IRF1404 Pinout
IRF1404 CAD Model
Footprint

IRF1404 Footprint
What is IRF1404?
The N channel MOSFET RF1404 is packaged in a TO-220AB package. The transistor has excellent processing technology, high switching speed, and extremely low resistance, among other qualities. These qualities boost the device's stability and durability, allowing it to be used in a wide range of applications. In continuous load driving, the device can deliver up to 162A, and in pulse mode, it can produce up to 650A. Aside from that, because the transistor's maximum power dissipation is up to 200W, it can be utilized as an audio amplifier and an audio amplifier stage.
IRF1404 Manufacturer
On April 1, 1999, Siemens Semiconductors officially changed its name to Infineon Technologies. Infineon is a dynamic and flexible company. Success in the highly competitive and ever-changing microelectronics world is our constant goal. As the world's leading designer, manufacturer and supplier, Infineon has a wide range of products used in various microelectronics applications. Our product portfolio includes not only logic products, including digital, mixed-signal and analog integrated circuits, but also discrete semiconductor products.
IRF1404 Features
Advanced Process Technology
Ultra-Low On-Resistance Dynamic DV/DT Rating
175°C Operating Temperature
Fast Switching
Fully Avalanche Rated
Lead-Free
IRF1404 Application
DC to DC converters
Power supplies
Solar power supplies
Battery Chargers
Applications that require fast switching
Uninterrupted power supplies
Battery management system applications
Motor Driver Circuits
IRF1404 Equivalent
IRF2804
IRFB3004
IRFB3077
IRFB3077
IRFB3206
IRFB3004
IRFB3006
IRFB3006G
IRFB3004G
IRFB3077
Where & How to use IRF1404
IRF1404 MOSFETs can be found in inverters, UPSs, and power supplies, as well as in applications requiring high-speed switching and general-purpose applications that fall within its specifications. Aside from that, it can be utilized to construct high-power audio amplifiers.
IRF1404 Test Circuit

IRF1404 Test Circuit

IRF1404-For N-channel HEXFET® Power MOSFETs
How to Make IRF1404 Safely Long Run in a Circuit?
We recommend using IRF1404 MOSFET at least 20% below its maximum ratings for long-term performance. Because the maximum continuous drain current is 162A, do not drive loads above 129A. Because the maximum drain to source voltage is 40V, do not drive loads that are higher than 32V. Use a suitable heatsink with the transistor, and store and operate the device at temperatures between -55 and +175 ℃ at all times.
Parts with Similar Specs
- ImagePart NumberManufacturerMountPackage / CaseContinuous Drain Current (ID)Current - Continuous Drain (Id) @ 25°CThreshold VoltageGate to Source Voltage (Vgs)Power DissipationPower Dissipation-MaxView Compare
IRF1404PBF
Through Hole
TO-220-3
202 A
202A (Tc)
4 V
20 V
333 W
333W (Tc)
Through Hole
TO-220-3
210 A
210A (Tc)
4 V
20 V
330 W
330W (Tc)
Through Hole
TO-220-3
260 A
260A (Tc)
2.5 V
20 V
200 W
330W (Tc)
Through Hole
TO-220-3
160 A
160A (Tc)
3 V
20 V
200 W
200W (Tc)
-
TO-220-3
-
75A (Tc)
-
-
-
300W (Tc)
Specifications
- TypeParameter
- Factory Lead Time12 Weeks
- Contact Plating
Contact plating (finish) provides corrosion protection for base metals and optimizes the mechanical and electrical properties of the contact interfaces.
Tin - Mount
In electronic components, the term "Mount" typically refers to the method or process of physically attaching or fixing a component onto a circuit board or other electronic device. This can involve soldering, adhesive bonding, or other techniques to secure the component in place. The mounting process is crucial for ensuring proper electrical connections and mechanical stability within the electronic system. Different components may have specific mounting requirements based on their size, shape, and function, and manufacturers provide guidelines for proper mounting procedures to ensure optimal performance and reliability of the electronic device.
Through Hole - Mounting Type
The "Mounting Type" in electronic components refers to the method used to attach or connect a component to a circuit board or other substrate, such as through-hole, surface-mount, or panel mount.
Through Hole - Package / Case
refers to the protective housing that encases an electronic component, providing mechanical support, electrical connections, and thermal management.
TO-220-3 - Number of Pins3
- Transistor Element Material
The "Transistor Element Material" parameter in electronic components refers to the material used to construct the transistor within the component. Transistors are semiconductor devices that amplify or switch electronic signals and are a fundamental building block in electronic circuits. The material used for the transistor element can significantly impact the performance and characteristics of the component. Common materials used for transistor elements include silicon, germanium, and gallium arsenide, each with its own unique properties and suitability for different applications. The choice of transistor element material is crucial in designing electronic components to meet specific performance requirements such as speed, power efficiency, and temperature tolerance.
SILICON - Current - Continuous Drain (Id) @ 25℃202A Tc
- Drive Voltage (Max Rds On, Min Rds On)10V
- Number of Elements1
- Power Dissipation (Max)333W Tc
- Turn Off Delay Time
It is the time from when Vgs drops below 90% of the gate drive voltage to when the drain current drops below 90% of the load current. It is the delay before current starts to transition in the load, and depends on Rg. Ciss.
46 ns - Operating Temperature
The operating temperature is the range of ambient temperature within which a power supply, or any other electrical equipment, operate in. This ranges from a minimum operating temperature, to a peak or maximum operating temperature, outside which, the power supply may fail.
-55°C~175°C TJ - Packaging
Semiconductor package is a carrier / shell used to contain and cover one or more semiconductor components or integrated circuits. The material of the shell can be metal, plastic, glass or ceramic.
Tube - Series
In electronic components, the "Series" refers to a group of products that share similar characteristics, designs, or functionalities, often produced by the same manufacturer. These components within a series typically have common specifications but may vary in terms of voltage, power, or packaging to meet different application needs. The series name helps identify and differentiate between various product lines within a manufacturer's catalog.
HEXFET® - Published2003
- Part Status
Parts can have many statuses as they progress through the configuration, analysis, review, and approval stages.
Active - Moisture Sensitivity Level (MSL)
Moisture Sensitivity Level (MSL) is a standardized rating that indicates the susceptibility of electronic components, particularly semiconductors, to moisture-induced damage during storage and the soldering process, defining the allowable exposure time to ambient conditions before they require special handling or baking to prevent failures
1 (Unlimited) - Number of Terminations3
- Termination
Termination in electronic components refers to the practice of matching the impedance of a circuit to prevent signal reflections and ensure maximum power transfer. It involves the use of resistors or other components at the end of transmission lines or connections. Proper termination is crucial in high-frequency applications to maintain signal integrity and reduce noise.
Through Hole - ECCN Code
An ECCN (Export Control Classification Number) is an alphanumeric code used by the U.S. Bureau of Industry and Security to identify and categorize electronic components and other dual-use items that may require an export license based on their technical characteristics and potential for military use.
EAR99 - Resistance
Resistance is a fundamental property of electronic components that measures their opposition to the flow of electric current. It is denoted by the symbol "R" and is measured in ohms (Ω). Resistance is caused by the collisions of electrons with atoms in a material, which generates heat and reduces the flow of current. Components with higher resistance will impede the flow of current more than those with lower resistance. Resistance plays a crucial role in determining the behavior and functionality of electronic circuits, such as limiting current flow, voltage division, and controlling power dissipation.
4mOhm - Additional Feature
Any Feature, including a modified Existing Feature, that is not an Existing Feature.
AVALANCHE RATED, HIGH RELIABILITY, ULTRA-LOW RESISTANCE - Voltage - Rated DC
Voltage - Rated DC is a parameter that specifies the maximum direct current (DC) voltage that an electronic component can safely handle without being damaged. This rating is crucial for ensuring the proper functioning and longevity of the component in a circuit. Exceeding the rated DC voltage can lead to overheating, breakdown, or even permanent damage to the component. It is important to carefully consider this parameter when designing or selecting components for a circuit to prevent any potential issues related to voltage overload.
40V - Current Rating
Current rating is the maximum current that a fuse will carry for an indefinite period without too much deterioration of the fuse element.
162A - Lead Pitch
Lead pitch in electronic components refers to the distance between the center of one lead (or pin) of a component to the center of the adjacent lead. It is an important parameter to consider when designing and assembling electronic circuits, as it determines the spacing required on a circuit board for proper placement and soldering of the component. Lead pitch is typically specified in millimeters or inches and can vary depending on the type of component, such as integrated circuits, resistors, capacitors, and connectors. Choosing the correct lead pitch ensures proper alignment and connection of components on a circuit board, ultimately affecting the functionality and reliability of the electronic device.
2.54mm - Number of Channels1
- Element Configuration
The distribution of electrons of an atom or molecule (or other physical structure) in atomic or molecular orbitals.
Single - Operating Mode
A phase of operation during the operation and maintenance stages of the life cycle of a facility.
ENHANCEMENT MODE - Power Dissipation
the process by which an electronic or electrical device produces heat (energy loss or waste) as an undesirable derivative of its primary action.
333W - Case Connection
Case Connection refers to the method by which an electronic component's case or housing is connected to the electrical circuit. This connection is important for grounding purposes, mechanical stability, and heat dissipation. The case connection can vary depending on the type of component and its intended application. It is crucial to ensure a secure and reliable case connection to maintain the overall performance and safety of the electronic device.
DRAIN - Turn On Delay Time
Turn-on delay, td(on), is the time taken to charge the input capacitance of the device before drain current conduction can start.
17 ns - FET Type
"FET Type" refers to the type of Field-Effect Transistor (FET) being used in an electronic component. FETs are three-terminal semiconductor devices that can be classified into different types based on their construction and operation. The main types of FETs include Metal-Oxide-Semiconductor FETs (MOSFETs), Junction FETs (JFETs), and Insulated-Gate Bipolar Transistors (IGBTs).Each type of FET has its own unique characteristics and applications. MOSFETs are commonly used in digital circuits due to their high input impedance and low power consumption. JFETs are often used in low-noise amplifiers and switching circuits. IGBTs combine the high input impedance of MOSFETs with the high current-carrying capability of bipolar transistors, making them suitable for high-power applications like motor control and power inverters.When selecting an electronic component, understanding the FET type is crucial as it determines the device's performance and suitability for a specific application. It is important to consider factors such as voltage ratings, current handling capabilities, switching speeds, and power dissipation when choosing the right FET type for a particular circuit design.
N-Channel - Transistor Application
In the context of electronic components, the parameter "Transistor Application" refers to the specific purpose or function for which a transistor is designed and used. Transistors are semiconductor devices that can amplify or switch electronic signals and are commonly used in various electronic circuits. The application of a transistor can vary widely depending on its design and characteristics, such as whether it is intended for audio amplification, digital logic, power control, or radio frequency applications. Understanding the transistor application is important for selecting the right type of transistor for a particular circuit or system to ensure optimal performance and functionality.
SWITCHING - Rds On (Max) @ Id, Vgs
Rds On (Max) @ Id, Vgs refers to the maximum on-resistance of a MOSFET or similar transistor when it is fully turned on or in the saturation region. It is specified at a given drain current (Id) and gate-source voltage (Vgs). This parameter indicates how much resistance the component will offer when conducting, impacting power loss and efficiency in a circuit. Lower Rds On values are preferred for better performance in switching applications.
4m Ω @ 121A, 10V - Vgs(th) (Max) @ Id
The parameter "Vgs(th) (Max) @ Id" in electronic components refers to the maximum gate-source threshold voltage at a specified drain current (Id). This parameter is commonly found in field-effect transistors (FETs) and is used to define the minimum voltage required at the gate terminal to turn on the transistor and allow current to flow from the drain to the source. The maximum value indicates the upper limit of this threshold voltage under specified operating conditions. It is an important parameter for determining the proper biasing and operating conditions of the FET in a circuit to ensure proper functionality and performance.
4V @ 250μA - Input Capacitance (Ciss) (Max) @ Vds
The parameter "Input Capacitance (Ciss) (Max) @ Vds" in electronic components refers to the maximum input capacitance measured at a specific drain-source voltage (Vds). Input capacitance is a crucial parameter in field-effect transistors (FETs) and power MOSFETs, as it represents the total capacitance at the input terminal of the device. This capacitance affects the device's switching speed and overall performance, as it influences the time required for charging and discharging during operation. Manufacturers provide this parameter to help designers understand the device's input characteristics and make informed decisions when integrating it into a circuit.
5669pF @ 25V - Gate Charge (Qg) (Max) @ Vgs
Gate Charge (Qg) (Max) @ Vgs refers to the maximum amount of charge that must be supplied to the gate of a MOSFET or similar device to fully turn it on, measured at a specific gate-source voltage (Vgs). This parameter is crucial for understanding the switching characteristics of the device, as it influences the speed at which the gate can charge and discharge. A higher gate charge value often implies slower switching speeds, which can impact the efficiency of high-frequency applications. This parameter is typically specified in nanocoulombs (nC) in the component's datasheet.
196nC @ 10V - Rise Time
In electronics, when describing a voltage or current step function, rise time is the time taken by a signal to change from a specified low value to a specified high value.
190ns - Vgs (Max)
Vgs (Max) refers to the maximum gate-source voltage that can be applied to a field-effect transistor (FET) without causing damage to the component. This parameter is crucial in determining the safe operating limits of the FET and helps prevent overvoltage conditions that could lead to device failure. Exceeding the specified Vgs (Max) rating can result in breakdown of the gate oxide layer, leading to permanent damage to the FET. Designers must ensure that the applied gate-source voltage does not exceed the maximum rating to ensure reliable and long-term operation of the electronic component.
±20V - Fall Time (Typ)
Fall Time (Typ) is a parameter used to describe the time it takes for a signal to transition from a high level to a low level in an electronic component, such as a transistor or an integrated circuit. It is typically measured in nanoseconds or microseconds and is an important characteristic that affects the performance of the component in digital circuits. A shorter fall time indicates faster switching speeds and can result in improved overall circuit performance, such as reduced power consumption and increased data transmission rates. Designers often consider the fall time specification when selecting components for their circuits to ensure proper functionality and efficiency.
33 ns - Continuous Drain Current (ID)
Continuous Drain Current (ID) is a key parameter in electronic components, particularly in field-effect transistors (FETs) such as MOSFETs. It refers to the maximum current that can flow continuously through the drain terminal of the FET without causing damage to the component. This parameter is crucial for determining the power handling capability of the FET and is specified by the manufacturer in the component's datasheet. Designers must ensure that the actual operating current does not exceed the specified Continuous Drain Current to prevent overheating and potential failure of the component.
202A - Threshold Voltage
The threshold voltage is a critical parameter in electronic components, particularly in field-effect transistors (FETs). It refers to the minimum voltage required at the input terminal of the FET to turn it on and allow current to flow between the source and drain terminals. Below the threshold voltage, the FET remains in the off state, acting as an open switch. Once the threshold voltage is exceeded, the FET enters the on state, conducting current between the source and drain.The threshold voltage is a key factor in determining the operating characteristics of FETs, such as their switching speed and power consumption. It is typically specified by the manufacturer and can vary depending on the specific type of FET and its design. Designers must consider the threshold voltage when selecting FETs for a particular application to ensure proper functionality and performance.
4V - JEDEC-95 Code
JEDEC-95 Code is a standardized identification system used by the Joint Electron Device Engineering Council to categorize and describe semiconductor devices. This code provides a unique alphanumeric identifier for various memory components, ensuring consistency in documentation and communication across the electronics industry. The format includes information about the type, capacity, and technology of the device, facilitating easier specification and understanding for manufacturers and engineers.
TO-220AB - Gate to Source Voltage (Vgs)
The Gate to Source Voltage (Vgs) is a crucial parameter in electronic components, particularly in field-effect transistors (FETs) such as MOSFETs. It refers to the voltage difference between the gate and source terminals of the FET. This voltage determines the conductivity of the FET and controls the flow of current through the device. By varying the Vgs, the FET can be switched on or off, allowing for precise control of electronic circuits. Understanding and properly managing the Vgs is essential for ensuring the reliable and efficient operation of FET-based circuits.
20V - Drain Current-Max (Abs) (ID)
The parameter "Drain Current-Max (Abs) (ID)" in electronic components refers to the maximum current that can flow from the drain to the source terminal of a field-effect transistor (FET) or a similar device. It is a crucial specification that indicates the maximum current handling capability of the component before it reaches its saturation point or gets damaged. This parameter is typically specified in amperes (A) and helps designers ensure that the component can safely handle the expected current levels in a circuit without exceeding its limits. It is important to consider this parameter when designing circuits to prevent overloading the component and ensure reliable operation.
75A - Drain to Source Breakdown Voltage
Drain to Source Breakdown Voltage, often denoted as V(BR) D-S, is a critical parameter in electronic components, particularly in field-effect transistors (FETs) and metal-oxide-semiconductor FETs (MOSFETs). It represents the maximum voltage that can be applied between the drain and source terminals of the device without causing breakdown or permanent damage. Exceeding this voltage can lead to excessive current flow, resulting in thermal failure or destruction of the component. It is essential for ensuring reliable operation in circuit designs where high voltages may be encountered.
40V - Pulsed Drain Current-Max (IDM)
The parameter "Pulsed Drain Current-Max (IDM)" in electronic components refers to the maximum current that the device can handle when operated under pulsed conditions. This specification is important for understanding the device's capability to handle short bursts of high current without causing damage. It is typically measured in amperes and is specified for a specific pulse width and duty cycle. Designers use this parameter to ensure that the component can withstand transient current spikes without failing, making it crucial for applications where pulsed operation is common, such as in power electronics and RF circuits.
808A - Dual Supply Voltage
Dual Supply Voltage refers to an electronic component's requirement for two separate power supply voltages, typically one positive and one negative. This configuration is commonly used in operational amplifiers, analog circuits, and certain digital devices to allow for greater signal handling capabilities and improved performance. The use of dual supply voltages enables the device to process bipolar signals, thereby enhancing its functionality in various applications.
40V - Avalanche Energy Rating (Eas)
Avalanche Energy Rating (Eas) is a parameter that quantifies the energy handling capability of a semiconductor device, particularly during avalanche breakdown conditions. It indicates the maximum energy that the device can withstand without being damaged when it experiences an avalanche effect. This rating is crucial for applications where devices might be exposed to over-voltage or other conditions that could cause unintended breakdown, ensuring reliability and longevity in operation. The Eas value helps designers select appropriate components for circuits that may encounter transient events.
620 mJ - Recovery Time
Recovery time in electronic components refers to the time it takes for a device to return to its normal operating state after being subjected to a specific stimulus or disturbance. This parameter is particularly important in devices such as diodes, transistors, and capacitors, where the recovery time can impact the overall performance and reliability of the component. A shorter recovery time indicates that the component can quickly recover from a transient event, ensuring proper functionality and minimizing any potential disruptions in the circuit. Manufacturers typically provide recovery time specifications to help engineers and designers select components that meet the requirements of their specific applications.
117 ns - Max Junction Temperature (Tj)
Max Junction Temperature (Tj) refers to the maximum allowable temperature at the junction of a semiconductor device, such as a transistor or integrated circuit. It is a critical parameter that influences the performance, reliability, and lifespan of the component. Exceeding this temperature can lead to thermal runaway, breakdown, or permanent damage to the device. Proper thermal management is essential to ensure the junction temperature remains within safe operating limits during device operation.
175°C - Nominal Vgs
Nominal Vgs refers to the standard or expected gate-source voltage in field-effect transistors (FETs) and other related electronic components. It represents the voltage level at which the transistor operates optimally, ensuring proper switching characteristics and performance. This parameter is crucial for designers to determine the appropriate control signals required for efficient operation of the device in circuits. Variations from the nominal Vgs can affect the performance and reliability of the component.
4 V - Height19.8mm
- Length10.668mm
- Width4.826mm
- REACH SVHC
The parameter "REACH SVHC" in electronic components refers to the compliance with the Registration, Evaluation, Authorization, and Restriction of Chemicals (REACH) regulation regarding Substances of Very High Concern (SVHC). SVHCs are substances that may have serious effects on human health or the environment, and their use is regulated under REACH to ensure their safe handling and minimize their impact.Manufacturers of electronic components need to declare if their products contain any SVHCs above a certain threshold concentration and provide information on the safe use of these substances. This information allows customers to make informed decisions about the potential risks associated with using the components and take appropriate measures to mitigate any hazards.Ensuring compliance with REACH SVHC requirements is essential for electronics manufacturers to meet regulatory standards, protect human health and the environment, and maintain transparency in their supply chain. It also demonstrates a commitment to sustainability and responsible manufacturing practices in the electronics industry.
No SVHC - Radiation Hardening
Radiation hardening is the process of making electronic components and circuits resistant to damage or malfunction caused by high levels of ionizing radiation, especially for environments in outer space (especially beyond the low Earth orbit), around nuclear reactors and particle accelerators, or during nuclear accidents or nuclear warfare.
No - RoHS Status
RoHS means “Restriction of Certain Hazardous Substances” in the “Hazardous Substances Directive” in electrical and electronic equipment.
ROHS3 Compliant - Lead Free
Lead Free is a term used to describe electronic components that do not contain lead as part of their composition. Lead is a toxic material that can have harmful effects on human health and the environment, so the electronics industry has been moving towards lead-free components to reduce these risks. Lead-free components are typically made using alternative materials such as silver, copper, and tin. Manufacturers must comply with regulations such as the Restriction of Hazardous Substances (RoHS) directive to ensure that their products are lead-free and environmentally friendly.
Lead Free
How to package IRF1404

IRF1404 Package
Datasheet PDF
- PCN Packaging :
- PCN Design/Specification :
- Datasheets :
- Other Related Documents :
- ConflictMineralStatement :
Popularity by Region
What is N channel Mosfet?
An N-Channel MOSFET is a type of MOSFET in which the channel of the MOSFET is composed of a majority of electrons as current carriers. When the MOSFET is activated and is on, the majority of the current flowing are electrons moving through the channel.
What conditions does IRF1404 operate?
Max Voltage Applied From Drain to Source: 40V Max Gate to Source Voltage Should Be: ±20V Max Continues Drain Current is: 162A Max Pulsed Drain Current is: 650A Max Power Dissipation is: 200W Minimum Gate Threshold Voltage is: 2V to 4V
What is the difference between transistor and MOSFET?
The only difference is in function. A MOSFET is a type of transistor commonly used in switching/amplifier type applications, as they are usually designed for higher power use (so-called “high power” transistors are mostly MOSFET and Darlington type).
What type of a device is MOSFET?
MOSFET stands for metal-oxide-semiconductor field-effect transistor. It is a field-effect transistor with a MOS structure. Typically, the MOSFET is a three-terminal device with gate (G), drain (D) and source (S) terminals.
NC7SB3157P6X: Overview, Features, and Applications14 December 2023484
A Comprehensive Guide to LTC7880IUKG#TRPBF DC/DC Switching Controller06 March 2024265
2N5401 PNP Transistor: Pinout, Datasheet, and Equivalents06 July 202123874
DS620 Temperature Sensor: Pinout, Application, Alternatives, Datasheet28 July 20211252
LSM303DLHC Sensor: Pinout, Datasheet, Application13 August 20211361
LM358 Dual Op-Amp: Pinout, Equivalent and Datasheet03 December 202117483
TCR22 Thyristors: Pinout, Datasheet and Circuit17 July 20211610
A Comprehensive Guide to the PIC18F4520IML Microcontroller29 February 2024257
Challenges and Issues in Smart Grid Infrastructure11 May 20233932
Advanced Aircraft Power Electronics Systems and Influence of Simulation, Standards, and Wide Band-Gap Devices18 February 20242402
What is a Decoupling Capacitor?23 October 202511367
How to treat 5G?23 October 20212027
Latest MLPerf Results: NVIDIA H100 GPUs Ride to the Top13 September 20222319
An Overview of Linear Integrated Circuits23 October 202511205
Introduction to Types of Oscillator Circuits20 February 202114054
Resistor Symbols: From Circuit Diagrams to PCB Design08 August 20253867
Infineon Technologies
In Stock: 100000
United States
China
Canada
Japan
Russia
Germany
United Kingdom
Singapore
Italy
Hong Kong(China)
Taiwan(China)
France
Korea
Mexico
Netherlands
Malaysia
Austria
Spain
Switzerland
Poland
Thailand
Vietnam
India
United Arab Emirates
Afghanistan
Åland Islands
Albania
Algeria
American Samoa
Andorra
Angola
Anguilla
Antigua & Barbuda
Argentina
Armenia
Aruba
Australia
Azerbaijan
Bahamas
Bahrain
Bangladesh
Barbados
Belarus
Belgium
Belize
Benin
Bermuda
Bhutan
Bolivia
Bonaire, Sint Eustatius and Saba
Bosnia & Herzegovina
Botswana
Brazil
British Indian Ocean Territory
British Virgin Islands
Brunei
Bulgaria
Burkina Faso
Burundi
Cabo Verde
Cambodia
Cameroon
Cayman Islands
Central African Republic
Chad
Chile
Christmas Island
Cocos (Keeling) Islands
Colombia
Comoros
Congo
Congo (DRC)
Cook Islands
Costa Rica
Côte d’Ivoire
Croatia
Cuba
Curaçao
Cyprus
Czechia
Denmark
Djibouti
Dominica
Dominican Republic
Ecuador
Egypt
El Salvador
Equatorial Guinea
Eritrea
Estonia
Eswatini
Ethiopia
Falkland Islands
Faroe Islands
Fiji
Finland
French Guiana
French Polynesia
Gabon
Gambia
Georgia
Ghana
Gibraltar
Greece
Greenland
Grenada
Guadeloupe
Guam
Guatemala
Guernsey
Guinea
Guinea-Bissau
Guyana
Haiti
Honduras
Hungary
Iceland
Indonesia
Iran
Iraq
Ireland
Isle of Man
Israel
Jamaica
Jersey
Jordan
Kazakhstan
Kenya
Kiribati
Kosovo
Kuwait
Kyrgyzstan
Laos
Latvia
Lebanon
Lesotho
Liberia
Libya
Liechtenstein
Lithuania
Luxembourg
Macao(China)
Madagascar
Malawi
Maldives
Mali
Malta
Marshall Islands
Martinique
Mauritania
Mauritius
Mayotte
Micronesia
Moldova
Monaco
Mongolia
Montenegro
Montserrat
Morocco
Mozambique
Myanmar
Namibia
Nauru
Nepal
New Caledonia
New Zealand
Nicaragua
Niger
Nigeria
Niue
Norfolk Island
North Korea
North Macedonia
Northern Mariana Islands
Norway
Oman
Pakistan
Palau
Palestinian Authority
Panama
Papua New Guinea
Paraguay
Peru
Philippines
Pitcairn Islands
Portugal
Puerto Rico
Qatar
Réunion
Romania
Rwanda
Samoa
San Marino
São Tomé & Príncipe
Saudi Arabia
Senegal
Serbia
Seychelles
Sierra Leone
Sint Maarten
Slovakia
Slovenia
Solomon Islands
Somalia
South Africa
South Sudan
Sri Lanka
St Helena, Ascension, Tristan da Cunha
St. Barthélemy
St. Kitts & Nevis
St. Lucia
St. Martin
St. Pierre & Miquelon
St. Vincent & Grenadines
Sudan
Suriname
Svalbard & Jan Mayen
Sweden
Syria
Tajikistan
Tanzania
Timor-Leste
Togo
Tokelau
Tonga
Trinidad & Tobago
Tunisia
Turkey
Turkmenistan
Turks & Caicos Islands
Tuvalu
U.S. Outlying Islands
U.S. Virgin Islands
Uganda
Ukraine
Uruguay
Uzbekistan
Vanuatu
Vatican City
Venezuela
Wallis & Futuna
Yemen
Zambia
Zimbabwe






