NC7SB3157P6X: Overview, Features, and Applications
Analog Switches
High-performance single-pole/double-throw (SPDT) analog switch, also known as a 2:1 multiplier/de-multiplexer bus switch, is the NC7SB3157/FSA3157.
NC7SB3157P6X Description
High-performance single-pole/double-throw (SPDT) analog switch, also known as a 2:1 multiplier/de-multiplexer bus switch, is the NC7SB3157/FSA3157.
Advanced sub-micron CMOS technology is used in the device's fabrication to produce low resistance and high-speed enable and disable timings. The circuitry that breaks before making the selection stops signals from being disrupted on the B port because during choose pin flipping, both switches are momentarily enabled. The operational range of the gadget is given as 1.65 to 5.5 V VCC. Any voltage up to 5.5 V can be applied to the control input, regardless of the VCC operating range.
NC7SB3157P6X Pinout

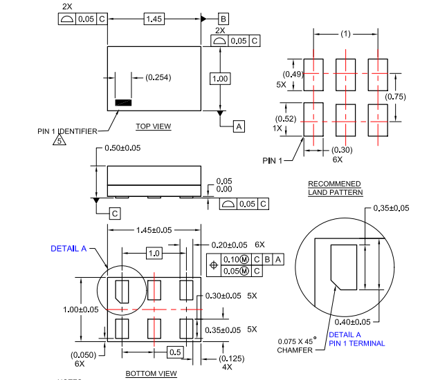
NC7SB3157P6X CAD Model
Symbol

Footprint

3D Model

NC7SB3157P6X Features
Handling Rail-to-Rail Signals
High-Impedance, Power-Down Control Input
Control input over-voltage tolerance of 7.0 V
Disconnect Previously-Enabled Circuitry
3 dB bandwidth at 250 MHz
Specifications
- TypeParameter
- Number of Pins6
- Polarity
In electronic components, polarity refers to the orientation or direction in which the component must be connected in a circuit to function properly. Components such as diodes, capacitors, and LEDs have polarity markings to indicate which terminal should be connected to the positive or negative side of the circuit. Connecting a component with incorrect polarity can lead to malfunction or damage. It is important to pay attention to polarity markings and follow the manufacturer's instructions to ensure proper operation of electronic components.
Non-Inverting - Power Dissipation
the process by which an electronic or electrical device produces heat (energy loss or waste) as an undesirable derivative of its primary action.
180 mW - Bandwidth
In electronic components, "Bandwidth" refers to the range of frequencies over which the component can effectively operate or pass signals without significant loss or distortion. It is a crucial parameter for devices like amplifiers, filters, and communication systems. The bandwidth is typically defined as the difference between the upper and lower frequencies at which the component's performance meets specified criteria, such as a certain level of signal attenuation or distortion. A wider bandwidth indicates that the component can handle a broader range of frequencies, making it more versatile for various applications. Understanding the bandwidth of electronic components is essential for designing and optimizing circuits to ensure proper signal transmission and reception within the desired frequency range.
250 MHz - Lead Free
Lead Free is a term used to describe electronic components that do not contain lead as part of their composition. Lead is a toxic material that can have harmful effects on human health and the environment, so the electronics industry has been moving towards lead-free components to reduce these risks. Lead-free components are typically made using alternative materials such as silver, copper, and tin. Manufacturers must comply with regulations such as the Restriction of Hazardous Substances (RoHS) directive to ensure that their products are lead-free and environmentally friendly.
Lead Free
NC7SB3157P6X Package

What is the ON-resistance of the NC7SB3157P6X?
The ON-resistance of the NC7SB3157P6X is typically very low, which means it introduces minimal resistance when the switch is turned on. This ensures that the signal passing through the switch experiences minimal attenuation or distortion.
Can I use the NC7SB3157P6X in both digital and analog circuits?
Yes, the NC7SB3157P6X is designed to be compatible with both digital and analog signals. It can handle a wide range of voltages, making it suitable for various applications that involve switching signals of different types and levels.
SN74HC595N Shift Register: Datasheet, Pinout and Circuit11 September 20217863
PCA9306DCTR Translator: Features, Applications and Datasheet26 December 2023359
SB230 Diode: Application, Pinout, Datasheet30 July 20211027
TDA2004 Stereo Amplifier: Circuit, Datasheet, Working10 November 202113510
AD936x Series RF Agile Transceiver: Wideband Performance Review and SDR Design Guide10 February 2026819
ADF4351 Synthesizer: Datasheet, Pinout and Alternatives24 August 20219572
Designing with AD623: Datasheet, Pinout, and Medical/Transducer Interface Guide05 February 2026160
NE5532 - Dual Low Noise Op-Amp09 December 20219745
Apple Will Help TSMC to Be in the Leading Position in the Next Era16 March 20223413
What is Power over Ethernet(PoE)?01 December 20212844
Basic Understanding of Attenuators15 September 202017378
New Crisis in Semiconductors: Neon Gas Prices Soar 9 Times21 March 20229006
What is an Electrical Connector?19 November 20258778
Capacitor Basic: How do Capacitors Work?18 April 202515761
0 Ohm Resistor Explained10 December 202119210
What is an Electromagnetic Relay?13 October 202011834
Rochester Electronics
In Stock
United States
China
Canada
Japan
Russia
Germany
United Kingdom
Singapore
Italy
Hong Kong(China)
Taiwan(China)
France
Korea
Mexico
Netherlands
Malaysia
Austria
Spain
Switzerland
Poland
Thailand
Vietnam
India
United Arab Emirates
Afghanistan
Åland Islands
Albania
Algeria
American Samoa
Andorra
Angola
Anguilla
Antigua & Barbuda
Argentina
Armenia
Aruba
Australia
Azerbaijan
Bahamas
Bahrain
Bangladesh
Barbados
Belarus
Belgium
Belize
Benin
Bermuda
Bhutan
Bolivia
Bonaire, Sint Eustatius and Saba
Bosnia & Herzegovina
Botswana
Brazil
British Indian Ocean Territory
British Virgin Islands
Brunei
Bulgaria
Burkina Faso
Burundi
Cabo Verde
Cambodia
Cameroon
Cayman Islands
Central African Republic
Chad
Chile
Christmas Island
Cocos (Keeling) Islands
Colombia
Comoros
Congo
Congo (DRC)
Cook Islands
Costa Rica
Côte d’Ivoire
Croatia
Cuba
Curaçao
Cyprus
Czechia
Denmark
Djibouti
Dominica
Dominican Republic
Ecuador
Egypt
El Salvador
Equatorial Guinea
Eritrea
Estonia
Eswatini
Ethiopia
Falkland Islands
Faroe Islands
Fiji
Finland
French Guiana
French Polynesia
Gabon
Gambia
Georgia
Ghana
Gibraltar
Greece
Greenland
Grenada
Guadeloupe
Guam
Guatemala
Guernsey
Guinea
Guinea-Bissau
Guyana
Haiti
Honduras
Hungary
Iceland
Indonesia
Iran
Iraq
Ireland
Isle of Man
Israel
Jamaica
Jersey
Jordan
Kazakhstan
Kenya
Kiribati
Kosovo
Kuwait
Kyrgyzstan
Laos
Latvia
Lebanon
Lesotho
Liberia
Libya
Liechtenstein
Lithuania
Luxembourg
Macao(China)
Madagascar
Malawi
Maldives
Mali
Malta
Marshall Islands
Martinique
Mauritania
Mauritius
Mayotte
Micronesia
Moldova
Monaco
Mongolia
Montenegro
Montserrat
Morocco
Mozambique
Myanmar
Namibia
Nauru
Nepal
New Caledonia
New Zealand
Nicaragua
Niger
Nigeria
Niue
Norfolk Island
North Korea
North Macedonia
Northern Mariana Islands
Norway
Oman
Pakistan
Palau
Palestinian Authority
Panama
Papua New Guinea
Paraguay
Peru
Philippines
Pitcairn Islands
Portugal
Puerto Rico
Qatar
Réunion
Romania
Rwanda
Samoa
San Marino
São Tomé & Príncipe
Saudi Arabia
Senegal
Serbia
Seychelles
Sierra Leone
Sint Maarten
Slovakia
Slovenia
Solomon Islands
Somalia
South Africa
South Sudan
Sri Lanka
St Helena, Ascension, Tristan da Cunha
St. Barthélemy
St. Kitts & Nevis
St. Lucia
St. Martin
St. Pierre & Miquelon
St. Vincent & Grenadines
Sudan
Suriname
Svalbard & Jan Mayen
Sweden
Syria
Tajikistan
Tanzania
Timor-Leste
Togo
Tokelau
Tonga
Trinidad & Tobago
Tunisia
Turkey
Turkmenistan
Turks & Caicos Islands
Tuvalu
U.S. Outlying Islands
U.S. Virgin Islands
Uganda
Ukraine
Uruguay
Uzbekistan
Vanuatu
Vatican City
Venezuela
Wallis & Futuna
Yemen
Zambia
Zimbabwe


Product
Brand
Articles
Tools

















