AD780 3 ppm/°C Voltage Reference: Datasheet, Specs, and Design Analysis
-40°C~85°C TA Programmable PMIC AD780 1 Channel 5V 8-SOIC (0.154, 3.90mm Width)









-40°C~85°C TA Programmable PMIC AD780 1 Channel 5V 8-SOIC (0.154, 3.90mm Width)
Discover the AD780 ultrahigh precision 2.5V/3.0V voltage reference by Analog Devices. Explore specs, pinouts, and equivalents to optimize your circuit design.
- Executive Summary: What is the AD780?
- 1. Technical Specifications & Performance Analysis
- 2. Pinout, Package, and Configuration
- 3. Design & Integration Guide (For Engineers & Makers)
- 4. Typical Applications & Use Cases
- 5. Alternatives and Cross-Reference Guide
- 6. Frequently Asked Questions (FAQ)
- 7. Resources
- Specifications
- Parts with Similar Specs
- Datasheet PDF
Executive Summary: What is the AD780?
The AD780 is an ultrahigh precision bandgap reference voltage designed by Analog Devices to provide a pin-programmable 2.5 V or 3.0 V output from inputs ranging between 4.0 V and 36 V. Engineered to deliver exceptional temperature stability and low initial error, it acts as a highly reliable foundational voltage source for sensitive analog-to-digital and digital-to-analog conversion circuits.
Market Position: High-performance precision component, favored for its exceptional stability over temperature fluctuations.
Top Features: Ultralow drift (3 ppm/°C max), high accuracy (±1 mV max), and a pin-programmable 2.5 V or 3.0 V output.
Primary Audience: Ideal for design engineers working on high-resolution ADCs/DACs, temperature transducers, and industrial control systems requiring absolute voltage stability.
Supply Status: Active in its RoHS-compliant (unleaded) formats, though legacy leaded packages are obsolete.
1. Technical Specifications & Performance Analysis
1.1 Core Architecture (CPU/Logic/Power)
The AD780 operates on an advanced precision bandgap architecture. This design allows the component to maintain an incredibly stable output voltage despite fluctuations in the input supply or ambient temperature. A unique feature of this architecture is its flexibility: it supports both series and shunt mode operation, giving engineers the versatility to implement it as a standard series regulator or a two-terminal shunt reference, depending on BOM constraints and power topologies.
1.2 Key Electrical Characteristics
For procurement managers evaluating price vs performance, the AD780's electrical characteristics justify its selection in high-fidelity designs:
Input Voltage Range: 4.0 V to 36 V (Offers massive headroom for industrial 12V/24V rails).
Output Voltage: 2.5 V or 3.0 V (Pin-programmable).
Output Current Capability: ±10 mA (Can source and sink current).
Quiescent Current: 1 mA max (Low power consumption, suitable for portable designs).
Temperature Drift: 3 ppm/°C max (Ensures minimal voltage shift in extreme environments).
Output Noise: 100 nV/√Hz (Crucial for high-resolution ADC/DAC applications).
1.3 Interfaces and Connectivity
Unlike complex digital ICs requiring SPI or I2C buses, the AD780 relies on straightforward hardware pin-strapping for configuration. It includes a dedicated pin for output voltage selection and a unique Temperature Output Pin, which provides a voltage proportional to the absolute temperature, effectively allowing the IC to double as a basic temperature transducer.

2. Pinout, Package, and Configuration
2.1 Pin Configuration Guide

While you should always consult the official AD780 datasheet for the exact schematic symbol and wiring, the standard 8-pin layout typically includes: - VIN: Input power supply (4.0V to 36V). - GND: System ground. - VOUT: The precision reference output (2.5V or 3.0V). - O/P Select: Tie to GND or VIN to program the output voltage. - TEMP: Temperature proportional output voltage.
2.2 Naming Convention & Ordering Codes
Understanding the Part Numbers:Procurement managers must pay close attention to the suffixes when ordering this part to avoid compliance issues: - Grade Suffixes (e.g., A, B): Denote the precision and temperature drift grades (e.g., 'B' grade typically offers the tighter 3 ppm/°C spec). - 'Z' Suffix (e.g., AD780ANZ, AD780BNZ): Indicates a Pb-free, RoHS-compliant package. Do not order parts without the 'Z' for modern, environmentally compliant manufacturing.
2.3 Available Packages
| Package Type | Dimensions | Common Use Case |
|---|---|---|
| 8-Lead PDIP | Standard DIP | Prototyping, breadboard testing, and legacy through-hole boards. |
| 8-Lead SOIC | Standard SOIC-8 | High-volume surface-mount manufacturing. |
| 8-Lead CERDIP | Standard Ceramic | High-reliability, aerospace, or extreme temperature industrial uses. |
3. Design & Integration Guide (For Engineers & Makers)
Pro Tip: Always verify pin compatibility before migrating from older series references like the AD680, as pin functions (like the O/P Select) may differ.
3.1 Hardware Implementation
Bypass Capacitors: While the AD780 is highly stable, standard practice dictates placing a 0.1 µF ceramic capacitor close to the VIN pin.
PCB Layout: Keep the VOUT trace as short and thick as possible to minimize parasitic resistance. Ensure a solid, noise-free ground plane.
Thermal Management: Given its low 1 mA maximum quiescent current, the AD780 dissipates very little heat. A heatsink is not required under normal operating conditions.
3.2 Common Design Challenges
Issue: Capacitive Load Stability Symptom: Potential instability, ringing, or noise transients when driving larger capacitive loads. Fix: If the load capacitance is expected to be greater than 1 nF, use a 1 µF bypass capacitor on the supply (+VIN to GND) to maintain phase margin and stability.
Issue: Leaded Package Obsolescence Symptom: BOM rejection due to non-compliance with modern environmental regulations (original AD780AN/BN parts). Fix: Update your BOM to migrate to RoHS compliant unleaded versions (AD780ANZ, AD780BNZ).
4. Typical Applications & Use Cases
Watch Tutorial: AD780
4.1 Real-World Example: High-Resolution Industrial Data Acquisition
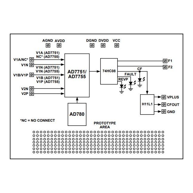
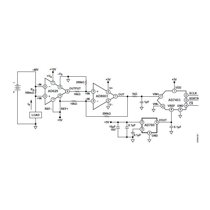
In an industrial control system utilizing a 24-bit ADC, any fluctuation in the reference voltage directly translates to measurement error. The AD780 is frequently used as the primary voltage reference for these ADCs. By programming the AD780 to 3.0V and feeding it from a noisy 12V or 24V industrial rail, the IC rejects the noise and provides an ultra-stable 3.0V reference with a maximum drift of only 3 ppm/°C. Furthermore, the TEMP pin can be routed to a spare ADC channel to monitor the ambient temperature of the control board.

5. Alternatives and Cross-Reference Guide
When balancing price vs performance, or navigating supply chain shortages, consider these AD780 equivalent and alternative options:
ADR421: A modern, ultra-low noise alternative. Excellent if you need even better noise performance for 24-bit+ ADCs.
ADR03: A great cost-effective alternative for 2.5V reference applications that might not require the extreme 3 ppm/°C stability of the AD780.
REF192: A widely used 2.5V precision reference. Often used as a direct or functional replacement in low-dropout applications.
LT1019: A classic precision reference from Analog Devices (formerly Linear Tech). Offers excellent stability but check pinout compatibility.
AD680: A predecessor/alternative bandgap reference. Good for legacy designs, but the AD780 offers the advantage of programmable outputs.
6. Frequently Asked Questions (FAQ)
Q: What is the difference between AD780 and the ADR03? The AD780 offers a unique pin-programmable output (2.5V or 3.0V) and a temperature output pin, whereas the ADR03 is a fixed 2.5V reference. The AD780 often provides superior initial accuracy depending on the grade selected.
Q: Can AD780 be used in portable, battery-operated equipment? Yes. With a maximum quiescent current of just 1 mA, the AD780 is highly suitable for portable and battery-operated devices that require precision measurements without excessive power drain.
Q: Where can I find the datasheet and schematic symbol library files for AD780? The official AD780 datasheet, along with CAD models and schematic symbols for Altium, Eagle, and KiCad, can be downloaded directly from the Analog Devices website or authorized distributor portals.
Q: How do I program/configure the AD780 output voltage? The output is hardware-programmed via the O/P Select pin. Tying this pin to specific logic levels (refer to the datasheet for exact wiring) toggles the internal resistor network between the 2.5V and 3.0V output modes.
Q: Can the AD780 interface directly with Arduino or STM32 microcontrollers? Yes. The AD780 is frequently used to provide a clean external AREF (Analog Reference) voltage to Arduino or STM32 MCUs, vastly improving the accuracy of their internal ADCs compared to using the default USB/system power rail.
7. Resources
Development Tools & Software:
Analog Devices LTspice (for simulating reference stability and transient response).
ADI Precision Studio (for signal chain evaluation).
Official Analog Devices AD780 Evaluation Boards.
Specifications
Parts with Similar Specs
- ImagePart NumberManufacturerPackage / CaseNumber of PinsMax Output CurrentMax Input VoltageMin Output VoltageOutput VoltageToleranceTemperature CoefficientView Compare
AD780ARZ-REEL7
8-SOIC (0.154, 3.90mm Width)
8
10 mA
36 V
3 V
3 V
±0.2%, ±0.17%
7ppm/°C
8-SOIC (0.154, 3.90mm Width)
8
10 mA
36 V
3 V
3 V
±0.06%, ±0.17%
7ppm/°C
8-SOIC (0.154, 3.90mm Width)
8
10 mA
36 V
3 V
2.5 V
±0.2%, ±0.17%
7ppm/°C
8-SOIC (0.154, 3.90mm Width)
8
10 mA
36 V
3 V
3 V
±0.2%, ±0.17%
7ppm/°C
Datasheet PDF
- Datasheets :
- Design Resources :
- ConflictMineralStatement :
Unveiling the SANYO LC87F5R96B 8-Bit Microcontroller: An In-depth Exploration29 February 2024125
DS1307N Real-Time Clock: Circuit, Pinout, and Datasheet17 April 20251023
MPSA06 Transistor: Datasheet, Equivalent, Pinout29 November 20216376
GRM21BR71C475KA73L Ceramic Capacitor: Datasheet, Price, GRM Series15 March 2022294
A Comprehensive Guide to OP97EN8#PBF Linear Amplifier06 March 2024132
Atmega8a vs Atmega328P[Video+FAQ]18 May 202210063
What is BD139?04 August 20215691
STM8S003F3/K3 Microcontroller: A Comprehensive Technical Analysis29 February 2024198
What is a Motherboard Chipset? A Guide to 2026 Architecture13 March 20265628
The Role of SiC in Extended Space Missions20 September 20242086
cr2450 vs cr2032 what to know before replacing20 August 20252623
Semiconductor Industry Techniques Revolutionize Battery Manufacturing06 November 20232056
50 Frequently Asked Questions about Oscilloscope22 November 202112362
How to Decide Which Relay Socket Is Right for Your Next Build10 July 20252385
NOR Flash: Working, Structure and Applications18 November 202113463
What is an Auto Transformer and Its Working?01 April 20218559
Analog Devices Inc.
In Stock: 28
United States
China
Canada
Japan
Russia
Germany
United Kingdom
Singapore
Italy
Hong Kong(China)
Taiwan(China)
France
Korea
Mexico
Netherlands
Malaysia
Austria
Spain
Switzerland
Poland
Thailand
Vietnam
India
United Arab Emirates
Afghanistan
Åland Islands
Albania
Algeria
American Samoa
Andorra
Angola
Anguilla
Antigua & Barbuda
Argentina
Armenia
Aruba
Australia
Azerbaijan
Bahamas
Bahrain
Bangladesh
Barbados
Belarus
Belgium
Belize
Benin
Bermuda
Bhutan
Bolivia
Bonaire, Sint Eustatius and Saba
Bosnia & Herzegovina
Botswana
Brazil
British Indian Ocean Territory
British Virgin Islands
Brunei
Bulgaria
Burkina Faso
Burundi
Cabo Verde
Cambodia
Cameroon
Cayman Islands
Central African Republic
Chad
Chile
Christmas Island
Cocos (Keeling) Islands
Colombia
Comoros
Congo
Congo (DRC)
Cook Islands
Costa Rica
Côte d’Ivoire
Croatia
Cuba
Curaçao
Cyprus
Czechia
Denmark
Djibouti
Dominica
Dominican Republic
Ecuador
Egypt
El Salvador
Equatorial Guinea
Eritrea
Estonia
Eswatini
Ethiopia
Falkland Islands
Faroe Islands
Fiji
Finland
French Guiana
French Polynesia
Gabon
Gambia
Georgia
Ghana
Gibraltar
Greece
Greenland
Grenada
Guadeloupe
Guam
Guatemala
Guernsey
Guinea
Guinea-Bissau
Guyana
Haiti
Honduras
Hungary
Iceland
Indonesia
Iran
Iraq
Ireland
Isle of Man
Israel
Jamaica
Jersey
Jordan
Kazakhstan
Kenya
Kiribati
Kosovo
Kuwait
Kyrgyzstan
Laos
Latvia
Lebanon
Lesotho
Liberia
Libya
Liechtenstein
Lithuania
Luxembourg
Macao(China)
Madagascar
Malawi
Maldives
Mali
Malta
Marshall Islands
Martinique
Mauritania
Mauritius
Mayotte
Micronesia
Moldova
Monaco
Mongolia
Montenegro
Montserrat
Morocco
Mozambique
Myanmar
Namibia
Nauru
Nepal
New Caledonia
New Zealand
Nicaragua
Niger
Nigeria
Niue
Norfolk Island
North Korea
North Macedonia
Northern Mariana Islands
Norway
Oman
Pakistan
Palau
Palestinian Authority
Panama
Papua New Guinea
Paraguay
Peru
Philippines
Pitcairn Islands
Portugal
Puerto Rico
Qatar
Réunion
Romania
Rwanda
Samoa
San Marino
São Tomé & Príncipe
Saudi Arabia
Senegal
Serbia
Seychelles
Sierra Leone
Sint Maarten
Slovakia
Slovenia
Solomon Islands
Somalia
South Africa
South Sudan
Sri Lanka
St Helena, Ascension, Tristan da Cunha
St. Barthélemy
St. Kitts & Nevis
St. Lucia
St. Martin
St. Pierre & Miquelon
St. Vincent & Grenadines
Sudan
Suriname
Svalbard & Jan Mayen
Sweden
Syria
Tajikistan
Tanzania
Timor-Leste
Togo
Tokelau
Tonga
Trinidad & Tobago
Tunisia
Turkey
Turkmenistan
Turks & Caicos Islands
Tuvalu
U.S. Outlying Islands
U.S. Virgin Islands
Uganda
Ukraine
Uruguay
Uzbekistan
Vanuatu
Vatican City
Venezuela
Wallis & Futuna
Yemen
Zambia
Zimbabwe


Product
Brand
Articles
Tools





