MIC2560 PCMCIA Switch: Pinout, Equivalent and Datasheet
N-Channel PMIC MIC2560 16-SOIC (0.295, 7.50mm Width)
The MIC2560 is a low-resistance power MOSFET switching matrix that operates from the computer system main power supply. The MIC2560 is designed for efficient operation. The MIC2560 provides power management capability under the control of the PC Card controller. Furthermore, Huge range of Semiconductors, Capacitors, Resistors and IcS in stock. Welcome RFQ.

Hub, Switch, & Router Explained - What's the difference?
MIC2560 Pinout
The following figure is the diagram of MIC2560 pinout.

Pinout
MIC2560 CAD Model
The following is MIC2560 Footprint.

Footprint
MIC2560 Overview
The MIC2560 is a low-resistance power MOSFET switching matrix that operates from the computer system main power supply. The MIC2560 is designed for efficient operation. The MIC2560 provides power management capability under the control of the PC Card controller. The MIC2560 VCC and VPP Matrix controls PCMCIA (Personal Computer Memory Card International Association) memory card power supply pins, both VCC and VPP. The MIC2560 switches voltages from the system power supply to VCC and VPP. The MIC2560 switches between the three VCC voltages (OFF, 3.3V and 5.0V) and the VPP voltages (OFF, 0V, 3.3V, 5V, or 12.0V) required by PCMCIA cards. Output voltage is selected by two digital inputs for each output and output current ranges up to 1A for VCC and 200mA for VPP. The MIC2560 provides power management capability under the control of the PC Card controller and features over current and thermal protection of the power outputs, zero current “sleep” mode, suspend mode, low power dynamic mode, and on-off control of the PCMCIA socket power. The MIC2560 is designed for efficient operation. In standby (sleep) mode the device draws very little quiescent current, typically 0.01µA. The device and PCMCIA ports are protected by current limiting and overtemperature shutdown. Full cross-conduction lockout protects the system power supply.
This article will introduce MIC2560 systematically from its features, pinout to its specifications, applications, also including MIC2560 datasheet and so much more.
MIC2560 Features
● Complete PCMCIA VCC and VPP switch matrix in a single IC
● No external components required
● Logic compatible with industry standard PCMCIA controllers
● No voltage overshoot or switching transients
● Break-before-make switching
● Output current limit and overtemperature shutdown
● Digital flag for error condition indication
● Ultra-low power consumption
● Digital selection of VCC and VPP voltages
● Over 1A VCC output current
● 200mA VPP (12V) output current
● Options for direct compatibility with industry standard PCMCIA controllers
● 16-Pin SOIC package
Specifications
- TypeParameter
- Factory Lead Time16 Weeks
- Mounting Type
The "Mounting Type" in electronic components refers to the method used to attach or connect a component to a circuit board or other substrate, such as through-hole, surface-mount, or panel mount.
Surface Mount - Package / Case
refers to the protective housing that encases an electronic component, providing mechanical support, electrical connections, and thermal management.
16-SOIC (0.295, 7.50mm Width) - Supplier Device Package
The parameter "Supplier Device Package" in electronic components refers to the physical packaging or housing of the component as provided by the supplier. It specifies the form factor, dimensions, and layout of the component, which are crucial for compatibility and integration into electronic circuits and systems. The supplier device package information typically includes details such as the package type (e.g., DIP, SOP, QFN), number of pins, pitch, and overall size, allowing engineers and designers to select the appropriate component for their specific application requirements. Understanding the supplier device package is essential for proper component selection, placement, and soldering during the manufacturing process to ensure optimal performance and reliability of the electronic system.
16-SOIC - Operating Temperature
The operating temperature is the range of ambient temperature within which a power supply, or any other electrical equipment, operate in. This ranges from a minimum operating temperature, to a peak or maximum operating temperature, outside which, the power supply may fail.
-40°C~85°C TA - Packaging
Semiconductor package is a carrier / shell used to contain and cover one or more semiconductor components or integrated circuits. The material of the shell can be metal, plastic, glass or ceramic.
Tube - Published2006
- Part Status
Parts can have many statuses as they progress through the configuration, analysis, review, and approval stages.
Active - Moisture Sensitivity Level (MSL)
Moisture Sensitivity Level (MSL) is a standardized rating that indicates the susceptibility of electronic components, particularly semiconductors, to moisture-induced damage during storage and the soldering process, defining the allowable exposure time to ambient conditions before they require special handling or baking to prevent failures
2 (1 Year) - Resistance
Resistance is a fundamental property of electronic components that measures their opposition to the flow of electric current. It is denoted by the symbol "R" and is measured in ohms (Ω). Resistance is caused by the collisions of electrons with atoms in a material, which generates heat and reduces the flow of current. Components with higher resistance will impede the flow of current more than those with lower resistance. Resistance plays a crucial role in determining the behavior and functionality of electronic circuits, such as limiting current flow, voltage division, and controlling power dissipation.
1Ohm - Max Operating Temperature
The Maximum Operating Temperature is the maximum body temperature at which the thermistor is designed to operate for extended periods of time with acceptable stability of its electrical characteristics.
85°C - Min Operating Temperature
The "Min Operating Temperature" parameter in electronic components refers to the lowest temperature at which the component is designed to operate effectively and reliably. This parameter is crucial for ensuring the proper functioning and longevity of the component, as operating below this temperature may lead to performance issues or even damage. Manufacturers specify the minimum operating temperature to provide guidance to users on the environmental conditions in which the component can safely operate. It is important to adhere to this parameter to prevent malfunctions and ensure the overall reliability of the electronic system.
-40°C - Current Rating
Current rating is the maximum current that a fuse will carry for an indefinite period without too much deterioration of the fuse element.
200mA - Base Part Number
The "Base Part Number" (BPN) in electronic components serves a similar purpose to the "Base Product Number." It refers to the primary identifier for a component that captures the essential characteristics shared by a group of similar components. The BPN provides a fundamental way to reference a family or series of components without specifying all the variations and specific details.
MIC2560 - Number of Outputs2
- Output Type
The "Output Type" parameter in electronic components refers to the type of signal or data that is produced by the component as an output. This parameter specifies the nature of the output signal, such as analog or digital, and can also include details about the voltage levels, current levels, frequency, and other characteristics of the output signal. Understanding the output type of a component is crucial for ensuring compatibility with other components in a circuit or system, as well as for determining how the output signal can be utilized or processed further. In summary, the output type parameter provides essential information about the nature of the signal that is generated by the electronic component as its output.
N-Channel - Max Output Current
The maximum current that can be supplied to the load.
200mA - Operating Supply Voltage
The voltage level by which an electrical system is designated and to which certain operating characteristics of the system are related.
12V - Interface
In electronic components, the term "Interface" refers to the point at which two different systems, devices, or components connect and interact with each other. It can involve physical connections such as ports, connectors, or cables, as well as communication protocols and standards that facilitate the exchange of data or signals between the connected entities. The interface serves as a bridge that enables seamless communication and interoperability between different parts of a system or between different systems altogether. Designing a reliable and efficient interface is crucial in ensuring proper functionality and performance of electronic components and systems.
Logic - Current - Output (Max)
Current - Output (Max) is a parameter in electronic components that specifies the maximum amount of current that the component can deliver at its output. This parameter is crucial in determining the capability of the component to supply power to other parts of a circuit or system. It is typically measured in amperes (A) and helps in ensuring that the component can handle the required current without getting damaged or causing malfunctions. Designers and engineers use this specification to select components that can meet the current requirements of their circuits and prevent overloading or overheating issues.
200mA - Output Configuration
Output Configuration in electronic components refers to the arrangement or setup of the output pins or terminals of a device. It defines how the output signals are structured and how they interact with external circuits or devices. The output configuration can determine the functionality and compatibility of the component in a circuit design. Common types of output configurations include single-ended, differential, open-drain, and push-pull configurations, each serving different purposes and applications in electronic systems. Understanding the output configuration of a component is crucial for proper integration and operation within a circuit.
Low Side - Output Current
The rated output current is the maximum load current that a power supply can provide at a specified ambient temperature. A power supply can never provide more current that it's rated output current unless there is a fault, such as short circuit at the load.
200mA - Voltage - Supply (Vcc/Vdd)
Voltage - Supply (Vcc/Vdd) is a key parameter in electronic components that specifies the voltage level required for the proper operation of the device. It represents the power supply voltage that needs to be provided to the component for it to function correctly. This parameter is crucial as supplying the component with the correct voltage ensures that it operates within its specified limits and performance characteristics. It is typically expressed in volts (V) and is an essential consideration when designing and using electronic circuits to prevent damage and ensure reliable operation.
Not Required - Max Supply Current
Max Supply Current refers to the maximum amount of electrical current that a component can draw from its power supply under normal operating conditions. It is a critical parameter that ensures the component operates reliably without exceeding its thermal limits or damaging internal circuitry. Exceeding this current can lead to overheating, performance degradation, or failure of the component. Understanding this parameter is essential for designing circuits that provide adequate power while avoiding overload situations.
50μA - Input Type
Input type in electronic components refers to the classification of the signal or data that a component can accept for processing or conversion. It indicates whether the input is analog, digital, or a specific format such as TTL or CMOS. Understanding input type is crucial for ensuring compatibility between different electronic devices and circuits, as it determines how signals are interpreted and interacted with.
Non-Inverting - Switch Type
Based on their characteristics, there are basically three types of switches: Linear switches, tactile switches and clicky switches.
PCMCIA Switch - Ratio - Input:Output
The parameter "Ratio - Input:Output" in electronic components refers to the relationship between the input and output quantities of a device or system. It is a measure of how the input signal or energy is transformed or converted into the output signal or energy. This ratio is often expressed as a numerical value or percentage, indicating the efficiency or effectiveness of the component in converting the input to the desired output. A higher ratio typically signifies better performance or higher efficiency, while a lower ratio may indicate losses or inefficiencies in the conversion process. Understanding and optimizing the input-output ratio is crucial in designing and evaluating electronic components for various applications.
3:2 - Voltage - Load
Voltage - Load refers to the voltage across a load component in an electronic circuit when it is connected and operational. It represents the electrical potential difference that drives current through the load, which can be a resistor, motor, or other devices that consume electrical power. The voltage - load relationship is crucial for determining how much power the load will utilize and how it will affect the overall circuit performance. Properly managing voltage - load is essential for ensuring devices operate efficiently and safely within their specified limits.
3.3V 5V 12V - Fault Protection
Protection against electric shock under. single fault conditions.
Current Limiting (Fixed), Over Temperature - Rds On (Typ)
The parameter "Rds On (Typ)" in electronic components refers to the typical on-state resistance of a MOSFET (Metal-Oxide-Semiconductor Field-Effect Transistor) when it is fully conducting. This parameter indicates the resistance encountered by the current flowing through the MOSFET when it is in the on-state, which affects the power dissipation and efficiency of the component. A lower Rds On value indicates better conduction and lower power loss in the MOSFET. Designers often consider this parameter when selecting components for applications where minimizing power loss and maximizing efficiency are critical factors.
550mOhm - Features
In the context of electronic components, the term "Features" typically refers to the specific characteristics or functionalities that a particular component offers. These features can vary depending on the type of component and its intended use. For example, a microcontroller may have features such as built-in memory, analog-to-digital converters, and communication interfaces like UART or SPI.When evaluating electronic components, understanding their features is crucial in determining whether they meet the requirements of a particular project or application. Engineers and designers often look at features such as operating voltage, speed, power consumption, and communication protocols to ensure compatibility and optimal performance.In summary, the "Features" parameter in electronic components describes the unique attributes and capabilities that differentiate one component from another, helping users make informed decisions when selecting components for their electronic designs.
Status Flag - Radiation Hardening
Radiation hardening is the process of making electronic components and circuits resistant to damage or malfunction caused by high levels of ionizing radiation, especially for environments in outer space (especially beyond the low Earth orbit), around nuclear reactors and particle accelerators, or during nuclear accidents or nuclear warfare.
No - RoHS Status
RoHS means “Restriction of Certain Hazardous Substances” in the “Hazardous Substances Directive” in electrical and electronic equipment.
ROHS3 Compliant - Lead Free
Lead Free is a term used to describe electronic components that do not contain lead as part of their composition. Lead is a toxic material that can have harmful effects on human health and the environment, so the electronics industry has been moving towards lead-free components to reduce these risks. Lead-free components are typically made using alternative materials such as silver, copper, and tin. Manufacturers must comply with regulations such as the Restriction of Hazardous Substances (RoHS) directive to ensure that their products are lead-free and environmentally friendly.
Lead Free
MIC2560 Functional Block Diagram
The following is the Logic Block Diagram of MIC2560.

Logic Block Diagram
MIC2560 Equivalent
| Model number | Manufacturer | Description |
| MIC2560-1BWM | Micrel Inc | Power Supply Support Circuit Fixed 1 Channel PDSO16 |
| MIC2560-0BWMT&R | Micrel Inc | Power Supply Support Circuit, Fixed, 1 Channel, PDSO16, SOIC-16 |
| MIC2560-2BWMT&R | Micrel Inc | Power Supply Support Circuit, Fixed, 3 Channel, PDSO16, SOIC-16 |
| MIC2560-1YWM-TR | Microchip Technology Inc | 1-CHANNEL POWER SUPPLY SUPPORT CKT, PDSO16 |
| MIC2560-1BWMT&R | Micrel Inc | Power Supply Support Circuit, Fixed, 1 Channel, PDSO16, SOIC-16 |
Parts with Similar Specs
- ImagePart NumberManufacturerPackage / CaseNumber of OutputsCurrent - Output (Max)Max Output CurrentOutput CurrentInterfaceVoltage - Supply (Vcc/Vdd)View Compare
MIC2560-1YWM
16-SOIC (0.295, 7.50mm Width)
2
200mA
200 mA
200 mA
Logic
Not Required
14-SOIC (0.154, 3.90mm Width)
2
200mA
200 mA
1 A
Logic
Not Required
14-SOIC (0.154, 3.90mm Width)
2
200mA
200 mA
1 A
Logic
Not Required
14-SOIC (0.154, 3.90mm Width)
2
200mA
200 mA
-
Logic
Not Required
14-SOIC (0.154, 3.90mm Width)
2
200mA
-
-
Logic
Not Required
MIC2560 Applications
● PCMCIA power supply pin voltage switch
● Font cards for printers and scanners
● Data-collection systems
● Machine control data input systems
● Wireless communications
● Bar code data collection systems
● Instrumentation configuration/data-logging
● Docking stations (portable and desktop)
● Power supply management
● Power analog switching
MIC2560 Typical Application
The following is the Typical Application of MIC2560.

Typical Application
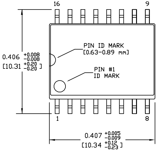
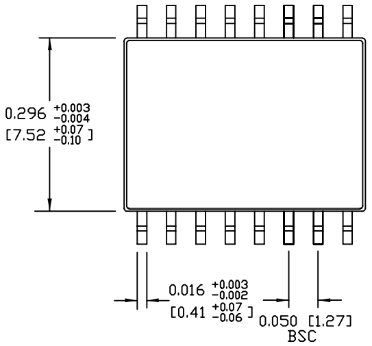
MIC2560 Package
The following diagrams show the MIC2560 package.

Top View

Bottom View

End View

Detail “A”
MIC2560 Manufacturer
Microchip Technology Inc. is a leading provider of microcontroller and analog semiconductors, providing low-risk product development, lower total system cost and faster time to market for thousands of diverse customer applications worldwide. Headquartered in Chandler, Arizona, Microchip offers outstanding technical support along with dependable delivery and quality.
Datasheet PDF
- Datasheets :
- PCN Assembly/Origin :
- PCN Packaging :
- ConflictMineralStatement :
How many pins of MIC2560?
16 pins.
What’s the operating temperature of MIC2560?
-40°C~85°C TA.
What is the stability of MIC2560?
The MIC2560 is a switch and has no stability problems.
What is the essential property of the MIC2560?
The MIC2560 is a low-resistance power MOSFET switching matrix that operates from the computer system main power supply. The MIC2560 is designed for efficient operation.
What was the initial intention of MIC2560 design?
The MIC2560 is designed for compatibility with the Personal Computer Memory Card International Association’s (PCMCIA) Specification, revision 2.1 as well as the PC Card Specification, (March 1995), including the CardBus option.
Does the MIC2560 output switch meet PCMCIA specifications?
MIC2560 output switches are capable of more current than needed in PC Card applications (1A) and meet or exceed all PCMCIA specifications.
Panasonic ERJ-2RKF1002X vs Yageo 0402 Resistors19 September 2025284
1N5818 Schottky Diode: Pinout, Datasheet, and Equivalents03 September 20214464
TLV62568DRLT: Datasheet, Pinout, Step-down12 February 2022795
6N135 Optocoupler: Datasheet, Application, Equivalent19 October 20212619
1.5KE Transil Diode: Pinout, Equivalent and Datasheet10 January 20223970
SHT21 Temperature Sensor: Pinout, Datasheet and Application15 July 20213495
LM393DR: LM393, 36V, Pinout, Datasheet15 March 20223488
L298P: 42V,13mA, Pinout and Datasheet23 February 20223081
The U.S. Semiconductor Sector Faces Workforce Challenges Amidst Surging Demand27 November 20233444
Six Sensor Principles18 December 2021992
Exploring the Strengths and Hurdles of Wide Bandgap Devices in Alternating Current Electric Drives19 January 20243281
Introduction to Synchronous Counter and Asynchronous Counter31 March 202517313
Semiconductor Industry Faces Challenges Amid Chip Shortage05 December 20233900
Everything You Need to Know about Connectors07 September 20217706
What is Flexible Sensor?30 May 20225331
Domestic Induction Solution using SSR-Based Power Semiconductor Devices11 September 20233741
Microchip Technology
In Stock: 17
United States
China
Canada
Japan
Russia
Germany
United Kingdom
Singapore
Italy
Hong Kong(China)
Taiwan(China)
France
Korea
Mexico
Netherlands
Malaysia
Austria
Spain
Switzerland
Poland
Thailand
Vietnam
India
United Arab Emirates
Afghanistan
Åland Islands
Albania
Algeria
American Samoa
Andorra
Angola
Anguilla
Antigua & Barbuda
Argentina
Armenia
Aruba
Australia
Azerbaijan
Bahamas
Bahrain
Bangladesh
Barbados
Belarus
Belgium
Belize
Benin
Bermuda
Bhutan
Bolivia
Bonaire, Sint Eustatius and Saba
Bosnia & Herzegovina
Botswana
Brazil
British Indian Ocean Territory
British Virgin Islands
Brunei
Bulgaria
Burkina Faso
Burundi
Cabo Verde
Cambodia
Cameroon
Cayman Islands
Central African Republic
Chad
Chile
Christmas Island
Cocos (Keeling) Islands
Colombia
Comoros
Congo
Congo (DRC)
Cook Islands
Costa Rica
Côte d’Ivoire
Croatia
Cuba
Curaçao
Cyprus
Czechia
Denmark
Djibouti
Dominica
Dominican Republic
Ecuador
Egypt
El Salvador
Equatorial Guinea
Eritrea
Estonia
Eswatini
Ethiopia
Falkland Islands
Faroe Islands
Fiji
Finland
French Guiana
French Polynesia
Gabon
Gambia
Georgia
Ghana
Gibraltar
Greece
Greenland
Grenada
Guadeloupe
Guam
Guatemala
Guernsey
Guinea
Guinea-Bissau
Guyana
Haiti
Honduras
Hungary
Iceland
Indonesia
Iran
Iraq
Ireland
Isle of Man
Israel
Jamaica
Jersey
Jordan
Kazakhstan
Kenya
Kiribati
Kosovo
Kuwait
Kyrgyzstan
Laos
Latvia
Lebanon
Lesotho
Liberia
Libya
Liechtenstein
Lithuania
Luxembourg
Macao(China)
Madagascar
Malawi
Maldives
Mali
Malta
Marshall Islands
Martinique
Mauritania
Mauritius
Mayotte
Micronesia
Moldova
Monaco
Mongolia
Montenegro
Montserrat
Morocco
Mozambique
Myanmar
Namibia
Nauru
Nepal
New Caledonia
New Zealand
Nicaragua
Niger
Nigeria
Niue
Norfolk Island
North Korea
North Macedonia
Northern Mariana Islands
Norway
Oman
Pakistan
Palau
Palestinian Authority
Panama
Papua New Guinea
Paraguay
Peru
Philippines
Pitcairn Islands
Portugal
Puerto Rico
Qatar
Réunion
Romania
Rwanda
Samoa
San Marino
São Tomé & Príncipe
Saudi Arabia
Senegal
Serbia
Seychelles
Sierra Leone
Sint Maarten
Slovakia
Slovenia
Solomon Islands
Somalia
South Africa
South Sudan
Sri Lanka
St Helena, Ascension, Tristan da Cunha
St. Barthélemy
St. Kitts & Nevis
St. Lucia
St. Martin
St. Pierre & Miquelon
St. Vincent & Grenadines
Sudan
Suriname
Svalbard & Jan Mayen
Sweden
Syria
Tajikistan
Tanzania
Timor-Leste
Togo
Tokelau
Tonga
Trinidad & Tobago
Tunisia
Turkey
Turkmenistan
Turks & Caicos Islands
Tuvalu
U.S. Outlying Islands
U.S. Virgin Islands
Uganda
Ukraine
Uruguay
Uzbekistan
Vanuatu
Vatican City
Venezuela
Wallis & Futuna
Yemen
Zambia
Zimbabwe


Product
Brand
Articles
Tools














