STM8S207C6T6 Microcontroller: Pinout, Datasheet and Features
128KB 128K x 8 FLASH STM8 8-Bit Microcontroller STM8S Series STM8S208 48 Pin 24MHz 5V 48-LQFP









128KB 128K x 8 FLASH STM8 8-Bit Microcontroller STM8S Series STM8S208 48 Pin 24MHz 5V 48-LQFP
STM8S207C6T6 performance line 8-bit microcontrollers offers from 32 to 128 Kbytes Flash program memory. This article mainly introduces its pinout, datasheet, features and other detailed information about STM8S.

STM8S Value Line 8-bit microcontrollers
STM8S207C6T6 Description
The STM8S207C6T6 performance line 8-bit microcontrollers offers from 32 to 128 Kbytes Flash program memory. It is designed for code efficiency and performance. It contains 6 internal registers which are directly addressable in each execution context, 20 addressing modes including indexed indirect and relative addressing and 80 instructions.
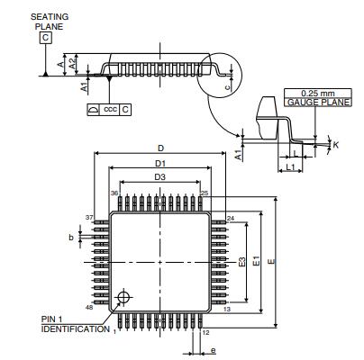
STM8S207C6T6 Pinout

STM8S207C6T6 CAD Model
Symbol

Footprint

3D Model

STM8S207C6T6 Features
· Core
– Max fCPU: up to 24 MHz, 0 wait states @ fCPU £ 16 MHz – Advanced STM8 core with Harvard architecture and 3-stage pipeline
– Extended instruction set – Max 20 MIPS @ 24 MHz
· Memories
– Program: up to 128 Kbytes Flash; data retention 20 years at 55 °C after 10 kcycles
– Data: up to 2 Kbytes true data EEPROM; endurance 300 kcycles
– RAM: up to 6 Kbytes
· Clock, reset and supply management
– 2.95 to 5.5 V operating voltage
– Low power crystal resonator oscillator
– External clock input
– Internal, user-trimmable 16 MHz RC
– Internal low power 128 kHz RC
– Clock security system with clock monitor
– Wait, active-halt, & halt low power modes
– Peripheral clocks switched off individually
– Permanently active, low consumption power-on and power-down reset
· Interrupt management
– Nested interrupt controller with 32 interrupts
– Up to 37 external interrupts on 6 vectors
· Timers
– 2x 16-bit general purpose timers, with 2+3 CAPCOM channels (IC, OC or PWM)
– Advanced control timer: 16-bit, 4 CAPCOM channels, 3 complementary outputs, deadtime insertion and flexible synchronization
– 8-bit basic timer with 8-bit prescaler
– Auto wakeup timer – Window watchdog, independent watchdog
· Communications interfaces
– High speed 1 Mbit/s active beCAN 2.0B
– UART with clock output for synchronous operation - LIN master mode
– UART with LIN 2.1 compliant, master/slave modes and automatic resynchronization
– SPI interface up to 10 Mbit/s
– I2C interface up to 400 Kbit/s · 10-bit ADC with up to 16 channels · I/Os
– Up to 68 I/Os on an 80-pin package including 18 high sink outputs
– Highly robust I/O design, immune against current injection
– Development support
– Single wire interface module (SWIM) and debug module (DM)
· 96-bit unique ID key for each device
STM8S207C6T6 Benefit
Reduced system cost
The system cost is reduced thanks to an integrated true data EEPROM for up to 300 k write/erase cycles and a high system integration level with internal clock oscillators, watchdog, and brown-out reset.
Performance robustness
Device performance is ensured by 20 MIPS at 24 MHz CPU clock frequency and enhanced characteristics which include robust I/O, independent watchdogs (with a separate clock source), and a clock security system.
Short development cycles
Short development cycles are guaranteed due to application scalability across a common family product architecture with compatible pinout, memory map and modular peripherals. Full documentation is offered with a wide choice of development tools.
Product longevity
Product longevity is ensured in the STM8S family thanks to their advanced core which is made in a state-of-the art technology for applications with 2.95 V to 5.5 V operating supply.
Specifications
- TypeParameter
- Lifecycle Status
Lifecycle Status refers to the current stage of an electronic component in its product life cycle, indicating whether it is active, obsolete, or transitioning between these states. An active status means the component is in production and available for purchase. An obsolete status indicates that the component is no longer being manufactured or supported, and manufacturers typically provide a limited time frame for support. Understanding the lifecycle status is crucial for design engineers to ensure continuity and reliability in their projects.
ACTIVE (Last Updated: 7 months ago) - Factory Lead Time8 Weeks
- Mount
In electronic components, the term "Mount" typically refers to the method or process of physically attaching or fixing a component onto a circuit board or other electronic device. This can involve soldering, adhesive bonding, or other techniques to secure the component in place. The mounting process is crucial for ensuring proper electrical connections and mechanical stability within the electronic system. Different components may have specific mounting requirements based on their size, shape, and function, and manufacturers provide guidelines for proper mounting procedures to ensure optimal performance and reliability of the electronic device.
Surface Mount - Mounting Type
The "Mounting Type" in electronic components refers to the method used to attach or connect a component to a circuit board or other substrate, such as through-hole, surface-mount, or panel mount.
Surface Mount - Package / Case
refers to the protective housing that encases an electronic component, providing mechanical support, electrical connections, and thermal management.
48-LQFP - Number of Pins48
- Data ConvertersA/D 10x10b
- Number of I/Os38
- Watchdog TimersYes
- Operating Temperature
The operating temperature is the range of ambient temperature within which a power supply, or any other electrical equipment, operate in. This ranges from a minimum operating temperature, to a peak or maximum operating temperature, outside which, the power supply may fail.
-40°C~85°C TA - Packaging
Semiconductor package is a carrier / shell used to contain and cover one or more semiconductor components or integrated circuits. The material of the shell can be metal, plastic, glass or ceramic.
Tray - Series
In electronic components, the "Series" refers to a group of products that share similar characteristics, designs, or functionalities, often produced by the same manufacturer. These components within a series typically have common specifications but may vary in terms of voltage, power, or packaging to meet different application needs. The series name helps identify and differentiate between various product lines within a manufacturer's catalog.
STM8S - JESD-609 Code
The "JESD-609 Code" in electronic components refers to a standardized marking code that indicates the lead-free solder composition and finish of electronic components for compliance with environmental regulations.
e4 - Part Status
Parts can have many statuses as they progress through the configuration, analysis, review, and approval stages.
Active - Moisture Sensitivity Level (MSL)
Moisture Sensitivity Level (MSL) is a standardized rating that indicates the susceptibility of electronic components, particularly semiconductors, to moisture-induced damage during storage and the soldering process, defining the allowable exposure time to ambient conditions before they require special handling or baking to prevent failures
3 (168 Hours) - Number of Terminations48
- Terminal Finish
Terminal Finish refers to the surface treatment applied to the terminals or leads of electronic components to enhance their performance and longevity. It can improve solderability, corrosion resistance, and overall reliability of the connection in electronic assemblies. Common finishes include nickel, gold, and tin, each possessing distinct properties suitable for various applications. The choice of terminal finish can significantly impact the durability and effectiveness of electronic devices.
Nickel/Palladium/Gold (Ni/Pd/Au) - Max Power Dissipation
The maximum power that the MOSFET can dissipate continuously under the specified thermal conditions.
443mW - Terminal Position
In electronic components, the term "Terminal Position" refers to the physical location of the connection points on the component where external electrical connections can be made. These connection points, known as terminals, are typically used to attach wires, leads, or other components to the main body of the electronic component. The terminal position is important for ensuring proper connectivity and functionality of the component within a circuit. It is often specified in technical datasheets or component specifications to help designers and engineers understand how to properly integrate the component into their circuit designs.
QUAD - Terminal Form
Occurring at or forming the end of a series, succession, or the like; closing; concluding.
GULL WING - Supply Voltage
Supply voltage refers to the electrical potential difference provided to an electronic component or circuit. It is crucial for the proper operation of devices, as it powers their functions and determines performance characteristics. The supply voltage must be within specified limits to ensure reliability and prevent damage to components. Different electronic devices have specific supply voltage requirements, which can vary widely depending on their design and intended application.
5V - Terminal Pitch
The center distance from one pole to the next.
0.5mm - Frequency
In electronic components, the parameter "Frequency" refers to the rate at which a signal oscillates or cycles within a given period of time. It is typically measured in Hertz (Hz) and represents how many times a signal completes a full cycle in one second. Frequency is a crucial aspect in electronic components as it determines the behavior and performance of various devices such as oscillators, filters, and communication systems. Understanding the frequency characteristics of components is essential for designing and analyzing electronic circuits to ensure proper functionality and compatibility with other components in a system.
24MHz - Base Part Number
The "Base Part Number" (BPN) in electronic components serves a similar purpose to the "Base Product Number." It refers to the primary identifier for a component that captures the essential characteristics shared by a group of similar components. The BPN provides a fundamental way to reference a family or series of components without specifying all the variations and specific details.
STM8S208 - Pin Count
a count of all of the component leads (or pins)
48 - Supply Voltage-Max (Vsup)
The parameter "Supply Voltage-Max (Vsup)" in electronic components refers to the maximum voltage that can be safely applied to the component without causing damage. It is an important specification to consider when designing or using electronic circuits to ensure the component operates within its safe operating limits. Exceeding the maximum supply voltage can lead to overheating, component failure, or even permanent damage. It is crucial to adhere to the specified maximum supply voltage to ensure the reliable and safe operation of the electronic component.
5.5V - Interface
In electronic components, the term "Interface" refers to the point at which two different systems, devices, or components connect and interact with each other. It can involve physical connections such as ports, connectors, or cables, as well as communication protocols and standards that facilitate the exchange of data or signals between the connected entities. The interface serves as a bridge that enables seamless communication and interoperability between different parts of a system or between different systems altogether. Designing a reliable and efficient interface is crucial in ensuring proper functionality and performance of electronic components and systems.
CAN, I2C, IrDA, LIN, SPI, UART - Memory Size
The memory capacity is the amount of data a device can store at any given time in its memory.
128kB - Oscillator Type
Wien Bridge Oscillator; RC Phase Shift Oscillator; Hartley Oscillator; Voltage Controlled Oscillator; Colpitts Oscillator; Clapp Oscillators; Crystal Oscillators; Armstrong Oscillator.
Internal - RAM Size
RAM size refers to the amount of random access memory (RAM) available in an electronic component, such as a computer or smartphone. RAM is a type of volatile memory that stores data and instructions that are actively being used by the device's processor. The RAM size is typically measured in gigabytes (GB) and determines how much data the device can store and access quickly for processing. A larger RAM size allows for smoother multitasking, faster loading times, and better overall performance of the electronic component. It is an important factor to consider when choosing a device, especially for tasks that require a lot of memory, such as gaming, video editing, or running multiple applications simultaneously.
6K x 8 - Voltage - Supply (Vcc/Vdd)
Voltage - Supply (Vcc/Vdd) is a key parameter in electronic components that specifies the voltage level required for the proper operation of the device. It represents the power supply voltage that needs to be provided to the component for it to function correctly. This parameter is crucial as supplying the component with the correct voltage ensures that it operates within its specified limits and performance characteristics. It is typically expressed in volts (V) and is an essential consideration when designing and using electronic circuits to prevent damage and ensure reliable operation.
2.95V~5.5V - uPs/uCs/Peripheral ICs Type
The parameter "uPs/uCs/Peripheral ICs Type" refers to the classification of various integrated circuits used in electronic devices. It encompasses microprocessors (uPs), microcontrollers (uCs), and peripheral integrated circuits that provide additional functionalities. This classification helps in identifying the specific type of chip used for processing tasks, controlling hardware, or interfacing with other components in a system. Understanding this parameter is essential for selecting the appropriate electronic components for a given application.
MICROCONTROLLER - Core Processor
The term "Core Processor" typically refers to the central processing unit (CPU) of a computer or electronic device. It is the primary component responsible for executing instructions, performing calculations, and managing data within the system. The core processor is often considered the brain of the device, as it controls the overall operation and functionality. It is crucial for determining the speed and performance capabilities of the device, as well as its ability to handle various tasks and applications efficiently. In modern devices, core processors can have multiple cores, allowing for parallel processing and improved multitasking capabilities.
STM8 - Peripherals
In the context of electronic components, "Peripherals" refer to devices or components that are connected to a main system or device to enhance its functionality or provide additional features. These peripherals can include input devices such as keyboards, mice, and touchscreens, as well as output devices like monitors, printers, and speakers. Other examples of peripherals include external storage devices, network adapters, and cameras. Essentially, peripherals are external devices that expand the capabilities of a main electronic system or device.
Brown-out Detect/Reset, POR, PWM, WDT - Program Memory Type
Program memory typically refers to flash memory when it is used to hold the program (instructions). Program memory may also refer to a hard drive or solid state drive (SSD). Contrast with data memory.
FLASH - Core Size
Core size in electronic components refers to the physical dimensions of the core material used in devices such as inductors and transformers. The core size directly impacts the performance characteristics of the component, including its inductance, saturation current, and frequency response. A larger core size typically allows for higher power handling capabilities and lower core losses, while a smaller core size may result in a more compact design but with limitations on power handling and efficiency. Designers must carefully select the core size based on the specific requirements of the application to achieve optimal performance and efficiency.
8-Bit - Program Memory Size
Program Memory Size refers to the amount of memory available in an electronic component, such as a microcontroller or microprocessor, that is used to store program instructions. This memory is non-volatile, meaning that the data stored in it is retained even when the power is turned off. The program memory size determines the maximum amount of code that can be stored and executed by the electronic component. It is an important parameter to consider when selecting a component for a specific application, as insufficient program memory size may limit the functionality or performance of the device.
128KB 128K x 8 - Connectivity
In electronic components, "Connectivity" refers to the ability of a component to establish and maintain connections with other components or devices within a circuit. It is a crucial parameter that determines how easily signals can be transmitted between different parts of a circuit. Connectivity can be influenced by factors such as the number of input and output ports, the type of connectors used, and the overall design of the component. Components with good connectivity are essential for ensuring reliable and efficient operation of electronic systems.
CANbus, I2C, IrDA, LINbus, SPI, UART/USART - Bit Size
In electronic components, "Bit Size" refers to the number of bits that can be processed or stored by a particular component. A bit is the smallest unit of data in computing and can have a value of either 0 or 1. The Bit Size parameter is commonly used to describe the capacity or performance of components such as microprocessors, memory modules, and data buses. A larger Bit Size generally indicates a higher processing capability or storage capacity, allowing for more complex operations and larger amounts of data to be handled efficiently. It is an important specification to consider when selecting electronic components for specific applications that require certain levels of performance and data processing capabilities.
8 - Has ADC
Has ADC refers to the presence of an Analog-to-Digital Converter (ADC) in an electronic component. An ADC is a crucial component in many electronic devices as it converts analog signals, such as voltage or current, into digital data that can be processed by a digital system. Having an ADC allows the electronic component to interface with analog signals and convert them into a format that can be manipulated and analyzed digitally. This parameter is important for applications where analog signals need to be converted into digital form for further processing or control.
YES - DMA Channels
DMA (Direct Memory Access) Channels are a feature found in electronic components such as microcontrollers, microprocessors, and peripheral devices. DMA Channels allow data to be transferred directly between peripherals and memory without involving the CPU, thereby reducing the burden on the CPU and improving overall system performance. Each DMA Channel is typically assigned to a specific peripheral device or memory region, enabling efficient data transfer operations. The number of DMA Channels available in a system determines the concurrent data transfer capabilities and can vary depending on the specific hardware design. Overall, DMA Channels play a crucial role in optimizing data transfer efficiency and system performance in electronic devices.
NO - Data Bus Width
The data bus width in electronic components refers to the number of bits that can be transferred simultaneously between the processor and memory. It determines the amount of data that can be processed and transferred in a single operation. A wider data bus allows for faster data transfer speeds and improved overall performance of the electronic device. Common data bus widths include 8-bit, 16-bit, 32-bit, and 64-bit, with higher numbers indicating a larger capacity for data transfer. The data bus width is an important specification to consider when evaluating the speed and efficiency of a computer system or other electronic device.
8b - Number of Timers/Counters4
- EEPROM Size
EEPROM Size refers to the amount of memory capacity available in an Electrically Erasable Programmable Read-Only Memory (EEPROM) chip. This parameter indicates the total storage space in bytes or bits that can be used to store data in a non-volatile manner. The EEPROM size determines the maximum amount of information that can be written, read, and erased from the memory chip. It is an important specification to consider when selecting an EEPROM for a particular application, as it directly impacts the amount of data that can be stored and accessed by the electronic component.
2K x 8 - Boundary Scan
Boundary scan is a testing technique used in electronic components to verify the interconnections between integrated circuits on a printed circuit board. It allows for the testing of digital circuits by providing a way to shift data in and out of devices through a serial interface. This method helps in identifying faults such as short circuits, open circuits, and incorrect connections without the need for physical access to the individual components. Boundary scan is commonly used during manufacturing, testing, and debugging processes to ensure the quality and reliability of electronic products.
NO - Low Power Mode
Low Power Mode is a feature found in electronic components, such as microcontrollers, processors, and devices, that allows them to operate at reduced power consumption levels. When activated, the component typically reduces its clock speed, voltage, or disables certain functions to conserve energy. This mode is often used to extend battery life in portable devices or reduce overall power consumption in energy-efficient systems. Low Power Mode can be triggered automatically based on certain conditions, such as low battery levels, or manually by the user or software. It is a crucial feature in modern electronics to balance performance with energy efficiency.
YES - Number of A/D Converters1
- Format
In electronic components, the parameter "Format" typically refers to the physical size, shape, and configuration of the component. It describes the overall dimensions and layout of the component, including factors such as package type, lead spacing, and mounting options. The format of an electronic component is important for determining how it can be installed, connected, and integrated into a circuit or system. Different formats are designed to meet specific requirements for space constraints, heat dissipation, electrical performance, and compatibility with other components. Manufacturers often provide detailed specifications for the format of their components to ensure proper selection and usage in electronic designs.
FIXED-POINT - Integrated Cache
Integrated Cache refers to a type of memory storage that is built directly into a microprocessor or other electronic component. It is used to temporarily store frequently accessed data and instructions to speed up processing and reduce latency. The integrated cache is designed to provide quick access to data that the processor needs to perform its tasks efficiently. By storing data closer to the processor, the integrated cache helps improve overall system performance by reducing the time it takes to retrieve information from the main memory. The size and speed of the integrated cache can have a significant impact on the performance of the electronic component, making it an important parameter to consider when evaluating the capabilities of a device.
NO - Number of UART Channels2
- Number of ADC Channels10
- Max Junction Temperature (Tj)
Max Junction Temperature (Tj) refers to the maximum allowable temperature at the junction of a semiconductor device, such as a transistor or integrated circuit. It is a critical parameter that influences the performance, reliability, and lifespan of the component. Exceeding this temperature can lead to thermal runaway, breakdown, or permanent damage to the device. Proper thermal management is essential to ensure the junction temperature remains within safe operating limits during device operation.
105°C - Number of External Interrupts35
- Number of PWM Channels9
- Ambient Temperature Range High
This varies from person to person, but it is somewhere between 68 and 77 degrees F on average. The temperature setting that is comfortable for an individual may fluctuate with humidity and outside temperature as well. The temperature of an air conditioned room can also be considered ambient temperature.
85°C - Height1.6mm
- Length7.2mm
- Width7.2mm
- Radiation Hardening
Radiation hardening is the process of making electronic components and circuits resistant to damage or malfunction caused by high levels of ionizing radiation, especially for environments in outer space (especially beyond the low Earth orbit), around nuclear reactors and particle accelerators, or during nuclear accidents or nuclear warfare.
No - RoHS Status
RoHS means “Restriction of Certain Hazardous Substances” in the “Hazardous Substances Directive” in electrical and electronic equipment.
ROHS3 Compliant - Lead Free
Lead Free is a term used to describe electronic components that do not contain lead as part of their composition. Lead is a toxic material that can have harmful effects on human health and the environment, so the electronics industry has been moving towards lead-free components to reduce these risks. Lead-free components are typically made using alternative materials such as silver, copper, and tin. Manufacturers must comply with regulations such as the Restriction of Hazardous Substances (RoHS) directive to ensure that their products are lead-free and environmentally friendly.
Lead Free
STM8S207C6T6 Block Diagram

STM8S207C6T6 Package


STM8S207C6T6 Manufacturer
STMicroelectronics is a global independent semiconductor company , which is a leader in developing and delivering semiconductor solutions across the spectrum of microelectronics applications. An unrivaled combination of silicon and system expertise, manufacturing strength, Intellectual Property (IP) portfolio and strategic partners positions the Company at the forefront of System-on-Chip (SoC) technology and its products play a key role in enabling today's convergence trends.
Datasheet PDF
- Datasheets :
Popularity by Region
Why is there almost not support for STM8S controllers like Arduino (ATMEL328)?
In fact,STM8S series have extensive information and examples in their site. STM8s series also have very cheap development boards(below $10) along with debugger are available. One can not debug using arduino, whereas with STm8s discovery boards one can debug. Compiler editor is fully free. Arduino is only for beginers, whereas STM8s is for Engineers.
What are the differences in working with STM8S and STM32?
The STM8S CPU is a proprietary architecture that maintains the legacy of the previous ST7 core while being a breakthrough in terms of 8-bit CPU efficiency and code density. While the STM32 is built around the industry standard ARM Cortex-M3 32-bit core and benefits from the complete ecosystem of development tools and software solutions associated with ARM processors. They both have 3-stage pipelined execution that minimizes the execution time, a clock speed up to 24 MHz for the STM8S and up to 72 MHz for the STM32 family. Finally, in terms of code density, both have excellent results, owing to the 8-bit CISC instruction set for the STM8S family, and to the 16-bit Thumb-2 RISC instruction set mode introduced by the Cortex core for the STM32 family. The Drhystone MIPS for STM8 is 0.29 DMIPS and for STM32 is 1.22 DMIPS.
ATmega8535 8-Bit Microcontroller: ATmega8535, Datasheet, Pinout27 December 20215026
STM32F303VCT6TR Microcontroller: 72MHz,100-LQFP, Pinout and Features22 January 2022883
LM4871 Amplifier: Circuit, Pinout, and Datasheet [Video&FAQ]19 October 20219409
TPS2557DRBT Dual Timer IC: Features, Pinout, and Datasheet15 April 20222150
ADC128D818 System Monitor: Pinout, Features and Datasheet29 October 20211417
MJE2955T PNP Transistor: Pinout, Datasheet, Uses21 April 20225208
J108 JFET N Channel Transistor: J108 Transistor, Price, Datasheet11 January 20223318
LME49600 Audio Buffer: Datasheet, Pinout and Schematic31 August 20212139
Power Semiconductor Procurement After the Nexperia Shake-Up—NXP for Stability, ON for Technology, or Nexperia for Value?04 November 2025777
Working Principle and Types of Electric Fuse19 August 202012594
Top 10 Popular Semiconductor Companies in 202214 January 202211018
Introduction to Synchronous Counter and Asynchronous Counter31 March 202514801
The Era of UFS 4.0, Announced?06 May 20224717
Introduction to Boost Converter Circuit26 January 20211996
European Chipmakers Experience Decline Following SMIC's Profit Slump20 November 20231661
Basic Introduction to Photocell09 April 202511871
STMicroelectronics
In Stock: 7809
United States
China
Canada
Japan
Russia
Germany
United Kingdom
Singapore
Italy
Hong Kong(China)
Taiwan(China)
France
Korea
Mexico
Netherlands
Malaysia
Austria
Spain
Switzerland
Poland
Thailand
Vietnam
India
United Arab Emirates
Afghanistan
Åland Islands
Albania
Algeria
American Samoa
Andorra
Angola
Anguilla
Antigua & Barbuda
Argentina
Armenia
Aruba
Australia
Azerbaijan
Bahamas
Bahrain
Bangladesh
Barbados
Belarus
Belgium
Belize
Benin
Bermuda
Bhutan
Bolivia
Bonaire, Sint Eustatius and Saba
Bosnia & Herzegovina
Botswana
Brazil
British Indian Ocean Territory
British Virgin Islands
Brunei
Bulgaria
Burkina Faso
Burundi
Cabo Verde
Cambodia
Cameroon
Cayman Islands
Central African Republic
Chad
Chile
Christmas Island
Cocos (Keeling) Islands
Colombia
Comoros
Congo
Congo (DRC)
Cook Islands
Costa Rica
Côte d’Ivoire
Croatia
Cuba
Curaçao
Cyprus
Czechia
Denmark
Djibouti
Dominica
Dominican Republic
Ecuador
Egypt
El Salvador
Equatorial Guinea
Eritrea
Estonia
Eswatini
Ethiopia
Falkland Islands
Faroe Islands
Fiji
Finland
French Guiana
French Polynesia
Gabon
Gambia
Georgia
Ghana
Gibraltar
Greece
Greenland
Grenada
Guadeloupe
Guam
Guatemala
Guernsey
Guinea
Guinea-Bissau
Guyana
Haiti
Honduras
Hungary
Iceland
Indonesia
Iran
Iraq
Ireland
Isle of Man
Israel
Jamaica
Jersey
Jordan
Kazakhstan
Kenya
Kiribati
Kosovo
Kuwait
Kyrgyzstan
Laos
Latvia
Lebanon
Lesotho
Liberia
Libya
Liechtenstein
Lithuania
Luxembourg
Macao(China)
Madagascar
Malawi
Maldives
Mali
Malta
Marshall Islands
Martinique
Mauritania
Mauritius
Mayotte
Micronesia
Moldova
Monaco
Mongolia
Montenegro
Montserrat
Morocco
Mozambique
Myanmar
Namibia
Nauru
Nepal
New Caledonia
New Zealand
Nicaragua
Niger
Nigeria
Niue
Norfolk Island
North Korea
North Macedonia
Northern Mariana Islands
Norway
Oman
Pakistan
Palau
Palestinian Authority
Panama
Papua New Guinea
Paraguay
Peru
Philippines
Pitcairn Islands
Portugal
Puerto Rico
Qatar
Réunion
Romania
Rwanda
Samoa
San Marino
São Tomé & Príncipe
Saudi Arabia
Senegal
Serbia
Seychelles
Sierra Leone
Sint Maarten
Slovakia
Slovenia
Solomon Islands
Somalia
South Africa
South Sudan
Sri Lanka
St Helena, Ascension, Tristan da Cunha
St. Barthélemy
St. Kitts & Nevis
St. Lucia
St. Martin
St. Pierre & Miquelon
St. Vincent & Grenadines
Sudan
Suriname
Svalbard & Jan Mayen
Sweden
Syria
Tajikistan
Tanzania
Timor-Leste
Togo
Tokelau
Tonga
Trinidad & Tobago
Tunisia
Turkey
Turkmenistan
Turks & Caicos Islands
Tuvalu
U.S. Outlying Islands
U.S. Virgin Islands
Uganda
Ukraine
Uruguay
Uzbekistan
Vanuatu
Vatican City
Venezuela
Wallis & Futuna
Yemen
Zambia
Zimbabwe






