ADC128D818 System Monitor: Pinout, Features and Datasheet
12 Bit Tin ADC ADC128D818 3.3V 16-TSSOP (0.173, 4.40mm Width)
The ADC128D818 I²C system monitor is designed for maximum flexibility. The system monitor can be configured for single-ended and/or pseudo-differential inputs. Furthermore, Huge range of Semiconductors, Capacitors, Resistors and IcS in stock. Welcome RFQ.
ADC128D818 Pinout

Pinout
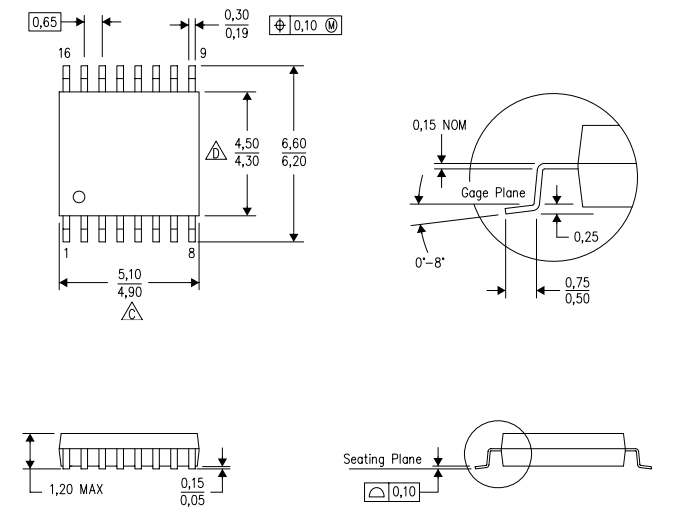
ADC128D818 CAD Model

symbol

footprint

3D Model
ADC128D818 Overview
The ADC128D818 includes a sequencer to control channel conversions and stores all converted results in independent registers for easy microprocessor retrieval. Unused channels can be shut down independently to conserve power. The ADC128D818 operates from 3-V to 5.5-V power supply voltage range, –40°C to 125°C temperature range, and the device is available in a 16-pin TSSOP package. The ADC128D818’s 12-bit delta-sigma ADC supports Standard Mode (Sm, 100 kbps) and Fast Mode (Fm, 400 kbps) I2C interfaces. The ADC128D818 allows up to 8 single-ended inputs or 4 pseudo-differential inputs as selected by the modes of operation.
This article provides you with a basic overview of the ADC128D818, including its pin descriptions, features and specifications, etc., to help you quickly understand what ADC128D818 is.
ADC128D818 Features
• 12-Bit Resolution Delta-Sigma ADC
• Local Temperature Sensing
• Configurable Single-Ended and/or Pseudo-Diff. Inputs
• 2.56-V Internal VREF or Variable External VREF
• WATCHDOG Window Comparators with Status and Mask Registers of All Measured Values
• Independent Registers for Storing Measured Values
• INT Output Notifies Microprocessor of Error Event
• I2C Serial Bus Interface Compatibility
• 9 Selectable Addresses
• TIME-OUT Reset Function to Prevent I2C Bus Lock-Up
• Individual Channel Shutdown to Limit Power Consumption
• Deep Shutdown Mode to Minimize Power Consumption
• TSSOP 16-Lead Package
• Key Specifications
– ADC Resolution 12-Bit
– Supply Voltage Range 3 V to 5.5 V
– Total Unadjusted Error –0.45%/+0.2%
– Integral Non-Linearity ±1 LSb
– Differential Non-Linearity ±1 LSb
– Operating Current 0.56 mA
– Deep Shutdown Current 10 µA
– Temperature Resolution °C/LSb
– Temperature Accuracy (–40°C to 125°C) ±3°C
– Temperature Accuracy (–25°C to 100°C) ±2°C
ADC128D818 Advantage
The ADC128D818 provides 8 analog inputs, a temperature sensor, a delta-sigma ADC, an external or internal VREF option, and WATCHDOG registers on a single chip. An I2C Serial Bus interface is also provided. The ADC128D818 can perform voltage and temperature monitoring for a variety of systems. An onboard temperature sensor, combined with WATCHDOG window comparators, and an interrupt output pin, INT, allow easy monitoring and out-of-range alarms for every channel. A high performance internal reference is also available to provide for a complete solution in the most difficult operating conditions.
The ADC128D818 continuously converts the voltage input to 12-bit resolution with an internal VREF of 0.625-mV LSb (Least Significant bit) weighting, yielding input range of 0 V to 2.56 V. There is also an external VREF option that ranges from 1.25 V to V+. The analog inputs are intended to be connected to several power supplies present in a variety of systems. Eight inputs can be configured for single-ended and/or pseudo-differential channels. Temperature can be converted to a 9-bit two's complement word with resolutions of 0.5°C per LSb.
The ADC128D818 provides a number of internal registers. The ADC128D818 supports Standard Mode (Sm, 100 kbps) and Fast Mode (Fm, 400 kbps) I2C interface modes of operation. ADC128D818 includes an analog filter on the I2C digital control lines that allows improved noise immunity. The device also supports TIME-OUT reset function on SDA and SCL to prevent I2C bus lock-up. Two tri-level address pins allow up to 9 devices on a single I2C bus. At start-up, ADC128D818 cycles through each measurement in sequence and continuously loops through the sequence based on the Conversion Rate Register (address 07h) setting. Each measured value is compared to values stored in the Limit Registers (addresses 2Ah - 39h). When the measured value violates the programmed limit, the ADC128D818 will set a corresponding interrupt bit in the Interrupt Status Registers (address 01h). An interrupt output pin, INT, is also available and fully programmable.
Specifications
- TypeParameter
- Lifecycle Status
Lifecycle Status refers to the current stage of an electronic component in its product life cycle, indicating whether it is active, obsolete, or transitioning between these states. An active status means the component is in production and available for purchase. An obsolete status indicates that the component is no longer being manufactured or supported, and manufacturers typically provide a limited time frame for support. Understanding the lifecycle status is crucial for design engineers to ensure continuity and reliability in their projects.
ACTIVE (Last Updated: 5 days ago) - Factory Lead Time6 Weeks
- Contact Plating
Contact plating (finish) provides corrosion protection for base metals and optimizes the mechanical and electrical properties of the contact interfaces.
Tin - Mount
In electronic components, the term "Mount" typically refers to the method or process of physically attaching or fixing a component onto a circuit board or other electronic device. This can involve soldering, adhesive bonding, or other techniques to secure the component in place. The mounting process is crucial for ensuring proper electrical connections and mechanical stability within the electronic system. Different components may have specific mounting requirements based on their size, shape, and function, and manufacturers provide guidelines for proper mounting procedures to ensure optimal performance and reliability of the electronic device.
Surface Mount - Mounting Type
The "Mounting Type" in electronic components refers to the method used to attach or connect a component to a circuit board or other substrate, such as through-hole, surface-mount, or panel mount.
Surface Mount - Package / Case
refers to the protective housing that encases an electronic component, providing mechanical support, electrical connections, and thermal management.
16-TSSOP (0.173, 4.40mm Width) - Number of Pins16
- Number of Elements1
- Operating Temperature
The operating temperature is the range of ambient temperature within which a power supply, or any other electrical equipment, operate in. This ranges from a minimum operating temperature, to a peak or maximum operating temperature, outside which, the power supply may fail.
-40°C~125°C - Packaging
Semiconductor package is a carrier / shell used to contain and cover one or more semiconductor components or integrated circuits. The material of the shell can be metal, plastic, glass or ceramic.
Tube - JESD-609 Code
The "JESD-609 Code" in electronic components refers to a standardized marking code that indicates the lead-free solder composition and finish of electronic components for compliance with environmental regulations.
e3 - Pbfree Code
The "Pbfree Code" parameter in electronic components refers to the code or marking used to indicate that the component is lead-free. Lead (Pb) is a toxic substance that has been widely used in electronic components for many years, but due to environmental concerns, there has been a shift towards lead-free alternatives. The Pbfree Code helps manufacturers and users easily identify components that do not contain lead, ensuring compliance with regulations and promoting environmentally friendly practices. It is important to pay attention to the Pbfree Code when selecting electronic components to ensure they meet the necessary requirements for lead-free applications.
yes - Part Status
Parts can have many statuses as they progress through the configuration, analysis, review, and approval stages.
Active - Moisture Sensitivity Level (MSL)
Moisture Sensitivity Level (MSL) is a standardized rating that indicates the susceptibility of electronic components, particularly semiconductors, to moisture-induced damage during storage and the soldering process, defining the allowable exposure time to ambient conditions before they require special handling or baking to prevent failures
1 (Unlimited) - Number of Terminations16
- ECCN Code
An ECCN (Export Control Classification Number) is an alphanumeric code used by the U.S. Bureau of Industry and Security to identify and categorize electronic components and other dual-use items that may require an export license based on their technical characteristics and potential for military use.
EAR99 - Terminal Position
In electronic components, the term "Terminal Position" refers to the physical location of the connection points on the component where external electrical connections can be made. These connection points, known as terminals, are typically used to attach wires, leads, or other components to the main body of the electronic component. The terminal position is important for ensuring proper connectivity and functionality of the component within a circuit. It is often specified in technical datasheets or component specifications to help designers and engineers understand how to properly integrate the component into their circuit designs.
DUAL - Terminal Form
Occurring at or forming the end of a series, succession, or the like; closing; concluding.
GULL WING - Peak Reflow Temperature (Cel)
Peak Reflow Temperature (Cel) is a parameter that specifies the maximum temperature at which an electronic component can be exposed during the reflow soldering process. Reflow soldering is a common method used to attach electronic components to a circuit board. The Peak Reflow Temperature is crucial because it ensures that the component is not damaged or degraded during the soldering process. Exceeding the specified Peak Reflow Temperature can lead to issues such as component failure, reduced performance, or even permanent damage to the component. It is important for manufacturers and assemblers to adhere to the recommended Peak Reflow Temperature to ensure the reliability and functionality of the electronic components.
260 - Number of Functions1
- Supply Voltage
Supply voltage refers to the electrical potential difference provided to an electronic component or circuit. It is crucial for the proper operation of devices, as it powers their functions and determines performance characteristics. The supply voltage must be within specified limits to ensure reliability and prevent damage to components. Different electronic devices have specific supply voltage requirements, which can vary widely depending on their design and intended application.
3.3V - Base Part Number
The "Base Part Number" (BPN) in electronic components serves a similar purpose to the "Base Product Number." It refers to the primary identifier for a component that captures the essential characteristics shared by a group of similar components. The BPN provides a fundamental way to reference a family or series of components without specifying all the variations and specific details.
ADC128D818 - Pin Count
a count of all of the component leads (or pins)
16 - Polarity
In electronic components, polarity refers to the orientation or direction in which the component must be connected in a circuit to function properly. Components such as diodes, capacitors, and LEDs have polarity markings to indicate which terminal should be connected to the positive or negative side of the circuit. Connecting a component with incorrect polarity can lead to malfunction or damage. It is important to pay attention to polarity markings and follow the manufacturer's instructions to ensure proper operation of electronic components.
Unipolar - Power Supplies
an electronic circuit that converts the voltage of an alternating current (AC) into a direct current (DC) voltage.?
3.3/5V - Configuration
The parameter "Configuration" in electronic components refers to the specific arrangement or setup of the components within a circuit or system. It encompasses how individual elements are interconnected and their physical layout. Configuration can affect the functionality, performance, and efficiency of the electronic system, and may influence factors such as signal flow, impedance, and power distribution. Understanding the configuration is essential for design, troubleshooting, and optimizing electronic devices.
MUX-ADC - Interface
In electronic components, the term "Interface" refers to the point at which two different systems, devices, or components connect and interact with each other. It can involve physical connections such as ports, connectors, or cables, as well as communication protocols and standards that facilitate the exchange of data or signals between the connected entities. The interface serves as a bridge that enables seamless communication and interoperability between different parts of a system or between different systems altogether. Designing a reliable and efficient interface is crucial in ensuring proper functionality and performance of electronic components and systems.
I2C, Serial - Max Supply Voltage
In general, the absolute maximum common-mode voltage is VEE-0.3V and VCC+0.3V, but for products without a protection element at the VCC side, voltages up to the absolute maximum rated supply voltage (i.e. VEE+36V) can be supplied, regardless of supply voltage.
5.5V - Min Supply Voltage
The minimum supply voltage (V min ) is explored for sequential logic circuits by statistically simulating the impact of within-die process variations and gate-dielectric soft breakdown on data retention and hold time.
3V - Nominal Supply Current
Nominal current is the same as the rated current. It is the current drawn by the motor while delivering rated mechanical output at its shaft.
740μA - Power Dissipation
the process by which an electronic or electrical device produces heat (energy loss or waste) as an undesirable derivative of its primary action.
2.01mW - Number of Bits12
- Input Type
Input type in electronic components refers to the classification of the signal or data that a component can accept for processing or conversion. It indicates whether the input is analog, digital, or a specific format such as TTL or CMOS. Understanding input type is crucial for ensuring compatibility between different electronic devices and circuits, as it determines how signals are interpreted and interacted with.
Pseudo-Differential, Single Ended - Architecture
In electronic components, the parameter "Architecture" refers to the overall design and structure of the component. It encompasses the arrangement of internal components, the layout of circuitry, and the physical form of the component. The architecture of an electronic component plays a crucial role in determining its functionality, performance, and compatibility with other components in a system. Different architectures can result in variations in power consumption, speed, size, and other key characteristics of the component. Designers often consider the architecture of electronic components carefully to ensure optimal performance and integration within a larger system.
Sigma-Delta - Number of Inputs8
- Converter Type
The parameter "Converter Type" in electronic components refers to the classification of devices that convert one form of energy or signal to another. This includes devices such as analog-to-digital converters (ADCs), digital-to-analog converters (DACs), and various types of signal converters used in communication, power management, and measurement systems. Each converter type is designed to facilitate the manipulation or transformation of signals to meet specific application requirements. The choice of converter type typically depends on factors such as the signal characteristics, required accuracy, and conversion speed.
ADC, DELTA-SIGMA - Supply Type
Supply Type in electronic components refers to the classification of power sources used to operate the component. It indicates whether the component requires DC or AC power, and if DC, specifies the voltage levels such as low, medium, or high. Different supply types can affect the performance, compatibility, and application of the component in electronic circuits. Understanding the supply type is crucial for proper component selection and integration into electronic designs.
Single - Reference Type
a code object that is not stored directly where it is created, but that acts as a kind of pointer to a value stored elsewhere.
External, Internal - Data Interface
A Data Interface in EDQ is a template of a set of attributes representing a given entity, used to create processes that read from, or write to, interfaces rather than directly from or to sources or targets of data.
I2C - Resolution
Resolution in electronic components refers to the smallest increment of measurement or change that can be detected or represented by the component. It is a crucial specification in devices such as sensors, displays, and converters, as it determines the level of detail or accuracy that can be achieved. For example, in a digital camera, resolution refers to the number of pixels that make up an image, with higher resolution indicating a greater level of detail. In analog-to-digital converters, resolution is the number of discrete values that can be represented in the digital output, determining the precision of the conversion process. Overall, resolution plays a significant role in determining the performance and capabilities of electronic components in various applications.
1.5 B - Sampling Rate
often described in the context of signal processing as the number of samples per time.
10 sps - Voltage - Supply, Analog
Voltage - Supply, Analog is a parameter in electronic components that specifies the range of voltage levels required to power the analog circuitry within the component. This parameter indicates the minimum and maximum voltage levels that the component can accept for proper operation of its analog functions. It is crucial to ensure that the voltage supplied to the component falls within this specified range to prevent damage and ensure optimal performance. Understanding and adhering to the "Voltage - Supply, Analog" parameter is essential for the proper functioning of analog circuits in electronic components.
3V~5.5V - Voltage - Supply, Digital
Voltage - Supply, Digital is a parameter that specifies the voltage level required to power the digital circuitry within an electronic component, such as an integrated circuit or a microcontroller. This parameter is crucial for ensuring proper operation of the digital components, as supplying the correct voltage level is essential for reliable performance. The specified voltage range typically includes both minimum and maximum values within which the component can operate safely and efficiently. It is important to adhere to the recommended voltage supply range to prevent damage to the component and to maintain the integrity of the digital signals being processed.
3V~5.5V - Number of Analog In Channels8
- Sampling Rate (Per Second)
The sampling rate (per second) in electronic components refers to the frequency at which an analog signal is measured or sampled to convert it into a digital signal. It is typically expressed in Hertz (Hz) and indicates how many times per second the analog signal is sampled. A higher sampling rate allows for better representation of the original signal, capturing more detail and reducing distortion during the conversion process. In audio applications, for example, common sampling rates include 44.1 kHz for CD-quality audio and 48 kHz for video production.
82 - Output Bit Code
Output Bit Code refers to the digital representation of the output signal of an electronic component, typically in binary form. It indicates the specific combination of bits that represent the output value of the component. The output bit code is crucial for interpreting and processing the output data accurately in digital systems. By understanding the output bit code, engineers can design appropriate circuits and algorithms to manipulate and utilize the output information effectively.
BINARY - Power Consumption
Power consumption is the amount of input energy (measured in watts) required for an electrical appliance to function. This is opposed to power output which is a measure of the level of performance, of a heat pump for example.
2mW - Linearity Error-Max (EL)
Linearity Error-Max (EL) is a parameter used to quantify the deviation of a device's output from a straight line response over its specified input range. It measures the maximum difference between the ideal output and the actual output of the component when subjected to varying input levels. A smaller linearity error indicates better performance, as it signifies more accurate and consistent output behavior across the input spectrum. This parameter is critical in applications requiring precision, such as analog-to-digital converters and other signal processing components.
0.0977% - Integral Nonlinearity (INL)
Integral Nonlinearity (INL) is a measure of the deviation of a transfer function from a straight line when considering the entire output range of a device, such as a digital-to-analog converter or an analog-to-digital converter. It is quantified as the maximum deviation of the actual output from the ideal output across the entire input range, expressed as a percentage of the full-scale output. INL indicates how closely the output follows a linear model, influencing the accuracy of the signal representation in electronic components. A lower INL value signifies better linearity and higher precision in signal processing applications.
-2 LSB - Analog Input Voltage-Max
Analog Input Voltage-Max refers to the maximum voltage level that can be safely applied to the input of an electronic component, such as an integrated circuit or sensor, without causing damage. This parameter is crucial for ensuring the proper functioning and longevity of the component. Exceeding the specified maximum input voltage can lead to overloading, overheating, or even permanent damage to the component. It is important for designers and engineers to carefully consider and adhere to this parameter when designing circuits or systems to prevent potential failures and ensure reliable operation.
5V - Differential Nonlinearity
Differential Nonlinearity (DNL) is a parameter used to measure the deviation of the actual step size between two adjacent digital output codes in an analog-to-digital converter (ADC) or digital-to-analog converter (DAC) from the ideal step size. It quantifies the accuracy of the converter in maintaining consistent step sizes across the entire range of digital codes. DNL is typically expressed in terms of least significant bits (LSBs) and is an important factor in determining the overall performance and linearity of the converter. A lower DNL value indicates better linearity and accuracy in the conversion process, while a higher DNL value suggests potential errors and nonlinearity in the output signal.
1 LSB - Features
In the context of electronic components, the term "Features" typically refers to the specific characteristics or functionalities that a particular component offers. These features can vary depending on the type of component and its intended use. For example, a microcontroller may have features such as built-in memory, analog-to-digital converters, and communication interfaces like UART or SPI.When evaluating electronic components, understanding their features is crucial in determining whether they meet the requirements of a particular project or application. Engineers and designers often look at features such as operating voltage, speed, power consumption, and communication protocols to ensure compatibility and optimal performance.In summary, the "Features" parameter in electronic components describes the unique attributes and capabilities that differentiate one component from another, helping users make informed decisions when selecting components for their electronic designs.
Selectable Address, Temperature Sensor - Height1.2mm
- Length5mm
- Width4.4mm
- Thickness
Thickness in electronic components refers to the measurement of how thick a particular material or layer is within the component structure. It can pertain to various aspects, such as the thickness of a substrate, a dielectric layer, or conductive traces. This parameter is crucial as it impacts the electrical, mechanical, and thermal properties of the component, influencing its performance and reliability in electronic circuits.
1mm - REACH SVHC
The parameter "REACH SVHC" in electronic components refers to the compliance with the Registration, Evaluation, Authorization, and Restriction of Chemicals (REACH) regulation regarding Substances of Very High Concern (SVHC). SVHCs are substances that may have serious effects on human health or the environment, and their use is regulated under REACH to ensure their safe handling and minimize their impact.Manufacturers of electronic components need to declare if their products contain any SVHCs above a certain threshold concentration and provide information on the safe use of these substances. This information allows customers to make informed decisions about the potential risks associated with using the components and take appropriate measures to mitigate any hazards.Ensuring compliance with REACH SVHC requirements is essential for electronics manufacturers to meet regulatory standards, protect human health and the environment, and maintain transparency in their supply chain. It also demonstrates a commitment to sustainability and responsible manufacturing practices in the electronics industry.
No SVHC - Radiation Hardening
Radiation hardening is the process of making electronic components and circuits resistant to damage or malfunction caused by high levels of ionizing radiation, especially for environments in outer space (especially beyond the low Earth orbit), around nuclear reactors and particle accelerators, or during nuclear accidents or nuclear warfare.
No - RoHS Status
RoHS means “Restriction of Certain Hazardous Substances” in the “Hazardous Substances Directive” in electrical and electronic equipment.
ROHS3 Compliant - Lead Free
Lead Free is a term used to describe electronic components that do not contain lead as part of their composition. Lead is a toxic material that can have harmful effects on human health and the environment, so the electronics industry has been moving towards lead-free components to reduce these risks. Lead-free components are typically made using alternative materials such as silver, copper, and tin. Manufacturers must comply with regulations such as the Restriction of Hazardous Substances (RoHS) directive to ensure that their products are lead-free and environmentally friendly.
Lead Free
ADC128D818 Functional Block Diagram

Functional Block Diagram

Typical Application Diagram
ADC128D818 Equivalent
| Model number | Manufacturer | Description |
| ADC128D818CIMTX | Texas Instruments | 8-CH 12-BIT DELTA-SIGMA ADC, SERIAL ACCESS, PDSO16, PLASTIC, MO-153, TSSOP-16 |
| ADC128D818CIMTX/NOPB | Texas Instruments | 12-Bit, 82SPS, 8-Ch Delta-Sigma ADC with Temp Sensor, INT / EXT Voltage Reference & I²C Interface 16-TSSOP -40 to 125 |
| ADC128D818CIMT/NOPB | Texas Instruments | 12-Bit, 82SPS, 8-Ch Delta-Sigma ADC with Temp Sensor, INT / EXT Voltage Reference & I²C Interface 16-TSSOP -40 to 125 |
Parts with Similar Specs
- ImagePart NumberManufacturerPackage / CaseNumber of InputsNumber of PinsNumber of BitsSampling RatePolarityInterfaceIntegral Nonlinearity (INL)Differential NonlinearityMin Supply VoltageSupply VoltageView Compare
ADC128D818CIMT/NOPB
16-TSSOP (0.173, 4.40mm Width)
8
16
12
10 sps
Unipolar
I2C, Serial
-2 LSB
1 LSB
3 V
3.3 V
16-TSSOP (0.173, 4.40mm Width)
-
16
12
200 ksps
Unipolar
SPI
1 LSB
1 LSB
2.7 V
3.3 V
16-TSSOP (0.173, 4.40mm Width)
8
16
12
50 ksps
Unipolar
-
2 LSB
1 LSB
2.7 V
2.7 V
16-TSSOP (0.173, 4.40mm Width)
8
16
12
50 ksps
Unipolar
-
2 LSB
1 LSB
2.7 V
5 V
14-TSSOP (0.173, 4.40mm Width)
2, 4
14
12
100 ksps
Unipolar
SPI, Serial
2 LSB
1 LSB
2.7 V
5 V
ADC128D818 Application
• Communications Infrastructure
• Thermal and Hardware Server Monitors
• System Monitors
• Industrial and Medical Systems
• Electronic Test Equipment and Instrumentation
• Power Supply Monitoring and Supervision
ADC128D818 Package

package
ADC128D818 Manufacturer
Texas Instruments (TI) emerges as a globally recognized semiconductor manufacturer expanded into 35 countries. It has seen a rapid growth. In 1958, TIer firstly introduced the working integrated circuit. And today more than 30,000 TIers worldwide are committed to designing, manufacturing, and selling analog and embedded processing chips. They aspire to solve challenges as well as change the world through their technologies.
Texas Instruments (TI) is an American technology company that designs and manufactures semiconductors and various integrated circuits, which it sells to electronics designers and manufacturers globally. Its headquarters are in Dallas, Texas, United States. TI is one of the top ten semiconductor companies worldwide, based on sales volume.Texas Instruments's focus is on developing analog chips and embedded processors, which accounts for more than 80% of their revenue. TI also produces TI digital light processing (DLP) technology and education technology products including calculators, microcontrollers and multi-core processors. To date, TI has more than 43,000 patents worldwide.
Datasheet PDF
- Datasheets :
Trend Analysis
What is the operating voltage range of the ADC128D818?
The ADC128D818 operates with a supply voltage, V+, that has a range between 3 V to 5.5 V.
How many options does ADC128D818 have to set VREF?
The ADC128D818 has two options for setting VREF. The first option is to use the internal VREF, which is equal to 2.56 V. The second option is to source VREF externally through pin 1 of ADC128D818. In this case, the external VREF will operate in the range of 1.25 V to V+.
How many single-ended inputs does the ADC128D818 support?
ADC128D818 allows a maximum of 8 single-ended inputs, where the source's voltage is connected to INx (0 ≤ x ≤ 7). The source's ground must be connected to ADC128D818’s GND pin.
88E1512-A0-NNP2C000 Energy-Efficient Ethernet Transceiver: Features, Pinout, and Datasheet21 February 20223967
1N4148WS-7-F Diode: Datasheet, Equivalent, Pinout [FAQ]24 April 20222616
CR2016 vs. CR2032: Specifications, Applications, Differences04 November 202185869
STM32F030F4P6 Microcontrollers: Scheme, Pinout, and Datasheet17 November 20218044
LM334D Adjustable Current Source: Feature, Specification, and Datasheet03 July 2021789
LP5912-3.3DRVT LDO Regulator Pos, 1.8V 0.5A 6-Pin WSON EP T/R and 500mA Low-Noise14 February 20221874
The Comprehensive Introduction to AD8310 [FAQ]27 May 20222392
LTC3305IFE#PBF Battery Balancer: Pinout, Features and Datasheet [FAQ & Video]30 May 2022602
10 Details to Improve the Anti-Interference Ability of MCU29 December 20215063
Clamp Diodes: Principles, Functions, and Applications17 January 202652869
Basic Introduction to Metal Film Resistor28 August 202013072
Introduction to Mass Air Flow Sensor15 September 202010173
Facial Recognition: Features, Working and Applications02 September 20218985
MEMS Announces First Six-Axis IMU-Enabled Somatosensory Interactive System25 August 20223165
The Through Hole of the PCB Circuit Board Must be Plugged, Why?14 February 20234646
Eight Internet of Things (IoT) Trends for 202208 April 20224967
Texas Instruments
In Stock: 52
United States
China
Canada
Japan
Russia
Germany
United Kingdom
Singapore
Italy
Hong Kong(China)
Taiwan(China)
France
Korea
Mexico
Netherlands
Malaysia
Austria
Spain
Switzerland
Poland
Thailand
Vietnam
India
United Arab Emirates
Afghanistan
Åland Islands
Albania
Algeria
American Samoa
Andorra
Angola
Anguilla
Antigua & Barbuda
Argentina
Armenia
Aruba
Australia
Azerbaijan
Bahamas
Bahrain
Bangladesh
Barbados
Belarus
Belgium
Belize
Benin
Bermuda
Bhutan
Bolivia
Bonaire, Sint Eustatius and Saba
Bosnia & Herzegovina
Botswana
Brazil
British Indian Ocean Territory
British Virgin Islands
Brunei
Bulgaria
Burkina Faso
Burundi
Cabo Verde
Cambodia
Cameroon
Cayman Islands
Central African Republic
Chad
Chile
Christmas Island
Cocos (Keeling) Islands
Colombia
Comoros
Congo
Congo (DRC)
Cook Islands
Costa Rica
Côte d’Ivoire
Croatia
Cuba
Curaçao
Cyprus
Czechia
Denmark
Djibouti
Dominica
Dominican Republic
Ecuador
Egypt
El Salvador
Equatorial Guinea
Eritrea
Estonia
Eswatini
Ethiopia
Falkland Islands
Faroe Islands
Fiji
Finland
French Guiana
French Polynesia
Gabon
Gambia
Georgia
Ghana
Gibraltar
Greece
Greenland
Grenada
Guadeloupe
Guam
Guatemala
Guernsey
Guinea
Guinea-Bissau
Guyana
Haiti
Honduras
Hungary
Iceland
Indonesia
Iran
Iraq
Ireland
Isle of Man
Israel
Jamaica
Jersey
Jordan
Kazakhstan
Kenya
Kiribati
Kosovo
Kuwait
Kyrgyzstan
Laos
Latvia
Lebanon
Lesotho
Liberia
Libya
Liechtenstein
Lithuania
Luxembourg
Macao(China)
Madagascar
Malawi
Maldives
Mali
Malta
Marshall Islands
Martinique
Mauritania
Mauritius
Mayotte
Micronesia
Moldova
Monaco
Mongolia
Montenegro
Montserrat
Morocco
Mozambique
Myanmar
Namibia
Nauru
Nepal
New Caledonia
New Zealand
Nicaragua
Niger
Nigeria
Niue
Norfolk Island
North Korea
North Macedonia
Northern Mariana Islands
Norway
Oman
Pakistan
Palau
Palestinian Authority
Panama
Papua New Guinea
Paraguay
Peru
Philippines
Pitcairn Islands
Portugal
Puerto Rico
Qatar
Réunion
Romania
Rwanda
Samoa
San Marino
São Tomé & Príncipe
Saudi Arabia
Senegal
Serbia
Seychelles
Sierra Leone
Sint Maarten
Slovakia
Slovenia
Solomon Islands
Somalia
South Africa
South Sudan
Sri Lanka
St Helena, Ascension, Tristan da Cunha
St. Barthélemy
St. Kitts & Nevis
St. Lucia
St. Martin
St. Pierre & Miquelon
St. Vincent & Grenadines
Sudan
Suriname
Svalbard & Jan Mayen
Sweden
Syria
Tajikistan
Tanzania
Timor-Leste
Togo
Tokelau
Tonga
Trinidad & Tobago
Tunisia
Turkey
Turkmenistan
Turks & Caicos Islands
Tuvalu
U.S. Outlying Islands
U.S. Virgin Islands
Uganda
Ukraine
Uruguay
Uzbekistan
Vanuatu
Vatican City
Venezuela
Wallis & Futuna
Yemen
Zambia
Zimbabwe


Product
Brand
Articles
Tools



















