TPS92638QPWPRQ1 LED Lighting Driver: Alternatives, Pinout, Datasheet
0.65mm PMIC Automotive, AEC-Q100 Series TPS92638 20 Pin 14V 20-PowerTSSOP (0.173, 4.40mm Width)









0.65mm PMIC Automotive, AEC-Q100 Series TPS92638 20 Pin 14V 20-PowerTSSOP (0.173, 4.40mm Width)
The TPS92638QPWPRQ1 is an eight-channel linear LED driver with PWM dimming control. Its design is ideal for driving multiple strings of LEDs up to a medium power range. This passage is going to introduce TPS92638QPWPRQ1 from the perspectives of description, CAD models, and datasheet.
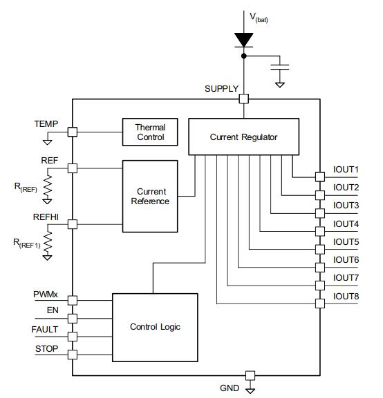
TPS92638QPWPRQ1 Pin Function
| NAME | NO. | I/O | DESCRIPTION |
| EN | 2 | I | Enable and shutdown |
| FAULT | 8 | I/O | Fault pin |
| GND | 12 | - | Ground |
| IOUT1 | 20 | O | Current output pin |
| IOUT2 | 19 | O | Current output pin |
| IOUT3 | 18 | O | Current output pin |
| IOUT4 | 17 | O | Current output pin |
| IOUT5 | 16 | O | Current output pin |
| IOUT6 | 15 | O | Current output pin |
| IOUT7 | 14 | O | Current output pin |
| IOUT8 | 13 | O | Current output pin |
| PWM1 | 4 | I | PWM input and channel ON-OFF for CH1 and CH2 |
| PWM2 | 5 | I | PWM input and channel ON-OFF for CH3 and CH4 |
| PWM3 | 6 | I | PWM input and channel ON-OFF for CH5 and CH6 |
| PWM4 | 7 | I | PWM input and channel ON-OFF for CH7 and CH8 |
| REF | 11 | I | Reference resistor terminal for the normal current setting |
| REFHI | 10 | I | Reference resistor pin for stop light current setting |
| STOP | 3 | I | Signal input for the stoplight |
| SUPPLY | 1 | I | Input pin – VBAT supply |
| TEMP | 9 | I | Temperature foldback threshold programming |
TPS92638QPWPRQ1 Description
TPS92638QPWPRQ1 is a Texas Instruments TPS92638QPWPRQ1 that is distributed by Utmel Electronics. It falls under the category of LED Lighting Drivers.
It is used in a variety of fields, including automotive hybrid, electric, and powertrain systems. Data centers and enterprise computing are examples of enterprise systems. Electronics for personal use Home entertainment and home theater.
And the main parameters of this section are: LED Driver with 24 Segments HTSSOP EP T/R 20-Pin Automotive.
It is also environmentally friendly and RoHS compliant (lead-free / RoHS compliant).
TPS92638QPWPRQ1 CAD Models
Symbol

Footprint

3D Models

TPS92638QPWPRQ1 Features
• Qualified for Automotive Applications
– Device Temperature Grade 1: –40°C to 125°C
Ambient Operating Temperature Range
– Device HBM ESD Classification Level H2
– Device CDM ESD Classification Level C3B
• Functional safety capable
– Documentation available to aid functional safety system design
• 8-Channel LED Driver With Analog and PWM Dimming
• Wide Input-Voltage Range: 5 V–40 V
• Adjustable Constant Output Current Set by Reference Resistor
– Maximum Current: 70 mA per Channel
– Maximum Current: 560 mA in Parallel Operation Mode
– Accuracy: ±3% per Channel
– Accuracy: ±4% per Device
• PWM Dimming Input (PWM)
– Turn-ON/OFF Delay Time: 25 µs (Typ.), 45 µs (max.)
• 4-Bank PWM Dimming to Control 8 Channels
• Open- and Shorted-LED Detection With Deglitch
• Fault Pin for Open, Short, and Thermal-Shutdown Failure Reporting, Allowing Parallel Bus Connection of up to 15 Devices
• Temperature-Current Foldback to Prevent Thermal Shutdown, With Programmable
Threshold
• Single Resistor for Stop-Current SetPoint
• Single Resistor for Tail-Current SetPoint
• Operating Junction Temperature Range –40°C to 150°C
• Package: 20-Pin Thermally Enhanced PWP Package (PDSO)
TPS92638QPWPRQ1 Application
1. Automotive
Advanced driver assistance systems (ADAS)/Body electronics & lighting/Hybrid, electric & powertrain systems/Infotainment & cluster
2. Enterprise systems
Data center & enterprise computing/Enterprise machine/Enterprise projectors
3. Personal electronics
Connected peripherals & printers/Data storage/Gaming/Home theater & entertainment/Mobile phones/PC & notebooks/Portable electronics/Tablets/TV/Wearables (non-medical)
TPS92638QPWPRQ1 Manufacturer
Texas Instruments Incorporated (TI) is an American technology company based in Dallas, Texas, that designs and manufactures semiconductors and integrated circuits for electronic designers and manufacturers around the world. Based on sales volume, it is one of the top ten semiconductor companies in the world. Analog chips and embedded processors, which account for more than 80% of the company's revenue, are the company's main focus. TI also makes calculators, microcontrollers, and multi-core processors, as well as TI digital light processing technology and education technology. As of 2016, the company had 45,000 patents worldwide.
TPS92638QPWPRQ1 Alternatives
IS31BL3230-QFLS2-TR
TPS92638QPWPRQ1 Functional Block Diagram

Specifications
- TypeParameter
- Lifecycle Status
Lifecycle Status refers to the current stage of an electronic component in its product life cycle, indicating whether it is active, obsolete, or transitioning between these states. An active status means the component is in production and available for purchase. An obsolete status indicates that the component is no longer being manufactured or supported, and manufacturers typically provide a limited time frame for support. Understanding the lifecycle status is crucial for design engineers to ensure continuity and reliability in their projects.
ACTIVE (Last Updated: 4 days ago) - Factory Lead Time12 Weeks
- Mount
In electronic components, the term "Mount" typically refers to the method or process of physically attaching or fixing a component onto a circuit board or other electronic device. This can involve soldering, adhesive bonding, or other techniques to secure the component in place. The mounting process is crucial for ensuring proper electrical connections and mechanical stability within the electronic system. Different components may have specific mounting requirements based on their size, shape, and function, and manufacturers provide guidelines for proper mounting procedures to ensure optimal performance and reliability of the electronic device.
Surface Mount - Mounting Type
The "Mounting Type" in electronic components refers to the method used to attach or connect a component to a circuit board or other substrate, such as through-hole, surface-mount, or panel mount.
Surface Mount - Package / Case
refers to the protective housing that encases an electronic component, providing mechanical support, electrical connections, and thermal management.
20-PowerTSSOP (0.173, 4.40mm Width) - Number of Pins20
- Operating Temperature
The operating temperature is the range of ambient temperature within which a power supply, or any other electrical equipment, operate in. This ranges from a minimum operating temperature, to a peak or maximum operating temperature, outside which, the power supply may fail.
-40°C~125°C TA - Packaging
Semiconductor package is a carrier / shell used to contain and cover one or more semiconductor components or integrated circuits. The material of the shell can be metal, plastic, glass or ceramic.
Tape & Reel (TR) - Series
In electronic components, the "Series" refers to a group of products that share similar characteristics, designs, or functionalities, often produced by the same manufacturer. These components within a series typically have common specifications but may vary in terms of voltage, power, or packaging to meet different application needs. The series name helps identify and differentiate between various product lines within a manufacturer's catalog.
Automotive, AEC-Q100 - JESD-609 Code
The "JESD-609 Code" in electronic components refers to a standardized marking code that indicates the lead-free solder composition and finish of electronic components for compliance with environmental regulations.
e4 - Pbfree Code
The "Pbfree Code" parameter in electronic components refers to the code or marking used to indicate that the component is lead-free. Lead (Pb) is a toxic substance that has been widely used in electronic components for many years, but due to environmental concerns, there has been a shift towards lead-free alternatives. The Pbfree Code helps manufacturers and users easily identify components that do not contain lead, ensuring compliance with regulations and promoting environmentally friendly practices. It is important to pay attention to the Pbfree Code when selecting electronic components to ensure they meet the necessary requirements for lead-free applications.
yes - Part Status
Parts can have many statuses as they progress through the configuration, analysis, review, and approval stages.
Active - Moisture Sensitivity Level (MSL)
Moisture Sensitivity Level (MSL) is a standardized rating that indicates the susceptibility of electronic components, particularly semiconductors, to moisture-induced damage during storage and the soldering process, defining the allowable exposure time to ambient conditions before they require special handling or baking to prevent failures
3 (168 Hours) - Number of Terminations20
- ECCN Code
An ECCN (Export Control Classification Number) is an alphanumeric code used by the U.S. Bureau of Industry and Security to identify and categorize electronic components and other dual-use items that may require an export license based on their technical characteristics and potential for military use.
EAR99 - TypeLinear
- Terminal Finish
Terminal Finish refers to the surface treatment applied to the terminals or leads of electronic components to enhance their performance and longevity. It can improve solderability, corrosion resistance, and overall reliability of the connection in electronic assemblies. Common finishes include nickel, gold, and tin, each possessing distinct properties suitable for various applications. The choice of terminal finish can significantly impact the durability and effectiveness of electronic devices.
Nickel/Palladium/Gold (Ni/Pd/Au) - Applications
The parameter "Applications" in electronic components refers to the specific uses or functions for which a component is designed. It encompasses various fields such as consumer electronics, industrial automation, telecommunications, automotive, and medical devices. Understanding the applications helps in selecting the right components for a particular design based on performance, reliability, and compatibility requirements. This parameter also guides manufacturers in targeting their products to relevant markets and customer needs.
Automotive - Terminal Position
In electronic components, the term "Terminal Position" refers to the physical location of the connection points on the component where external electrical connections can be made. These connection points, known as terminals, are typically used to attach wires, leads, or other components to the main body of the electronic component. The terminal position is important for ensuring proper connectivity and functionality of the component within a circuit. It is often specified in technical datasheets or component specifications to help designers and engineers understand how to properly integrate the component into their circuit designs.
DUAL - Terminal Form
Occurring at or forming the end of a series, succession, or the like; closing; concluding.
GULL WING - Number of Functions1
- Supply Voltage
Supply voltage refers to the electrical potential difference provided to an electronic component or circuit. It is crucial for the proper operation of devices, as it powers their functions and determines performance characteristics. The supply voltage must be within specified limits to ensure reliability and prevent damage to components. Different electronic devices have specific supply voltage requirements, which can vary widely depending on their design and intended application.
14V - Terminal Pitch
The center distance from one pole to the next.
0.65mm - Base Part Number
The "Base Part Number" (BPN) in electronic components serves a similar purpose to the "Base Product Number." It refers to the primary identifier for a component that captures the essential characteristics shared by a group of similar components. The BPN provides a fundamental way to reference a family or series of components without specifying all the variations and specific details.
TPS92638 - Number of Outputs8
- Max Supply Voltage
In general, the absolute maximum common-mode voltage is VEE-0.3V and VCC+0.3V, but for products without a protection element at the VCC side, voltages up to the absolute maximum rated supply voltage (i.e. VEE+36V) can be supplied, regardless of supply voltage.
40V - Quiescent Current
The quiescent current is defined as the current level in the amplifier when it is producing an output of zero.
600μA - Output Current per Channel
Output Current per Channel is a specification commonly found in electronic components such as amplifiers, audio interfaces, and power supplies. It refers to the maximum amount of electrical current that can be delivered by each individual output channel of the component. This parameter is important because it determines the capacity of the component to drive connected devices or loads. A higher output current per channel means the component can deliver more power to connected devices, while a lower output current may limit the performance or functionality of the component in certain applications. It is crucial to consider the output current per channel when selecting electronic components to ensure they can meet the power requirements of the intended system or setup.
70mA - Internal Switch(s)
The term "Internal Switch(s)" in electronic components typically refers to a built-in mechanism within a device that allows for the control of electrical current flow. These internal switches can be used to turn circuits on or off, change the direction of current, or regulate the flow of electricity within the component. They are often designed to be controlled externally, either manually or automatically, to enable various functions or operations within the electronic device. Internal switches play a crucial role in the overall functionality and performance of electronic components by providing a means to manage and manipulate electrical signals effectively.
Yes - Dimming
Dimming is a feature in electronic components, such as LED lights or display screens, that allows the user to adjust the brightness level of the device. It is a method of controlling the amount of light output by the component, typically by varying the voltage or current supplied to it. Dimming can be achieved through various techniques, such as pulse-width modulation (PWM) or analog dimming. This feature is commonly used to save energy, create ambiance, or enhance visual comfort in different applications.
Analog, PWM - Number of Segments24
- Voltage - Supply (Min)
Voltage - Supply (Min) is a parameter in electronic components that specifies the minimum voltage required for the component to operate within its specified performance range. This parameter indicates the lowest voltage level that can be safely applied to the component without causing malfunctions or damage. It is crucial to ensure that the supply voltage provided to the component is equal to or higher than the specified minimum voltage to guarantee proper functionality and reliability. Failure to meet this requirement may result in erratic behavior, reduced performance, or even permanent damage to the component.
5V - Multiplexed Display Capability
Multiplexed Display Capability refers to the ability of an electronic component or system to control multiple display elements using fewer input/output lines. This is achieved by rapidly switching between different displays or segments, allowing for efficient communication and reduced wiring complexity. In multiplexed systems, each display is activated sequentially, creating the illusion of simultaneous display to the user. This capability is commonly utilized in devices like LED matrices and LCD screens to enhance functionality while conserving space and resources.
NO - Height1.2mm
- Length6.5mm
- Width4.4mm
- Thickness
Thickness in electronic components refers to the measurement of how thick a particular material or layer is within the component structure. It can pertain to various aspects, such as the thickness of a substrate, a dielectric layer, or conductive traces. This parameter is crucial as it impacts the electrical, mechanical, and thermal properties of the component, influencing its performance and reliability in electronic circuits.
1mm - RoHS Status
RoHS means “Restriction of Certain Hazardous Substances” in the “Hazardous Substances Directive” in electrical and electronic equipment.
ROHS3 Compliant - Lead Free
Lead Free is a term used to describe electronic components that do not contain lead as part of their composition. Lead is a toxic material that can have harmful effects on human health and the environment, so the electronics industry has been moving towards lead-free components to reduce these risks. Lead-free components are typically made using alternative materials such as silver, copper, and tin. Manufacturers must comply with regulations such as the Restriction of Hazardous Substances (RoHS) directive to ensure that their products are lead-free and environmentally friendly.
Lead Free
"Trend Analysis
Parts with Similar Specs
Where is TPS92638QPWPRQ1 made by?
It is made by an American technology company--Texas Instruments Incorporated.
Can TPS92638QPWPRQ1 be operated in the temperature of 100℃?
Yes, its suitable operating temperature is between -40℃ and +125℃.
What’s the dimensions of TPS92638QPWPRQ1?
Height:1.2mm/Length:6.5mm/Thickness:1mm/Width:4.4mm
How many pins does TPS92638QPWPRQ1 have?
It has 20 pins.
1N4005 Diode: Datasheet, Pinout, and Equivalents30 August 202110754
74HC193 Counter: Specification, Pinout and Datasheet PDF21 June 20217032
LM3900D Operational Amplifier: Feature, Specification, and Datasheet22 June 2021897
OP237EJ Operational Amplifier06 March 2024455
Exploring the Microchip PIC18F66J50 Microcontroller: A Comprehensive Technical Analysis29 February 2024111
IRFP240 Power MOSFET: Pinout, Datasheet and Equivalent29 October 20217204
LM2902 Op-Amp: Where & How to Use LM2902?04 December 20215486
SN74LVC1G14DCKR: Overview, Features, and Applications13 December 2023654
Building a Smart Home System: Exploring Arduino Applications13 March 20242520
What to Know Before Buying CR1225 Battery Equivalent05 September 20251130
Top 10 High-Performance End Mills for Metalworking in 202517 July 20252593
What is Color Ring Inductor? How to Read Inductor Color Code?01 April 202514632
Arduino Based Gas Leakage Detection29 August 20238904
Capacitor Signs: Decoding Symbols & Markings14 August 20256473
An Overview of Top Semiconductor Companies17 October 202521973
Understanding the Flight Sensing Modules of Drones06 September 20211716
Texas Instruments
In Stock: 2206
United States
China
Canada
Japan
Russia
Germany
United Kingdom
Singapore
Italy
Hong Kong(China)
Taiwan(China)
France
Korea
Mexico
Netherlands
Malaysia
Austria
Spain
Switzerland
Poland
Thailand
Vietnam
India
United Arab Emirates
Afghanistan
Åland Islands
Albania
Algeria
American Samoa
Andorra
Angola
Anguilla
Antigua & Barbuda
Argentina
Armenia
Aruba
Australia
Azerbaijan
Bahamas
Bahrain
Bangladesh
Barbados
Belarus
Belgium
Belize
Benin
Bermuda
Bhutan
Bolivia
Bonaire, Sint Eustatius and Saba
Bosnia & Herzegovina
Botswana
Brazil
British Indian Ocean Territory
British Virgin Islands
Brunei
Bulgaria
Burkina Faso
Burundi
Cabo Verde
Cambodia
Cameroon
Cayman Islands
Central African Republic
Chad
Chile
Christmas Island
Cocos (Keeling) Islands
Colombia
Comoros
Congo
Congo (DRC)
Cook Islands
Costa Rica
Côte d’Ivoire
Croatia
Cuba
Curaçao
Cyprus
Czechia
Denmark
Djibouti
Dominica
Dominican Republic
Ecuador
Egypt
El Salvador
Equatorial Guinea
Eritrea
Estonia
Eswatini
Ethiopia
Falkland Islands
Faroe Islands
Fiji
Finland
French Guiana
French Polynesia
Gabon
Gambia
Georgia
Ghana
Gibraltar
Greece
Greenland
Grenada
Guadeloupe
Guam
Guatemala
Guernsey
Guinea
Guinea-Bissau
Guyana
Haiti
Honduras
Hungary
Iceland
Indonesia
Iran
Iraq
Ireland
Isle of Man
Israel
Jamaica
Jersey
Jordan
Kazakhstan
Kenya
Kiribati
Kosovo
Kuwait
Kyrgyzstan
Laos
Latvia
Lebanon
Lesotho
Liberia
Libya
Liechtenstein
Lithuania
Luxembourg
Macao(China)
Madagascar
Malawi
Maldives
Mali
Malta
Marshall Islands
Martinique
Mauritania
Mauritius
Mayotte
Micronesia
Moldova
Monaco
Mongolia
Montenegro
Montserrat
Morocco
Mozambique
Myanmar
Namibia
Nauru
Nepal
New Caledonia
New Zealand
Nicaragua
Niger
Nigeria
Niue
Norfolk Island
North Korea
North Macedonia
Northern Mariana Islands
Norway
Oman
Pakistan
Palau
Palestinian Authority
Panama
Papua New Guinea
Paraguay
Peru
Philippines
Pitcairn Islands
Portugal
Puerto Rico
Qatar
Réunion
Romania
Rwanda
Samoa
San Marino
São Tomé & Príncipe
Saudi Arabia
Senegal
Serbia
Seychelles
Sierra Leone
Sint Maarten
Slovakia
Slovenia
Solomon Islands
Somalia
South Africa
South Sudan
Sri Lanka
St Helena, Ascension, Tristan da Cunha
St. Barthélemy
St. Kitts & Nevis
St. Lucia
St. Martin
St. Pierre & Miquelon
St. Vincent & Grenadines
Sudan
Suriname
Svalbard & Jan Mayen
Sweden
Syria
Tajikistan
Tanzania
Timor-Leste
Togo
Tokelau
Tonga
Trinidad & Tobago
Tunisia
Turkey
Turkmenistan
Turks & Caicos Islands
Tuvalu
U.S. Outlying Islands
U.S. Virgin Islands
Uganda
Ukraine
Uruguay
Uzbekistan
Vanuatu
Vatican City
Venezuela
Wallis & Futuna
Yemen
Zambia
Zimbabwe


Product
Brand
Articles
Tools









