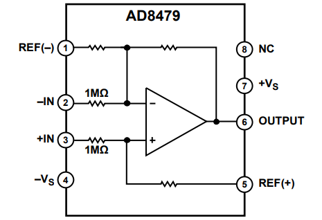
AD8479 Precision Difference Amplifier: Pinout and Basic Connections
55mA per Channel -90 dB Instrumentational OP Amps 36V ±2.5V~18V AD8479 8 Pins 8-SOIC (0.154, 3.90mm Width)









55mA per Channel -90 dB Instrumentational OP Amps 36V ±2.5V~18V AD8479 8 Pins 8-SOIC (0.154, 3.90mm Width)
The AD8479 is a difference amplifier with a very high input common-mode voltage range. Furthermore, Huge range of Semiconductors, Capacitors, Resistors and IcS in stock. Welcome RFQ.
AD8479 Pinout

Pinout
| Pin No. | Mnemonic | Description |
| 1 | REF(−) | Negative Reference Voltage Input. |
| 2 | −IN | Inverting Input. |
| 3 | +IN | Noninverting Input. |
| 4 | −VS | Negative Supply Voltage. |
| 5 | REF(+) | Positive Reference Voltage Input. |
| 6 | OUTPUT | Output. |
| 7 | +VS | Positive Supply Voltage. |
| 8 | NC | No Connect. Do not connect to this pin. |
Pin Function Descriptions
AD8479 CAD Model

Symbol

Footprint

3D Model
AD8479 Overview
The AD8479 is a difference amplifier with a very high input common-mode voltage range. The AD8479 is a precision device that allows the user to accurately measure differential signals in the presence of high common-mode voltages up to ±600 V.
This article provides you with a basic overview of the AD8479 Precision Difference Amplifier, including its pin descriptions, features and specifications, etc., to help you quickly understand what AD8479 is.
AD8479 Features
● ±600 V common-mode voltage range
● Rail-to-rail output
● Fixed gain of 1
● Wide power supply range of ±2.5 V to ±18 V
● 550 μA typical power supply current
● Excellent ac specifications
◆ 90 dB minimum CMRR
◆ 310 kHz bandwidth
● High accuracy dc performance
◆ 5 ppm maximum gain nonlinearity
◆ 10 μV/°C maximum offset voltage drift
◆ 5 ppm/°C maximum gain drift
AD8479 Advantage
The AD8479 can replace costly isolation amplifiers in applications that do not require galvanic isolation. The device operates over a ±600 V common-mode voltage range and has inputs that are protected from common-mode or differential mode transients up to ±600 V. The AD8479 has low offset voltage, low offset voltage drift, low gain drift, low common-mode rejection drift, and excellent common-mode rejection ratio (CMRR) over a wide frequency range. The AD8479 is available in a space-saving 8-lead SOIC package and is operational over the −40°C to +125°C temperature range.
Specifications
- TypeParameter
- Lifecycle Status
Lifecycle Status refers to the current stage of an electronic component in its product life cycle, indicating whether it is active, obsolete, or transitioning between these states. An active status means the component is in production and available for purchase. An obsolete status indicates that the component is no longer being manufactured or supported, and manufacturers typically provide a limited time frame for support. Understanding the lifecycle status is crucial for design engineers to ensure continuity and reliability in their projects.
PRODUCTION (Last Updated: 1 week ago) - Factory Lead Time8 Weeks
- Contact Plating
Contact plating (finish) provides corrosion protection for base metals and optimizes the mechanical and electrical properties of the contact interfaces.
Tin - Mount
In electronic components, the term "Mount" typically refers to the method or process of physically attaching or fixing a component onto a circuit board or other electronic device. This can involve soldering, adhesive bonding, or other techniques to secure the component in place. The mounting process is crucial for ensuring proper electrical connections and mechanical stability within the electronic system. Different components may have specific mounting requirements based on their size, shape, and function, and manufacturers provide guidelines for proper mounting procedures to ensure optimal performance and reliability of the electronic device.
Surface Mount - Mounting Type
The "Mounting Type" in electronic components refers to the method used to attach or connect a component to a circuit board or other substrate, such as through-hole, surface-mount, or panel mount.
Surface Mount - Package / Case
refers to the protective housing that encases an electronic component, providing mechanical support, electrical connections, and thermal management.
8-SOIC (0.154, 3.90mm Width) - Number of Pins8
- Number of Elements1
- Operating Temperature
The operating temperature is the range of ambient temperature within which a power supply, or any other electrical equipment, operate in. This ranges from a minimum operating temperature, to a peak or maximum operating temperature, outside which, the power supply may fail.
-40°C~125°C - Packaging
Semiconductor package is a carrier / shell used to contain and cover one or more semiconductor components or integrated circuits. The material of the shell can be metal, plastic, glass or ceramic.
Tube - JESD-609 Code
The "JESD-609 Code" in electronic components refers to a standardized marking code that indicates the lead-free solder composition and finish of electronic components for compliance with environmental regulations.
e3 - Pbfree Code
The "Pbfree Code" parameter in electronic components refers to the code or marking used to indicate that the component is lead-free. Lead (Pb) is a toxic substance that has been widely used in electronic components for many years, but due to environmental concerns, there has been a shift towards lead-free alternatives. The Pbfree Code helps manufacturers and users easily identify components that do not contain lead, ensuring compliance with regulations and promoting environmentally friendly practices. It is important to pay attention to the Pbfree Code when selecting electronic components to ensure they meet the necessary requirements for lead-free applications.
no - Part Status
Parts can have many statuses as they progress through the configuration, analysis, review, and approval stages.
Active - Moisture Sensitivity Level (MSL)
Moisture Sensitivity Level (MSL) is a standardized rating that indicates the susceptibility of electronic components, particularly semiconductors, to moisture-induced damage during storage and the soldering process, defining the allowable exposure time to ambient conditions before they require special handling or baking to prevent failures
3 (168 Hours) - Number of Terminations8
- Terminal Position
In electronic components, the term "Terminal Position" refers to the physical location of the connection points on the component where external electrical connections can be made. These connection points, known as terminals, are typically used to attach wires, leads, or other components to the main body of the electronic component. The terminal position is important for ensuring proper connectivity and functionality of the component within a circuit. It is often specified in technical datasheets or component specifications to help designers and engineers understand how to properly integrate the component into their circuit designs.
DUAL - Terminal Form
Occurring at or forming the end of a series, succession, or the like; closing; concluding.
GULL WING - Peak Reflow Temperature (Cel)
Peak Reflow Temperature (Cel) is a parameter that specifies the maximum temperature at which an electronic component can be exposed during the reflow soldering process. Reflow soldering is a common method used to attach electronic components to a circuit board. The Peak Reflow Temperature is crucial because it ensures that the component is not damaged or degraded during the soldering process. Exceeding the specified Peak Reflow Temperature can lead to issues such as component failure, reduced performance, or even permanent damage to the component. It is important for manufacturers and assemblers to adhere to the recommended Peak Reflow Temperature to ensure the reliability and functionality of the electronic components.
260 - Number of Functions1
- Supply Voltage
Supply voltage refers to the electrical potential difference provided to an electronic component or circuit. It is crucial for the proper operation of devices, as it powers their functions and determines performance characteristics. The supply voltage must be within specified limits to ensure reliability and prevent damage to components. Different electronic devices have specific supply voltage requirements, which can vary widely depending on their design and intended application.
15V - Time@Peak Reflow Temperature-Max (s)
Time@Peak Reflow Temperature-Max (s) refers to the maximum duration that an electronic component can be exposed to the peak reflow temperature during the soldering process, which is crucial for ensuring reliable solder joint formation without damaging the component.
30 - Base Part Number
The "Base Part Number" (BPN) in electronic components serves a similar purpose to the "Base Product Number." It refers to the primary identifier for a component that captures the essential characteristics shared by a group of similar components. The BPN provides a fundamental way to reference a family or series of components without specifying all the variations and specific details.
AD8479 - Pin Count
a count of all of the component leads (or pins)
8 - Output Type
The "Output Type" parameter in electronic components refers to the type of signal or data that is produced by the component as an output. This parameter specifies the nature of the output signal, such as analog or digital, and can also include details about the voltage levels, current levels, frequency, and other characteristics of the output signal. Understanding the output type of a component is crucial for ensuring compatibility with other components in a circuit or system, as well as for determining how the output signal can be utilized or processed further. In summary, the output type parameter provides essential information about the nature of the signal that is generated by the electronic component as its output.
Rail-to-Rail - Operating Supply Voltage
The voltage level by which an electrical system is designated and to which certain operating characteristics of the system are related.
36V - Supply Voltage-Min (Vsup)
The parameter "Supply Voltage-Min (Vsup)" in electronic components refers to the minimum voltage level required for the component to operate within its specified performance range. This parameter indicates the lowest voltage that can be safely applied to the component without risking damage or malfunction. It is crucial to ensure that the supply voltage provided to the component meets or exceeds this minimum value to ensure proper functionality and reliability. Failure to adhere to the specified minimum supply voltage may result in erratic behavior, reduced performance, or even permanent damage to the component.
2.5V - Analog IC - Other Type
Analog IC - Other Type is a parameter used to categorize electronic components that are integrated circuits (ICs) designed for analog signal processing but do not fall into more specific subcategories such as amplifiers, comparators, or voltage regulators. These ICs may include specialized analog functions such as analog-to-digital converters (ADCs), digital-to-analog converters (DACs), voltage references, or signal conditioning circuits. They are typically used in various applications where precise analog signal processing is required, such as in audio equipment, instrumentation, communication systems, and industrial control systems. Manufacturers provide detailed specifications for these components to help engineers select the most suitable IC for their specific design requirements.
ANALOG CIRCUIT - Operating Supply Current
Operating Supply Current, also known as supply current or quiescent current, is a crucial parameter in electronic components that indicates the amount of current required for the device to operate under normal conditions. It represents the current drawn by the component from the power supply while it is functioning. This parameter is important for determining the power consumption of the component and is typically specified in datasheets to help designers calculate the overall power requirements of their circuits. Understanding the operating supply current is essential for ensuring proper functionality and efficiency of electronic systems.
650μA - Nominal Supply Current
Nominal current is the same as the rated current. It is the current drawn by the motor while delivering rated mechanical output at its shaft.
550μA - Output Current
The rated output current is the maximum load current that a power supply can provide at a specified ambient temperature. A power supply can never provide more current that it's rated output current unless there is a fault, such as short circuit at the load.
10A - Max Supply Current
Max Supply Current refers to the maximum amount of electrical current that a component can draw from its power supply under normal operating conditions. It is a critical parameter that ensures the component operates reliably without exceeding its thermal limits or damaging internal circuitry. Exceeding this current can lead to overheating, performance degradation, or failure of the component. Understanding this parameter is essential for designing circuits that provide adequate power while avoiding overload situations.
650μA - Slew Rate
the maximum rate of output voltage change per unit time.
8V/μs - Amplifier Type
Amplifier Type refers to the classification or categorization of amplifiers based on their design, functionality, and characteristics. Amplifiers are electronic devices that increase the amplitude of a signal, such as voltage or current. The type of amplifier determines its specific application, performance capabilities, and operating characteristics. Common types of amplifiers include operational amplifiers (op-amps), power amplifiers, audio amplifiers, and radio frequency (RF) amplifiers. Understanding the amplifier type is crucial for selecting the right component for a particular circuit or system design.
General Purpose - Common Mode Rejection Ratio
Common Mode Rejection Ratio (CMRR) is a measure of the ability of a differential amplifier to reject input signals that are common to both input terminals. It is defined as the ratio of the differential gain to the common mode gain. A high CMRR indicates that the amplifier can effectively eliminate noise and interference that affects both inputs simultaneously, enhancing the fidelity of the amplified signal. CMRR is typically expressed in decibels (dB), with higher values representing better performance in rejecting common mode signals.
-90 dB - Max Input Voltage
Max Input Voltage refers to the maximum voltage level that an electronic component can safely handle without getting damaged. This parameter is crucial for ensuring the proper functioning and longevity of the component. Exceeding the specified maximum input voltage can lead to overheating, electrical breakdown, or permanent damage to the component. It is important to carefully adhere to the manufacturer's guidelines regarding the maximum input voltage to prevent any potential issues and maintain the reliability of the electronic device.
600V - Voltage - Supply, Single/Dual (±)
The parameter "Voltage - Supply, Single/Dual (±)" in electronic components refers to the power supply voltage required for the proper operation of the component. This parameter indicates whether the component requires a single power supply voltage (e.g., 5V) or a dual power supply voltage (e.g., ±15V). For components that require a single power supply voltage, only one voltage level is needed for operation. On the other hand, components that require a dual power supply voltage need both positive and negative voltage levels to function correctly.Understanding the voltage supply requirements of electronic components is crucial for designing and integrating them into circuits to ensure proper functionality and prevent damage due to incorrect voltage levels.
±2.5V~18V - Output Current per Channel
Output Current per Channel is a specification commonly found in electronic components such as amplifiers, audio interfaces, and power supplies. It refers to the maximum amount of electrical current that can be delivered by each individual output channel of the component. This parameter is important because it determines the capacity of the component to drive connected devices or loads. A higher output current per channel means the component can deliver more power to connected devices, while a lower output current may limit the performance or functionality of the component in certain applications. It is crucial to consider the output current per channel when selecting electronic components to ensure they can meet the power requirements of the intended system or setup.
55mA - Input Offset Voltage (Vos)
Input Offset Voltage (Vos) is a key parameter in electronic components, particularly in operational amplifiers. It refers to the voltage difference that must be applied between the two input terminals of the amplifier to nullify the output voltage when the input terminals are shorted together. In simpler terms, it represents the voltage required to bring the output of the amplifier to zero when there is no input signal present. Vos is an important parameter as it can introduce errors in the output signal of the amplifier, especially in precision applications where accuracy is crucial. Minimizing Vos is essential to ensure the amplifier operates with high precision and accuracy.
500μV - Gain Bandwidth Product
The gain–bandwidth product (designated as GBWP, GBW, GBP, or GB) for an amplifier is the product of the amplifier's bandwidth and the gain at which the bandwidth is measured.
130 kHz - Neg Supply Voltage-Nom (Vsup)
The parameter "Neg Supply Voltage-Nom (Vsup)" in electronic components refers to the nominal negative supply voltage that the component requires to operate within its specified performance characteristics. This parameter indicates the minimum voltage level that must be provided to the component's negative supply pin for proper functionality. It is important to ensure that the negative supply voltage provided to the component does not exceed the maximum specified value to prevent damage or malfunction. Understanding and adhering to the specified negative supply voltage requirements is crucial for the reliable operation of the electronic component in a circuit.
-15V - Power Supply Rejection Ratio (PSRR)
Power Supply Rejection Ratio (PSRR) is a measure of how well an electronic component, such as an operational amplifier or voltage regulator, can reject changes in its supply voltage. It indicates the ability of the component to maintain a stable output voltage despite fluctuations in the input supply voltage. A higher PSRR value signifies better performance in rejecting noise and variations from the power supply, leading to improved signal integrity and more reliable operation in electronic circuits. PSRR is typically expressed in decibels (dB).
90dB - Settling Time
In control theory the settling time of a dynamical system such as an amplifier or other output device is the time elapsed from the application of an ideal instantaneous step input to the time at which the amplifier output has entered and remained within a specified error band.
11 μs - Max Junction Temperature (Tj)
Max Junction Temperature (Tj) refers to the maximum allowable temperature at the junction of a semiconductor device, such as a transistor or integrated circuit. It is a critical parameter that influences the performance, reliability, and lifespan of the component. Exceeding this temperature can lead to thermal runaway, breakdown, or permanent damage to the device. Proper thermal management is essential to ensure the junction temperature remains within safe operating limits during device operation.
150°C - Ambient Temperature Range High
This varies from person to person, but it is somewhere between 68 and 77 degrees F on average. The temperature setting that is comfortable for an individual may fluctuate with humidity and outside temperature as well. The temperature of an air conditioned room can also be considered ambient temperature.
125°C - Height1.75mm
- Length5mm
- Width4mm
- REACH SVHC
The parameter "REACH SVHC" in electronic components refers to the compliance with the Registration, Evaluation, Authorization, and Restriction of Chemicals (REACH) regulation regarding Substances of Very High Concern (SVHC). SVHCs are substances that may have serious effects on human health or the environment, and their use is regulated under REACH to ensure their safe handling and minimize their impact.Manufacturers of electronic components need to declare if their products contain any SVHCs above a certain threshold concentration and provide information on the safe use of these substances. This information allows customers to make informed decisions about the potential risks associated with using the components and take appropriate measures to mitigate any hazards.Ensuring compliance with REACH SVHC requirements is essential for electronics manufacturers to meet regulatory standards, protect human health and the environment, and maintain transparency in their supply chain. It also demonstrates a commitment to sustainability and responsible manufacturing practices in the electronics industry.
No SVHC - Radiation Hardening
Radiation hardening is the process of making electronic components and circuits resistant to damage or malfunction caused by high levels of ionizing radiation, especially for environments in outer space (especially beyond the low Earth orbit), around nuclear reactors and particle accelerators, or during nuclear accidents or nuclear warfare.
No - RoHS Status
RoHS means “Restriction of Certain Hazardous Substances” in the “Hazardous Substances Directive” in electrical and electronic equipment.
ROHS3 Compliant - Lead Free
Lead Free is a term used to describe electronic components that do not contain lead as part of their composition. Lead is a toxic material that can have harmful effects on human health and the environment, so the electronics industry has been moving towards lead-free components to reduce these risks. Lead-free components are typically made using alternative materials such as silver, copper, and tin. Manufacturers must comply with regulations such as the Restriction of Hazardous Substances (RoHS) directive to ensure that their products are lead-free and environmentally friendly.
Contains Lead
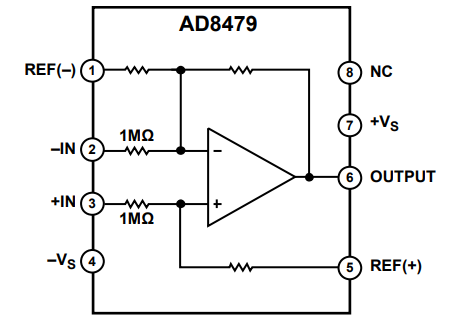
AD8479 Functional Block Diagram

Functional Block Diagram
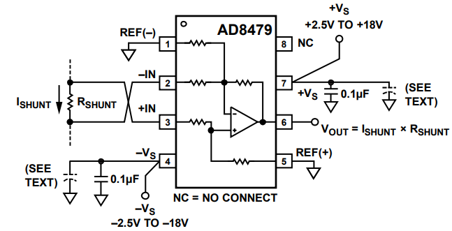
AD8479 Basic Connections
The figure below shows the basic connections for operating the AD8479 with a dual supply. A supply voltage from ±2.5 V to ±18 V is applied across Pin 7 and Pin 4. Both supplies should be decoupled close to the pins using 0.1 μF capacitors. Electrolytic capacitors of 10 μF, also located close to the supply pins, may be required if low frequency noise is present on the power supply. Although multiple amplifiers can be decoupled by a single set of 10 μF capacitors, each AD8479 should have its own set of 0.1 μF capacitors so that the decoupling point can be located directly at the IC power pins.

Basic Connections
The differential input signal, which typically results from a load current flowing through a small shunt resistor, is applied to Pin 2 and Pin 3 with the polarity shown in previous figure to obtain a positive gain. The common-mode voltage on the differential input signal can range from −600 V to +600 V, and the maximum differential voltage is ±14.7 V. When configured as shown in previous figure, the device operates as a simple gain-of-1, differentialto-single-ended amplifier where the output voltage is the shunt resistance times the shunt current. The output is measured with respect to Pin 1 and Pin 5.
Pin 1 and Pin 5 (REF(−) and (REF(+)) should be grounded for a gain of unity and connected to the same low impedance ground plane. Failure to do this results in degraded common-mode rejection. Pin 8 is a no connect pin and should be left open.
AD8479 Theory of Operation
The AD8479 is a unity-gain, differential-to-single-ended amplifier that can reject extremely high common-mode signals up to 600 V with ±15 V supplies. The AD8479 consists of an operational amplifier (op amp) and a resistor network (As shown in the figure below).

Functional Block Diagram
To achieve the high common-mode voltage range, an internal resistor divider—connected to Pin 3 and Pin 5—attenuates the noninverting signal by a factor of 60. The internal resistors at Pin 1 and Pin 2, as well as the feedback resistor, restore the gain to provide a differential gain of unity.
The complete transfer function is: VOUT = V (+IN) − V (−IN)
Laser wafer-trimming provides resistor matching so that common-mode signals are rejected and differential input signals are amplified.
To reduce output voltage drift, the op amp uses super beta transistors in its input stage. The input offset current and its associated temperature coefficient contribute no appreciable output voltage offset or drift, which has the added benefit of reducing voltage noise because the corner where 1/f noise becomes dominant is below 5 Hz. To reduce the dependence of gain accuracy on the op amp, the open-loop voltage gain of the op amp exceeds 20 million V/V, and the PSRR exceeds 90 dB.
Parts with Similar Specs
- ImagePart NumberManufacturerPackage / CaseNumber of PinsOutput CurrentMax Input VoltageNumber of TerminationsMountREACH SVHCPeak Reflow Temperature (Cel)View Compare
AD8479ARZ
8-SOIC (0.154, 3.90mm Width)
8
10 A
600 V
8
Surface Mount
No SVHC
260
8-SOIC (0.154, 3.90mm Width)
8
10 A
600 V
8
Surface Mount
No SVHC
260
8-SOIC (0.154, 3.90mm Width)
8
-
-
8
Surface Mount
No SVHC
260
8-SOIC (0.154, 3.90mm Width)
8
-
450 V
8
Surface Mount
No SVHC
260
8-SOIC (0.154, 3.90mm Width)
8
-
450 V
8
Surface Mount
No SVHC
260
AD8479 Application
● High voltage current sensing
● Battery cell voltage monitors
● Power supply current monitors
● Motor controls
● Isolation
AD8479 Package

Package
AD8479 Manufacturer
Analog Devices is an international market leader in the design, production, and commercialization of a large range of high-performance integrated circuits (ICs) for analog, mixed-signal, and digital signals (DSP) processing of almost all electronic systems. Since we started in 1965, the focus has been on the engineering challenge in electronic equipment related to signal to process. Our signal processing solutions, utilized by over 100,000 customers worldwide, play a key role in the conversion, conditioning, and processing of real-world events such as temperature, pressure, sonority, illumination, speed, and movement to electric signals for a wide range of electronic devices.
Datasheet PDF
- Datasheets :
- Other Related Documents :
- Design Resources :
- PCN Design/Specification :
- ConflictMineralStatement :
Trend Analysis
What is the essential property of the AD8479?
The AD8479 is a difference amplifier with a very high input common-mode voltage range. The AD8479 is a precision device that allows the user to accurately measure differential signals in the presence of high common-mode voltages up to ±600 V.
Under what circumstances can AD8479 replace expensive isolation amplifiers?
The AD8479 can replace costly isolation amplifiers in applications that do not require galvanic isolation.
Please briefly describe the package of the AD8479 and the temperature range required for its operation?
The AD8479 is available in a space-saving 8-lead SOIC package and is operational over the −40°C to +125°C temperature range.
LTM2173HY-14#PBF Analog to Digital Converter: A Comprehensive Technical Overview06 March 2024122
BQ51050BRHLR: Wireless Power Receiver12 March 20221049
CC2541 MCU: Pinout, Circuit, Application14 August 20213920
TCRT5000L:Datasheet, Package, and Manufacturer14 March 20221488
TPS61022RWUR Boost Converter, 0.5-V 7-VQFN and Switching Voltage Regulators17 March 20222160
UA741CN Operational Amplifier: Pinout, Datasheet, and Schematic Diagram27 July 202112454
LM2941S Voltage Regulator: Pinout, Specification, and Datasheet23 June 20213597
Difference between RS232 RS422 and RS48508 March 20223951
What is fluorescent lamp?19 October 20213687
Introduction to MD8002A Audio Amplifier27 March 20256603
What is a Synchronous Motor?16 March 20214893
What is Amplifier?08 November 20255645
What is a Semiconductor?22 October 20257226
What is Keyboard and How to Choose It?17 February 20224884
Analysis of Common Misunderstandings of Isolation Technology25 April 20223925
Chinese Chip Equipment Makers Thrive Amid US Restrictions24 October 2023560
Analog Devices Inc.
In Stock
United States
China
Canada
Japan
Russia
Germany
United Kingdom
Singapore
Italy
Hong Kong(China)
Taiwan(China)
France
Korea
Mexico
Netherlands
Malaysia
Austria
Spain
Switzerland
Poland
Thailand
Vietnam
India
United Arab Emirates
Afghanistan
Åland Islands
Albania
Algeria
American Samoa
Andorra
Angola
Anguilla
Antigua & Barbuda
Argentina
Armenia
Aruba
Australia
Azerbaijan
Bahamas
Bahrain
Bangladesh
Barbados
Belarus
Belgium
Belize
Benin
Bermuda
Bhutan
Bolivia
Bonaire, Sint Eustatius and Saba
Bosnia & Herzegovina
Botswana
Brazil
British Indian Ocean Territory
British Virgin Islands
Brunei
Bulgaria
Burkina Faso
Burundi
Cabo Verde
Cambodia
Cameroon
Cayman Islands
Central African Republic
Chad
Chile
Christmas Island
Cocos (Keeling) Islands
Colombia
Comoros
Congo
Congo (DRC)
Cook Islands
Costa Rica
Côte d’Ivoire
Croatia
Cuba
Curaçao
Cyprus
Czechia
Denmark
Djibouti
Dominica
Dominican Republic
Ecuador
Egypt
El Salvador
Equatorial Guinea
Eritrea
Estonia
Eswatini
Ethiopia
Falkland Islands
Faroe Islands
Fiji
Finland
French Guiana
French Polynesia
Gabon
Gambia
Georgia
Ghana
Gibraltar
Greece
Greenland
Grenada
Guadeloupe
Guam
Guatemala
Guernsey
Guinea
Guinea-Bissau
Guyana
Haiti
Honduras
Hungary
Iceland
Indonesia
Iran
Iraq
Ireland
Isle of Man
Israel
Jamaica
Jersey
Jordan
Kazakhstan
Kenya
Kiribati
Kosovo
Kuwait
Kyrgyzstan
Laos
Latvia
Lebanon
Lesotho
Liberia
Libya
Liechtenstein
Lithuania
Luxembourg
Macao(China)
Madagascar
Malawi
Maldives
Mali
Malta
Marshall Islands
Martinique
Mauritania
Mauritius
Mayotte
Micronesia
Moldova
Monaco
Mongolia
Montenegro
Montserrat
Morocco
Mozambique
Myanmar
Namibia
Nauru
Nepal
New Caledonia
New Zealand
Nicaragua
Niger
Nigeria
Niue
Norfolk Island
North Korea
North Macedonia
Northern Mariana Islands
Norway
Oman
Pakistan
Palau
Palestinian Authority
Panama
Papua New Guinea
Paraguay
Peru
Philippines
Pitcairn Islands
Portugal
Puerto Rico
Qatar
Réunion
Romania
Rwanda
Samoa
San Marino
São Tomé & Príncipe
Saudi Arabia
Senegal
Serbia
Seychelles
Sierra Leone
Sint Maarten
Slovakia
Slovenia
Solomon Islands
Somalia
South Africa
South Sudan
Sri Lanka
St Helena, Ascension, Tristan da Cunha
St. Barthélemy
St. Kitts & Nevis
St. Lucia
St. Martin
St. Pierre & Miquelon
St. Vincent & Grenadines
Sudan
Suriname
Svalbard & Jan Mayen
Sweden
Syria
Tajikistan
Tanzania
Timor-Leste
Togo
Tokelau
Tonga
Trinidad & Tobago
Tunisia
Turkey
Turkmenistan
Turks & Caicos Islands
Tuvalu
U.S. Outlying Islands
U.S. Virgin Islands
Uganda
Ukraine
Uruguay
Uzbekistan
Vanuatu
Vatican City
Venezuela
Wallis & Futuna
Yemen
Zambia
Zimbabwe










