ADM485 Transceiver : Datasheet, Pinout and Circuit
8 Terminations 5V 8 Pin ADM485 Receivers 1 Bits 1/1 Drivers/Receivers 1 Functions









8 Terminations 5V 8 Pin ADM485 Receivers 1 Bits 1/1 Drivers/Receivers 1 Functions
Hi Friends! I welcome you on board. Thank you for reading my article.In this post today, I’ll document the Introduction to ADM485.ADM485 is a 5 V Low Power EIA RS-485 Transceiver.I suggest you read this article carefully, because I will guide you through the complete introduction of ADM485, including pinout, datasheet, circuit diagram, application and outline dimensions...let's begin.
ADM485 Description
The ADM485 is a differential line transceiver, suitable for high-speed two-way data communication on multipoint bus transmission lines. It is designed for balanced data transmission and complies with EIA standards RS-485 and RS-422. This part contains a differential line driver and a differential line receiver. Both the driver and the receiver can be enabled independently. When disabled, the output is tri-stated.
The ADM485 is powered by a single 5 V power supply. The thermal shutdown circuit prevents excessive power consumption caused by bus contention or output short circuits. If a significant temperature rise is detected in the internal driver circuit under fault conditions, this function will force the driver output into a high impedance state. Up to 32 transceivers can be connected to a bus at the same time, but only one driver can be enabled at any time. Therefore, it is important that the rest of the disabled drivers do not load the bus. To ensure this, the ADM485 driver has a high output impedance when disabled and powered down, thereby minimizing the loading effect when the transceiver is not used. The high-impedance driver output remains within the common-mode voltage range of -7 V to +12 V. The receiver contains a fail-safe function, if the input is not connected (floating), it will cause a logic high output state.
The ADM485 is manufactured using BiCMOS, which is an advanced hybrid technology process that combines low-power CMOS with fast switching bipolar technology. All inputs and outputs include ESD protection; all driver outputs have high source current and sink current capabilities. The epitaxial layer is used to prevent latch-up.
The ADM485 has extremely fast switching speed. The smallest driver propagation delay allows transmission at data rates up to 5 Mbps, while low skew minimizes EMI interference. The part is fully compliant with commercial and industrial temperature ranges, and is available in 8-pin PDIP, 8-pin SOIC and small, 8-pin MSOP packages.
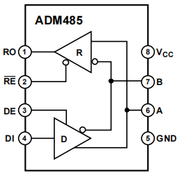
ADM485 Pinout

ADM485 CAD Model
Symbol
Footprint

3D Model

ADM485 Features
1.Meets EIA RS-485 standard
2.5 Mbps data rate
3.Single 5 V supply
4.–7 V to +12 V bus common-mode range
5.High speed, low power BiCMOS
6.Thermal shutdown protection
7.Short-circuit protection
8.Driver propagation delay: 10 ns typical
9.Receiver propagation delay: 15 ns typical
10.High-Z outputs with power off
11.Superior upgrade for LTC485
Specifications
- TypeParameter
- Contact Plating
Contact plating (finish) provides corrosion protection for base metals and optimizes the mechanical and electrical properties of the contact interfaces.
Lead, Tin - Mount
In electronic components, the term "Mount" typically refers to the method or process of physically attaching or fixing a component onto a circuit board or other electronic device. This can involve soldering, adhesive bonding, or other techniques to secure the component in place. The mounting process is crucial for ensuring proper electrical connections and mechanical stability within the electronic system. Different components may have specific mounting requirements based on their size, shape, and function, and manufacturers provide guidelines for proper mounting procedures to ensure optimal performance and reliability of the electronic device.
Surface Mount - Mounting Type
The "Mounting Type" in electronic components refers to the method used to attach or connect a component to a circuit board or other substrate, such as through-hole, surface-mount, or panel mount.
Surface Mount - Package / Case
refers to the protective housing that encases an electronic component, providing mechanical support, electrical connections, and thermal management.
8-SOIC (0.154, 3.90mm Width) - Number of Pins8
- Weight540.001716mg
- Operating Temperature
The operating temperature is the range of ambient temperature within which a power supply, or any other electrical equipment, operate in. This ranges from a minimum operating temperature, to a peak or maximum operating temperature, outside which, the power supply may fail.
-40°C~85°C - Packaging
Semiconductor package is a carrier / shell used to contain and cover one or more semiconductor components or integrated circuits. The material of the shell can be metal, plastic, glass or ceramic.
Tube - JESD-609 Code
The "JESD-609 Code" in electronic components refers to a standardized marking code that indicates the lead-free solder composition and finish of electronic components for compliance with environmental regulations.
e3 - Pbfree Code
The "Pbfree Code" parameter in electronic components refers to the code or marking used to indicate that the component is lead-free. Lead (Pb) is a toxic substance that has been widely used in electronic components for many years, but due to environmental concerns, there has been a shift towards lead-free alternatives. The Pbfree Code helps manufacturers and users easily identify components that do not contain lead, ensuring compliance with regulations and promoting environmentally friendly practices. It is important to pay attention to the Pbfree Code when selecting electronic components to ensure they meet the necessary requirements for lead-free applications.
no - Part Status
Parts can have many statuses as they progress through the configuration, analysis, review, and approval stages.
Obsolete - Moisture Sensitivity Level (MSL)
Moisture Sensitivity Level (MSL) is a standardized rating that indicates the susceptibility of electronic components, particularly semiconductors, to moisture-induced damage during storage and the soldering process, defining the allowable exposure time to ambient conditions before they require special handling or baking to prevent failures
1 (Unlimited) - Number of Terminations8
- ECCN Code
An ECCN (Export Control Classification Number) is an alphanumeric code used by the U.S. Bureau of Industry and Security to identify and categorize electronic components and other dual-use items that may require an export license based on their technical characteristics and potential for military use.
EAR99 - TypeTransceiver
- Terminal Finish
Terminal Finish refers to the surface treatment applied to the terminals or leads of electronic components to enhance their performance and longevity. It can improve solderability, corrosion resistance, and overall reliability of the connection in electronic assemblies. Common finishes include nickel, gold, and tin, each possessing distinct properties suitable for various applications. The choice of terminal finish can significantly impact the durability and effectiveness of electronic devices.
Matte Tin (Sn) - Voltage - Supply
Voltage - Supply refers to the range of voltage levels that an electronic component or circuit is designed to operate with. It indicates the minimum and maximum supply voltage that can be applied for the device to function properly. Providing supply voltages outside this range can lead to malfunction, damage, or reduced performance. This parameter is critical for ensuring compatibility between different components in a circuit.
4.75V~5.25V - Terminal Position
In electronic components, the term "Terminal Position" refers to the physical location of the connection points on the component where external electrical connections can be made. These connection points, known as terminals, are typically used to attach wires, leads, or other components to the main body of the electronic component. The terminal position is important for ensuring proper connectivity and functionality of the component within a circuit. It is often specified in technical datasheets or component specifications to help designers and engineers understand how to properly integrate the component into their circuit designs.
DUAL - Terminal Form
Occurring at or forming the end of a series, succession, or the like; closing; concluding.
GULL WING - Peak Reflow Temperature (Cel)
Peak Reflow Temperature (Cel) is a parameter that specifies the maximum temperature at which an electronic component can be exposed during the reflow soldering process. Reflow soldering is a common method used to attach electronic components to a circuit board. The Peak Reflow Temperature is crucial because it ensures that the component is not damaged or degraded during the soldering process. Exceeding the specified Peak Reflow Temperature can lead to issues such as component failure, reduced performance, or even permanent damage to the component. It is important for manufacturers and assemblers to adhere to the recommended Peak Reflow Temperature to ensure the reliability and functionality of the electronic components.
260 - Number of Functions1
- Supply Voltage
Supply voltage refers to the electrical potential difference provided to an electronic component or circuit. It is crucial for the proper operation of devices, as it powers their functions and determines performance characteristics. The supply voltage must be within specified limits to ensure reliability and prevent damage to components. Different electronic devices have specific supply voltage requirements, which can vary widely depending on their design and intended application.
5V - Time@Peak Reflow Temperature-Max (s)
Time@Peak Reflow Temperature-Max (s) refers to the maximum duration that an electronic component can be exposed to the peak reflow temperature during the soldering process, which is crucial for ensuring reliable solder joint formation without damaging the component.
30 - Base Part Number
The "Base Part Number" (BPN) in electronic components serves a similar purpose to the "Base Product Number." It refers to the primary identifier for a component that captures the essential characteristics shared by a group of similar components. The BPN provides a fundamental way to reference a family or series of components without specifying all the variations and specific details.
ADM485 - Pin Count
a count of all of the component leads (or pins)
8 - Operating Supply Voltage
The voltage level by which an electrical system is designated and to which certain operating characteristics of the system are related.
5V - Power Supplies
an electronic circuit that converts the voltage of an alternating current (AC) into a direct current (DC) voltage.?
5V - Operating Supply Current
Operating Supply Current, also known as supply current or quiescent current, is a crucial parameter in electronic components that indicates the amount of current required for the device to operate under normal conditions. It represents the current drawn by the component from the power supply while it is functioning. This parameter is important for determining the power consumption of the component and is typically specified in datasheets to help designers calculate the overall power requirements of their circuits. Understanding the operating supply current is essential for ensuring proper functionality and efficiency of electronic systems.
2.2mA - Nominal Supply Current
Nominal current is the same as the rated current. It is the current drawn by the motor while delivering rated mechanical output at its shaft.
2.2mA - Max Supply Current
Max Supply Current refers to the maximum amount of electrical current that a component can draw from its power supply under normal operating conditions. It is a critical parameter that ensures the component operates reliably without exceeding its thermal limits or damaging internal circuitry. Exceeding this current can lead to overheating, performance degradation, or failure of the component. Understanding this parameter is essential for designing circuits that provide adequate power while avoiding overload situations.
2.2mA - Data Rate
Data Rate is defined as the amount of data transmitted during a specified time period over a network. It is the speed at which data is transferred from one device to another or between a peripheral device and the computer. It is generally measured in Mega bits per second(Mbps) or Mega bytes per second(MBps).
5Mbps - Differential Output
a differential output voltage in electronics is the difference between the values of two AC voltages, 180° out of phase, present at the output terminals of an amplifier when you apply a differential input voltage to the input terminals of an amplifier.
YES - Protocol
In electronic components, the parameter "Protocol" refers to a set of rules and standards that govern the communication between devices. It defines the format, timing, sequencing, and error checking methods for data exchange between different components or systems. Protocols ensure that devices can understand and interpret data correctly, enabling them to communicate effectively with each other. Common examples of protocols in electronics include USB, Ethernet, SPI, I2C, and Bluetooth, each with its own specifications for data transmission. Understanding and adhering to protocols is essential for ensuring compatibility and reliable communication between electronic devices.
RS422, RS485 - Input Characteristics
In electronic components, "Input Characteristics" refer to the set of specifications that describe how the component behaves in response to signals or inputs applied to it. These characteristics typically include parameters such as input voltage, input current, input impedance, input capacitance, and input frequency range. Understanding the input characteristics of a component is crucial for designing circuits and systems, as it helps ensure compatibility and proper functioning. By analyzing these parameters, engineers can determine how the component will interact with the signals it receives and make informed decisions about its use in a particular application.
DIFFERENTIAL SCHMITT TRIGGER - Number of Drivers/Receivers1/1
- Driver Number of Bits1
- Receiver Number of Bits1
- Duplex
In the context of electronic components, "Duplex" refers to a type of communication system that allows for bidirectional data flow. It enables two devices to communicate with each other simultaneously, allowing for both sending and receiving of data at the same time. Duplex communication can be further categorized into two types: half-duplex, where data can be transmitted in both directions but not at the same time, and full-duplex, where data can be sent and received simultaneously. This parameter is crucial in networking and telecommunications systems to ensure efficient and effective data transmission between devices.
Half - Receiver Hysteresis
Receiver hysteresis is?commonly used to ensure glitch-free reception even when differential noise is present. This application report compares the noise immunity of the SN65HVD37 to similar devices available from competitors. Contents.
70mV - Number of Transceivers1
- ESD Protection
ESD protection, or Electrostatic Discharge protection, is a feature in electronic components designed to prevent damage caused by sudden electrostatic discharges. These discharges can occur when a person or object with an electric charge comes into contact with a sensitive electronic component, leading to a rapid flow of static electricity that can damage or destroy the component. ESD protection mechanisms in electronic components typically involve the use of special materials or circuitry that can safely dissipate or divert the excess charge away from the sensitive components, thus safeguarding the device from potential harm. Implementing effective ESD protection is crucial in ensuring the reliability and longevity of electronic devices, especially in environments where static electricity buildup is common, such as in manufacturing facilities or areas with low humidity.
Yes - Receive Delay-Max
Receive Delay-Max is a parameter in electronic components that refers to the maximum amount of time it takes for a device to receive and process incoming signals or data after they have been transmitted. This parameter is crucial in determining the overall performance and efficiency of the component, especially in applications where timing is critical. A lower Receive Delay-Max value indicates faster response times and better overall performance, while a higher value may result in delays and potential issues in data transmission. It is important to consider and optimize the Receive Delay-Max parameter when designing or selecting electronic components for specific applications to ensure reliable and efficient operation.
30 ns - Simplex/Duplex
In electronic components, the parameter "Simplex/Duplex" refers to the type of communication or data transmission mode supported by the component. Simplex communication is a one-way communication mode where data flows only in one direction, from the sender to the receiver. This means that the sender can only transmit data, and the receiver can only receive data. On the other hand, duplex communication is a two-way communication mode where data can flow in both directions, allowing for simultaneous transmission and reception of data between two devices. Understanding whether a component supports simplex or duplex communication is important for determining how data will be exchanged between devices and ensuring compatibility in a given system.
Half Duplex - Output Low Current-Max
Output Low Current-Max is a parameter in electronic components that specifies the maximum amount of current that can flow out of the output pin when it is in a low state. This parameter is important for determining the capability of the component to sink current when driving external loads. It is typically measured in units of amperes (A) and helps in ensuring that the component can effectively drive connected devices without being damaged. Designers use this parameter to ensure proper functioning and reliability of the overall circuit by selecting components with appropriate output low current-max ratings.
0.004A - Length4.9mm
- Width3.9mm
- Radiation Hardening
Radiation hardening is the process of making electronic components and circuits resistant to damage or malfunction caused by high levels of ionizing radiation, especially for environments in outer space (especially beyond the low Earth orbit), around nuclear reactors and particle accelerators, or during nuclear accidents or nuclear warfare.
No - RoHS Status
RoHS means “Restriction of Certain Hazardous Substances” in the “Hazardous Substances Directive” in electrical and electronic equipment.
Non-RoHS Compliant - Lead Free
Lead Free is a term used to describe electronic components that do not contain lead as part of their composition. Lead is a toxic material that can have harmful effects on human health and the environment, so the electronics industry has been moving towards lead-free components to reduce these risks. Lead-free components are typically made using alternative materials such as silver, copper, and tin. Manufacturers must comply with regulations such as the Restriction of Hazardous Substances (RoHS) directive to ensure that their products are lead-free and environmentally friendly.
Contains Lead
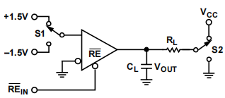
ADM485 Test Circuit

Driver Enable or Disable

Driver Propagation Delay

Driver Voltage Measurement

Driver Voltage Measurement

Receiver Enable or Disable

Receiver Propagation Delay
ADM485 Functional Block Diagram

ADM485 Alternative

ADM485 Applications
1.Low power RS-485 systems
2.DTE/DCE interface
3.Packet switching
4.Local area networks (LNAs)
5.Data concentration
6.Data multiplexers
7.Integrated services digital network (ISDN)
ADM485 Outline Dimensions

ADM485 Manufacturer
ADI (NASDAQ: ADI) is the world's leading high-performance semiconductor company dedicated to solving the toughest engineering challenges. We intelligently connect the physical and digital world through unparalleled sensing, measurement, power supply, connection and interpretation technologies, enabling our customers to interpret the world around us.
1.What is ADM485?
The ADM485 is a differential line transceiver suitable for high speed bidirectional data communication on multipoint bus transmission lines. It is designed for balanced data transmission and complies with both EIA Standards RS-485 and RS-422.
2.Can ADM485 replace IC75A176?
No, it can’t
3.What is the difference between ADM1485 and ADM485?
The main difference between the two is still a big difference in power. In addition, the former has planned optimizations in many functions, and the use effect is relatively better.
ST2001FX Transistor: Datasheet, Pinout, Application09 August 20211573
74LS164 Parallel-Out Shift Register IC: Datasheet, Schematic and Pinout29 October 202113876
LM2940 voltage regulator[video+FAQ]: Datasheet, circuit and Equivalent28 April 20226809
Microchip PIC18F26J50ISP Microcontroller Datasheet Overview28 February 2024140
TPS2051CDBVR Power-Distribution Switches: Layout, Pinout, and Datasheet09 April 20221502
74HC14 Schmitt Trigger: Datasheet, Pinout and Application28 October 202119451
PCF8575 I/O Expander : Pinout, Schematic and Datasheet19 August 20218663
DS9490R USB to 1-Wire Adapter: Datasheet, Pin Configuration, DS9490R vs. DS9490B03 November 20212631
Building a Smart Home System: Exploring Arduino Applications13 March 20242377
‘6G Networks’ - Pioneering the Next Era of Connectivity And Innovation18 March 20243226
PCB Design Guidelines21 December 20215281
Trimmer Resistors: From Principles to Selection and Applications11 August 20251206
Basic Introduction to Power Amplifier10 October 20207663
What is a Variable Resistor?26 April 202524360
Introduction to Mass Air Flow Sensor15 September 20209693
What is a Digital Potentiometer?23 September 20205660
Analog Devices Inc.
In Stock: 74
United States
China
Canada
Japan
Russia
Germany
United Kingdom
Singapore
Italy
Hong Kong(China)
Taiwan(China)
France
Korea
Mexico
Netherlands
Malaysia
Austria
Spain
Switzerland
Poland
Thailand
Vietnam
India
United Arab Emirates
Afghanistan
Åland Islands
Albania
Algeria
American Samoa
Andorra
Angola
Anguilla
Antigua & Barbuda
Argentina
Armenia
Aruba
Australia
Azerbaijan
Bahamas
Bahrain
Bangladesh
Barbados
Belarus
Belgium
Belize
Benin
Bermuda
Bhutan
Bolivia
Bonaire, Sint Eustatius and Saba
Bosnia & Herzegovina
Botswana
Brazil
British Indian Ocean Territory
British Virgin Islands
Brunei
Bulgaria
Burkina Faso
Burundi
Cabo Verde
Cambodia
Cameroon
Cayman Islands
Central African Republic
Chad
Chile
Christmas Island
Cocos (Keeling) Islands
Colombia
Comoros
Congo
Congo (DRC)
Cook Islands
Costa Rica
Côte d’Ivoire
Croatia
Cuba
Curaçao
Cyprus
Czechia
Denmark
Djibouti
Dominica
Dominican Republic
Ecuador
Egypt
El Salvador
Equatorial Guinea
Eritrea
Estonia
Eswatini
Ethiopia
Falkland Islands
Faroe Islands
Fiji
Finland
French Guiana
French Polynesia
Gabon
Gambia
Georgia
Ghana
Gibraltar
Greece
Greenland
Grenada
Guadeloupe
Guam
Guatemala
Guernsey
Guinea
Guinea-Bissau
Guyana
Haiti
Honduras
Hungary
Iceland
Indonesia
Iran
Iraq
Ireland
Isle of Man
Israel
Jamaica
Jersey
Jordan
Kazakhstan
Kenya
Kiribati
Kosovo
Kuwait
Kyrgyzstan
Laos
Latvia
Lebanon
Lesotho
Liberia
Libya
Liechtenstein
Lithuania
Luxembourg
Macao(China)
Madagascar
Malawi
Maldives
Mali
Malta
Marshall Islands
Martinique
Mauritania
Mauritius
Mayotte
Micronesia
Moldova
Monaco
Mongolia
Montenegro
Montserrat
Morocco
Mozambique
Myanmar
Namibia
Nauru
Nepal
New Caledonia
New Zealand
Nicaragua
Niger
Nigeria
Niue
Norfolk Island
North Korea
North Macedonia
Northern Mariana Islands
Norway
Oman
Pakistan
Palau
Palestinian Authority
Panama
Papua New Guinea
Paraguay
Peru
Philippines
Pitcairn Islands
Portugal
Puerto Rico
Qatar
Réunion
Romania
Rwanda
Samoa
San Marino
São Tomé & Príncipe
Saudi Arabia
Senegal
Serbia
Seychelles
Sierra Leone
Sint Maarten
Slovakia
Slovenia
Solomon Islands
Somalia
South Africa
South Sudan
Sri Lanka
St Helena, Ascension, Tristan da Cunha
St. Barthélemy
St. Kitts & Nevis
St. Lucia
St. Martin
St. Pierre & Miquelon
St. Vincent & Grenadines
Sudan
Suriname
Svalbard & Jan Mayen
Sweden
Syria
Tajikistan
Tanzania
Timor-Leste
Togo
Tokelau
Tonga
Trinidad & Tobago
Tunisia
Turkey
Turkmenistan
Turks & Caicos Islands
Tuvalu
U.S. Outlying Islands
U.S. Virgin Islands
Uganda
Ukraine
Uruguay
Uzbekistan
Vanuatu
Vatican City
Venezuela
Wallis & Futuna
Yemen
Zambia
Zimbabwe








