LM7915 Regulator IC: Equivalent, Schematic and Datasheet
Fixed 2.54mm LM7915 PMIC 3 TO-220-3
Hello, everyone. I am Rose. Today I will introduce LM7915 to you. LM7915 is a fixed -15V voltage regulator IC. This article mainly introduces equivalent, schematic, datasheet, and other detailed information about Texas Instruments LM7915.

Negative voltage regulator//7905 ic.7912 ic.7915 ic. Regulator ic//#electronicsverma
LM7915 Description
LM7915 is a fixed -15V voltage regulator IC. It belongs to the LM79xx series; this series contains a variety of different fixed output negative voltage regulators. All these regulators are built to provide a specific output voltage.
The output voltage of the ICs in the LM79xx series can be checked by looking at the last two digits of the IC after LM79. LM7915 IC provides fixed -15V at the output with the output current of 1.5A, however for getting stable -15V output the input voltage should be 2V to 3V higher than -15V.
Moreover for a 1.5A output current, a suitable should be required with the IC, or else the IC will continuously go shut down whenever the load is connected.
LM7915 is a reliable IC to use in commercial equipment, the built-in thermal protection, overcurrent protection, and safe area protection circuitry make the IC robust and foolproof in a variety of wrong and uncertain situations.
LM7915 Pinout

LM7915 Pinout
LM7915 CAD Model

Symbol

Footprint

3D Model
LM7915 Features
●Package type: TO-220
●Output current up to 1.5A
●Internally short circuit protected.
●Internally overload protection
●Overheat protection circuitry
●Reliable to use in commercial equipment
●Accurate -15V output
●Max input voltage is 35V DC
●Low standby current
●Low price
●High Ripple Rejection
●4% Tolerance on Preset Output Voltage
Specifications
- TypeParameter
- Lifecycle Status
Lifecycle Status refers to the current stage of an electronic component in its product life cycle, indicating whether it is active, obsolete, or transitioning between these states. An active status means the component is in production and available for purchase. An obsolete status indicates that the component is no longer being manufactured or supported, and manufacturers typically provide a limited time frame for support. Understanding the lifecycle status is crucial for design engineers to ensure continuity and reliability in their projects.
NRND (Last Updated: 3 days ago) - Mount
In electronic components, the term "Mount" typically refers to the method or process of physically attaching or fixing a component onto a circuit board or other electronic device. This can involve soldering, adhesive bonding, or other techniques to secure the component in place. The mounting process is crucial for ensuring proper electrical connections and mechanical stability within the electronic system. Different components may have specific mounting requirements based on their size, shape, and function, and manufacturers provide guidelines for proper mounting procedures to ensure optimal performance and reliability of the electronic device.
Through Hole - Mounting Type
The "Mounting Type" in electronic components refers to the method used to attach or connect a component to a circuit board or other substrate, such as through-hole, surface-mount, or panel mount.
Through Hole - Package / Case
refers to the protective housing that encases an electronic component, providing mechanical support, electrical connections, and thermal management.
TO-220-3 - Number of Pins3
- Operating Temperature
The operating temperature is the range of ambient temperature within which a power supply, or any other electrical equipment, operate in. This ranges from a minimum operating temperature, to a peak or maximum operating temperature, outside which, the power supply may fail.
0°C~125°C - Packaging
Semiconductor package is a carrier / shell used to contain and cover one or more semiconductor components or integrated circuits. The material of the shell can be metal, plastic, glass or ceramic.
Tube - JESD-609 Code
The "JESD-609 Code" in electronic components refers to a standardized marking code that indicates the lead-free solder composition and finish of electronic components for compliance with environmental regulations.
e0 - Part Status
Parts can have many statuses as they progress through the configuration, analysis, review, and approval stages.
Not For New Designs - Moisture Sensitivity Level (MSL)
Moisture Sensitivity Level (MSL) is a standardized rating that indicates the susceptibility of electronic components, particularly semiconductors, to moisture-induced damage during storage and the soldering process, defining the allowable exposure time to ambient conditions before they require special handling or baking to prevent failures
1 (Unlimited) - Number of Terminations3
- ECCN Code
An ECCN (Export Control Classification Number) is an alphanumeric code used by the U.S. Bureau of Industry and Security to identify and categorize electronic components and other dual-use items that may require an export license based on their technical characteristics and potential for military use.
EAR99 - Terminal Finish
Terminal Finish refers to the surface treatment applied to the terminals or leads of electronic components to enhance their performance and longevity. It can improve solderability, corrosion resistance, and overall reliability of the connection in electronic assemblies. Common finishes include nickel, gold, and tin, each possessing distinct properties suitable for various applications. The choice of terminal finish can significantly impact the durability and effectiveness of electronic devices.
Tin/Lead (Sn/Pb) - Terminal Position
In electronic components, the term "Terminal Position" refers to the physical location of the connection points on the component where external electrical connections can be made. These connection points, known as terminals, are typically used to attach wires, leads, or other components to the main body of the electronic component. The terminal position is important for ensuring proper connectivity and functionality of the component within a circuit. It is often specified in technical datasheets or component specifications to help designers and engineers understand how to properly integrate the component into their circuit designs.
SINGLE - Number of Functions1
- Terminal Pitch
The center distance from one pole to the next.
2.54mm - Current Rating
Current rating is the maximum current that a fuse will carry for an indefinite period without too much deterioration of the fuse element.
1.5A - Base Part Number
The "Base Part Number" (BPN) in electronic components serves a similar purpose to the "Base Product Number." It refers to the primary identifier for a component that captures the essential characteristics shared by a group of similar components. The BPN provides a fundamental way to reference a family or series of components without specifying all the variations and specific details.
LM7915 - Pin Count
a count of all of the component leads (or pins)
3 - Number of Outputs1
- Voltage - Input (Max)
Voltage - Input (Max) is a parameter in electronic components that specifies the maximum voltage that can be safely applied to the input of the component without causing damage. This parameter is crucial for ensuring the proper functioning and longevity of the component. Exceeding the maximum input voltage can lead to electrical overstress, which may result in permanent damage or failure of the component. It is important to carefully adhere to the specified maximum input voltage to prevent any potential issues and maintain the reliability of the electronic system.
-35V - Output Voltage
Output voltage is a crucial parameter in electronic components that refers to the voltage level produced by the component as a result of its operation. It represents the electrical potential difference between the output terminal of the component and a reference point, typically ground. The output voltage is a key factor in determining the performance and functionality of the component, as it dictates the level of voltage that will be delivered to the connected circuit or load. It is often specified in datasheets and technical specifications to ensure compatibility and proper functioning within a given system.
-15V - Output Type
The "Output Type" parameter in electronic components refers to the type of signal or data that is produced by the component as an output. This parameter specifies the nature of the output signal, such as analog or digital, and can also include details about the voltage levels, current levels, frequency, and other characteristics of the output signal. Understanding the output type of a component is crucial for ensuring compatibility with other components in a circuit or system, as well as for determining how the output signal can be utilized or processed further. In summary, the output type parameter provides essential information about the nature of the signal that is generated by the electronic component as its output.
Fixed - Max Output Current
The maximum current that can be supplied to the load.
1.5A - Output Configuration
Output Configuration in electronic components refers to the arrangement or setup of the output pins or terminals of a device. It defines how the output signals are structured and how they interact with external circuits or devices. The output configuration can determine the functionality and compatibility of the component in a circuit design. Common types of output configurations include single-ended, differential, open-drain, and push-pull configurations, each serving different purposes and applications in electronic systems. Understanding the output configuration of a component is crucial for proper integration and operation within a circuit.
Negative - Quiescent Current
The quiescent current is defined as the current level in the amplifier when it is producing an output of zero.
3mA - Accuracy
Accuracy in electronic components refers to the degree to which a measured value agrees with the true or accepted value. It evaluates the precision of a component in providing correct output or measurement under specified conditions. High accuracy indicates minimal deviation from the actual value, while low accuracy shows significant error in measurement. This parameter is crucial in applications where precise data is essential for reliable performance and decision-making.
4 % - Output Voltage 1
Output Voltage 1 is a parameter commonly found in electronic components such as voltage regulators, power supplies, and amplifiers. It refers to the voltage level that is produced or delivered by the component at a specific output terminal or pin. This parameter is crucial for determining the performance and functionality of the component in a circuit. The specified output voltage should meet the requirements of the connected devices or components to ensure proper operation and compatibility. It is important to carefully consider and verify the output voltage 1 specification when selecting and using electronic components in a design or application.
15V - Number of Regulators
A regulator is a mechanism or device that controls something such as pressure, temperature, or fluid flow. The voltage regulator keeps the power level stabilized. A regulator is a mechanism or device that controls something such as pressure, temperature, or fluid flow.
1 - Min Input Voltage
The parameter "Min Input Voltage" in electronic components refers to the minimum voltage level that must be applied to the component for it to operate within its specified parameters. This value is crucial as providing a voltage below this minimum threshold may result in the component malfunctioning or not functioning at all. It is important to adhere to the specified minimum input voltage to ensure the proper operation and longevity of the electronic component. Failure to meet this requirement may lead to potential damage to the component or the overall system in which it is used.
-17.5V - Protection Features
Protection features in electronic components refer to the built-in mechanisms or functionalities designed to safeguard the component and the overall system from various external factors or internal faults. These features are crucial for ensuring the reliability, longevity, and safety of the electronic device. Common protection features include overvoltage protection, overcurrent protection, reverse polarity protection, thermal protection, and short-circuit protection. By activating these features when necessary, the electronic component can prevent damage, malfunctions, or hazards that may arise from abnormal operating conditions or unforeseen events. Overall, protection features play a vital role in enhancing the robustness and resilience of electronic components in diverse applications.
Over Temperature, Short Circuit - Current - Quiescent (Iq)
The parameter "Current - Quiescent (Iq)" in electronic components refers to the amount of current consumed by a device when it is in a quiescent or idle state, meaning when it is not actively performing any tasks or operations. This parameter is important because it represents the baseline power consumption of the device even when it is not actively being used. A lower quiescent current (Iq) value is desirable as it indicates that the device is more energy-efficient and will consume less power when not in use, which can help extend battery life in portable devices and reduce overall power consumption in electronic systems. Designers often pay close attention to the quiescent current specification when selecting components for low-power applications or battery-operated devices.
1.5mA - Voltage Dropout (Max)
Voltage Dropout (Max) refers to the minimum voltage difference between the input and output of a voltage regulator or linear power supply needed to maintain proper regulation. It indicates the maximum allowable voltage drop across the device for it to function effectively without dropout. If the input voltage falls below this threshold, the output voltage may drop below the specified level, leading to potential operational issues for connected components. This parameter is critical for ensuring stable and reliable power delivery in electronic circuits.
1.1V @ 1A - PSRR
PSRR stands for Power Supply Rejection Ratio. It is a measure of how well a device, such as an amplifier or a voltage regulator, can reject variations in the power supply voltage. A high PSRR value indicates that the device is able to maintain its performance even when the power supply voltage fluctuates. This parameter is important in ensuring stable and reliable operation of electronic components, especially in applications where the power supply voltage may not be perfectly regulated. A good PSRR helps to minimize noise and interference in the output signal of the device.
70dB (120Hz) - Dropout Voltage
Dropout voltage is the input-to-output differential voltage at which the circuit ceases to regulate against further reductions in input voltage; this point occurs when the input voltage approaches the output voltage.
1.1V - Dropout Voltage1-Nom
Dropout Voltage1-Nom is a parameter commonly found in voltage regulators and power management ICs. It refers to the minimum voltage difference required between the input voltage and the output voltage for the regulator to maintain regulation. In other words, it is the minimum voltage drop that the regulator can handle while still providing a stable output voltage. This parameter is important to consider when designing power supply circuits to ensure that the regulator can operate within its specified voltage range and maintain proper regulation under varying load conditions.
1.1V - Power Supply Rejection Ratio (PSRR)
Power Supply Rejection Ratio (PSRR) is a measure of how well an electronic component, such as an operational amplifier or voltage regulator, can reject changes in its supply voltage. It indicates the ability of the component to maintain a stable output voltage despite fluctuations in the input supply voltage. A higher PSRR value signifies better performance in rejecting noise and variations from the power supply, leading to improved signal integrity and more reliable operation in electronic circuits. PSRR is typically expressed in decibels (dB).
70dB - Voltage Tolerance-Max
Voltage Tolerance-Max is a parameter in electronic components that specifies the maximum allowable deviation from the rated voltage without causing damage or malfunction. It indicates the range within which the component can safely operate without being affected by voltage fluctuations. This parameter is crucial for ensuring the reliability and longevity of the component in various electrical systems. Manufacturers provide this specification to help users understand the limits within which the component can function properly and to prevent potential failures due to overvoltage conditions.
5% - Nominal Output Voltage
Nominal Output Voltage refers to the specified or intended voltage level that an electronic component or device is designed to provide as output under normal operating conditions. It is a crucial parameter that indicates the expected voltage level that the component will deliver to the connected circuit or load. This value is typically specified by the manufacturer and is important for ensuring proper functionality and compatibility within a system. It is important to note that the actual output voltage may vary slightly due to factors such as load variations, temperature changes, and other environmental conditions.
-15V - Output Voltage Accuracy
Output voltage accuracy is a crucial parameter in electronic components, especially in devices like voltage regulators and power supplies. It refers to how closely the actual output voltage matches the specified or desired voltage level. This parameter is typically expressed as a percentage of the nominal output voltage. A higher accuracy value indicates that the output voltage is more consistent and reliable, which is important for ensuring proper functioning of electronic circuits and devices. Manufacturers often provide specifications for output voltage accuracy to help users select components that meet their requirements for precision and performance.
4 % - Height4.7mm
- Length14.986mm
- Width10.16mm
- Thickness
Thickness in electronic components refers to the measurement of how thick a particular material or layer is within the component structure. It can pertain to various aspects, such as the thickness of a substrate, a dielectric layer, or conductive traces. This parameter is crucial as it impacts the electrical, mechanical, and thermal properties of the component, influencing its performance and reliability in electronic circuits.
4.572mm - REACH SVHC
The parameter "REACH SVHC" in electronic components refers to the compliance with the Registration, Evaluation, Authorization, and Restriction of Chemicals (REACH) regulation regarding Substances of Very High Concern (SVHC). SVHCs are substances that may have serious effects on human health or the environment, and their use is regulated under REACH to ensure their safe handling and minimize their impact.Manufacturers of electronic components need to declare if their products contain any SVHCs above a certain threshold concentration and provide information on the safe use of these substances. This information allows customers to make informed decisions about the potential risks associated with using the components and take appropriate measures to mitigate any hazards.Ensuring compliance with REACH SVHC requirements is essential for electronics manufacturers to meet regulatory standards, protect human health and the environment, and maintain transparency in their supply chain. It also demonstrates a commitment to sustainability and responsible manufacturing practices in the electronics industry.
No SVHC - Radiation Hardening
Radiation hardening is the process of making electronic components and circuits resistant to damage or malfunction caused by high levels of ionizing radiation, especially for environments in outer space (especially beyond the low Earth orbit), around nuclear reactors and particle accelerators, or during nuclear accidents or nuclear warfare.
No - RoHS Status
RoHS means “Restriction of Certain Hazardous Substances” in the “Hazardous Substances Directive” in electrical and electronic equipment.
Non-RoHS Compliant - Lead Free
Lead Free is a term used to describe electronic components that do not contain lead as part of their composition. Lead is a toxic material that can have harmful effects on human health and the environment, so the electronics industry has been moving towards lead-free components to reduce these risks. Lead-free components are typically made using alternative materials such as silver, copper, and tin. Manufacturers must comply with regulations such as the Restriction of Hazardous Substances (RoHS) directive to ensure that their products are lead-free and environmentally friendly.
Lead Free
LM7915 Schematic Diagram

Schematic Diagram
LM7915 Alternatives
| Part Number | Description | Manufacturer |
| IP7912G-883BR1POWER CIRCUITS | Fixed Negative Standard Regulator, 12V, MSFM3, TO-257, 3 PIN | TT Electronics Resistors |
| IP3R17AK-12R1POWER CIRCUITS | 12V FIXED NEGATIVE REGULATOR, MBFM2, TO-3, 2 PIN | TT Electronics Power and Hybrid / Semelab Limited |
| LM79M05CHPOWER CIRCUITS | Fixed Negative Standard Regulator, 5V, BIPolar, MBCY3, | Rochester Electronics LLC |
| LM79M12POWER CIRCUITS | Fixed Negative Standard Regulator, 12V, BIPolar, PSFM3, TO-220, 3 PIN | Fairchild Semiconductor Corporation |
| LM120H-5.0/883BPOWER CIRCUITS | 5V FIXED NEGATIVE REGULATOR, MBCY3 | Texas Instruments |
| LM7905AGF-8QR-BPOWER CIRCUITS | 5V FIXED NEGATIVE REGULATOR, MSFM3, TO-257F, 3 PIN | TT Electronics Power and Hybrid / Semelab Limited |
| SG7915AG/883BPOWER CIRCUITS | Fixed Negative Standard Regulator, 15V, BIPolar, CSFM3 | Microchip Technology Inc |
| LM7912GR1POWER CIRCUITS | Fixed Negative Standard Regulator, 12V, MSFM3, TO-257, 3 PIN | TT Electronics Resistors |
| M38510/11503BXAPOWER CIRCUITS | Fixed Negative Standard Regulator, 5V, BIPolar, MBCY3, | Defense Logistics Agency |
| LM120H-05-883BR1POWER CIRCUITS | Fixed Negative Standard Regulator, 5V, MBCY3, TO-39, 3 PIN | TT Electronics Resistors |
Where to use LM7915?
LM7915 regulator IC can be used in a variety of applications such as power supplies, dual power supplies, etc. Using the IC is pretty much simple and straight forward as shown in the LM7915 pinout image above in which the IC is connected between the negative supply.
LM7915 Equivalent
UA7915, GL7915.
LM7915 Applications
●Used in Dual power supply circuits
●Used in Motor driver circuits
●Used in Solar circuits
●Used in Battery charger circuits
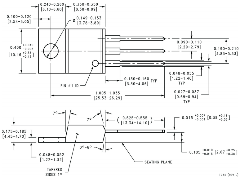
LM7915 Mechanical Data

LM7915 Mechanical Data
LM7915 Manufacturer
Texas Instruments Incorporated (TI) is an American technology company headquartered in Dallas, Texas, that designs and manufactures semiconductors and various integrated circuits, which it sells to electronics designers and manufacturers globally.[6] It is one of the top 10 semiconductor companies worldwide based on sales volume. The company's focus is on developing analog chips and embedded processors, which account for more than 80% of its revenue.TI also produces TI digital light processing technology and education technology products including calculators, microcontrollers, and multi-core processors. The company holds 45,000 patents worldwide as of 2016.
Datasheet PDF
- Datasheets :
- PCN Assembly/Origin :
1.What is the input voltage of LM7915 at least to output?
LM7915 is a three-terminal negative regulator with an output voltage of -15V. In the case of meeting the output regulations, that is, the minimum output voltage is -14.4V, the typical value is -15V, and the maximum value is -15.6, the input voltage range is (-30v《Vin》-17.5v). Input voltage -17.5v to output -15v.
2.Where is LM7915 in multisim?
LM7915 is a power component and is placed in the Power Component library in multisim.
3.How to Safely Long Run LM7915 in a Circuit?
For the long-life stability and performance of LM7915, it is important to not drive a load of more than 1.5A, the max input voltage should not be more than 35V. Use a suitable heatsink with the IC and always operate or store the IC in temperature above -65 degrees centigrade and below +150 centigrade.
6N139 Optocoupler: Pinout, Applications and Datasheet13 August 20212535
LM318 OP-AMP: Datasheet, Pinout, Alternatives and Circuit09 September 20216981
TLV5638IDR:DAC, Pinout, Datasheet16 February 2022937
LM5145RGYR DC/DC Controller: 75-V, Datasheet, Application Circuit08 April 20222308
Microchip MCP6004-ISL Rail to Rail,3V,5V,14-Pin SOIC: Datasheet, Pinout, 3D Model17 January 20222420
2N3904 vs. 2N2222: What is the difference between 2N2222 and 2N3904 Transistor?12 November 202118473
MIC2560 PCMCIA Switch: Pinout, Equivalent and Datasheet24 February 2022955
LP5018RSMR LED Driver: Datasheet, Alternatives, CAD Models23 March 20222192
What is Tantalum Capacitor: Structure, Failure and Application Guide14 April 202220225
Introduction to Step-up Transformer01 March 20216313
Detecting Wafer Patterns using Semi-Supervised Learning21 October 20221286
What is a Transmitter?12 October 20215685
Power Management Integrated Circuit (PMIC) Guide10 February 202213893
Global Semiconductor Market Expected to Shrink by 4.1 Percent in 202322 February 20232439
Chip Packaging Lead Time Has Grown to 50 Weeks07 April 20225931
What is a Fiber Optic Connector?27 October 20257748
Texas Instruments
In Stock
United States
China
Canada
Japan
Russia
Germany
United Kingdom
Singapore
Italy
Hong Kong(China)
Taiwan(China)
France
Korea
Mexico
Netherlands
Malaysia
Austria
Spain
Switzerland
Poland
Thailand
Vietnam
India
United Arab Emirates
Afghanistan
Åland Islands
Albania
Algeria
American Samoa
Andorra
Angola
Anguilla
Antigua & Barbuda
Argentina
Armenia
Aruba
Australia
Azerbaijan
Bahamas
Bahrain
Bangladesh
Barbados
Belarus
Belgium
Belize
Benin
Bermuda
Bhutan
Bolivia
Bonaire, Sint Eustatius and Saba
Bosnia & Herzegovina
Botswana
Brazil
British Indian Ocean Territory
British Virgin Islands
Brunei
Bulgaria
Burkina Faso
Burundi
Cabo Verde
Cambodia
Cameroon
Cayman Islands
Central African Republic
Chad
Chile
Christmas Island
Cocos (Keeling) Islands
Colombia
Comoros
Congo
Congo (DRC)
Cook Islands
Costa Rica
Côte d’Ivoire
Croatia
Cuba
Curaçao
Cyprus
Czechia
Denmark
Djibouti
Dominica
Dominican Republic
Ecuador
Egypt
El Salvador
Equatorial Guinea
Eritrea
Estonia
Eswatini
Ethiopia
Falkland Islands
Faroe Islands
Fiji
Finland
French Guiana
French Polynesia
Gabon
Gambia
Georgia
Ghana
Gibraltar
Greece
Greenland
Grenada
Guadeloupe
Guam
Guatemala
Guernsey
Guinea
Guinea-Bissau
Guyana
Haiti
Honduras
Hungary
Iceland
Indonesia
Iran
Iraq
Ireland
Isle of Man
Israel
Jamaica
Jersey
Jordan
Kazakhstan
Kenya
Kiribati
Kosovo
Kuwait
Kyrgyzstan
Laos
Latvia
Lebanon
Lesotho
Liberia
Libya
Liechtenstein
Lithuania
Luxembourg
Macao(China)
Madagascar
Malawi
Maldives
Mali
Malta
Marshall Islands
Martinique
Mauritania
Mauritius
Mayotte
Micronesia
Moldova
Monaco
Mongolia
Montenegro
Montserrat
Morocco
Mozambique
Myanmar
Namibia
Nauru
Nepal
New Caledonia
New Zealand
Nicaragua
Niger
Nigeria
Niue
Norfolk Island
North Korea
North Macedonia
Northern Mariana Islands
Norway
Oman
Pakistan
Palau
Palestinian Authority
Panama
Papua New Guinea
Paraguay
Peru
Philippines
Pitcairn Islands
Portugal
Puerto Rico
Qatar
Réunion
Romania
Rwanda
Samoa
San Marino
São Tomé & Príncipe
Saudi Arabia
Senegal
Serbia
Seychelles
Sierra Leone
Sint Maarten
Slovakia
Slovenia
Solomon Islands
Somalia
South Africa
South Sudan
Sri Lanka
St Helena, Ascension, Tristan da Cunha
St. Barthélemy
St. Kitts & Nevis
St. Lucia
St. Martin
St. Pierre & Miquelon
St. Vincent & Grenadines
Sudan
Suriname
Svalbard & Jan Mayen
Sweden
Syria
Tajikistan
Tanzania
Timor-Leste
Togo
Tokelau
Tonga
Trinidad & Tobago
Tunisia
Turkey
Turkmenistan
Turks & Caicos Islands
Tuvalu
U.S. Outlying Islands
U.S. Virgin Islands
Uganda
Ukraine
Uruguay
Uzbekistan
Vanuatu
Vatican City
Venezuela
Wallis & Futuna
Yemen
Zambia
Zimbabwe


Product
Brand
Articles
Tools

















