MA700 Angular Sensor: Pinout, Features and Datasheet
1.65V~5.5V -40℃~125℃ SOT-23-3L Hall Sensor ROHS
The MagAlpha MA 700 is a robust contactless angle encoder. Furthermore, Huge range of Semiconductors, Capacitors, Resistors and IcS in stock. Welcome RFQ.

MA700 Series: Low-Latency, Contactless Magnetic Angle Sensors
MA700 Pinout

Pinout
MA700 CAD Model

Footprint
MA700 Overview
The MagAlpha MA 700 is a robust contactless angle encoder. The IC detects the absolute angular position of a permanent magnet, typically a diametrically magnetized cylinder attached to the rotor. The MagAlpha is an extremely fast acquisition and processing sensor, allowing accurate angle measurement at speeds from 0 to 120’000 RPM.
Since the measurement is spatially confined, the user has flexibility in terms of magnet shapes and configurations. This can help relaxing mechanical tolerances and, in case the end of shaft position is not available, the MagAlpha 700 can also operate away from the axis of rotation (“side-shaft” mounting).
This article provides you with a basic overview of the MA700 Angular Sensor, including its pin descriptions, features and specifications, etc., to help you quickly understand what MA700 is.
MA700 Features
● 11 bit resolution absolute angle encoder
● 500 kHz refresh rate
● Ultra low latency: 3 µs
● Serial interface for data readout and settings
● 10 bit incremental output (A,B,Z)
● Built-in linearization for side-shaft mounting
● 7.5 mA supply current
Specifications
- TypeParameter
MA700 Functional Block Diagram

Functional Block Diagram
Parts with Similar Specs
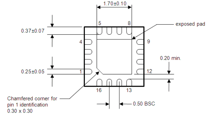
MA700 Package

Top view

Side view

Bottom view
MA700 Power Supply Decoupling
For most applications, a single 100 nF bypass capacitor placed close to the supply pins sufficiently decouples the MA 700 from noise of the power supply. If better decoupling is required, a larger capacitor (10 µF) can be added in parallel with the 100 nF, and/or a resistor (10Ω) can be added between the supply line and the capacitor node.
In any case, make sure that the connection between the MA 700 ground and the power supply ground has a low impedance, in order to avoid noise transmitted from the ground.
VFLASH needs to be supplied only when flashing the memory. Otherwise the VFLASH pin can remain unconnected or grounded (see the below Figure).

Connection for Supply Decoupling
MA700 Manufacturer
Monolithic Power Systems, Inc. (MPS) specializes in high-performance, integrated power solutions. The company provides highly energy efficient solutions for systems found in industrial applications, telecom infrastructures, cloud computing, automotive, and consumer applications. MPS’ mission is to improve the quality of life with green, easy-to-use, compact products.
What is the essential property of the MA700?
The MA700 is a robust contactless angle encoder. The IC detects the absolute angular position of a permanent magnet, typically a diametrically magnetized cylinder attached to the rotor.
How many programmable registers does the MA700 contain?
The MA700 incorporates 3 programmable registers. Each register has 8 bit of memory.
What is the area range of sensitive volume of MA 700?
The sensitive volume of the MA 700 is confined in a region less than 100 µm wide and consists of multiple integrated Hall devices.
LM3524 Regulating Pulse Width Modulator: Pinout, LM3524 vs. SG3524 [Video]22 December 20223076
OPA1652 Audio Operational Amplifier: Datasheet, Pinout and Replacement23 September 20213324
STM32F072RBT6 Microcontroller: 48MHz, 64-LQFP, Pinout and Datasheet14 February 20223272
TMP100 VS TMP10112 July 20212081
IRFP460 MOSFET: IRFP460 vs.IRFP460A, Pinout and Equivalent28 March 202215150
A Deep Dive into the S-814A25AMC-BCPT2G Linear Voltage Regulator07 March 2024440
IRFP260 Power MOSFET: 46A 200V N-Channel TO247, IRFP260 Equivalents and Datasheet29 December 20214423
SN74LVC2G17DCKR Dual Schmitt-Trigger Buffer: Circuit, Pinout, and Datasheet29 March 20223127
What is a Printed Circuit Board?22 April 20217478
What are Varactor Diodes?24 November 202510830
Use the Renesas AE-CLOUD2 to Send GPS Data to the Google Cloud IoT15 November 20191306
Good news | Warm Congratulations to UTMEL Electronic for Obtaining the Letter of Authorization from XKB Connectivity21 July 20253603
Semiconductor Market Expected to Surge, Driven by Rising Number of Data Centers04 June 20242804
What is a Server CPU?22 December 202111411
Comprehensive Analysis of Switching Power Supply Circuits30 November 202111034
Millimeter Wave Radar: Advantages, Types, and Applications18 October 202119776
Major Power
In Stock
United States
China
Canada
Japan
Russia
Germany
United Kingdom
Singapore
Italy
Hong Kong(China)
Taiwan(China)
France
Korea
Mexico
Netherlands
Malaysia
Austria
Spain
Switzerland
Poland
Thailand
Vietnam
India
United Arab Emirates
Afghanistan
Åland Islands
Albania
Algeria
American Samoa
Andorra
Angola
Anguilla
Antigua & Barbuda
Argentina
Armenia
Aruba
Australia
Azerbaijan
Bahamas
Bahrain
Bangladesh
Barbados
Belarus
Belgium
Belize
Benin
Bermuda
Bhutan
Bolivia
Bonaire, Sint Eustatius and Saba
Bosnia & Herzegovina
Botswana
Brazil
British Indian Ocean Territory
British Virgin Islands
Brunei
Bulgaria
Burkina Faso
Burundi
Cabo Verde
Cambodia
Cameroon
Cayman Islands
Central African Republic
Chad
Chile
Christmas Island
Cocos (Keeling) Islands
Colombia
Comoros
Congo
Congo (DRC)
Cook Islands
Costa Rica
Côte d’Ivoire
Croatia
Cuba
Curaçao
Cyprus
Czechia
Denmark
Djibouti
Dominica
Dominican Republic
Ecuador
Egypt
El Salvador
Equatorial Guinea
Eritrea
Estonia
Eswatini
Ethiopia
Falkland Islands
Faroe Islands
Fiji
Finland
French Guiana
French Polynesia
Gabon
Gambia
Georgia
Ghana
Gibraltar
Greece
Greenland
Grenada
Guadeloupe
Guam
Guatemala
Guernsey
Guinea
Guinea-Bissau
Guyana
Haiti
Honduras
Hungary
Iceland
Indonesia
Iran
Iraq
Ireland
Isle of Man
Israel
Jamaica
Jersey
Jordan
Kazakhstan
Kenya
Kiribati
Kosovo
Kuwait
Kyrgyzstan
Laos
Latvia
Lebanon
Lesotho
Liberia
Libya
Liechtenstein
Lithuania
Luxembourg
Macao(China)
Madagascar
Malawi
Maldives
Mali
Malta
Marshall Islands
Martinique
Mauritania
Mauritius
Mayotte
Micronesia
Moldova
Monaco
Mongolia
Montenegro
Montserrat
Morocco
Mozambique
Myanmar
Namibia
Nauru
Nepal
New Caledonia
New Zealand
Nicaragua
Niger
Nigeria
Niue
Norfolk Island
North Korea
North Macedonia
Northern Mariana Islands
Norway
Oman
Pakistan
Palau
Palestinian Authority
Panama
Papua New Guinea
Paraguay
Peru
Philippines
Pitcairn Islands
Portugal
Puerto Rico
Qatar
Réunion
Romania
Rwanda
Samoa
San Marino
São Tomé & Príncipe
Saudi Arabia
Senegal
Serbia
Seychelles
Sierra Leone
Sint Maarten
Slovakia
Slovenia
Solomon Islands
Somalia
South Africa
South Sudan
Sri Lanka
St Helena, Ascension, Tristan da Cunha
St. Barthélemy
St. Kitts & Nevis
St. Lucia
St. Martin
St. Pierre & Miquelon
St. Vincent & Grenadines
Sudan
Suriname
Svalbard & Jan Mayen
Sweden
Syria
Tajikistan
Tanzania
Timor-Leste
Togo
Tokelau
Tonga
Trinidad & Tobago
Tunisia
Turkey
Turkmenistan
Turks & Caicos Islands
Tuvalu
U.S. Outlying Islands
U.S. Virgin Islands
Uganda
Ukraine
Uruguay
Uzbekistan
Vanuatu
Vatican City
Venezuela
Wallis & Futuna
Yemen
Zambia
Zimbabwe


Product
Brand
Articles
Tools









