MAX232 RS-232 Transceiver Series: Architecture and Design Guide
MAX232 Receivers 2/2 Drivers/Receivers
Unit Price: $1.470295
Ext Price: $1.47









MAX232 Receivers 2/2 Drivers/Receivers
Deep dive into the TI MAX232 transceiver. Covers 5V charge-pump architecture, 120 kbit/s data rates, capacitor selection, overheat troubleshooting, and PCB layout rules.
Takeaway
Positioning: The TI MAX232 serves as the industry-standard bridge between low-voltage TTL/CMOS logic (0V to +5V) and high-voltage RS-232 interfaces (up to ±30V). It eliminates the need for dual-rail power supplies in legacy communication designs.
Key Spec Highlight: The integrated dual charge pump generates ±10V compliant levels from a single 5V supply, drastically simplifying power supply design for embedded systems.
Supply Chain Status: Active. This is a high-volume commodity component with widespread availability across multiple package types.

MAX232 product photo
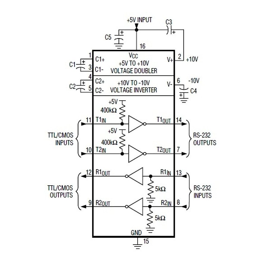
1. Technical Architecture and Core Advantages
The MAX232 is a dual driver/receiver that meets TIA/EIA-232-F and ITU V.28 standards. Its primary engineering value lies in its ability to generate high-voltage communication signals without requiring external ±12V rails.
1.1 Processing & Control
Unlike a microcontroller with a CPU core, the "brain" of the MAX232 is its logic level translation engine.
TTL/CMOS to RS-232: The device converts standard 5V logic signals (from MCUs like AVR, PIC, or 8051) into inverted TIA/EIA-232-F voltage levels.
Inversion Logic: A Logic '0' (Space) is converted to positive voltage (+3V to +15V), and a Logic '1' (Mark) is converted to negative voltage (-3V to -15V). This hardware-level inversion allows direct UART-to-PC serial port connection without software intervention.
1.2 Peripherals & Interfaces
The MAX232 is defined by its integrated power management peripherals:
Dual Charge Pump: The internal "capacitive voltage generator" uses four external 1.0µF capacitors to first double the +5V input to ~+10V, and then invert it to ~-10V. This is crucial for systems where only a single 5V rail is available.
Transceiver Blocks:
2x Drivers: Output swing typically ±8V (loaded), handling 120 kbit/s data rates.
2x Receivers: Accept inputs up to ±30V, featuring hysteresis to reject noise and improve signal integrity in harsh industrial environments.

MAX232 functional block diagram internal architecture
2. Naming / Variant Map and Selection Guide
2.1 Part Number Decoding
The suffix dictates the physical package and temperature range. Ensure you select the correct footprint for your PCB:
MAX232 = Base Part Number (0°C to 70°C).
N = PDIP-16 (Plastic Dual Inline Package, Through-hole).
D = SOIC-16 (Small Outline Integrated Circuit, Surface Mount).
DW = SOIC-16 Wide (Wider body for higher voltage creepage/clearance).
PW = TSSOP-16 (Thin Shrink Small Outline, for space-constrained designs).
R = Tape & Reel (Packaging method for automated assembly, e.g., MAX232DR).
2.2 Core Variant Comparison
| Variant | Package | Type | Dimensions (Approx) | Target Use |
|---|---|---|---|---|
| MAX232N | PDIP-16 | Through-Hole | 19.3 x 6.35 mm | Prototyping, Breadboards, Repair |
| MAX232D | SOIC-16 | SMD | 9.9 x 3.9 mm | Standard Consumer PCBs |
| MAX232DW | SOIC-16W | SMD | 10.3 x 7.5 mm | Industrial (Higher Robustness) |
| MAX232PW | TSSOP-16 | SMD | 5.0 x 4.4 mm | Compact Embedded Devices |
3. Key Specifications Explained
Engineer's Note: The values below refer to the Texas Instruments MAX232. While "MAX232" is a genericized part number, specific specs (especially ESD ratings and slew rates) vary between manufacturers (TI, Maxim/ADI, ST).
3.1 Power & Operating Conditions
Supply Voltage (Vcc): Strictly 4.5V to 5.5V.
Design implication: This device is not compatible with 3.3V logic systems without level shifting. For 3.3V systems, use the MAX3232.
Supply Current: Typically 8mA (No load).
Battery implication: While efficient for its era, 8mA is relatively high for modern ultra-low-power IoT nodes. Consider shutting down Vcc via a MOSFET if the serial port is rarely used.
3.2 Performance & Efficiency
Data Rate: 120 kbit/s (Typical). This is sufficient for standard baud rates (9600, 115200) but may bottle-neck high-speed custom protocols.
Receiver Input Thresholds: High: 1.7V to 2.4V | Low: 0.8V to 1.2V.
Input Voltage Tolerance: The receiver inputs can withstand up to ±30V, protecting the MCU from high-voltage spikes effectively.
4. Design Notes and Common Integration Issues
4.1 PCB Layout Guidelines
Proper layout is essential to manage noise generated by the charge pump switching.
Capacitor Selection: Use 1.0µF capacitors for C1, C2, C3, and C4. Aluminum electrolytic are common, but 1.0µF MLCC (Ceramic) capacitors are preferred for lower ESR and better reliability.
Capacitor Placement: Place C1-C4 as close to the IC pins as possible to minimize loop inductance.
Power Rails: Place a 0.1µF ceramic decoupling capacitor continuously close to the VCC pin (Pin 16) to suppress switching noise from the internal charge pump.

MAX232 pinout diagram and footprint
4.2 Debugging Common Faults
The following issues are frequently reported by engineers integrating the MAX232:
1. Overheating / Thermal Runaway- Symptom: The IC becomes extremely hot to the touch immediately upon power-up.
Root Cause: Often caused by reversed polarity on the charge pump capacitors (C1-C4) or using incorrect values. Or, a latch-up condition.
Fix: Verify capacitor polarity against the datasheet. Note that C1 and C3 often have different polarity orientations relative to ground compared to C2 and C4. Ensure values are strictly 1.0µF.
2. Power Rail Noise- Symptom: Noise ripples appear on the 5V rail, affecting ADC readings on the main MCU.
Root Cause: The internal charge pump switching injects noise back into VCC.
Fix: Enhance bulk capacitance on the VCC line. Use a 10µF Tantalum capacitor in parallel with the 0.1µF ceramic bypass cap.
3. Latch-up on Power Cycle- Symptom: Device draws excessive current and fails to communicate after rapid power cycling.
Root Cause: Improper power sequencing or "hot-plugging" while pins are active.
Fix: Ensure VCC rise time is monotonic. Avoid applying signals to the Receiver inputs before VCC is established.
5. Typical Applications
📺 Video Recommendation: MAX232 Guide
5.1 System Integration Analysis
Legacy Industrial Interface (PLC to PC):
One of the most common applications is interfacing a modern MCU with a legacy PC serial port or an industrial PLC equipped with a DB9 connector.
Problem: A microcontroller UART operates at 0V/5V. A PC serial port expects -10V/+10V. Connecting them directly destroys the MCU.
Solution: The MAX232 sits between the MCU UART (TX/RX) and the DB9 connector.
Implementation: - MCU TX → MAX232 T1IN (Pin 11) → MAX232 T1OUT (Pin 14) → DB9 Pin 2 (RXD).
DB9 Pin 3 (TXD) → MAX232 R1IN (Pin 13) → MAX232 R1OUT (Pin 12) → MCU RX.
The charge pump automatically generates the required ±10V for the long cable run reliability.

MAX232 typical application circuit schematic
6. Competitors and Alternatives
The RS-232 transceiver market is commoditized, but key differences exist in voltage support and speed.
Vs. Texas Instruments MAX3232: The MAX3232 is the pin-compatible successor designed for 3.3V systems (3.0V to 5.5V). If your system runs on 3.3V, you must use the MAX3232, as the MAX232 will not operate reliably.
Vs. STMicroelectronics ST232: A direct drop-in replacement. Performance is nearly identical; choice usually depends on stock availability and price.
Vs. Renesas ICL232: Another legacy alternative. Often features similar specs but check the datasheet for exact capacitor value requirements (some older variants required 10µF).
Migration Path: For designs requiring higher ESD protection (e.g., exposed external ports), consider the MAX232E (ESD-protected version) or similar "E" variants from competitors.
7. FAQ
Q: What is the absolute maximum voltage for MAX232 receiver inputs? The receiver inputs can handle up to ±30V, making them robust against standard RS-232 signal levels.
Q: Does MAX232 support 3.3V logic levels? No, the MAX232 is designed for a minimum VCC of 4.5V. Using it with 3.3V logic may result in failure to switch or weak output levels; use the MAX3232 instead.
Q: What represents the main difference between MAX232N and MAX232D? The suffix indicates the package type: 'N' denotes a through-hole PDIP package, while 'D' denotes a surface-mount SOIC package.
Q: Why does the MAX232 get hot? Heating is usually a sign of a short circuit, latch-up, or reversed polarity on the external charge pump capacitors.
Q: Can I use 0.1µF capacitors instead of 1.0µF? Generally, no. The standard TI MAX232 requires 1.0µF. However, the MAX202 is a variant specifically designed to work with 0.1µF capacitors.
8. Resources and Downloads
Datasheet: MAX232 Datasheet (Texas Instruments)
Dev Tools: Look for "MAX232 Breakout Board" or "RS232 to TTL Adapter" for rapid prototyping.
Specifications
Datasheet PDF
- PCN Design/Specification :
- Datasheets :
CC1000-RTB1 Transceiver: Datashee, Pinout, Application11 August 2021672
LA4440 Power Amplifier: 6W 2-Channel Amplifier, Pinout and Circuit Diagram [Video]08 December 202125025
VO1400AEFTR:60v,pinout, datasheet and circuit16 March 2022443
ADALM2000 Analog Device: Advanced Active Learning Module USB11 January 20221919
LM2904 Dual Op-Amp: Pinout, Features and Application22 July 20213715
L9110S 2-Channel Motor driver: Circuit, Pinout, and How to work [Video&FAQ]25 April 202219443
ADS1115 and ESP32 How to measure voltage?[Video]15 April 202210684
CR2032 VS DL2032 VS CR2025: Are they interchangeable?24 February 202223472
What is a DC-to-DC Converter?23 April 20216660
What is a Water Level Indicator?19 February 202126107
What Makes Rocker Switches Unique18 July 2025606
How does an Inverter Work?06 April 20218298
Silicon Carbide (SiC): The Third-generation Semiconductor Material30 August 20219087
Emerging Storage Technologies: MRAM, RRAM, and PCRAM08 January 20269116
Introduction to Wireless Router17 June 20212156
Gartner: Hysis Revenue Plunges 81%, Samsung Holds on to Semiconductor Leadership15 April 2022774
Texas Instruments
In Stock: 43
Minimum: 1 Multiples: 1
Qty
Unit Price
Ext Price
1
$1.470295
$1.47
10
$1.387071
$13.87
100
$1.308557
$130.86
500
$1.234488
$617.24
1000
$1.164611
$1,164.61
Not the price you want? Send RFQ Now and we'll contact you ASAP.
Inquire for More Quantity






