TL074 Operational Amplifier Design Guide: JFET-Input Audio & Industrial Applications
65pA Instrumentational OP Amps 15V ±5V~15V TL074 14-DIP (0.300, 7.62mm)
The TL074 is a high-speed JFET-input quad op-amp featuring 13 V/µs slew rate, low noise, and low THD. Ideal for high-fidelity audio and motor control.
Takeaway
Positioning: The TL074 is the industry-standard "workhorse" for high-fidelity audio pre-amplification and precision industrial signal conditioning, bridging the gap between general-purpose bipolar op-amps and expensive audiophile-grade ICs.
Key Spec Highlight: The 13 V/µs slew rate coupled with 65 pA input bias current enables fast transient response without loading high-impedance sensors.
Supply Chain Status: Active. Widely available from Texas Instruments and second sources (ST, NXP, ON Semi). Warning: Counterfeit risk is high due to popularity; always verify authorized distributors.

TL074 product photo
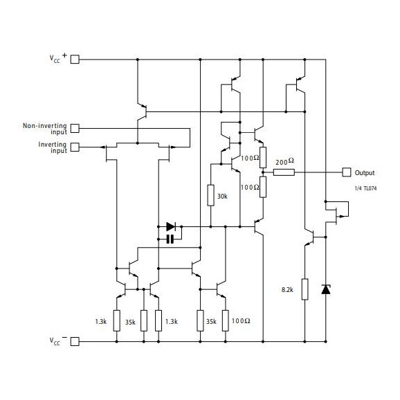
1. Technical Architecture and Core Advantages
The TL074 is a quad operational amplifier that utilizes high-voltage JFET (Junction Field Effect Transistor) technology on the same silicon chip as bipolar transistors. This hybrid architecture delivers the high input impedance of JFETs with the drive capability of bipolar outputs.
1.1 Processing & Control (The "Brain")
JFET Input Stage: Unlike standard bipolar inputs (like the LM324), the TL074 uses JFETs at the input. This results in ultra-low input bias currents (65 pA typ) and extremely high input impedance. This makes it ideal for interfacing with high-impedance sources like piezo pickups or photodiodes without signal degradation.
Gain Bandwidth: The device offers a 3 MHz Gain Bandwidth Product (GBP), ensuring stability and sufficient gain at audio frequencies and beyond.
Low Distortion: Internal architecture is optimized for low harmonic distortion (0.003% typ), a critical metric for audio signal chains.
1.2 Peripherals & Interfaces (The "Limbs")
Output Stage: Features integrated output short-circuit protection to prevent damage during fault conditions.
Quad Configuration: The TL074 integrates four independent op-amps in a single 14-pin package, reducing BOM count for multi-channel active filters or instrumentation amplifiers.
Latch-Up Free: The design ensures latch-up-free operation, making it robust in noisy industrial environments.

TL074 functional block diagram internal architecture
2. Naming / Variant Map and Selection Guide
2.1 Part Number Decoding
To select the correct TL074 for your PCB, decipher the suffixes as follows:
Prefix (TL): Texas Instruments Linear series.
Series (074): Quad JFET-Input Op-Amp (Note: 071 is Single, 072 is Dual).
Suffix Letter (Grade): Indicates offset voltage precision (e.g., 'B' is higher precision than 'C' or standard).
Package Code:
N: PDIP (Plastic Dual In-Line Package) - Common for prototyping.
D: SOIC (Small Outline Integrated Circuit) - Surface mount.
PW: TSSOP (Thin Shrink Small Outline Package) - Space-constrained designs.
Temp Range:
C: Commercial (0°C to 70°C).
I: Industrial (-40°C to 85°C).
M: Military (-55°C to 125°C).
2.2 Core Variant Comparison
| Variant | Key Differences | Target Use |
|---|---|---|
| TL074 (Standard) | Base specification. | General purpose audio, active filters. |
| TL074A | Improved Input Offset Voltage. | Precision instrumentation. |
| TL074B | Highest precision offset in the standard family. | Low-error signal conditioning. |
| TL074H | High-voltage version (often newer process). | Industrial rails requiring robustness. |
| TL074M | Military grade temp range (-55°C to 125°C). | Aerospace, Defense. |
| TL074-EP | Enhanced Product (Gold-standard reliability). | Medical, Critical Industrial. |
3. Key Specifications Explained
Engineer's Note: Values below are typical. Always consult the specific datasheet (
tl074.pdf) for max/min limits across temperature ranges.
3.1 Power & Operating Conditions
The TL074 is a high-voltage device typically operated on split supplies. * Supply Voltage: Rated for an absolute maximum of ±18V (36V differential). Common rails are ±12V or ±15V. * Power Consumption: Low power consumption relative to bandwidth, suitable for mains-powered audio desks or motor drive controllers. * Battery Use: While possible, the quiescent current is higher than dedicated "low-power" CMOS op-amps, so it is not the first choice for coin-cell applications.
3.2 Performance & Efficiency
Slew Rate: 13 V/µs (typ). This high slew rate allows the op-amp to reproduce fast-changing signals accurately, essential for high-fidelity audio to prevent Transient Intermodulation Distortion (TIM).
Noise Floor: 18 nV/√Hz at 1 kHz. While not an ultra-low noise LNA, it is sufficiently quiet for line-level audio and sensor buffering.
Input Bias: 65 pA. Several orders of magnitude lower than bipolar equivalents (like 741 or 4558), minimizing voltage drops across source resistors.
4. Design Notes and Common Integration Issues
4.1 PCB Layout Guidelines
To preserve the 0.003% THD and preventing noise injection:
Power Rails: Place 0.1µF ceramic decoupling capacitors as close as physically possible to the VCC+ and VCC- pins. Failure to do so often results in high-frequency oscillation.
Grounding: Separate Analog Ground (AGND) and Digital Ground (DGND). Connect them at a single "star point" near the power supply.
Trace Guards: For high-impedance inputs, use guard rings connected to a low-impedance node (like the output in a follower config) to prevent leakage currents from reducing accuracy.
Thermal: The PDIP and SOIC packages generally dissipate heat well, but avoid routing high-current traces immediately under the sensitive input pins.

TL074 pinout diagram and footprint
4.2 Debugging Common Faults (Pain Points)
Problem 1: Output Oscillation after Transient
Symptom: The output locks into a sustained oscillation following a spike on the input or supply.
Fix: This is often a stability issue. Ensure strict adherence to decoupling guidelines (0.1µF caps). Check the phase margin in your feedback loop; you may need a small feedback capacitor (e.g., 22pF) in parallel with the feedback resistor to dampen ringing.
Problem 2: Overheating in Voltage Follower Mode
Symptom: The chip runs excessively hot when configured as a unity-gain buffer (Voltage Follower).
Cause: Parasitic oscillation caused by capacitive loading (e.g., long cables or adjacent traces).
Fix: Insert a small isolation resistor (50Ω to 100Ω) in series with the output pin before the load or feedback tap. This isolates the op-amp from the capacitive load.
5. Typical Applications
5.1 System Integration Analysis
Application: Multi-Channel Audio Mixer / Pre-Amplifier
The TL074 is ubiquitous in audio mixers due to its ability to handle four channels per chip with high fidelity.
Problem: Microphones and instruments have varying impedances and signal levels. They require buffering without adding hiss (noise) or altering the sound (distortion).
TL074 Solution:
High Input Impedance: The JFET inputs do not load down passive guitar pickups or piezo elements.
High Slew Rate (13 V/µs): Captures the sharp "attack" of percussive sounds without muddying the transient.
Quad Package: Allows for a compact implementation of a 3-band Active EQ (Bass, Mid, Treble) utilizing 3 of the 4 op-amps, with the 4th used as a buffer.

TL074 typical application circuit schematic
6. Competitors and Alternatives
The TL074 faces competition from both legacy and modern equivalents.
Vs. LF347 (National/TI): The LF347 is a very close relative with similar JFET inputs and bandwidth. The TL074 generally offers better availability and slightly lower noise specs in modern iterations.
Vs. TL084: The TL084 is the "general purpose" sibling. While often pin-compatible, the TL074 is specifically specified for lower noise and better harmonic distortion performance, making it the superior choice for audio.
Vs. OPA4134: A high-performance audio upgrade. The OPA4134 offers significantly lower noise and distortion but at a much higher price point.
Vs. LM324: The LM324 is a bipolar, single-supply op-amp. It is cheaper and easier to power (single rail) but has significantly worse audio performance (crossover distortion, lower slew rate). Do not substitute LM324 for TL074 in high-fidelity audio.
7. FAQ
Q: What is the absolute maximum supply voltage for the TL074? The absolute maximum rating is ±18 V (or 36 V differential), though ±15 V is the standard operating point for most designs.
Q: Can I use the TL074 with a single supply voltage? Yes, but it requires a virtual ground (typically VCC/2) for AC signals, and the output swing will not be rail-to-rail.
Q: What is the main difference between TL074C and TL074AC? The "A" suffix denotes a tighter specification for Input Offset Voltage, offering better precision than the standard "C" grade.
Q: Why is my TL074 oscillating in a buffer configuration? This is likely due to capacitive loading; adding a 50-100 ohm resistor in series with the output usually resolves this stability issue.
Q: Is the TL074 pin-compatible with the LM324? Yes, the pinout is identical (standard 14-pin quad op-amp), but the electrical characteristics and power supply requirements (split vs single) differ significantly.
Specifications
Parts with Similar Specs
- ImagePart NumberManufacturerPackage / CaseNumber of PinsNumber of CircuitsSlew RateInput Offset Voltage (Vos)Moisture Sensitivity Level (MSL)Mounting TypeView Compare
TL074ING4
14-DIP (0.300, 7.62mm)
14
4
13V/μs
6 mV
1 (Unlimited)
Through Hole
14-DIP (0.300, 7.62mm)
14
4
10 V/μs
7 mV
1 (Unlimited)
Through Hole
14-DIP (0.300, 7.62mm)
14
4
0.3 V/μs
7 mV
1 (Unlimited)
Through Hole
14-DIP (0.300, 7.62mm)
14
2
0.5V/μs
6 mV
1 (Unlimited)
Through Hole
14-DIP (0.300, 7.62mm)
14
4
13V/μs
3 mV
1 (Unlimited)
Through Hole
Datasheet PDF
- Datasheets :
UA741CP Operational Amplifier: Pinout, Specification, and Datasheet18 June 202118213
TLC5940NT LED Driver: Features, Speicifications and Applications27 May 20211930
CD4060 Binary Counter: Datasheet, Pinout, Circuit01 November 20219555
MCP1825 Regulators, 500 mA Low Quiescent Current LDO Regulator and Datasheet pdf28 December 20212062
KSZ8895MQXI Ethernet Switch SPI Interface 128-PQFP: Datasheet, Pinout, and equivalent11 February 20221999
HC-06 vs. HC-05 Bluetooth Module: What is the difference between HC-06 and HC-05?24 November 202161154
PL133-47 Fanout Buffer IC: Pinout, Equivalent and Datasheet09 April 2022278
LM5166DRCR: Datasheet, Pinout, 10-VFDFN, high efficiency12 February 2022884
Surge Protector Best Practices for Everyday Use10 July 20252180
Image Sensor: How do CCD and CMOS Sensors work?24 October 202513353
Sensor Basics: Classification, Working Principle and Application02 April 202528582
Global Semiconductor Market Share Continues to Grow27 October 20232230
What are the Types of Phone Displays?07 July 20213842
What is a High-pass Filter?10 March 202114409
Dynamic On-Resistance and its Impact on Power Converters28 August 20232774
What is Comparator?11 April 20226408
Texas Instruments
In Stock
United States
China
Canada
Japan
Russia
Germany
United Kingdom
Singapore
Italy
Hong Kong(China)
Taiwan(China)
France
Korea
Mexico
Netherlands
Malaysia
Austria
Spain
Switzerland
Poland
Thailand
Vietnam
India
United Arab Emirates
Afghanistan
Åland Islands
Albania
Algeria
American Samoa
Andorra
Angola
Anguilla
Antigua & Barbuda
Argentina
Armenia
Aruba
Australia
Azerbaijan
Bahamas
Bahrain
Bangladesh
Barbados
Belarus
Belgium
Belize
Benin
Bermuda
Bhutan
Bolivia
Bonaire, Sint Eustatius and Saba
Bosnia & Herzegovina
Botswana
Brazil
British Indian Ocean Territory
British Virgin Islands
Brunei
Bulgaria
Burkina Faso
Burundi
Cabo Verde
Cambodia
Cameroon
Cayman Islands
Central African Republic
Chad
Chile
Christmas Island
Cocos (Keeling) Islands
Colombia
Comoros
Congo
Congo (DRC)
Cook Islands
Costa Rica
Côte d’Ivoire
Croatia
Cuba
Curaçao
Cyprus
Czechia
Denmark
Djibouti
Dominica
Dominican Republic
Ecuador
Egypt
El Salvador
Equatorial Guinea
Eritrea
Estonia
Eswatini
Ethiopia
Falkland Islands
Faroe Islands
Fiji
Finland
French Guiana
French Polynesia
Gabon
Gambia
Georgia
Ghana
Gibraltar
Greece
Greenland
Grenada
Guadeloupe
Guam
Guatemala
Guernsey
Guinea
Guinea-Bissau
Guyana
Haiti
Honduras
Hungary
Iceland
Indonesia
Iran
Iraq
Ireland
Isle of Man
Israel
Jamaica
Jersey
Jordan
Kazakhstan
Kenya
Kiribati
Kosovo
Kuwait
Kyrgyzstan
Laos
Latvia
Lebanon
Lesotho
Liberia
Libya
Liechtenstein
Lithuania
Luxembourg
Macao(China)
Madagascar
Malawi
Maldives
Mali
Malta
Marshall Islands
Martinique
Mauritania
Mauritius
Mayotte
Micronesia
Moldova
Monaco
Mongolia
Montenegro
Montserrat
Morocco
Mozambique
Myanmar
Namibia
Nauru
Nepal
New Caledonia
New Zealand
Nicaragua
Niger
Nigeria
Niue
Norfolk Island
North Korea
North Macedonia
Northern Mariana Islands
Norway
Oman
Pakistan
Palau
Palestinian Authority
Panama
Papua New Guinea
Paraguay
Peru
Philippines
Pitcairn Islands
Portugal
Puerto Rico
Qatar
Réunion
Romania
Rwanda
Samoa
San Marino
São Tomé & Príncipe
Saudi Arabia
Senegal
Serbia
Seychelles
Sierra Leone
Sint Maarten
Slovakia
Slovenia
Solomon Islands
Somalia
South Africa
South Sudan
Sri Lanka
St Helena, Ascension, Tristan da Cunha
St. Barthélemy
St. Kitts & Nevis
St. Lucia
St. Martin
St. Pierre & Miquelon
St. Vincent & Grenadines
Sudan
Suriname
Svalbard & Jan Mayen
Sweden
Syria
Tajikistan
Tanzania
Timor-Leste
Togo
Tokelau
Tonga
Trinidad & Tobago
Tunisia
Turkey
Turkmenistan
Turks & Caicos Islands
Tuvalu
U.S. Outlying Islands
U.S. Virgin Islands
Uganda
Ukraine
Uruguay
Uzbekistan
Vanuatu
Vatican City
Venezuela
Wallis & Futuna
Yemen
Zambia
Zimbabwe


Product
Brand
Articles
Tools















