BHI160 Sensor: Pinout, Features, and Datasheet
BHI160 Series 3.6 V Three Axis Ultra Low Power Sensor Hub - LGA-24
Unit Price: $5.867092
Ext Price: $5.87









BHI160 Series 3.6 V Three Axis Ultra Low Power Sensor Hub - LGA-24
The BHI160(B) is a small, low-power smart-hub with an integrated three axis gyroscope plus an integrated three axis accelerometer plus a programmable microcontroller.
BHI160 Pinout

Pin description:

BHI160 Description
Containing preinstalled software and specific algorithms for activity recognition it is specifically designed to enable always-on motion sensing. It perfectly matches the requirements of smartphones, wearables or any other application which demands highly accurate, real-time motion data at very low power consumption.
The device integrates our best-in-class 6-axis IMU (BMI160) with an MCU - the new Bosch Sensortec Fuser core. It is bringing you the full Android sensor stack inside your devices - even without having an Android OS or an Android environment. Combining this with the built in computing power and the highly configurable on-board memory the BHI smart-hub offers you a low power solution for motion sensing and data processing.
BHI160 Features
• All-in-one smart-hub solution for always-on motion sensing at a fraction of current consumption which is commonly required using discrete components.
• 32-bit floating-point microcontroller (Fuser Core). Optimized for data fusion, motion sensing and activity recognition at ultralow power consumption. All in order to offload the power hungry data processing from the main application processor to the smart-hub.
- Powerful BSX sensor fusion library integrated in ROM for lowest design-in effort and fastest time-to-market.
• Additional software and algorithms for RAM processing, provided as ready to use FW patch files. Visit our web site to check available downloads.
• Onboard calculation power for data fusion, 3D- and absolute orientation, rotation vector, quaternions and Euler angles.
• Gesture recognition of significant motion, tilt, pickup, wake up and glance. Enabling customer specific gesture based HMI interfaces for smartphones and wearables.
• Activity recognition of standing, walking, running, biking and in vehicle. Enabling health & fitness applications or any other use case where highly accurate and reliable detection and/or monitoring of user activities is required.
• Step detection and step counting.
• Android 5 / L / Lollipop & Android 6 / M / Marshmallow (non-HiFi) support, incl. batching with dual FIFO buffer for wakeup and non-wakeup events. Implements the full Android sensor stack although an Android OS or any other Android environment is not required.
• High speed 12C interface, with data rates up to 3.4 MBit/s for power-efficient data transfer.
• Highly configurable internal RAM for either feature extension and/or FIFO data buffering.
- SW / FW based functionality. Can be updated, optimized, customized or upgraded with totally new features to support future requirements.
• Smart-hub plus microcontroller, MEMS sensors and software all highly integrated in one 3.0x3.0x0.95 mm3 LGA package with extension interface for additional sensors.
Specifications
- TypeParameter
- Factory Lead Time14 Weeks
- Mounting Type
The "Mounting Type" in electronic components refers to the method used to attach or connect a component to a circuit board or other substrate, such as through-hole, surface-mount, or panel mount.
Surface Mount - Package / Case
refers to the protective housing that encases an electronic component, providing mechanical support, electrical connections, and thermal management.
24-VFLGA Module - Surface Mount
having leads that are designed to be soldered on the side of a circuit board that the body of the component is mounted on.
YES - Operating Temperature
The operating temperature is the range of ambient temperature within which a power supply, or any other electrical equipment, operate in. This ranges from a minimum operating temperature, to a peak or maximum operating temperature, outside which, the power supply may fail.
-40°C~85°C TA - Packaging
Semiconductor package is a carrier / shell used to contain and cover one or more semiconductor components or integrated circuits. The material of the shell can be metal, plastic, glass or ceramic.
Tape & Reel (TR) - Published2016
- Part Status
Parts can have many statuses as they progress through the configuration, analysis, review, and approval stages.
Active - Moisture Sensitivity Level (MSL)
Moisture Sensitivity Level (MSL) is a standardized rating that indicates the susceptibility of electronic components, particularly semiconductors, to moisture-induced damage during storage and the soldering process, defining the allowable exposure time to ambient conditions before they require special handling or baking to prevent failures
1 (Unlimited) - Number of Terminations24
- HTS Code
HTS (Harmonized Tariff Schedule) codes are product classification codes between 8-1 digits. The first six digits are an HS code, and the countries of import assign the subsequent digits to provide additional classification. U.S. HTS codes are 1 digits and are administered by the U.S. International Trade Commission.
8542.39.00.01 - Terminal Position
In electronic components, the term "Terminal Position" refers to the physical location of the connection points on the component where external electrical connections can be made. These connection points, known as terminals, are typically used to attach wires, leads, or other components to the main body of the electronic component. The terminal position is important for ensuring proper connectivity and functionality of the component within a circuit. It is often specified in technical datasheets or component specifications to help designers and engineers understand how to properly integrate the component into their circuit designs.
BOTTOM - Terminal Form
Occurring at or forming the end of a series, succession, or the like; closing; concluding.
BUTT - Number of Functions1
- Reach Compliance Code
Reach Compliance Code refers to a designation indicating that electronic components meet the requirements set by the Registration, Evaluation, Authorization, and Restriction of Chemicals (REACH) regulation in the European Union. It signifies that the manufacturer has assessed and managed the chemical substances within the components to ensure safety and environmental protection. This code is vital for compliance with regulations aimed at minimizing risks associated with hazardous substances in electronic products.
unknown - JESD-30 Code
JESD-30 Code refers to a standardized descriptive designation system established by JEDEC for semiconductor-device packages. This system provides a systematic method for generating designators that convey essential information about the package's physical characteristics, such as size and shape, which aids in component identification and selection. By using JESD-30 codes, manufacturers and engineers can ensure consistency and clarity in the specification of semiconductor packages across various applications and industries.
S-XBGA-B24 - Output Type
The "Output Type" parameter in electronic components refers to the type of signal or data that is produced by the component as an output. This parameter specifies the nature of the output signal, such as analog or digital, and can also include details about the voltage levels, current levels, frequency, and other characteristics of the output signal. Understanding the output type of a component is crucial for ensuring compatibility with other components in a circuit or system, as well as for determining how the output signal can be utilized or processed further. In summary, the output type parameter provides essential information about the nature of the signal that is generated by the electronic component as its output.
I2C - Supply Voltage-Max (Vsup)
The parameter "Supply Voltage-Max (Vsup)" in electronic components refers to the maximum voltage that can be safely applied to the component without causing damage. It is an important specification to consider when designing or using electronic circuits to ensure the component operates within its safe operating limits. Exceeding the maximum supply voltage can lead to overheating, component failure, or even permanent damage. It is crucial to adhere to the specified maximum supply voltage to ensure the reliable and safe operation of the electronic component.
3.6V - Supply Voltage-Min (Vsup)
The parameter "Supply Voltage-Min (Vsup)" in electronic components refers to the minimum voltage level required for the component to operate within its specified performance range. This parameter indicates the lowest voltage that can be safely applied to the component without risking damage or malfunction. It is crucial to ensure that the supply voltage provided to the component meets or exceeds this minimum value to ensure proper functionality and reliability. Failure to adhere to the specified minimum supply voltage may result in erratic behavior, reduced performance, or even permanent damage to the component.
1.71V - Analog IC - Other Type
Analog IC - Other Type is a parameter used to categorize electronic components that are integrated circuits (ICs) designed for analog signal processing but do not fall into more specific subcategories such as amplifiers, comparators, or voltage regulators. These ICs may include specialized analog functions such as analog-to-digital converters (ADCs), digital-to-analog converters (DACs), voltage references, or signal conditioning circuits. They are typically used in various applications where precise analog signal processing is required, such as in audio equipment, instrumentation, communication systems, and industrial control systems. Manufacturers provide detailed specifications for these components to help engineers select the most suitable IC for their specific design requirements.
ANALOG CIRCUIT - Sensor Type
In electronic components, the parameter "Sensor Type" refers to the specific type of sensor technology used in a particular component to detect and measure physical phenomena such as light, temperature, pressure, motion, or proximity. Different sensor types utilize various principles and mechanisms to convert the detected input into an electrical signal that can be processed by the electronic component. Common sensor types include photodiodes, thermistors, accelerometers, and proximity sensors, each designed for specific applications and environments. Understanding the sensor type is crucial for selecting the right component for a given task and ensuring accurate and reliable sensing capabilities in electronic systems.
Accelerometer, Gyroscope, 6 Axis - RoHS Status
RoHS means “Restriction of Certain Hazardous Substances” in the “Hazardous Substances Directive” in electrical and electronic equipment.
ROHS3 Compliant - Lead Free
Lead Free is a term used to describe electronic components that do not contain lead as part of their composition. Lead is a toxic material that can have harmful effects on human health and the environment, so the electronics industry has been moving towards lead-free components to reduce these risks. Lead-free components are typically made using alternative materials such as silver, copper, and tin. Manufacturers must comply with regulations such as the Restriction of Hazardous Substances (RoHS) directive to ensure that their products are lead-free and environmentally friendly.
Lead Free
BHI160 Applications
Activity recognition of standing, walking, running, biking or in vehicle
Step-counting, indoor navigation, PDR
HMI interfaces incl. gesture detection of motion, tilt, pickup, wake up, glance or other gestures for wearables
Augmented reality, immersive gaming
Tilt compensated eCompass
Full 9DoF data fusion for highly accurate 3D orientation, quaternions, Euler angles, etc.
BHI160 Target Devices
Mobile phones and tablets
Wearables such as smart watches, wristor neck-bands
Smart-sports and smart-fitness devices
Hearables, smart earphones and other head worn devices
Smart-TV- or AR/VR controllers
Smart-pens
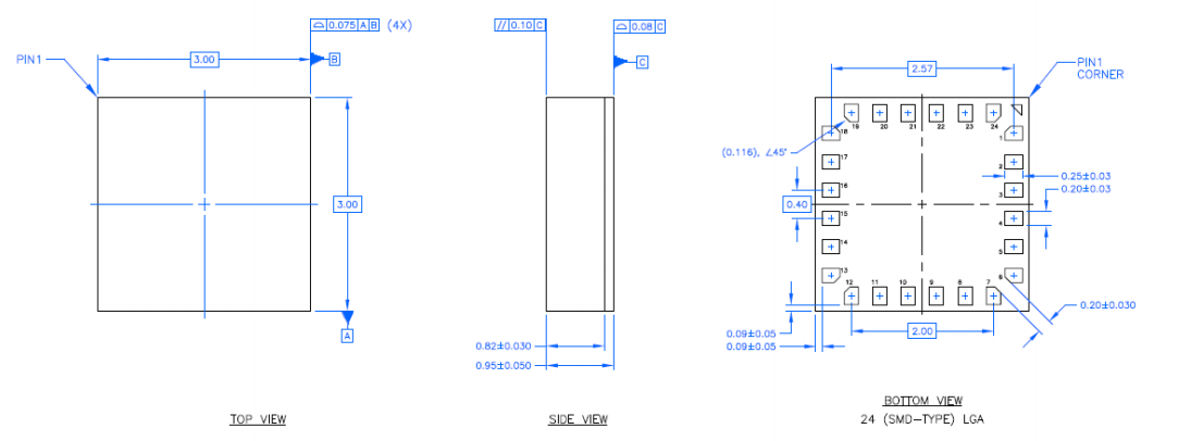
BHI160 Package
Package outline:
Axis orientation:

Placement options:


If the sensing axis of the sensor do not match to the coordinate system of the target device or to sensor extensions which are potentially connected to the hub, several tools can be used to remap the sensing assignment in the firmware file. This enables a subsequent axis alignment of all virtual and physically integrated and/or attached sensors to match the target coordinate system.
Parts with Similar Specs
Trend Analysis
Datasheet PDF
- Datasheets :
- Environmental Information :
HMC5883L Digital Compass IC: Pinout, Datasheet and Alternatives06 September 20214003
TL431 Shunt Regulator: How to Test and Replace?26 April 202220097
IRL540 Power MOSFET: N-Channel, IRL540 Datasheet, Pinout, Equivalent19 January 20227337
MLX90614 Infra Red Thermometer: Pinout, Datasheet and Applications30 July 20216485
DS18S20 Temperature Sensor: Datasheet, Pinout and Comparison01 November 20212665
XC7Z020-1CLG400C Features Explained for 2025 Applications27 March 20251426
74LS08 AND Two Input Gate IC: Datasheet, Pinout and Voltage21 October 202115702
STM32F407VGT6 Microcontroller: 168MHz,100-LQFP, Pinout and Features07 February 202212583
Introduction to Pi Filter19 February 202114652
Basic Introduction to RF Connector30 October 20257509
SAW Filter: Introduction, Features and Applications30 December 20209922
What is GND in a Circuit?18 December 202543376
Introduction to Step-up Transformer01 March 20215841
What is Resistor?02 November 20216809
Towards an Optoelectronic Chip That Mimics the Human Brain20 April 2022820
What Are Buck-Boost Converters?07 June 2025674
Bosch Sensortec
In Stock: 50
Minimum: 1 Multiples: 1
Qty
Unit Price
Ext Price
1
$5.867092
$5.87
10
$5.534993
$55.35
100
$5.221691
$522.17
500
$4.926124
$2,463.06
1000
$4.647287
$4,647.29
Not the price you want? Send RFQ Now and we'll contact you ASAP.
Inquire for More Quantity


Product
Brand
Articles
Tools







