VO1400AEFTR:60v,pinout, datasheet and circuit
SSR, MOSFET, 60V, 100mA
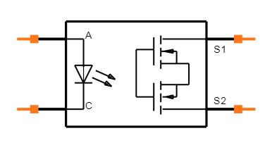
The VO1400AEF is an optically isolated 1 form A solid-state relay in a surface mount 4 pin SOP package. This passage is going to introduce VO1400AEF from the perspectives of description, CAD models, and datasheet.
VO1400AEFTR Description
The VO1400AEFTR is a 1-pole optically isolated Solid-state Relay (SSR), surface mount, 1 form-A contact configuration, 1500VRMS isolation test voltage, TTL/CMOS compatible input.
VO1400AEFTR Feature
• Maximum RON 5 Ω
• Load voltage 60 V
• Load current 100 mA
• Isolation test voltage 3750 VRMS
• Small 4 pin SOP package
• Clean bounce-free switching
• TTL / CMOS compatible input
• High-reliability hybrid receptor
• Available on tape and reel
VO1400AEFTR CAD Models
Symbol

Footprint

3D Models

VO1400AEFTR Application
1. Automotive
Advanced driver assistance systems (ADAS)/Body electronics & lighting/Hybrid, electric & powertrain systems/Infotainment & cluster
2. Communications equipment
Broadband fixed-line access/Datacom module/Wired networking/Wireless infrastructure
3. Enterprise systems
Datacenter & enterprise computing/Enterprise machine/Enterprise projectors
VO1400AEFTR Manufacturer
Felix Zandman, a Polish-born businessman, founded Vishay Intertechnology, Inc., an American manufacturer of discrete semiconductors and passive electronic components. Vishay manufactures rectifiers, diodes, MOSFETs, optoelectronics, selected integrated circuits, resistors, capacitors, and inductors in Israel, Asia, Europe, and the Americas. In 2018, Vishay Intertechnology's revenue was $3.035 billion. Vishay Intertechnology had approximately 24,100 full-time employees as of December 31, 2018.
Vishay is a leading manufacturer of power MOSFETs in the world.
Power electronic applications include portable information appliances, internet communications infrastructure, power integrated circuits, cell phones, and notebook computers.
VO1400AEFTR Package Dimensions


SOP-4
Specifications
- TypeParameter
- Factory Lead Time6 Weeks
- Contact Plating
Contact plating (finish) provides corrosion protection for base metals and optimizes the mechanical and electrical properties of the contact interfaces.
Tin - Mount
In electronic components, the term "Mount" typically refers to the method or process of physically attaching or fixing a component onto a circuit board or other electronic device. This can involve soldering, adhesive bonding, or other techniques to secure the component in place. The mounting process is crucial for ensuring proper electrical connections and mechanical stability within the electronic system. Different components may have specific mounting requirements based on their size, shape, and function, and manufacturers provide guidelines for proper mounting procedures to ensure optimal performance and reliability of the electronic device.
PCB, Surface Mount - Mounting Type
The "Mounting Type" in electronic components refers to the method used to attach or connect a component to a circuit board or other substrate, such as through-hole, surface-mount, or panel mount.
Surface Mount - Package / Case
refers to the protective housing that encases an electronic component, providing mechanical support, electrical connections, and thermal management.
4-SOP (0.173, 4.40mm) - Number of Pins4
- Number of Elements1
- Packaging
Semiconductor package is a carrier / shell used to contain and cover one or more semiconductor components or integrated circuits. The material of the shell can be metal, plastic, glass or ceramic.
Tape & Reel (TR) - Published2013
- JESD-609 Code
The "JESD-609 Code" in electronic components refers to a standardized marking code that indicates the lead-free solder composition and finish of electronic components for compliance with environmental regulations.
e3 - Pbfree Code
The "Pbfree Code" parameter in electronic components refers to the code or marking used to indicate that the component is lead-free. Lead (Pb) is a toxic substance that has been widely used in electronic components for many years, but due to environmental concerns, there has been a shift towards lead-free alternatives. The Pbfree Code helps manufacturers and users easily identify components that do not contain lead, ensuring compliance with regulations and promoting environmentally friendly practices. It is important to pay attention to the Pbfree Code when selecting electronic components to ensure they meet the necessary requirements for lead-free applications.
yes - Part Status
Parts can have many statuses as they progress through the configuration, analysis, review, and approval stages.
Active - Moisture Sensitivity Level (MSL)
Moisture Sensitivity Level (MSL) is a standardized rating that indicates the susceptibility of electronic components, particularly semiconductors, to moisture-induced damage during storage and the soldering process, defining the allowable exposure time to ambient conditions before they require special handling or baking to prevent failures
1 (Unlimited) - Termination
Termination in electronic components refers to the practice of matching the impedance of a circuit to prevent signal reflections and ensure maximum power transfer. It involves the use of resistors or other components at the end of transmission lines or connections. Proper termination is crucial in high-frequency applications to maintain signal integrity and reduce noise.
Gull Wing - ECCN Code
An ECCN (Export Control Classification Number) is an alphanumeric code used by the U.S. Bureau of Industry and Security to identify and categorize electronic components and other dual-use items that may require an export license based on their technical characteristics and potential for military use.
EAR99 - Resistance
Resistance is a fundamental property of electronic components that measures their opposition to the flow of electric current. It is denoted by the symbol "R" and is measured in ohms (Ω). Resistance is caused by the collisions of electrons with atoms in a material, which generates heat and reduces the flow of current. Components with higher resistance will impede the flow of current more than those with lower resistance. Resistance plays a crucial role in determining the behavior and functionality of electronic circuits, such as limiting current flow, voltage division, and controlling power dissipation.
2.3Ohm - Max Operating Temperature
The Maximum Operating Temperature is the maximum body temperature at which the thermistor is designed to operate for extended periods of time with acceptable stability of its electrical characteristics.
85°C - Min Operating Temperature
The "Min Operating Temperature" parameter in electronic components refers to the lowest temperature at which the component is designed to operate effectively and reliably. This parameter is crucial for ensuring the proper functioning and longevity of the component, as operating below this temperature may lead to performance issues or even damage. Manufacturers specify the minimum operating temperature to provide guidance to users on the environmental conditions in which the component can safely operate. It is important to adhere to this parameter to prevent malfunctions and ensure the overall reliability of the electronic system.
-40°C - Additional Feature
Any Feature, including a modified Existing Feature, that is not an Existing Feature.
UL RECOGNIZED - Max Power Dissipation
The maximum power that the MOSFET can dissipate continuously under the specified thermal conditions.
120mW - Depth
In electronic components, "Depth" typically refers to the measurement of the distance from the front to the back of the component. It is an important parameter to consider when designing or selecting components for a project, as it determines how much space the component will occupy within a circuit or device. The depth of a component can impact the overall size and layout of the circuit board or enclosure in which it will be installed. It is usually specified in millimeters or inches and is crucial for ensuring proper fit and functionality within the intended application.
4.39mm - Termination Style
"Termination style" in electronic components refers to the method used to connect the component to a circuit board or other electronic devices. It determines how the component's leads or terminals are designed for soldering or mounting onto the circuit board. Common termination styles include through-hole, surface mount, and wire lead terminations.Through-hole components have leads that are inserted through holes in the circuit board and soldered on the other side. Surface mount components have flat terminals that are soldered directly onto the surface of the circuit board. Wire lead terminations involve attaching wires to the component for connection.The choice of termination style depends on factors such as the type of component, the manufacturing process, and the space available on the circuit board. Different termination styles offer various advantages in terms of ease of assembly, reliability, and space efficiency in electronic designs.
Gull Wing - Number of Contacts1
- Output Voltage
Output voltage is a crucial parameter in electronic components that refers to the voltage level produced by the component as a result of its operation. It represents the electrical potential difference between the output terminal of the component and a reference point, typically ground. The output voltage is a key factor in determining the performance and functionality of the component, as it dictates the level of voltage that will be delivered to the connected circuit or load. It is often specified in datasheets and technical specifications to ensure compatibility and proper functioning within a given system.
60V - Output Type
The "Output Type" parameter in electronic components refers to the type of signal or data that is produced by the component as an output. This parameter specifies the nature of the output signal, such as analog or digital, and can also include details about the voltage levels, current levels, frequency, and other characteristics of the output signal. Understanding the output type of a component is crucial for ensuring compatibility with other components in a circuit or system, as well as for determining how the output signal can be utilized or processed further. In summary, the output type parameter provides essential information about the nature of the signal that is generated by the electronic component as its output.
AC, DC - Max Output Current
The maximum current that can be supplied to the load.
100mA - Circuit
The parameter "Circuit" in electronic components refers to the interconnected arrangement of various electronic elements such as resistors, capacitors, inductors, and active devices like transistors. It defines the path through which electric current flows and establishes the operational behavior of the components within that system. Circuits can be classified as analog or digital, depending on the type of signals they handle, and can vary in complexity from simple series or parallel configurations to intricate designs used in advanced applications.
SPST-NO (1 Form A) - Output Current
The rated output current is the maximum load current that a power supply can provide at a specified ambient temperature. A power supply can never provide more current that it's rated output current unless there is a fault, such as short circuit at the load.
100mA - Throw Configuration
"Throw Configuration" is a term commonly used in the context of switches and relays in electronic components. It refers to the number of positions or states that the switch or relay can be set to. For example, a single-throw (ST) configuration means the switch has only one position, while a double-throw (DT) configuration means the switch has two positions.The throw configuration is important because it determines the versatility and functionality of the switch or relay. Different applications may require different throw configurations to control the flow of current or signals effectively. Understanding the throw configuration of a component is crucial for proper installation and operation within an electronic circuit.
SPST - Input Type
Input type in electronic components refers to the classification of the signal or data that a component can accept for processing or conversion. It indicates whether the input is analog, digital, or a specific format such as TTL or CMOS. Understanding input type is crucial for ensuring compatibility between different electronic devices and circuits, as it determines how signals are interpreted and interacted with.
DC - Optoelectronic Device Type
Optoelectronic Device Type refers to the classification of electronic components that can both detect and emit light. These devices convert electrical signals into light or vice versa, making them essential for applications such as optical communication, sensing, and display technologies. Common types of optoelectronic devices include light-emitting diodes (LEDs), photodiodes, phototransistors, and laser diodes. Understanding the optoelectronic device type is crucial for selecting the appropriate component for a specific application based on factors such as wavelength, power output, and sensitivity.
TRANSISTOR OUTPUT SSR - Forward Current
Current which flows upon application of forward voltage.
1mA - Max Output Voltage
The maximum output voltage refers to the dynamic area beyond which the output is saturated in the positive or negative direction, and is limited according to the load resistance value.
60V - Max Input Voltage
Max Input Voltage refers to the maximum voltage level that an electronic component can safely handle without getting damaged. This parameter is crucial for ensuring the proper functioning and longevity of the component. Exceeding the specified maximum input voltage can lead to overheating, electrical breakdown, or permanent damage to the component. It is important to carefully adhere to the manufacturer's guidelines regarding the maximum input voltage to prevent any potential issues and maintain the reliability of the electronic device.
1.4V - Relay Type
In electronic components, the parameter "Relay Type" refers to the specific classification or categorization of a relay based on its design, functionality, and application. Relays are electromechanical devices that are used to control the switching of circuits by opening or closing contacts in response to an electrical signal. The relay type typically indicates the specific characteristics of the relay, such as its switching mechanism (e.g., electromagnetic, solid-state), contact configuration (e.g., SPST, DPDT), operating voltage, current rating, and intended use (e.g., power relays, signal relays, automotive relays). Understanding the relay type is important for selecting the right relay for a particular application to ensure proper functionality and reliability.
Relay - Forward Voltage
the amount of voltage needed to get current to flow across a diode.
1.4V - Voltage - Load
Voltage - Load refers to the voltage across a load component in an electronic circuit when it is connected and operational. It represents the electrical potential difference that drives current through the load, which can be a resistor, motor, or other devices that consume electrical power. The voltage - load relationship is crucial for determining how much power the load will utilize and how it will affect the overall circuit performance. Properly managing voltage - load is essential for ensuring devices operate efficiently and safely within their specified limits.
0V~60V - On-State Resistance (Max)
The "On-State Resistance (Max)" parameter in electronic components refers to the maximum resistance exhibited by the component when it is in the fully conducting state. This resistance is typically measured when the component is carrying the maximum specified current. A lower on-state resistance indicates better conductivity and efficiency of the component when it is in the on-state. It is an important parameter to consider when selecting components for applications where low power dissipation and high efficiency are critical factors.
5Ohm - Max Input Current
Max Input Current is a parameter that specifies the maximum amount of electrical current that can safely flow into an electronic component without causing damage. It is an important consideration when designing or using electronic circuits to ensure that the component operates within its specified limits. Exceeding the maximum input current can lead to overheating, component failure, or even pose safety risks. Manufacturers provide this parameter in datasheets to help engineers and users understand the limitations of the component and ensure proper operation within the specified parameters.
50mA - Max Forward Surge Current (Ifsm)
Max Forward Surge Current (Ifsm) is a parameter used to specify the maximum peak current that a diode or other electronic component can withstand for a short duration during a surge event. Surge currents can occur due to sudden changes in voltage or power supply fluctuations, and the Ifsm rating helps determine the component's ability to handle such transient overloads without being damaged. It is important to consider the Ifsm rating when selecting components for applications where surge currents are expected, such as in power supplies, motor drives, and other high-power circuits. Exceeding the Ifsm rating can lead to overheating, degradation, or failure of the component, so it is crucial to ensure that the chosen component can safely handle the expected surge currents in the circuit.
50mA - Input Current
Input current is a parameter that refers to the amount of electrical current flowing into a specific electronic component or device. It is typically measured in amperes (A) and represents the current required for the component to operate properly. Understanding the input current is important for designing circuits and power supplies, as it helps determine the capacity and compatibility of the components being used. Monitoring the input current also helps ensure that the component is not being overloaded or underpowered, which can affect its performance and longevity.
50mA - Isolation Voltage
Isolation voltage refers to a test of the ability of an insulator to minimize the flow of electric current with a high applied voltage.
1.5kV - Ambient Temperature Range High
This varies from person to person, but it is somewhere between 68 and 77 degrees F on average. The temperature setting that is comfortable for an individual may fluctuate with humidity and outside temperature as well. The temperature of an air conditioned room can also be considered ambient temperature.
85°C - Control Current
Control current is a parameter in electronic components that refers to the amount of current required to activate or control the operation of the component. It is the minimum current needed to trigger a specific function or behavior within the component. Control current is crucial in determining the efficiency and reliability of the component, as insufficient or excessive control current can lead to malfunctions or damage. Engineers and designers must carefully consider the control current specifications when selecting and using electronic components to ensure proper functionality and performance.
0.0003A - On-State Resistance
On-State Resistance, often denoted as Rds(on), refers to the resistance offered by a semiconductor device, such as a MOSFET or a diode, when it is in the "on" state and conducting current. This parameter is critical in determining the efficiency of the component, as lower on-state resistance results in reduced power loss and heat generation during operation. It is typically measured in ohms and can vary based on the specific device characteristics, current level, and temperature.
5Ohm - Height2.42mm
- Length4.7mm
- REACH SVHC
The parameter "REACH SVHC" in electronic components refers to the compliance with the Registration, Evaluation, Authorization, and Restriction of Chemicals (REACH) regulation regarding Substances of Very High Concern (SVHC). SVHCs are substances that may have serious effects on human health or the environment, and their use is regulated under REACH to ensure their safe handling and minimize their impact.Manufacturers of electronic components need to declare if their products contain any SVHCs above a certain threshold concentration and provide information on the safe use of these substances. This information allows customers to make informed decisions about the potential risks associated with using the components and take appropriate measures to mitigate any hazards.Ensuring compliance with REACH SVHC requirements is essential for electronics manufacturers to meet regulatory standards, protect human health and the environment, and maintain transparency in their supply chain. It also demonstrates a commitment to sustainability and responsible manufacturing practices in the electronics industry.
Unknown - Radiation Hardening
Radiation hardening is the process of making electronic components and circuits resistant to damage or malfunction caused by high levels of ionizing radiation, especially for environments in outer space (especially beyond the low Earth orbit), around nuclear reactors and particle accelerators, or during nuclear accidents or nuclear warfare.
No - RoHS Status
RoHS means “Restriction of Certain Hazardous Substances” in the “Hazardous Substances Directive” in electrical and electronic equipment.
ROHS3 Compliant - Lead Free
Lead Free is a term used to describe electronic components that do not contain lead as part of their composition. Lead is a toxic material that can have harmful effects on human health and the environment, so the electronics industry has been moving towards lead-free components to reduce these risks. Lead-free components are typically made using alternative materials such as silver, copper, and tin. Manufacturers must comply with regulations such as the Restriction of Hazardous Substances (RoHS) directive to ensure that their products are lead-free and environmentally friendly.
Lead Free
Trend Analysis
Datasheet PDF
- Datasheets :
- RohsStatement :
- Mfg CAD Models :
- Simulation Models :
Parts with Similar Specs
- ImagePart NumberManufacturerThrow ConfigurationMax Output VoltageOutput VoltageMax Input VoltageOn-State ResistanceOn-State Resistance (Max)Isolation VoltageRadiation HardeningView Compare
VO1400AEFTR
SPST
60 V
60 V
1.4 V
5 Ω
5 Ω
1.5 kV
No
SPST
400 V
400 V
1.5 V
-
35 Ω
1.5 kV
No
SPST
60 V
60 V
1.4 V
16 Ω
16 Ohms
1.5 kV
No
SPST
60 V
60 V
1.4 V
16 Ω
16 Ohms
1.5 kV
No
SPST
100 V
-
1.4 V
-
16 Ohms
1.5 kV
No
What’s the handling and storage conditions of VO1400AEFTR?
ESD level: HBM class 2 Floor life: unlimited Conditions: Tamb < 30 °C, RH < 85 % Moisture sensitivity level 1, according to J-STD-020
Where does VO1400AEFTR made by?
VO1400AEFTR is made by an American manufacturer of discrete semiconductors and passive electronic components--Vishay Intertechnology.
Can VO1400AEFTR be operated in the temperature of 100℃?
No, its suitable operating temperature is between -40℃ and +85℃.
What’s the dimensions of VO1400AEFTR ?
Length:4.92mm/Width:4.57mm/Height:2.12mm
How many pins does VO1400AEFTR have?
4pins.
Introduction to Microchip PIC24EP64GP20429 February 202486
DHT11 vs DHT22: Datasheet, Pinout, and Features12 January 20224742
BF245 Transistors: Replacement, Pinout and Datasheet02 September 202115721
Arduino VS Raspberry pi[Video]: How to differentiate them?20 April 20224978
ADF4351 Synthesizer: Datasheet, Pinout and Alternatives24 August 20218291
How to Use MQ4 Gas Sensor?10 November 202110936
ATSAMD21G18 Microcontroller: Datasheet, Pinout and Applications24 August 20217040
What you need to know about TPA3110 Bluetooth Audio Power Amplifier Board26 April 202216757
GenAI Boosts Semiconductor Market with First Revenue Increase in Five Quarters25 March 20243789
Basic Introduction to Photocell09 April 202514293
What is ToF Technology?22 January 20213199
Introduction to STM32 Microcontrollers12 March 202123797
SiC Power Conversion Devices at High Ambient Temperatures14 March 20232596
LED Driver: Function, Types, and Application01 September 202012818
Semiconductor Industry Techniques Revolutionize Battery Manufacturing06 November 20232041
Global Semiconductor Market Expected to Shrink by 4.1 Percent in 202322 February 20232370
Vishay Semiconductor Opto Division
In Stock
United States
China
Canada
Japan
Russia
Germany
United Kingdom
Singapore
Italy
Hong Kong(China)
Taiwan(China)
France
Korea
Mexico
Netherlands
Malaysia
Austria
Spain
Switzerland
Poland
Thailand
Vietnam
India
United Arab Emirates
Afghanistan
Åland Islands
Albania
Algeria
American Samoa
Andorra
Angola
Anguilla
Antigua & Barbuda
Argentina
Armenia
Aruba
Australia
Azerbaijan
Bahamas
Bahrain
Bangladesh
Barbados
Belarus
Belgium
Belize
Benin
Bermuda
Bhutan
Bolivia
Bonaire, Sint Eustatius and Saba
Bosnia & Herzegovina
Botswana
Brazil
British Indian Ocean Territory
British Virgin Islands
Brunei
Bulgaria
Burkina Faso
Burundi
Cabo Verde
Cambodia
Cameroon
Cayman Islands
Central African Republic
Chad
Chile
Christmas Island
Cocos (Keeling) Islands
Colombia
Comoros
Congo
Congo (DRC)
Cook Islands
Costa Rica
Côte d’Ivoire
Croatia
Cuba
Curaçao
Cyprus
Czechia
Denmark
Djibouti
Dominica
Dominican Republic
Ecuador
Egypt
El Salvador
Equatorial Guinea
Eritrea
Estonia
Eswatini
Ethiopia
Falkland Islands
Faroe Islands
Fiji
Finland
French Guiana
French Polynesia
Gabon
Gambia
Georgia
Ghana
Gibraltar
Greece
Greenland
Grenada
Guadeloupe
Guam
Guatemala
Guernsey
Guinea
Guinea-Bissau
Guyana
Haiti
Honduras
Hungary
Iceland
Indonesia
Iran
Iraq
Ireland
Isle of Man
Israel
Jamaica
Jersey
Jordan
Kazakhstan
Kenya
Kiribati
Kosovo
Kuwait
Kyrgyzstan
Laos
Latvia
Lebanon
Lesotho
Liberia
Libya
Liechtenstein
Lithuania
Luxembourg
Macao(China)
Madagascar
Malawi
Maldives
Mali
Malta
Marshall Islands
Martinique
Mauritania
Mauritius
Mayotte
Micronesia
Moldova
Monaco
Mongolia
Montenegro
Montserrat
Morocco
Mozambique
Myanmar
Namibia
Nauru
Nepal
New Caledonia
New Zealand
Nicaragua
Niger
Nigeria
Niue
Norfolk Island
North Korea
North Macedonia
Northern Mariana Islands
Norway
Oman
Pakistan
Palau
Palestinian Authority
Panama
Papua New Guinea
Paraguay
Peru
Philippines
Pitcairn Islands
Portugal
Puerto Rico
Qatar
Réunion
Romania
Rwanda
Samoa
San Marino
São Tomé & Príncipe
Saudi Arabia
Senegal
Serbia
Seychelles
Sierra Leone
Sint Maarten
Slovakia
Slovenia
Solomon Islands
Somalia
South Africa
South Sudan
Sri Lanka
St Helena, Ascension, Tristan da Cunha
St. Barthélemy
St. Kitts & Nevis
St. Lucia
St. Martin
St. Pierre & Miquelon
St. Vincent & Grenadines
Sudan
Suriname
Svalbard & Jan Mayen
Sweden
Syria
Tajikistan
Tanzania
Timor-Leste
Togo
Tokelau
Tonga
Trinidad & Tobago
Tunisia
Turkey
Turkmenistan
Turks & Caicos Islands
Tuvalu
U.S. Outlying Islands
U.S. Virgin Islands
Uganda
Ukraine
Uruguay
Uzbekistan
Vanuatu
Vatican City
Venezuela
Wallis & Futuna
Yemen
Zambia
Zimbabwe


Product
Brand
Articles
Tools










