PMDXB950UPE 20 V dual P-channel Trench MOSFET[FAQ]
PMDXB950UPE datasheet pdf and Transistors - FETs, MOSFETs - Arrays product details from Nexperia stock available at Utmel









PMDXB950UPE is a dual P-channel enhancement mode Field-Effect Transistor. This article is going to talk about the features, applications, and more detailed information about PMDXB950UPE.
Overview of PMDXB950UPE
PMDXB950UPE Dual P-channel enhancement mode Field-Effect Transistor (FET) in a leadless ultra small DFN1010B-6 (SOT1216) Surface-Mounted Device (SMD) plastic package using Trench MOSFET technology.
PMDXB950UPE Features
Trench MOSFET technology
Leadless ultra-small and ultra-thin SMD plastic package: 1.1 × 1.0 × 0.37 mm
Exposed drain pad for excellent thermal conduction
ElectroStatic Discharge (ESD) protection > 1 kV HBM
Drain-source on-state resistance RDSon = 1.02 Ω
PMDXB950UPE Parameters
| Type Designator: PMDXB950UPE |
| Type of Transistor: MOSFET |
| Type of Control Channel: P -Channel |
| Maximum Power Dissipation (Pd): 0.265 W |
| Maximum Drain-Source Voltage |Vds|: 20 V |
| Maximum Gate-Source Voltage |Vgs|: 8 V |
| Maximum Gate-Threshold Voltage |Vgs(th)|: 0.95 V |
| Maximum Drain Current |Id|: 0.5 A |
| Maximum Junction Temperature (Tj): 150 °C |
| Total Gate Charge (Qg): 1.19 NC |
| Rise Time (tr): 5 nS |
| Drain-Source Capacitance (Cd): 14 pF |
| Maximum Drain-Source On-State Resistance (Rds): 1.4 Ohm |
| Package: DFN1010B-6 |
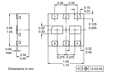
PMDXB950UPE Pinout

PMDXB950UPE Pinout
PMDXB950UPE CAD Model

PMDXB950UPE Symbol

PMDXB950UPE Footprint
Specifications
- TypeParameter
- JESD-609 Code
The "JESD-609 Code" in electronic components refers to a standardized marking code that indicates the lead-free solder composition and finish of electronic components for compliance with environmental regulations.
e3 - Moisture Sensitivity Level (MSL)
Moisture Sensitivity Level (MSL) is a standardized rating that indicates the susceptibility of electronic components, particularly semiconductors, to moisture-induced damage during storage and the soldering process, defining the allowable exposure time to ambient conditions before they require special handling or baking to prevent failures
1 (Unlimited) - Terminal Finish
Terminal Finish refers to the surface treatment applied to the terminals or leads of electronic components to enhance their performance and longevity. It can improve solderability, corrosion resistance, and overall reliability of the connection in electronic assemblies. Common finishes include nickel, gold, and tin, each possessing distinct properties suitable for various applications. The choice of terminal finish can significantly impact the durability and effectiveness of electronic devices.
Tin (Sn) - Reach Compliance Code
Reach Compliance Code refers to a designation indicating that electronic components meet the requirements set by the Registration, Evaluation, Authorization, and Restriction of Chemicals (REACH) regulation in the European Union. It signifies that the manufacturer has assessed and managed the chemical substances within the components to ensure safety and environmental protection. This code is vital for compliance with regulations aimed at minimizing risks associated with hazardous substances in electronic products.
compliant - RoHS Status
RoHS means “Restriction of Certain Hazardous Substances” in the “Hazardous Substances Directive” in electrical and electronic equipment.
RoHS Compliant
PMDXB950UPE Marking

PMDXB950UPE Marking
PMDXB950UPE Soldering

PMDXB950UPE Soldering
PMDXB950UPE Applications
Relay driver
High-speed line driver
High-side load switch
Switching circuits
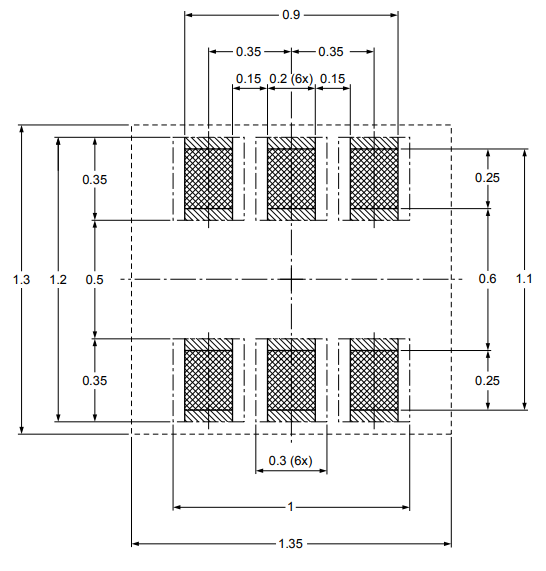
PMDXB950UPE Package information

PMDXB950UPE Package information
PMDXB950UPE Manufacturer
Nexperia is a focused global leader in the fields of discretes, logic, and MOSFETs. At the start of 2017, this new company became self-sufficient. Nexperia focuses on efficiency and manufactures a high amount of dependably dependable semiconductor components: 85 billion per year. The company's comprehensive portfolio fulfills the Automotive industry's strict standards. And their industry-leading compact packages, which are built in-house, combine power and thermal efficiency with best-in-class quality. Nexperia has 11,000 personnel spread across Asia, Europe, and the United States, supporting customers all over the world.
Popularity by Region
What’ s the Maximum Power Dissipation of PMDXB950UPE?
0.265 W.
What’s the Maximum Drain-Source Voltage of PMDXB950UPE?
20 V.
What’s the Rise Time of PMDXB950UPE?
5 nS.
What’s the Maximum Drain Current of PMDXB950UPE?
0.5A.
STM32G030F6P6: Overview, Features, Applications19 October 20233644
SN74LVC1G14DCKR: Overview, Features, and Applications13 December 2023744
DS18B20 1-Wire Digital Thermometer:Pinout, Datasheet, and Applications17 April 20258196
A940 PNP Transistor: 2SA940 150V 1.5A Power Transistor, TO-220 and Equivalents19 January 20227438
SB330 Schottky Barrier Rectifier: Package, Pinout, and Datasheet18 April 20221407
Unveiling the Texas Instruments MSP430F20x Microcontroller Series: A Comprehensive Analysis29 February 2024198
NE555P Timer/Oscillator 100KHZ 8-DIP: Datasheet, Pinout, Equivalents, and NE555N VS NE555P26 January 20249576
STMicroelectronics STM32L010K4T6 Datasheet Overview and Technical Insights11 June 2025321
New Technology Helps Detect and Prevent Automated Browsing13 November 20232555
A Combo for Innovation: Open Source and Crowdfunding15 November 20195356
Understanding SiC MOSFET Power Modules and Ensuring its Short-Circuit Safety15 March 20244171
What is an Accelerometer Sensor?20 April 202112347
What is a 18650 Lithium Battery?15 December 20218623
Power Converter with Inbuilt Charging technology using WBG Devices18 January 20242546
Comparing Popular Jumper Wires for Electronics Projects10 July 20252127
Memory ICs: Types, Applications & Selection (2025)30 April 20253810
Nexperia
In Stock
United States
China
Canada
Japan
Russia
Germany
United Kingdom
Singapore
Italy
Hong Kong(China)
Taiwan(China)
France
Korea
Mexico
Netherlands
Malaysia
Austria
Spain
Switzerland
Poland
Thailand
Vietnam
India
United Arab Emirates
Afghanistan
Åland Islands
Albania
Algeria
American Samoa
Andorra
Angola
Anguilla
Antigua & Barbuda
Argentina
Armenia
Aruba
Australia
Azerbaijan
Bahamas
Bahrain
Bangladesh
Barbados
Belarus
Belgium
Belize
Benin
Bermuda
Bhutan
Bolivia
Bonaire, Sint Eustatius and Saba
Bosnia & Herzegovina
Botswana
Brazil
British Indian Ocean Territory
British Virgin Islands
Brunei
Bulgaria
Burkina Faso
Burundi
Cabo Verde
Cambodia
Cameroon
Cayman Islands
Central African Republic
Chad
Chile
Christmas Island
Cocos (Keeling) Islands
Colombia
Comoros
Congo
Congo (DRC)
Cook Islands
Costa Rica
Côte d’Ivoire
Croatia
Cuba
Curaçao
Cyprus
Czechia
Denmark
Djibouti
Dominica
Dominican Republic
Ecuador
Egypt
El Salvador
Equatorial Guinea
Eritrea
Estonia
Eswatini
Ethiopia
Falkland Islands
Faroe Islands
Fiji
Finland
French Guiana
French Polynesia
Gabon
Gambia
Georgia
Ghana
Gibraltar
Greece
Greenland
Grenada
Guadeloupe
Guam
Guatemala
Guernsey
Guinea
Guinea-Bissau
Guyana
Haiti
Honduras
Hungary
Iceland
Indonesia
Iran
Iraq
Ireland
Isle of Man
Israel
Jamaica
Jersey
Jordan
Kazakhstan
Kenya
Kiribati
Kosovo
Kuwait
Kyrgyzstan
Laos
Latvia
Lebanon
Lesotho
Liberia
Libya
Liechtenstein
Lithuania
Luxembourg
Macao(China)
Madagascar
Malawi
Maldives
Mali
Malta
Marshall Islands
Martinique
Mauritania
Mauritius
Mayotte
Micronesia
Moldova
Monaco
Mongolia
Montenegro
Montserrat
Morocco
Mozambique
Myanmar
Namibia
Nauru
Nepal
New Caledonia
New Zealand
Nicaragua
Niger
Nigeria
Niue
Norfolk Island
North Korea
North Macedonia
Northern Mariana Islands
Norway
Oman
Pakistan
Palau
Palestinian Authority
Panama
Papua New Guinea
Paraguay
Peru
Philippines
Pitcairn Islands
Portugal
Puerto Rico
Qatar
Réunion
Romania
Rwanda
Samoa
San Marino
São Tomé & Príncipe
Saudi Arabia
Senegal
Serbia
Seychelles
Sierra Leone
Sint Maarten
Slovakia
Slovenia
Solomon Islands
Somalia
South Africa
South Sudan
Sri Lanka
St Helena, Ascension, Tristan da Cunha
St. Barthélemy
St. Kitts & Nevis
St. Lucia
St. Martin
St. Pierre & Miquelon
St. Vincent & Grenadines
Sudan
Suriname
Svalbard & Jan Mayen
Sweden
Syria
Tajikistan
Tanzania
Timor-Leste
Togo
Tokelau
Tonga
Trinidad & Tobago
Tunisia
Turkey
Turkmenistan
Turks & Caicos Islands
Tuvalu
U.S. Outlying Islands
U.S. Virgin Islands
Uganda
Ukraine
Uruguay
Uzbekistan
Vanuatu
Vatican City
Venezuela
Wallis & Futuna
Yemen
Zambia
Zimbabwe


Product
Brand
Articles
Tools



