RS-1205S Regulated Converter: Pinout, Features, Circuit
DC DC CONVERTER 5V 2W
RS-1205S is DC to DC regulated converter. This article mainly covers its pinout, features, circuit and details about RS-1205S.
RS-1205S Description
RS-1205S is DC to DC regulated converter with high power-density, an industrial temperature range of -40°C to +85°C and extra features like Remote-On-Off- control are just some of the characteristics of this converter, ideal for highly sophisticated industrial designs.
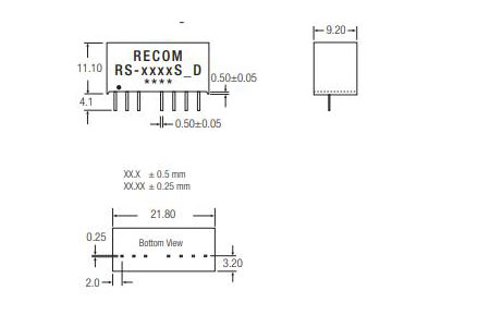
RS-1205S Pinout


RS-1205S CAD Model
Symbol

Footprint

3D Model

RS-1205S Features
● 2:1 and 4:1 Wide Input Voltage Ranges
● 1kVDC, 2kVDC & 3kVDC Isolation
● UL94V-0 Package Material
● Continuous Short Circuit Protection
● Low Noise
● No External Capacitor needed
● Efficiency to 83 %
Specifications
- TypeParameter
- Factory Lead Time9 Weeks
- Mount
In electronic components, the term "Mount" typically refers to the method or process of physically attaching or fixing a component onto a circuit board or other electronic device. This can involve soldering, adhesive bonding, or other techniques to secure the component in place. The mounting process is crucial for ensuring proper electrical connections and mechanical stability within the electronic system. Different components may have specific mounting requirements based on their size, shape, and function, and manufacturers provide guidelines for proper mounting procedures to ensure optimal performance and reliability of the electronic device.
PCB, Through Hole - Mounting Type
The "Mounting Type" in electronic components refers to the method used to attach or connect a component to a circuit board or other substrate, such as through-hole, surface-mount, or panel mount.
Through Hole - Package / Case
refers to the protective housing that encases an electronic component, providing mechanical support, electrical connections, and thermal management.
8-SIP Module, 7 Leads - Number of Pins7
- Weight4.7g
- Operating Temperature
The operating temperature is the range of ambient temperature within which a power supply, or any other electrical equipment, operate in. This ranges from a minimum operating temperature, to a peak or maximum operating temperature, outside which, the power supply may fail.
-45°C~85°C - Packaging
Semiconductor package is a carrier / shell used to contain and cover one or more semiconductor components or integrated circuits. The material of the shell can be metal, plastic, glass or ceramic.
Tube - Series
In electronic components, the "Series" refers to a group of products that share similar characteristics, designs, or functionalities, often produced by the same manufacturer. These components within a series typically have common specifications but may vary in terms of voltage, power, or packaging to meet different application needs. The series name helps identify and differentiate between various product lines within a manufacturer's catalog.
ECONOLINE RS (2W) - Size / Dimension
In electronic components, the parameter "Size / Dimension" refers to the physical dimensions of the component, such as its length, width, and height. These dimensions are crucial for determining how the component will fit into a circuit or system, as well as for ensuring compatibility with other components and the overall design requirements. The size of a component can also impact its performance characteristics, thermal properties, and overall functionality within a given application. Engineers and designers must carefully consider the size and dimensions of electronic components to ensure proper integration and functionality within their designs.
0.86Lx0.36W x 0.44 H 21.8mmx9.2mmx11.1mm - Pbfree Code
The "Pbfree Code" parameter in electronic components refers to the code or marking used to indicate that the component is lead-free. Lead (Pb) is a toxic substance that has been widely used in electronic components for many years, but due to environmental concerns, there has been a shift towards lead-free alternatives. The Pbfree Code helps manufacturers and users easily identify components that do not contain lead, ensuring compliance with regulations and promoting environmentally friendly practices. It is important to pay attention to the Pbfree Code when selecting electronic components to ensure they meet the necessary requirements for lead-free applications.
yes - Part Status
Parts can have many statuses as they progress through the configuration, analysis, review, and approval stages.
Active - Moisture Sensitivity Level (MSL)
Moisture Sensitivity Level (MSL) is a standardized rating that indicates the susceptibility of electronic components, particularly semiconductors, to moisture-induced damage during storage and the soldering process, defining the allowable exposure time to ambient conditions before they require special handling or baking to prevent failures
1 (Unlimited) - Number of Terminations7
- ECCN Code
An ECCN (Export Control Classification Number) is an alphanumeric code used by the U.S. Bureau of Industry and Security to identify and categorize electronic components and other dual-use items that may require an export license based on their technical characteristics and potential for military use.
EAR99 - TypeIsolated Module
- Applications
The parameter "Applications" in electronic components refers to the specific uses or functions for which a component is designed. It encompasses various fields such as consumer electronics, industrial automation, telecommunications, automotive, and medical devices. Understanding the applications helps in selecting the right components for a particular design based on performance, reliability, and compatibility requirements. This parameter also guides manufacturers in targeting their products to relevant markets and customer needs.
ITE (Commercial) - Power Rating
The "Power Rating" of an electronic component refers to the maximum amount of power that the component can handle or dissipate without being damaged. It is typically measured in watts and is an important specification to consider when designing or selecting components for a circuit. Exceeding the power rating of a component can lead to overheating, malfunction, or even permanent damage. It is crucial to ensure that the power rating of each component in a circuit is sufficient to handle the power levels expected during normal operation to maintain the reliability and longevity of the electronic system.
2W - Max Power Dissipation
The maximum power that the MOSFET can dissipate continuously under the specified thermal conditions.
2W - Terminal Position
In electronic components, the term "Terminal Position" refers to the physical location of the connection points on the component where external electrical connections can be made. These connection points, known as terminals, are typically used to attach wires, leads, or other components to the main body of the electronic component. The terminal position is important for ensuring proper connectivity and functionality of the component within a circuit. It is often specified in technical datasheets or component specifications to help designers and engineers understand how to properly integrate the component into their circuit designs.
SINGLE - Peak Reflow Temperature (Cel)
Peak Reflow Temperature (Cel) is a parameter that specifies the maximum temperature at which an electronic component can be exposed during the reflow soldering process. Reflow soldering is a common method used to attach electronic components to a circuit board. The Peak Reflow Temperature is crucial because it ensures that the component is not damaged or degraded during the soldering process. Exceeding the specified Peak Reflow Temperature can lead to issues such as component failure, reduced performance, or even permanent damage to the component. It is important for manufacturers and assemblers to adhere to the recommended Peak Reflow Temperature to ensure the reliability and functionality of the electronic components.
NOT SPECIFIED - Number of Functions1
- Terminal Pitch
The center distance from one pole to the next.
2.54mm - Depth
In electronic components, "Depth" typically refers to the measurement of the distance from the front to the back of the component. It is an important parameter to consider when designing or selecting components for a project, as it determines how much space the component will occupy within a circuit or device. The depth of a component can impact the overall size and layout of the circuit board or enclosure in which it will be installed. It is usually specified in millimeters or inches and is crucial for ensuring proper fit and functionality within the intended application.
21.8mm - Time@Peak Reflow Temperature-Max (s)
Time@Peak Reflow Temperature-Max (s) refers to the maximum duration that an electronic component can be exposed to the peak reflow temperature during the soldering process, which is crucial for ensuring reliable solder joint formation without damaging the component.
NOT SPECIFIED - Pin Count
a count of all of the component leads (or pins)
8/7 - Number of Outputs1
- Efficiency
Efficiency in electronic components refers to the ratio of useful output energy or power to the input energy or power. It is a measure of how effectively a component converts input energy into output energy without wasting any energy in the process. Higher efficiency indicates that the component is more effective in performing its intended function while minimizing energy losses. Efficiency is an important parameter in electronic components such as power supplies, amplifiers, and motors, as it directly impacts the overall performance and energy consumption of the system. Manufacturers often specify the efficiency rating of their components to help users understand how efficiently the component operates under different conditions.
75% - Voltage - Isolation
Voltage - Isolation is a parameter in electronic components that refers to the maximum voltage that can be safely applied between two isolated points without causing electrical breakdown or leakage. It is a crucial specification for components such as transformers, optocouplers, and capacitors that require isolation to prevent electrical interference or safety hazards. The voltage isolation rating ensures that the component can withstand the specified voltage without compromising its performance or safety. It is typically measured in volts and is an important consideration when designing circuits that require isolation between different parts of the system.
1kV - Output Voltage
Output voltage is a crucial parameter in electronic components that refers to the voltage level produced by the component as a result of its operation. It represents the electrical potential difference between the output terminal of the component and a reference point, typically ground. The output voltage is a key factor in determining the performance and functionality of the component, as it dictates the level of voltage that will be delivered to the connected circuit or load. It is often specified in datasheets and technical specifications to ensure compatibility and proper functioning within a given system.
5V - Max Output Current
The maximum current that can be supplied to the load.
400mA - Input Voltage-Nom
Input Voltage-Nom refers to the nominal or rated input voltage that an electronic component or device is designed to operate within. This parameter specifies the voltage level at which the component is expected to function optimally and safely. It is important to ensure that the actual input voltage supplied to the component does not exceed this nominal value to prevent damage or malfunction. Manufacturers provide this specification to guide users in selecting the appropriate power supply or input voltage source for the component. It is a critical parameter to consider when designing or using electronic circuits to ensure reliable performance and longevity of the component.
12V - Trim/Adjustable Output
Trim or adjustable output refers to the ability of an electronic component, such as a voltage regulator or power supply, to produce an output voltage that can be finely tuned or adjusted to meet specific requirements. This feature allows for precise control over the output voltage level, accommodating variations in load conditions or desired operational parameters. Users can typically achieve this adjustment through external resistors, potentiometers, or internal calibration mechanisms, ensuring optimal performance in diverse applications.
NO - Output Current
The rated output current is the maximum load current that a power supply can provide at a specified ambient temperature. A power supply can never provide more current that it's rated output current unless there is a fault, such as short circuit at the load.
400mA - Output Power
That power available at a specified output of a device under specified conditions of operation.
2W - Control Features
Control features in electronic components refer to specific functionalities or characteristics that allow users to manage and regulate the operation of the component. These features are designed to provide users with control over various aspects of the component's performance, such as adjusting settings, monitoring parameters, or enabling specific modes of operation. Control features can include options for input/output configurations, power management, communication protocols, and other settings that help users customize and optimize the component's behavior according to their requirements. Overall, control features play a crucial role in enhancing the flexibility, usability, and performance of electronic components in various applications.
Enable, Active Low - Max Output Voltage
The maximum output voltage refers to the dynamic area beyond which the output is saturated in the positive or negative direction, and is limited according to the load resistance value.
5V - Current - Output 1
Current - Output 1 is a parameter commonly found in electronic components, particularly in datasheets for devices such as integrated circuits or power supplies. This parameter refers to the maximum amount of current that can be sourced or sunk by the output pin or terminal labeled as "Output 1" on the component. It is important to understand this parameter as it indicates the capability of the component to deliver or handle current at that specific output. Exceeding the specified current limit may lead to overheating, damage to the component, or malfunctioning of the circuit in which it is used. It is crucial to consider this parameter when designing circuits to ensure proper operation and reliability of the electronic system.
400mA - Nominal Input Voltage
The actual voltage at which a circuit operates can vary from the nominal voltage within a range that permits satisfactory operation of equipment. The word “nominal” means “named”.
12V - Max Output Power
The maximum output power = the maximum output current × the rated output voltage
2W - Isolation
Isolation in electronic components refers to the ability of a component to prevent the flow of electrical current between two points that are at different potentials. It is crucial for ensuring safety and preventing electrical hazards in electronic circuits. Isolation can be achieved through various methods such as using insulating materials, physical barriers, or optical isolation techniques. Proper isolation helps to protect sensitive components and circuits from damage due to voltage spikes, noise, or short circuits. It is particularly important in high-voltage applications and when dealing with components that are connected to different power sources.
Isolated - Nominal Output Voltage
Nominal Output Voltage refers to the specified or intended voltage level that an electronic component or device is designed to provide as output under normal operating conditions. It is a crucial parameter that indicates the expected voltage level that the component will deliver to the connected circuit or load. This value is typically specified by the manufacturer and is important for ensuring proper functionality and compatibility within a system. It is important to note that the actual output voltage may vary slightly due to factors such as load variations, temperature changes, and other environmental conditions.
5V - Max Input Voltage (DC)
The parameter "Max Input Voltage (DC)" refers to the maximum direct current (DC) voltage that an electronic component can safely handle without being damaged. This specification is crucial for ensuring the proper functioning and longevity of the component in a circuit. Exceeding the maximum input voltage can lead to overheating, breakdown of internal components, or even permanent damage. It is important to carefully adhere to this specification when designing or using electronic circuits to prevent any potential risks or failures. Always refer to the component's datasheet for the specific Max Input Voltage (DC) value and follow the manufacturer's guidelines for safe operation.
18V - Min Input Voltage (DC)
Min Input Voltage (DC) refers to the minimum direct current (DC) voltage that an electronic component or device requires to operate properly. This parameter is crucial for ensuring that the component receives enough power to function within its specified operating range. If the input voltage falls below the minimum threshold, the component may not function correctly or may not operate at all. It is important to adhere to the specified minimum input voltage to prevent damage to the component and ensure reliable performance.
9V - Features
In the context of electronic components, the term "Features" typically refers to the specific characteristics or functionalities that a particular component offers. These features can vary depending on the type of component and its intended use. For example, a microcontroller may have features such as built-in memory, analog-to-digital converters, and communication interfaces like UART or SPI.When evaluating electronic components, understanding their features is crucial in determining whether they meet the requirements of a particular project or application. Engineers and designers often look at features such as operating voltage, speed, power consumption, and communication protocols to ensure compatibility and optimal performance.In summary, the "Features" parameter in electronic components describes the unique attributes and capabilities that differentiate one component from another, helping users make informed decisions when selecting components for their electronic designs.
Remote On/Off, SCP - Height11.1mm
- Width9.2mm
- REACH SVHC
The parameter "REACH SVHC" in electronic components refers to the compliance with the Registration, Evaluation, Authorization, and Restriction of Chemicals (REACH) regulation regarding Substances of Very High Concern (SVHC). SVHCs are substances that may have serious effects on human health or the environment, and their use is regulated under REACH to ensure their safe handling and minimize their impact.Manufacturers of electronic components need to declare if their products contain any SVHCs above a certain threshold concentration and provide information on the safe use of these substances. This information allows customers to make informed decisions about the potential risks associated with using the components and take appropriate measures to mitigate any hazards.Ensuring compliance with REACH SVHC requirements is essential for electronics manufacturers to meet regulatory standards, protect human health and the environment, and maintain transparency in their supply chain. It also demonstrates a commitment to sustainability and responsible manufacturing practices in the electronics industry.
No SVHC - RoHS Status
RoHS means “Restriction of Certain Hazardous Substances” in the “Hazardous Substances Directive” in electrical and electronic equipment.
ROHS3 Compliant - Lead Free
Lead Free is a term used to describe electronic components that do not contain lead as part of their composition. Lead is a toxic material that can have harmful effects on human health and the environment, so the electronics industry has been moving towards lead-free components to reduce these risks. Lead-free components are typically made using alternative materials such as silver, copper, and tin. Manufacturers must comply with regulations such as the Restriction of Hazardous Substances (RoHS) directive to ensure that their products are lead-free and environmentally friendly.
Lead Free
RS-1205S Application Circuit
TTL Remote CTRL Circuit

Isolated Remote CTRL Circuit

RS-1205S Package

RS-1205S Manufacturer
When it comes to power conversion, RECOM Power's attentiveness to customers'needs and wishes is reflected in the framework that shapes their business. Over the past decade, millions have been invested in product development, growing their quality assurance lab, and expanding the scope of worldwide distribution activities.
Datasheet PDF
- Datasheets :
RS-1205S-Recom-Power-datasheet-133925178.pdf
RS-1205S-Recom-Power-datasheet-12513993.pdf
RS-1205S-Recom-Power-datasheet-12955454.pdf
RS-1205S-Recom-Power-datasheet-62055688.pdf
RS-1205S-Recom-Power-datasheet-102651606.pdf
RS-1205S-Recom-Power-datasheet-16809363.pdf
RS-1205S-Recom-Power-datasheet-9594466.pdf
Popularity by Region
What about Rs-1205S dimension?
0.86 L x 0.36 W x 0.44 H (21.8mm x 9.2mm x 11.1mm).
What is Rs-1205S's feature?
Remote On/Off, SCP.
How many pins does Rs-1205S have?
7.
IRF4905 P-Channel MOSFET: Datasheet pdf, Pinout and Equivalents13 December 202118482
A General Introduction to TPS40140RHHT Synchronous Buck Controller23 April 2022873
2N3440 NPN transistor: Datasheet, Equivalent and Pinout08 November 20213815
MCP4151 Dual SPI Digital POT: Pinout, Equivalent and Datasheet31 December 20213764
TIP31C Power Transistor: Pinout, Datasheet, and Specification03 July 20218402
DB3 DIAC 36V 0.05mA 2-Pin DO-35[video]: Datasheet, Features, and Applications11 March 20227714
LM7824 Voltage Regulator: 24V Voltage Regulator, Datasheet, Equivalent, Circuit19 January 20229844
MSP430F21x1 Series: Ultra-Low Power Mixed Signal Microcontrollers28 February 2024141
The Ultimate Guide to Microchip MCUs: From Selection to Real-World Applications13 September 20251259
Audio Transformer-Types, Functions and Working05 January 202614737
What are Avalanche Diodes?02 April 202013260
Google Co-releases SayCan Model for Bots to Give Sensible Answers30 August 20223706
How to Use an External Hard Drive?24 June 20219047
Introduction to Graphics Processing Unit (GPU)26 January 20213402
Introduction to Tantalum Capacitors16 October 202512386
Aluminum Electrolytic Capacitor Basis: Definition, Characteristics and Life03 March 20226234
Recom Power
In Stock
United States
China
Canada
Japan
Russia
Germany
United Kingdom
Singapore
Italy
Hong Kong(China)
Taiwan(China)
France
Korea
Mexico
Netherlands
Malaysia
Austria
Spain
Switzerland
Poland
Thailand
Vietnam
India
United Arab Emirates
Afghanistan
Åland Islands
Albania
Algeria
American Samoa
Andorra
Angola
Anguilla
Antigua & Barbuda
Argentina
Armenia
Aruba
Australia
Azerbaijan
Bahamas
Bahrain
Bangladesh
Barbados
Belarus
Belgium
Belize
Benin
Bermuda
Bhutan
Bolivia
Bonaire, Sint Eustatius and Saba
Bosnia & Herzegovina
Botswana
Brazil
British Indian Ocean Territory
British Virgin Islands
Brunei
Bulgaria
Burkina Faso
Burundi
Cabo Verde
Cambodia
Cameroon
Cayman Islands
Central African Republic
Chad
Chile
Christmas Island
Cocos (Keeling) Islands
Colombia
Comoros
Congo
Congo (DRC)
Cook Islands
Costa Rica
Côte d’Ivoire
Croatia
Cuba
Curaçao
Cyprus
Czechia
Denmark
Djibouti
Dominica
Dominican Republic
Ecuador
Egypt
El Salvador
Equatorial Guinea
Eritrea
Estonia
Eswatini
Ethiopia
Falkland Islands
Faroe Islands
Fiji
Finland
French Guiana
French Polynesia
Gabon
Gambia
Georgia
Ghana
Gibraltar
Greece
Greenland
Grenada
Guadeloupe
Guam
Guatemala
Guernsey
Guinea
Guinea-Bissau
Guyana
Haiti
Honduras
Hungary
Iceland
Indonesia
Iran
Iraq
Ireland
Isle of Man
Israel
Jamaica
Jersey
Jordan
Kazakhstan
Kenya
Kiribati
Kosovo
Kuwait
Kyrgyzstan
Laos
Latvia
Lebanon
Lesotho
Liberia
Libya
Liechtenstein
Lithuania
Luxembourg
Macao(China)
Madagascar
Malawi
Maldives
Mali
Malta
Marshall Islands
Martinique
Mauritania
Mauritius
Mayotte
Micronesia
Moldova
Monaco
Mongolia
Montenegro
Montserrat
Morocco
Mozambique
Myanmar
Namibia
Nauru
Nepal
New Caledonia
New Zealand
Nicaragua
Niger
Nigeria
Niue
Norfolk Island
North Korea
North Macedonia
Northern Mariana Islands
Norway
Oman
Pakistan
Palau
Palestinian Authority
Panama
Papua New Guinea
Paraguay
Peru
Philippines
Pitcairn Islands
Portugal
Puerto Rico
Qatar
Réunion
Romania
Rwanda
Samoa
San Marino
São Tomé & Príncipe
Saudi Arabia
Senegal
Serbia
Seychelles
Sierra Leone
Sint Maarten
Slovakia
Slovenia
Solomon Islands
Somalia
South Africa
South Sudan
Sri Lanka
St Helena, Ascension, Tristan da Cunha
St. Barthélemy
St. Kitts & Nevis
St. Lucia
St. Martin
St. Pierre & Miquelon
St. Vincent & Grenadines
Sudan
Suriname
Svalbard & Jan Mayen
Sweden
Syria
Tajikistan
Tanzania
Timor-Leste
Togo
Tokelau
Tonga
Trinidad & Tobago
Tunisia
Turkey
Turkmenistan
Turks & Caicos Islands
Tuvalu
U.S. Outlying Islands
U.S. Virgin Islands
Uganda
Ukraine
Uruguay
Uzbekistan
Vanuatu
Vatican City
Venezuela
Wallis & Futuna
Yemen
Zambia
Zimbabwe


Product
Brand
Articles
Tools

















