SN65HVD1781DR Transceiver: Circuit, RS-485
8 Terminations 5V 8 Pin 65HVD1781 Receivers 1 Bits 1/1 Drivers/Receivers 1 Functions









8 Terminations 5V 8 Pin 65HVD1781 Receivers 1 Bits 1/1 Drivers/Receivers 1 Functions
The SN65HVD1781DR devices are half-duplex RS-485 transceivers with three speed classes that can transmit data at 115 kbps, 1 Mbps, and 10 Mbps. Check out more details of the component.

Reliable SN65HVD1781DR Supplier and SN65HVD1781DR Distributor in China - Rantle East Electronic
- SN65HVD1781DR Transceiver: Circuit, RS-485
- SN65HVD1781DR Pinout
- SN65HVD1781DR CAD Model
- SN65HVD1781DR Features
- SN65HVD1781DR Functional Block Diagram
- SN65HVD1781DR Recommended Operating Conditions
- SN65HVD1781DR Equivalents
- Specifications
- SN65HVD1781DR Applications
- SN65HVD1781DR Typical Application Circuit
- SN65HVD1781DR Package
- SN65HVD1781DR Manufacturer
- Trend Analysis
- Parts with Similar Specs
SN65HVD1781DR Transceiver: Circuit, RS-485
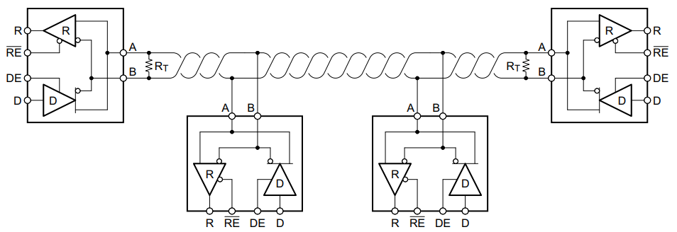
The SN65HVD1781DR devices are half-duplex RS-485 transceivers with three speed classes that can transmit data at 115 kbps, 1 Mbps, and 10 Mbps. These devices have a broad common-mode operating range as well as bus-pin fault prevention up to 70 V. Each device has an active-HIGH driver and an active-LOW receiver. Disabling both the driver and the receiver results in a standby current of less than 1 A.
SN65HVD1781DR Pinout

SN65HVD1781DR CAD Model
Symbol

Footprint

3D Model

SN65HVD1781DR Features
• Bus-Pin Fault Protection to:
– > ±70 V (SN65HVD1780, SN65HVD1781)
– > ±30 V (SN65HVD1782)
• Operation With 3.3-V to 5-V Supply Range
• ±16-kV HBM Protection on Bus Pins
• Reduced Unit Load for Up to 320 Nodes
• Failsafe Receiver for Open-Circuit, Short-Circuit, and Idle-Bus Conditions
• Low Power Consumption
– Low Standby Supply Current, 1 µA Maximum
– ICC 4-mA Quiescent Current During Operation
• Pin-Compatible With Industry-Standard SN75176
• Signaling Rates of 115 kbps, 1 Mbps, and up to 10 Mbps
• Create a Custom Design using the SN65HVD178x with the WEBENCH® Power Designer
SN65HVD1781DR Functional Block Diagram

SN65HVD1781DR Recommended Operating Conditions
| MIN | NOM | MAX | UNIT | |||
| VCC | Supply voltage | 3.15 | 5 | 5.5 | V | |
| Vi | Input voltage at any bus terminal (separately or common mode)(1) | -7 | 12 | V | ||
| Vih | High-level input voltage (driver, driver enable, and receiver enable inputs) | 2 | VCC | V | ||
| V|L | Low-level input voltage (driver, driver enable, and receiver enable inputs) | 0 | 0.8 | V | ||
| VID | Differential input voltage | -12 | 12 | V | ||
| Output current, driver | -60 | 60 | mA | |||
| IO | Output current, receiver | -8 | 8 | mA | ||
| Rl | Differential load resistance | 54 | 60 | Q | ||
| CL | Differential load capacitance | 50 | pF | |||
| SN65HVD1780 | 115 | kbps | ||||
| 1/tui | Signaling rate | SN65HVD1781 | 1 | Mbps | ||
| SN65HVD1782 | 10 | |||||
| Ta | Operating free-air temperature (See Power | 5-V supply | -40 | 105 | °C | |
| Dissipation Characteristics) | 3.3-V supply | -40 | 125 | |||
| Tj | Junction temperature | -40 | 150 | °C | ||
SN65HVD1781DR Equivalents
| Part Number | Description | Manufacturer |
| SN65HVD1786DRDRIVERS AND INTERFACES | 70-V Fault-Protected RS-485 with -20 to +25 common mode 8-SOIC -40 to 105 | Texas Instruments |
| ISL32435EIBZDRIVERS AND INTERFACES | ±40V Fault Protected, 3.3V to 5V, ±15V CMR, 1Mbps Half-Duplex RS-485/RS-422, ±15kV ESD; MSOP8, SOIC8; Temp Range: -40° to 85°C | Intersil Corporation |
| ISL32435EIUZDRIVERS AND INTERFACES | ±40V Fault Protected, 3.3V to 5V, ±15V CMR, 1Mbps Half-Duplex RS-485/RS-422, ±15kV ESD | Renesas Electronics Corporation |
| SN65HVD1786DDRIVERS AND INTERFACES | 70-V Fault-Protected RS-485 with -20 to +25 common mode 8-SOIC -40 to 105 | Texas Instruments |
| ILX3485DTDRIVERS AND INTERFACES | Line Transceiver, | IKSemicon Co Ltd |
| ISL32435EIBZ-T7DRIVERS AND INTERFACES | LINE TRANSCEIVER | Intersil Corporation |
| ISL32435EIUZ-TDRIVERS AND INTERFACES | ±40V Fault Protected, 3.3V to 5V, ±15V CMR, 1Mbps Half-Duplex RS-485/RS-422, ±15kV ESD; MSOP8, SOIC8; Temp Range: -40° to 85°C | Intersil Corporation |
| ILX3485DDRIVERS AND INTERFACES | Line Transceiver, | IKSemicon Co Ltd |
| ISL32435EIBZ-T7ADRIVERS AND INTERFACES | ±40V Fault Protected, 3.3V to 5V, ±15V CMR, 1Mbps Half-Duplex RS-485/RS-422, ±15kV ESD; MSOP8, SOIC8; Temp Range: -40° to 85°C | Intersil Corporation |
| SN65HVD1781DDRIVERS AND INTERFACES | 70-V Fault-Protected RS-485 Transceivers 8-SOIC -40 to 125 | Texas Instruments |
Specifications
- TypeParameter
- Lifecycle Status
Lifecycle Status refers to the current stage of an electronic component in its product life cycle, indicating whether it is active, obsolete, or transitioning between these states. An active status means the component is in production and available for purchase. An obsolete status indicates that the component is no longer being manufactured or supported, and manufacturers typically provide a limited time frame for support. Understanding the lifecycle status is crucial for design engineers to ensure continuity and reliability in their projects.
ACTIVE (Last Updated: 1 day ago) - Factory Lead Time6 Weeks
- Mount
In electronic components, the term "Mount" typically refers to the method or process of physically attaching or fixing a component onto a circuit board or other electronic device. This can involve soldering, adhesive bonding, or other techniques to secure the component in place. The mounting process is crucial for ensuring proper electrical connections and mechanical stability within the electronic system. Different components may have specific mounting requirements based on their size, shape, and function, and manufacturers provide guidelines for proper mounting procedures to ensure optimal performance and reliability of the electronic device.
Surface Mount - Mounting Type
The "Mounting Type" in electronic components refers to the method used to attach or connect a component to a circuit board or other substrate, such as through-hole, surface-mount, or panel mount.
Surface Mount - Package / Case
refers to the protective housing that encases an electronic component, providing mechanical support, electrical connections, and thermal management.
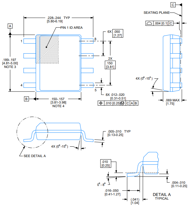
8-SOIC (0.154, 3.90mm Width) - Number of Pins8
- Weight75.891673mg
- Operating Temperature
The operating temperature is the range of ambient temperature within which a power supply, or any other electrical equipment, operate in. This ranges from a minimum operating temperature, to a peak or maximum operating temperature, outside which, the power supply may fail.
-40°C~125°C - Packaging
Semiconductor package is a carrier / shell used to contain and cover one or more semiconductor components or integrated circuits. The material of the shell can be metal, plastic, glass or ceramic.
Tape & Reel (TR) - JESD-609 Code
The "JESD-609 Code" in electronic components refers to a standardized marking code that indicates the lead-free solder composition and finish of electronic components for compliance with environmental regulations.
e4 - Pbfree Code
The "Pbfree Code" parameter in electronic components refers to the code or marking used to indicate that the component is lead-free. Lead (Pb) is a toxic substance that has been widely used in electronic components for many years, but due to environmental concerns, there has been a shift towards lead-free alternatives. The Pbfree Code helps manufacturers and users easily identify components that do not contain lead, ensuring compliance with regulations and promoting environmentally friendly practices. It is important to pay attention to the Pbfree Code when selecting electronic components to ensure they meet the necessary requirements for lead-free applications.
yes - Part Status
Parts can have many statuses as they progress through the configuration, analysis, review, and approval stages.
Active - Moisture Sensitivity Level (MSL)
Moisture Sensitivity Level (MSL) is a standardized rating that indicates the susceptibility of electronic components, particularly semiconductors, to moisture-induced damage during storage and the soldering process, defining the allowable exposure time to ambient conditions before they require special handling or baking to prevent failures
1 (Unlimited) - Number of Terminations8
- ECCN Code
An ECCN (Export Control Classification Number) is an alphanumeric code used by the U.S. Bureau of Industry and Security to identify and categorize electronic components and other dual-use items that may require an export license based on their technical characteristics and potential for military use.
EAR99 - TypeTransceiver
- Terminal Finish
Terminal Finish refers to the surface treatment applied to the terminals or leads of electronic components to enhance their performance and longevity. It can improve solderability, corrosion resistance, and overall reliability of the connection in electronic assemblies. Common finishes include nickel, gold, and tin, each possessing distinct properties suitable for various applications. The choice of terminal finish can significantly impact the durability and effectiveness of electronic devices.
Nickel/Palladium/Gold (Ni/Pd/Au) - Max Power Dissipation
The maximum power that the MOSFET can dissipate continuously under the specified thermal conditions.
905mW - Voltage - Supply
Voltage - Supply refers to the range of voltage levels that an electronic component or circuit is designed to operate with. It indicates the minimum and maximum supply voltage that can be applied for the device to function properly. Providing supply voltages outside this range can lead to malfunction, damage, or reduced performance. This parameter is critical for ensuring compatibility between different components in a circuit.
3.15V~5.5V - Terminal Position
In electronic components, the term "Terminal Position" refers to the physical location of the connection points on the component where external electrical connections can be made. These connection points, known as terminals, are typically used to attach wires, leads, or other components to the main body of the electronic component. The terminal position is important for ensuring proper connectivity and functionality of the component within a circuit. It is often specified in technical datasheets or component specifications to help designers and engineers understand how to properly integrate the component into their circuit designs.
DUAL - Terminal Form
Occurring at or forming the end of a series, succession, or the like; closing; concluding.
GULL WING - Peak Reflow Temperature (Cel)
Peak Reflow Temperature (Cel) is a parameter that specifies the maximum temperature at which an electronic component can be exposed during the reflow soldering process. Reflow soldering is a common method used to attach electronic components to a circuit board. The Peak Reflow Temperature is crucial because it ensures that the component is not damaged or degraded during the soldering process. Exceeding the specified Peak Reflow Temperature can lead to issues such as component failure, reduced performance, or even permanent damage to the component. It is important for manufacturers and assemblers to adhere to the recommended Peak Reflow Temperature to ensure the reliability and functionality of the electronic components.
260 - Number of Functions1
- Supply Voltage
Supply voltage refers to the electrical potential difference provided to an electronic component or circuit. It is crucial for the proper operation of devices, as it powers their functions and determines performance characteristics. The supply voltage must be within specified limits to ensure reliability and prevent damage to components. Different electronic devices have specific supply voltage requirements, which can vary widely depending on their design and intended application.
5V - Time@Peak Reflow Temperature-Max (s)
Time@Peak Reflow Temperature-Max (s) refers to the maximum duration that an electronic component can be exposed to the peak reflow temperature during the soldering process, which is crucial for ensuring reliable solder joint formation without damaging the component.
NOT SPECIFIED - Base Part Number
The "Base Part Number" (BPN) in electronic components serves a similar purpose to the "Base Product Number." It refers to the primary identifier for a component that captures the essential characteristics shared by a group of similar components. The BPN provides a fundamental way to reference a family or series of components without specifying all the variations and specific details.
65HVD1781 - Pin Count
a count of all of the component leads (or pins)
8 - Qualification Status
An indicator of formal certification of qualifications.
Not Qualified - Output Voltage
Output voltage is a crucial parameter in electronic components that refers to the voltage level produced by the component as a result of its operation. It represents the electrical potential difference between the output terminal of the component and a reference point, typically ground. The output voltage is a key factor in determining the performance and functionality of the component, as it dictates the level of voltage that will be delivered to the connected circuit or load. It is often specified in datasheets and technical specifications to ensure compatibility and proper functioning within a given system.
2.75V - Operating Supply Voltage
The voltage level by which an electrical system is designated and to which certain operating characteristics of the system are related.
5V - Interface
In electronic components, the term "Interface" refers to the point at which two different systems, devices, or components connect and interact with each other. It can involve physical connections such as ports, connectors, or cables, as well as communication protocols and standards that facilitate the exchange of data or signals between the connected entities. The interface serves as a bridge that enables seamless communication and interoperability between different parts of a system or between different systems altogether. Designing a reliable and efficient interface is crucial in ensuring proper functionality and performance of electronic components and systems.
RS-422, RS-485 - Operating Supply Current
Operating Supply Current, also known as supply current or quiescent current, is a crucial parameter in electronic components that indicates the amount of current required for the device to operate under normal conditions. It represents the current drawn by the component from the power supply while it is functioning. This parameter is important for determining the power consumption of the component and is typically specified in datasheets to help designers calculate the overall power requirements of their circuits. Understanding the operating supply current is essential for ensuring proper functionality and efficiency of electronic systems.
6mA - Nominal Supply Current
Nominal current is the same as the rated current. It is the current drawn by the motor while delivering rated mechanical output at its shaft.
6mA - Propagation Delay
the flight time of packets over the transmission link and is limited by the speed of light.
200 ns - Data Rate
Data Rate is defined as the amount of data transmitted during a specified time period over a network. It is the speed at which data is transferred from one device to another or between a peripheral device and the computer. It is generally measured in Mega bits per second(Mbps) or Mega bytes per second(MBps).
1Mbps - Output Characteristics
Output characteristics in electronic components refer to the relationship between the output voltage and output current across a range of input conditions. This parameter is essential for understanding how a device, such as a transistor or operational amplifier, behaves under various loads and operating points. It provides insights into the efficiency, performance, and limitations of the component, helping designers to make informed choices for circuits and applications.
DIFFERENTIAL - Differential Output
a differential output voltage in electronics is the difference between the values of two AC voltages, 180° out of phase, present at the output terminals of an amplifier when you apply a differential input voltage to the input terminals of an amplifier.
YES - Output Polarity
Output polarity in electronic components refers to the orientation of the output signal in relation to the ground or reference voltage. It indicates whether the output voltage is positive or negative with respect to the ground. Positive output polarity means the signal is higher than the ground potential, while negative output polarity signifies that the signal is lower than the ground. This characteristic is crucial for determining compatibility with other components in a circuit and ensuring proper signal processing.
DIFFERENTIAL - Protocol
In electronic components, the parameter "Protocol" refers to a set of rules and standards that govern the communication between devices. It defines the format, timing, sequencing, and error checking methods for data exchange between different components or systems. Protocols ensure that devices can understand and interpret data correctly, enabling them to communicate effectively with each other. Common examples of protocols in electronics include USB, Ethernet, SPI, I2C, and Bluetooth, each with its own specifications for data transmission. Understanding and adhering to protocols is essential for ensuring compatibility and reliable communication between electronic devices.
RS422, RS485 - Input Characteristics
In electronic components, "Input Characteristics" refer to the set of specifications that describe how the component behaves in response to signals or inputs applied to it. These characteristics typically include parameters such as input voltage, input current, input impedance, input capacitance, and input frequency range. Understanding the input characteristics of a component is crucial for designing circuits and systems, as it helps ensure compatibility and proper functioning. By analyzing these parameters, engineers can determine how the component will interact with the signals it receives and make informed decisions about its use in a particular application.
DIFFERENTIAL SCHMITT TRIGGER - Number of Drivers/Receivers1/1
- Driver Number of Bits1
- Receiver Number of Bits1
- Duplex
In the context of electronic components, "Duplex" refers to a type of communication system that allows for bidirectional data flow. It enables two devices to communicate with each other simultaneously, allowing for both sending and receiving of data at the same time. Duplex communication can be further categorized into two types: half-duplex, where data can be transmitted in both directions but not at the same time, and full-duplex, where data can be sent and received simultaneously. This parameter is crucial in networking and telecommunications systems to ensure efficient and effective data transmission between devices.
Half - Receiver Hysteresis
Receiver hysteresis is?commonly used to ensure glitch-free reception even when differential noise is present. This application report compares the noise immunity of the SN65HVD37 to similar devices available from competitors. Contents.
50mV - Number of Transceivers1
- Simplex/Duplex
In electronic components, the parameter "Simplex/Duplex" refers to the type of communication or data transmission mode supported by the component. Simplex communication is a one-way communication mode where data flows only in one direction, from the sender to the receiver. This means that the sender can only transmit data, and the receiver can only receive data. On the other hand, duplex communication is a two-way communication mode where data can flow in both directions, allowing for simultaneous transmission and reception of data between two devices. Understanding whether a component supports simplex or duplex communication is important for determining how data will be exchanged between devices and ensuring compatibility in a given system.
Half Duplex - Supply Voltage1-Nom
Supply Voltage1-Nom is a parameter in electronic components that refers to the nominal or rated voltage level at which the component is designed to operate optimally. This parameter specifies the voltage level that the component requires to function correctly and efficiently. It is important to ensure that the actual supply voltage provided to the component closely matches the specified nominal voltage to prevent damage or malfunction. Deviating significantly from the nominal voltage may result in unreliable performance or even permanent damage to the component. It is crucial to adhere to the specified supply voltage range to ensure the proper functioning and longevity of the electronic component.
5V - Max Junction Temperature (Tj)
Max Junction Temperature (Tj) refers to the maximum allowable temperature at the junction of a semiconductor device, such as a transistor or integrated circuit. It is a critical parameter that influences the performance, reliability, and lifespan of the component. Exceeding this temperature can lead to thermal runaway, breakdown, or permanent damage to the device. Proper thermal management is essential to ensure the junction temperature remains within safe operating limits during device operation.
150°C - Ambient Temperature Range High
This varies from person to person, but it is somewhere between 68 and 77 degrees F on average. The temperature setting that is comfortable for an individual may fluctuate with humidity and outside temperature as well. The temperature of an air conditioned room can also be considered ambient temperature.
125°C - Height1.75mm
- Length4.9mm
- Width3.91mm
- Thickness
Thickness in electronic components refers to the measurement of how thick a particular material or layer is within the component structure. It can pertain to various aspects, such as the thickness of a substrate, a dielectric layer, or conductive traces. This parameter is crucial as it impacts the electrical, mechanical, and thermal properties of the component, influencing its performance and reliability in electronic circuits.
1.58mm - REACH SVHC
The parameter "REACH SVHC" in electronic components refers to the compliance with the Registration, Evaluation, Authorization, and Restriction of Chemicals (REACH) regulation regarding Substances of Very High Concern (SVHC). SVHCs are substances that may have serious effects on human health or the environment, and their use is regulated under REACH to ensure their safe handling and minimize their impact.Manufacturers of electronic components need to declare if their products contain any SVHCs above a certain threshold concentration and provide information on the safe use of these substances. This information allows customers to make informed decisions about the potential risks associated with using the components and take appropriate measures to mitigate any hazards.Ensuring compliance with REACH SVHC requirements is essential for electronics manufacturers to meet regulatory standards, protect human health and the environment, and maintain transparency in their supply chain. It also demonstrates a commitment to sustainability and responsible manufacturing practices in the electronics industry.
No SVHC - RoHS Status
RoHS means “Restriction of Certain Hazardous Substances” in the “Hazardous Substances Directive” in electrical and electronic equipment.
ROHS3 Compliant - Lead Free
Lead Free is a term used to describe electronic components that do not contain lead as part of their composition. Lead is a toxic material that can have harmful effects on human health and the environment, so the electronics industry has been moving towards lead-free components to reduce these risks. Lead-free components are typically made using alternative materials such as silver, copper, and tin. Manufacturers must comply with regulations such as the Restriction of Hazardous Substances (RoHS) directive to ensure that their products are lead-free and environmentally friendly.
Lead Free
SN65HVD1781DR Applications
• HVAC Networks
• Security Electronics
• Building Automation
• Telecommunication Equipment
• Motion Control
• Industrial Networks
SN65HVD1781DR Typical Application Circuit

SN65HVD1781DR Typical Application Circuit
SN65HVD1781DR Package

SN65HVD1781DR Manufacturer
Texas Instruments Incorporated (TI) is an American technology company based in Dallas, Texas, that designs and manufactures semiconductors and various integrated circuits, which it sells to electronics designers and manufacturers globally. It is one of the top 10 semiconductor companies worldwide based on sales volume. The company's focus is on developing analog chips and embedded processors, which account for more than 80% of its revenue. TI also produces TI digital light processing technology and education technology products including calculators, micro-controllers, and multi-core processors. The company boasts 45,000 patents around the globe as of 2016.
Trend Analysis
Parts with Similar Specs
- ImagePart NumberManufacturerPackage / CaseNumber of PinsInterfaceDriver Number of BitsReceiver Number of BitsData RateReceiver HysteresisSimplex/DuplexSupply VoltageView Compare
SN65HVD1781DR
8-SOIC (0.154, 3.90mm Width)
8
RS-422, RS-485
1
1
1Mbps
50mV
Half Duplex
5 V
8-SOIC (0.154, 3.90mm Width)
8
RS-485
1
1
10Mbps
35mV
Half Duplex
5 V
8-SOIC (0.154, 3.90mm Width)
8
RS-485
1
1
1Mbps
35mV
Half Duplex
5 V
8-SOIC (0.154, 3.90mm Width)
8
RS-485
1
1
250kbps
70mV
Half Duplex
5 V
8-SOIC (0.154, 3.90mm Width)
8
RS-485
1
-
1Mbps
30mV
Half Duplex
5 V
What is SN65HVD1781DR?
The SN65HVD1781DR devices are half-duplex RS-485 transceivers with three speed classes that can transmit data at 115 kbps, 1 Mbps, and 10 Mbps. These devices have a broad common-mode operating range as well as bus-pin fault prevention up to 70 V. Each device has an active-HIGH driver and an active-LOW receiver. Disabling both the driver and the receiver results in a standby current of less than 1 A.
What is the recommended operating temperature of the component?
-40°C~125°C.
What is the package of the device?
8-SOIC (0.154, 3.90mm Width).
What is the component’s number of pins?
8.
2N3866 Transistor: Datasheet, Equivalent, Pinout15 November 20217176
max31855 Cold-Junction Converter:Pinout Benefits and Application22 September 20214048
ISO124 Isolation Amplifiers:Pinout, Price and Datasheet PDF28 June 20216682
CD4013BE: Overview, Features, Applications02 November 20232611
MIC2548 Programmable Current-Limit High-Side Switch: Pinout, Equivalent and Datasheet04 March 2022557
CR123A VS. RCR123A: Are They Interchangeable? [FAQ & Video]24 August 202210505
4N25 Optocoupler: Pinout, Circuit and Datasheet06 August 202113611
L7809CV Positive Voltage Regulator ICs: Pinout, Equivalent and Datasheet28 February 20228288
Voltage Supervisor ICs: Solutions for IoT, Automotive, and Industrial Applications04 June 2025988
SIA's Latest Report: Status and Challenges of US Semiconductors22 February 20232993
Analysis of SiP (System in Package)12 January 20228473
RVDT(Rotary Variable Differential Transformer) Basics02 February 202120238
What is a Schmitt Trigger?09 December 20217699
What is Metaverse?09 October 20212814
Solar Inverter: Definition, Types and Costs01 February 20216012
A Comprehensive Guide to FPGA Development Boards11 September 202517570
Texas Instruments
In Stock: 30000
United States
China
Canada
Japan
Russia
Germany
United Kingdom
Singapore
Italy
Hong Kong(China)
Taiwan(China)
France
Korea
Mexico
Netherlands
Malaysia
Austria
Spain
Switzerland
Poland
Thailand
Vietnam
India
United Arab Emirates
Afghanistan
Åland Islands
Albania
Algeria
American Samoa
Andorra
Angola
Anguilla
Antigua & Barbuda
Argentina
Armenia
Aruba
Australia
Azerbaijan
Bahamas
Bahrain
Bangladesh
Barbados
Belarus
Belgium
Belize
Benin
Bermuda
Bhutan
Bolivia
Bonaire, Sint Eustatius and Saba
Bosnia & Herzegovina
Botswana
Brazil
British Indian Ocean Territory
British Virgin Islands
Brunei
Bulgaria
Burkina Faso
Burundi
Cabo Verde
Cambodia
Cameroon
Cayman Islands
Central African Republic
Chad
Chile
Christmas Island
Cocos (Keeling) Islands
Colombia
Comoros
Congo
Congo (DRC)
Cook Islands
Costa Rica
Côte d’Ivoire
Croatia
Cuba
Curaçao
Cyprus
Czechia
Denmark
Djibouti
Dominica
Dominican Republic
Ecuador
Egypt
El Salvador
Equatorial Guinea
Eritrea
Estonia
Eswatini
Ethiopia
Falkland Islands
Faroe Islands
Fiji
Finland
French Guiana
French Polynesia
Gabon
Gambia
Georgia
Ghana
Gibraltar
Greece
Greenland
Grenada
Guadeloupe
Guam
Guatemala
Guernsey
Guinea
Guinea-Bissau
Guyana
Haiti
Honduras
Hungary
Iceland
Indonesia
Iran
Iraq
Ireland
Isle of Man
Israel
Jamaica
Jersey
Jordan
Kazakhstan
Kenya
Kiribati
Kosovo
Kuwait
Kyrgyzstan
Laos
Latvia
Lebanon
Lesotho
Liberia
Libya
Liechtenstein
Lithuania
Luxembourg
Macao(China)
Madagascar
Malawi
Maldives
Mali
Malta
Marshall Islands
Martinique
Mauritania
Mauritius
Mayotte
Micronesia
Moldova
Monaco
Mongolia
Montenegro
Montserrat
Morocco
Mozambique
Myanmar
Namibia
Nauru
Nepal
New Caledonia
New Zealand
Nicaragua
Niger
Nigeria
Niue
Norfolk Island
North Korea
North Macedonia
Northern Mariana Islands
Norway
Oman
Pakistan
Palau
Palestinian Authority
Panama
Papua New Guinea
Paraguay
Peru
Philippines
Pitcairn Islands
Portugal
Puerto Rico
Qatar
Réunion
Romania
Rwanda
Samoa
San Marino
São Tomé & Príncipe
Saudi Arabia
Senegal
Serbia
Seychelles
Sierra Leone
Sint Maarten
Slovakia
Slovenia
Solomon Islands
Somalia
South Africa
South Sudan
Sri Lanka
St Helena, Ascension, Tristan da Cunha
St. Barthélemy
St. Kitts & Nevis
St. Lucia
St. Martin
St. Pierre & Miquelon
St. Vincent & Grenadines
Sudan
Suriname
Svalbard & Jan Mayen
Sweden
Syria
Tajikistan
Tanzania
Timor-Leste
Togo
Tokelau
Tonga
Trinidad & Tobago
Tunisia
Turkey
Turkmenistan
Turks & Caicos Islands
Tuvalu
U.S. Outlying Islands
U.S. Virgin Islands
Uganda
Ukraine
Uruguay
Uzbekistan
Vanuatu
Vatican City
Venezuela
Wallis & Futuna
Yemen
Zambia
Zimbabwe


Product
Brand
Articles
Tools





