STM32F401RET6 Microcontroller: 84MHz, 64-LQFP, Pinout and Datasheet
512KB 512K x 8 FLASH ARM® Cortex®-M4 32-Bit Microcontroller STM32F4 Series STM32F401 64 Pin 84MHz 3.3V 64-LQFP
Unit Price: $2.327488
Ext Price: $2.33









512KB 512K x 8 FLASH ARM® Cortex®-M4 32-Bit Microcontroller STM32F4 Series STM32F401 64 Pin 84MHz 3.3V 64-LQFP
STM32F401RET6 is a 32-bit high-performance microcontroller based on the Arm® Cortex®-M4 processor with FPU and DSP functionality. This article will go into more detail about STM32F401RET6, including pinout, CAD model, block diagram, features, and so on.

Sell STM32F401RET6 of STMicroelectronics
STM32F401RET6 Description
The STM32F401RET6 is based on the high-performance ARM® Cortex® -M4 32-bit RISC core operating at a frequency of up to 84 MHz. Its Cortex®-M4 core features a Floating point unit (FPU) single precision which supports all ARM single-precision data-processing instructions and data types. It also implements a full set of DSP instructions and a memory protection unit (MPU) which enhances application security.
The STM32F401RET6 incorporates high-speed embedded memories (512 Kbytes of Flash memory, 96 Kbytes of SRAM), and an extensive range of enhanced I/Os and peripherals connected to two APB buses, two AHB buses, and a 32-bit multi-AHB bus matrix.
All devices offer one 12-bit ADC, a low-power RTC, six general-purpose 16-bit timers including one PWM timer for motor control, two general-purpose 32-bit timers. They also feature standard and advanced communication interfaces.
• Up to three I2Cs
• Up to four SPIs
• Two full-duplex I2Ss. To achieve audio class accuracy, the I2S peripherals can be clocked via a dedicated internal audio PLL or via an external clock to allow synchronization.
• Three USARTs
• SDIO interface
• USB 2.0 OTG full speed interface
Refer to the peripherals available for each part number.
STM32F401RET6 Pinout

STM32F401RET6 Pinout
STM32F401RET6 CAD Model

STM32F401RET6 Symbol

STM32F401RET6 Footprint

STM32F401RET6 3D Model
STM32F401RET6 Block Diagram

STM32F401RET6 Block Diagram
STM32F401RET6 Power Supply Scheme

STM32F401RET6 Power Supply Scheme
Specifications
- TypeParameter
- Lifecycle Status
Lifecycle Status refers to the current stage of an electronic component in its product life cycle, indicating whether it is active, obsolete, or transitioning between these states. An active status means the component is in production and available for purchase. An obsolete status indicates that the component is no longer being manufactured or supported, and manufacturers typically provide a limited time frame for support. Understanding the lifecycle status is crucial for design engineers to ensure continuity and reliability in their projects.
ACTIVE (Last Updated: 7 months ago) - Factory Lead Time12 Weeks
- Mounting Type
The "Mounting Type" in electronic components refers to the method used to attach or connect a component to a circuit board or other substrate, such as through-hole, surface-mount, or panel mount.
Surface Mount - Package / Case
refers to the protective housing that encases an electronic component, providing mechanical support, electrical connections, and thermal management.
64-LQFP - Surface Mount
having leads that are designed to be soldered on the side of a circuit board that the body of the component is mounted on.
YES - Number of Pins64
- Weight342.689036mg
- Data ConvertersA/D 16x12b
- Number of I/Os50
- Watchdog TimersYes
- Operating Temperature
The operating temperature is the range of ambient temperature within which a power supply, or any other electrical equipment, operate in. This ranges from a minimum operating temperature, to a peak or maximum operating temperature, outside which, the power supply may fail.
-40°C~85°C TA - Packaging
Semiconductor package is a carrier / shell used to contain and cover one or more semiconductor components or integrated circuits. The material of the shell can be metal, plastic, glass or ceramic.
Tray - Series
In electronic components, the "Series" refers to a group of products that share similar characteristics, designs, or functionalities, often produced by the same manufacturer. These components within a series typically have common specifications but may vary in terms of voltage, power, or packaging to meet different application needs. The series name helps identify and differentiate between various product lines within a manufacturer's catalog.
STM32F4 - Part Status
Parts can have many statuses as they progress through the configuration, analysis, review, and approval stages.
Active - Moisture Sensitivity Level (MSL)
Moisture Sensitivity Level (MSL) is a standardized rating that indicates the susceptibility of electronic components, particularly semiconductors, to moisture-induced damage during storage and the soldering process, defining the allowable exposure time to ambient conditions before they require special handling or baking to prevent failures
3 (168 Hours) - Number of Terminations64
- Max Power Dissipation
The maximum power that the MOSFET can dissipate continuously under the specified thermal conditions.
313mW - Terminal Position
In electronic components, the term "Terminal Position" refers to the physical location of the connection points on the component where external electrical connections can be made. These connection points, known as terminals, are typically used to attach wires, leads, or other components to the main body of the electronic component. The terminal position is important for ensuring proper connectivity and functionality of the component within a circuit. It is often specified in technical datasheets or component specifications to help designers and engineers understand how to properly integrate the component into their circuit designs.
QUAD - Terminal Form
Occurring at or forming the end of a series, succession, or the like; closing; concluding.
GULL WING - Supply Voltage
Supply voltage refers to the electrical potential difference provided to an electronic component or circuit. It is crucial for the proper operation of devices, as it powers their functions and determines performance characteristics. The supply voltage must be within specified limits to ensure reliability and prevent damage to components. Different electronic devices have specific supply voltage requirements, which can vary widely depending on their design and intended application.
3.3V - Terminal Pitch
The center distance from one pole to the next.
0.5mm - Frequency
In electronic components, the parameter "Frequency" refers to the rate at which a signal oscillates or cycles within a given period of time. It is typically measured in Hertz (Hz) and represents how many times a signal completes a full cycle in one second. Frequency is a crucial aspect in electronic components as it determines the behavior and performance of various devices such as oscillators, filters, and communication systems. Understanding the frequency characteristics of components is essential for designing and analyzing electronic circuits to ensure proper functionality and compatibility with other components in a system.
84MHz - Base Part Number
The "Base Part Number" (BPN) in electronic components serves a similar purpose to the "Base Product Number." It refers to the primary identifier for a component that captures the essential characteristics shared by a group of similar components. The BPN provides a fundamental way to reference a family or series of components without specifying all the variations and specific details.
STM32F401 - Operating Supply Voltage
The voltage level by which an electrical system is designated and to which certain operating characteristics of the system are related.
3.3V - Interface
In electronic components, the term "Interface" refers to the point at which two different systems, devices, or components connect and interact with each other. It can involve physical connections such as ports, connectors, or cables, as well as communication protocols and standards that facilitate the exchange of data or signals between the connected entities. The interface serves as a bridge that enables seamless communication and interoperability between different parts of a system or between different systems altogether. Designing a reliable and efficient interface is crucial in ensuring proper functionality and performance of electronic components and systems.
I2C, I2S, IrDA, SPI, USART, USB - Memory Size
The memory capacity is the amount of data a device can store at any given time in its memory.
512kB - Oscillator Type
Wien Bridge Oscillator; RC Phase Shift Oscillator; Hartley Oscillator; Voltage Controlled Oscillator; Colpitts Oscillator; Clapp Oscillators; Crystal Oscillators; Armstrong Oscillator.
Internal - RAM Size
RAM size refers to the amount of random access memory (RAM) available in an electronic component, such as a computer or smartphone. RAM is a type of volatile memory that stores data and instructions that are actively being used by the device's processor. The RAM size is typically measured in gigabytes (GB) and determines how much data the device can store and access quickly for processing. A larger RAM size allows for smoother multitasking, faster loading times, and better overall performance of the electronic component. It is an important factor to consider when choosing a device, especially for tasks that require a lot of memory, such as gaming, video editing, or running multiple applications simultaneously.
96K x 8 - Voltage - Supply (Vcc/Vdd)
Voltage - Supply (Vcc/Vdd) is a key parameter in electronic components that specifies the voltage level required for the proper operation of the device. It represents the power supply voltage that needs to be provided to the component for it to function correctly. This parameter is crucial as supplying the component with the correct voltage ensures that it operates within its specified limits and performance characteristics. It is typically expressed in volts (V) and is an essential consideration when designing and using electronic circuits to prevent damage and ensure reliable operation.
1.7V~3.6V - uPs/uCs/Peripheral ICs Type
The parameter "uPs/uCs/Peripheral ICs Type" refers to the classification of various integrated circuits used in electronic devices. It encompasses microprocessors (uPs), microcontrollers (uCs), and peripheral integrated circuits that provide additional functionalities. This classification helps in identifying the specific type of chip used for processing tasks, controlling hardware, or interfacing with other components in a system. Understanding this parameter is essential for selecting the appropriate electronic components for a given application.
MICROCONTROLLER, RISC - Core Processor
The term "Core Processor" typically refers to the central processing unit (CPU) of a computer or electronic device. It is the primary component responsible for executing instructions, performing calculations, and managing data within the system. The core processor is often considered the brain of the device, as it controls the overall operation and functionality. It is crucial for determining the speed and performance capabilities of the device, as well as its ability to handle various tasks and applications efficiently. In modern devices, core processors can have multiple cores, allowing for parallel processing and improved multitasking capabilities.
ARM® Cortex®-M4 - Peripherals
In the context of electronic components, "Peripherals" refer to devices or components that are connected to a main system or device to enhance its functionality or provide additional features. These peripherals can include input devices such as keyboards, mice, and touchscreens, as well as output devices like monitors, printers, and speakers. Other examples of peripherals include external storage devices, network adapters, and cameras. Essentially, peripherals are external devices that expand the capabilities of a main electronic system or device.
Brown-out Detect/Reset, DMA, I2S, POR, PWM, WDT - Program Memory Type
Program memory typically refers to flash memory when it is used to hold the program (instructions). Program memory may also refer to a hard drive or solid state drive (SSD). Contrast with data memory.
FLASH - Core Size
Core size in electronic components refers to the physical dimensions of the core material used in devices such as inductors and transformers. The core size directly impacts the performance characteristics of the component, including its inductance, saturation current, and frequency response. A larger core size typically allows for higher power handling capabilities and lower core losses, while a smaller core size may result in a more compact design but with limitations on power handling and efficiency. Designers must carefully select the core size based on the specific requirements of the application to achieve optimal performance and efficiency.
32-Bit - Program Memory Size
Program Memory Size refers to the amount of memory available in an electronic component, such as a microcontroller or microprocessor, that is used to store program instructions. This memory is non-volatile, meaning that the data stored in it is retained even when the power is turned off. The program memory size determines the maximum amount of code that can be stored and executed by the electronic component. It is an important parameter to consider when selecting a component for a specific application, as insufficient program memory size may limit the functionality or performance of the device.
512KB 512K x 8 - Connectivity
In electronic components, "Connectivity" refers to the ability of a component to establish and maintain connections with other components or devices within a circuit. It is a crucial parameter that determines how easily signals can be transmitted between different parts of a circuit. Connectivity can be influenced by factors such as the number of input and output ports, the type of connectors used, and the overall design of the component. Components with good connectivity are essential for ensuring reliable and efficient operation of electronic systems.
I2C, IrDA, LINbus, SDIO, SPI, UART/USART, USB OTG - Bit Size
In electronic components, "Bit Size" refers to the number of bits that can be processed or stored by a particular component. A bit is the smallest unit of data in computing and can have a value of either 0 or 1. The Bit Size parameter is commonly used to describe the capacity or performance of components such as microprocessors, memory modules, and data buses. A larger Bit Size generally indicates a higher processing capability or storage capacity, allowing for more complex operations and larger amounts of data to be handled efficiently. It is an important specification to consider when selecting electronic components for specific applications that require certain levels of performance and data processing capabilities.
32 - Has ADC
Has ADC refers to the presence of an Analog-to-Digital Converter (ADC) in an electronic component. An ADC is a crucial component in many electronic devices as it converts analog signals, such as voltage or current, into digital data that can be processed by a digital system. Having an ADC allows the electronic component to interface with analog signals and convert them into a format that can be manipulated and analyzed digitally. This parameter is important for applications where analog signals need to be converted into digital form for further processing or control.
YES - DMA Channels
DMA (Direct Memory Access) Channels are a feature found in electronic components such as microcontrollers, microprocessors, and peripheral devices. DMA Channels allow data to be transferred directly between peripherals and memory without involving the CPU, thereby reducing the burden on the CPU and improving overall system performance. Each DMA Channel is typically assigned to a specific peripheral device or memory region, enabling efficient data transfer operations. The number of DMA Channels available in a system determines the concurrent data transfer capabilities and can vary depending on the specific hardware design. Overall, DMA Channels play a crucial role in optimizing data transfer efficiency and system performance in electronic devices.
YES - Data Bus Width
The data bus width in electronic components refers to the number of bits that can be transferred simultaneously between the processor and memory. It determines the amount of data that can be processed and transferred in a single operation. A wider data bus allows for faster data transfer speeds and improved overall performance of the electronic device. Common data bus widths include 8-bit, 16-bit, 32-bit, and 64-bit, with higher numbers indicating a larger capacity for data transfer. The data bus width is an important specification to consider when evaluating the speed and efficiency of a computer system or other electronic device.
32b - Number of Timers/Counters8
- Core Architecture
In electronic components, the term "Core Architecture" refers to the fundamental design and structure of the component's internal circuitry. It encompasses the arrangement of key components, such as processors, memory units, and input/output interfaces, within the device. The core architecture plays a crucial role in determining the component's performance, power efficiency, and overall capabilities. Different core architectures are optimized for specific applications and requirements, such as high-speed processing, low power consumption, or specialized functions. Understanding the core architecture of electronic components is essential for engineers and designers to select the most suitable components for their projects.
ARM - On Chip Program ROM Width
The parameter "On Chip Program ROM Width" refers to the data width of the read-only memory (ROM) implemented on a semiconductor chip. It indicates the number of bits that can be accessed simultaneously in each ROM read operation. A wider ROM width allows for faster data retrieval and processing, as more information can be transferred at once. This parameter is crucial in determining the overall performance and efficiency of electronic devices that utilize programmable ROM for storing firmware or application logic.
8 - Number of A/D Converters1
- Number of ADC Channels12
- Max Junction Temperature (Tj)
Max Junction Temperature (Tj) refers to the maximum allowable temperature at the junction of a semiconductor device, such as a transistor or integrated circuit. It is a critical parameter that influences the performance, reliability, and lifespan of the component. Exceeding this temperature can lead to thermal runaway, breakdown, or permanent damage to the device. Proper thermal management is essential to ensure the junction temperature remains within safe operating limits during device operation.
105°C - Number of PWM Channels23
- Number of I2C Channels3
- Ambient Temperature Range High
This varies from person to person, but it is somewhere between 68 and 77 degrees F on average. The temperature setting that is comfortable for an individual may fluctuate with humidity and outside temperature as well. The temperature of an air conditioned room can also be considered ambient temperature.
85°C - Height1.6mm
- REACH SVHC
The parameter "REACH SVHC" in electronic components refers to the compliance with the Registration, Evaluation, Authorization, and Restriction of Chemicals (REACH) regulation regarding Substances of Very High Concern (SVHC). SVHCs are substances that may have serious effects on human health or the environment, and their use is regulated under REACH to ensure their safe handling and minimize their impact.Manufacturers of electronic components need to declare if their products contain any SVHCs above a certain threshold concentration and provide information on the safe use of these substances. This information allows customers to make informed decisions about the potential risks associated with using the components and take appropriate measures to mitigate any hazards.Ensuring compliance with REACH SVHC requirements is essential for electronics manufacturers to meet regulatory standards, protect human health and the environment, and maintain transparency in their supply chain. It also demonstrates a commitment to sustainability and responsible manufacturing practices in the electronics industry.
No SVHC - Radiation Hardening
Radiation hardening is the process of making electronic components and circuits resistant to damage or malfunction caused by high levels of ionizing radiation, especially for environments in outer space (especially beyond the low Earth orbit), around nuclear reactors and particle accelerators, or during nuclear accidents or nuclear warfare.
No - RoHS Status
RoHS means “Restriction of Certain Hazardous Substances” in the “Hazardous Substances Directive” in electrical and electronic equipment.
ROHS3 Compliant - Lead Free
Lead Free is a term used to describe electronic components that do not contain lead as part of their composition. Lead is a toxic material that can have harmful effects on human health and the environment, so the electronics industry has been moving towards lead-free components to reduce these risks. Lead-free components are typically made using alternative materials such as silver, copper, and tin. Manufacturers must comply with regulations such as the Restriction of Hazardous Substances (RoHS) directive to ensure that their products are lead-free and environmentally friendly.
Lead Free
STM32F401RET6 Features
• Core: ARM® 32-bit Cortex®-M4 CPU with
FPU, Adaptive real-time accelerator (ART
Accelerator™) allowing 0-wait state execution
from Flash memory, frequency up to 84 MHz,
memory protection unit,
105 DMIPS/1.25 DMIPS/MHz (Dhrystone 2.1),
and DSP instructions
• Memories
– up to 512 Kbytes of Flash memory
– up to 96 Kbytes of SRAM
• Clock, reset and supply management
– 1.7 V to 3.6 V application supply and I/Os
– POR, PDR, PVD, and BOR
– 4-to-26 MHz crystal oscillator
– Internal 16 MHz factory-trimmed RC
– 32 kHz oscillator for RTC with calibration
– Internal 32 kHz RC with calibration
• Power consumption
– Run: 146 µA/MHz (peripheral off)
– Stop (Flash in Stop mode, fast wakeup
time): 42 µA Typ @ 25C; 65 µA max @25 °C
– Stop (Flash in Deep power-down mode,
fast wakeup time): down to 10 µA @ 25 °C;
30 µA max @25 °C
– Standby: 2.4 µA @25 °C / 1.7 V without
RTC; 12 µA @85 °C @1.7 V
– VBAT supply for RTC: 1 µA @25 °C
• 1×12-bit, 2.4 MSPS A/D converter: up to 16
channels
• General-purpose DMA: 16-stream DMA
controllers with FIFOs and burst support
• Up to 11 timers: up to six 16-bit, two 32-bit
timers up to 84 MHz, each with up to four
IC/OC/PWM or pulse counter and quadrature
(incremental) encoder input, two watchdog
timers (independent and window) and a
SysTick timer
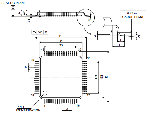
STM32F401RET6 Package Dimension

STM32F401RET6 Package Dimension
STM32F401RET6 Manufacturer
STMicroelectronics is a global independent semiconductor company and is a leader in developing and delivering semiconductor solutions across the spectrum of microelectronics applications. An unrivaled combination of silicon and system expertise, manufacturing strength, Intellectual Property (IP) portfolio, and strategic partners positions the Company at the forefront of System-on-Chip (SoC) technology, and its products play a key role in enabling today's convergence trends.
Parts with Similar Specs
- ImagePart NumberManufacturerPackage / CaseNumber of PinsCore ArchitectureData Bus WidthNumber of I/OInterfaceMemory SizeSupply VoltageView Compare
STM32F401RET6
64-LQFP
64
ARM
32 b
50
I2C, I2S, IrDA, SPI, USART, USB
512 kB
3.3 V
64-LQFP
64
ARM
32 b
47
I2C, IrDA, SPI, UART, USART
512 kB
1.2 V
64-LQFP
64
ARM
32 b
50
I2C, I2S, IrDA, LIN, MMC, SD, SDIO, SPI, UART, USART, USB
256 kB
3.3 V
64-LQFP
64
ARM
32 b
50
I2C, I2S, IrDA, LIN, MMC, SD, SDIO, SPI, UART, USART, USB
512 kB
3.3 V
64-UFBGA, WLCSP
64
ARM
32 b
51
CAN, I2C, IrDA, LIN, SPI, UART, USART, USB
512 kB
3.3 V
Trend Analysis
Datasheet PDF
- Datasheets :
What is the STM32F401RET6s high performance?
Arm® Cortex®-M3 32-bit RISC core.
What is the power supply of the STM32F401RET6?
2.0 to 3.6 V
What type of applications can the STM32F401RET6 design?
Low-power applications.
UC3843 PWM Controller: Pinout, Datasheet and Uses16 August 202147041
A Comprehensive Guide to LTC6948IUFD-3 Clock/Frequency Synthesizer06 March 2024254
STM32H723VGT6 Datasheet Guide: How to Find & Interpret Technical Documentation05 July 20251613
M10385 FM Module:Datasheet, Application, Schematic01 September 2021788
Understanding of TP5100 2A Lithium Battery Charger Module [FAQ]12 April 202216557
A Comprehensive Guide to LTM8005HY#PBF LED Driver by Linear Technology/Analog Devices06 March 2024149
TIP31C Power Transistor: Pinout, Datasheet, and Specification03 July 20218073
TMS320F28069PZT: Unraveling the 32-bit ControlCARD Microcontroller by Texas Instruments29 February 2024128
Enhancing the Efficiency of Semiconductors by Using the Spin of Electrons11 February 20251162
What is a Fiber Optic Sensor?31 October 20259883
Global Semiconductor Sales Experience a 2.3% Surge in July 202309 September 20233781
What is an LTPO Display?08 October 20217600
What is a Delay Circuit? 6 Types of Delay Circuits Explained28 March 202549271
How to Check 2073 Transistor Pinout at Home01 September 20252817
What are the Different Types of Fingerprint Sensors?16 December 20209340
Clamp Diodes: Principles, Functions, and Applications17 January 202653478
STMicroelectronics
In Stock: 7135
Minimum: 1 Multiples: 1
Qty
Unit Price
Ext Price
1
$2.327488
$2.33
10
$2.195743
$21.96
100
$2.071456
$207.15
500
$1.954204
$977.10
1000
$1.843588
$1,843.59
Not the price you want? Send RFQ Now and we'll contact you ASAP.
Inquire for More Quantity


Product
Brand
Articles
Tools







