TDA7850 Amplifier: Package, Pinout, and Datasheet
20 kHz kHz 85W W Audio Amplifiers 15.7mm mm 4.5mm mm 80W W 18V V 25 pins 25-Flexiwatt (Formed Leads)









20 kHz kHz 85W W Audio Amplifiers 15.7mm mm 4.5mm mm 80W W 18V V 25 pins 25-Flexiwatt (Formed Leads)
The TDA7850 is a breakthrough MOSFET technology class AB audio power amplifier in Flexiwatt 25 package designed for high-power car radio. This article mainly introduces package, pinout, datasheet and other detailed information about STMicroelectronics TDA7850.

TDA7850 four channel audio amplifier test and review
TDA7850 Description
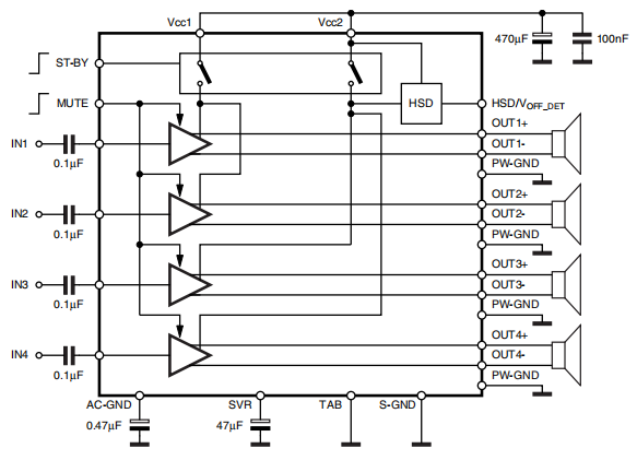
The TDA7850 is a breakthrough MOSFET technology class AB audio power amplifier in Flexiwatt 25 package designed for high-power car radio. The fully complementary P-Channel/N Channel output structure allows a rail to rail output voltage swing which, combined with high output current and minimized saturation losses sets new power references in the car-radio field, with unparalleled distortion performances.
The TDA7850 integrates a DC offset detector.
TDA7850 Pinout


Pinout
TDA7850 CAD Model

Symbol

Footprint

3D Model
TDA7850 Features
● High output power capability
– 4 x 50 W/4Ω max.
– 4 x 30 W/4Ω @ 14.4 V, 1 kHz, 10 %
– 4 x 80 W/2Ω max.
– 4 x 55 W/2Ω @ 14.4V, 1 kHz, 10 %
● MOSFET output power stage
● Excellent 2Ω driving capability
● Hi-Fi class distortion
● Low output noise
● ST-BY function
● Mute function
● Automate at min. supply voltage detection
● Low external component count:
– Internally fixed gain (26 dB)
– No external compensation
– No bootstrap capacitors
● Onboard 0.35 A high side driver
Protections:
● Output short circuit to gnd, to Vs, across the load
● Very inductive loads
● Overrating chip temperature with soft thermal limiter
● Output DC offset detection
● Load dump voltage
● Fortuitous open gnd
● Reversed battery
Specifications
- TypeParameter
- Lifecycle Status
Lifecycle Status refers to the current stage of an electronic component in its product life cycle, indicating whether it is active, obsolete, or transitioning between these states. An active status means the component is in production and available for purchase. An obsolete status indicates that the component is no longer being manufactured or supported, and manufacturers typically provide a limited time frame for support. Understanding the lifecycle status is crucial for design engineers to ensure continuity and reliability in their projects.
ACTIVE (Last Updated: 8 months ago) - Factory Lead Time13 Weeks
- Contact Plating
Contact plating (finish) provides corrosion protection for base metals and optimizes the mechanical and electrical properties of the contact interfaces.
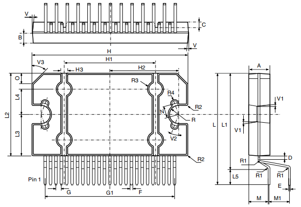
Tin - Mount
In electronic components, the term "Mount" typically refers to the method or process of physically attaching or fixing a component onto a circuit board or other electronic device. This can involve soldering, adhesive bonding, or other techniques to secure the component in place. The mounting process is crucial for ensuring proper electrical connections and mechanical stability within the electronic system. Different components may have specific mounting requirements based on their size, shape, and function, and manufacturers provide guidelines for proper mounting procedures to ensure optimal performance and reliability of the electronic device.
Through Hole - Mounting Type
The "Mounting Type" in electronic components refers to the method used to attach or connect a component to a circuit board or other substrate, such as through-hole, surface-mount, or panel mount.
Through Hole - Package / Case
refers to the protective housing that encases an electronic component, providing mechanical support, electrical connections, and thermal management.
25-Flexiwatt (Formed Leads) - Number of Pins25
- Operating Temperature
The operating temperature is the range of ambient temperature within which a power supply, or any other electrical equipment, operate in. This ranges from a minimum operating temperature, to a peak or maximum operating temperature, outside which, the power supply may fail.
-55°C~150°C TJ - Packaging
Semiconductor package is a carrier / shell used to contain and cover one or more semiconductor components or integrated circuits. The material of the shell can be metal, plastic, glass or ceramic.
Tube - JESD-609 Code
The "JESD-609 Code" in electronic components refers to a standardized marking code that indicates the lead-free solder composition and finish of electronic components for compliance with environmental regulations.
e3 - Part Status
Parts can have many statuses as they progress through the configuration, analysis, review, and approval stages.
Active - Moisture Sensitivity Level (MSL)
Moisture Sensitivity Level (MSL) is a standardized rating that indicates the susceptibility of electronic components, particularly semiconductors, to moisture-induced damage during storage and the soldering process, defining the allowable exposure time to ambient conditions before they require special handling or baking to prevent failures
1 (Unlimited) - Number of Terminations25
- ECCN Code
An ECCN (Export Control Classification Number) is an alphanumeric code used by the U.S. Bureau of Industry and Security to identify and categorize electronic components and other dual-use items that may require an export license based on their technical characteristics and potential for military use.
EAR99 - TypeClass AB
- HTS Code
HTS (Harmonized Tariff Schedule) codes are product classification codes between 8-1 digits. The first six digits are an HS code, and the countries of import assign the subsequent digits to provide additional classification. U.S. HTS codes are 1 digits and are administered by the U.S. International Trade Commission.
8542.33.00.01 - Max Power Dissipation
The maximum power that the MOSFET can dissipate continuously under the specified thermal conditions.
80W - Voltage - Supply
Voltage - Supply refers to the range of voltage levels that an electronic component or circuit is designed to operate with. It indicates the minimum and maximum supply voltage that can be applied for the device to function properly. Providing supply voltages outside this range can lead to malfunction, damage, or reduced performance. This parameter is critical for ensuring compatibility between different components in a circuit.
8V~18V - Terminal Position
In electronic components, the term "Terminal Position" refers to the physical location of the connection points on the component where external electrical connections can be made. These connection points, known as terminals, are typically used to attach wires, leads, or other components to the main body of the electronic component. The terminal position is important for ensuring proper connectivity and functionality of the component within a circuit. It is often specified in technical datasheets or component specifications to help designers and engineers understand how to properly integrate the component into their circuit designs.
ZIG-ZAG - Peak Reflow Temperature (Cel)
Peak Reflow Temperature (Cel) is a parameter that specifies the maximum temperature at which an electronic component can be exposed during the reflow soldering process. Reflow soldering is a common method used to attach electronic components to a circuit board. The Peak Reflow Temperature is crucial because it ensures that the component is not damaged or degraded during the soldering process. Exceeding the specified Peak Reflow Temperature can lead to issues such as component failure, reduced performance, or even permanent damage to the component. It is important for manufacturers and assemblers to adhere to the recommended Peak Reflow Temperature to ensure the reliability and functionality of the electronic components.
225 - Number of Functions1
- Terminal Pitch
The center distance from one pole to the next.
1mm - Base Part Number
The "Base Part Number" (BPN) in electronic components serves a similar purpose to the "Base Product Number." It refers to the primary identifier for a component that captures the essential characteristics shared by a group of similar components. The BPN provides a fundamental way to reference a family or series of components without specifying all the variations and specific details.
TDA7850 - Pin Count
a count of all of the component leads (or pins)
25 - Output Type
The "Output Type" parameter in electronic components refers to the type of signal or data that is produced by the component as an output. This parameter specifies the nature of the output signal, such as analog or digital, and can also include details about the voltage levels, current levels, frequency, and other characteristics of the output signal. Understanding the output type of a component is crucial for ensuring compatibility with other components in a circuit or system, as well as for determining how the output signal can be utilized or processed further. In summary, the output type parameter provides essential information about the nature of the signal that is generated by the electronic component as its output.
4-Channel (Quad) - Supply Voltage-Max (Vsup)
The parameter "Supply Voltage-Max (Vsup)" in electronic components refers to the maximum voltage that can be safely applied to the component without causing damage. It is an important specification to consider when designing or using electronic circuits to ensure the component operates within its safe operating limits. Exceeding the maximum supply voltage can lead to overheating, component failure, or even permanent damage. It is crucial to adhere to the specified maximum supply voltage to ensure the reliable and safe operation of the electronic component.
18V - Power Supplies
an electronic circuit that converts the voltage of an alternating current (AC) into a direct current (DC) voltage.?
13.2V - Number of Channels4
- Power Dissipation
the process by which an electronic or electrical device produces heat (energy loss or waste) as an undesirable derivative of its primary action.
80W - Supply Current-Max
Supply Current-Max refers to the maximum amount of current that an electronic component or circuit can draw from its power supply under specified operating conditions. It is a critical parameter that determines the power consumption and thermal performance of the device. Exceeding this limit can lead to overheating, potential damage, or failure of the component. Knowing the Supply Current-Max helps in designing circuits that ensure proper operation and reliability.
280mA - Output Power
That power available at a specified output of a device under specified conditions of operation.
50W - Supply Type
Supply Type in electronic components refers to the classification of power sources used to operate the component. It indicates whether the component requires DC or AC power, and if DC, specifies the voltage levels such as low, medium, or high. Different supply types can affect the performance, compatibility, and application of the component in electronic circuits. Understanding the supply type is crucial for proper component selection and integration into electronic designs.
Single - Bandwidth
In electronic components, "Bandwidth" refers to the range of frequencies over which the component can effectively operate or pass signals without significant loss or distortion. It is a crucial parameter for devices like amplifiers, filters, and communication systems. The bandwidth is typically defined as the difference between the upper and lower frequencies at which the component's performance meets specified criteria, such as a certain level of signal attenuation or distortion. A wider bandwidth indicates that the component can handle a broader range of frequencies, making it more versatile for various applications. Understanding the bandwidth of electronic components is essential for designing and optimizing circuits to ensure proper signal transmission and reception within the desired frequency range.
20 kHz - Voltage Gain
Voltage gain is a measure of how much an electronic component or circuit amplifies an input voltage signal to produce an output voltage signal. It is typically expressed as a ratio or in decibels (dB). A higher voltage gain indicates a greater amplification of the input signal. Voltage gain is an important parameter in amplifiers, where it determines the level of amplification provided by the circuit. It is calculated by dividing the output voltage by the input voltage and is a key factor in determining the overall performance and functionality of electronic devices.
26dB - Gain
In electronic components, "Gain" refers to the ratio of the output signal amplitude to the input signal amplitude. It is a measure of the amplification provided by the component, such as a transistor or operational amplifier. Gain is typically expressed in decibels (dB) or as a numerical value, indicating how much the signal is amplified by the component.A higher gain value indicates a greater amplification of the input signal, while a lower gain value indicates less amplification. Gain is an important parameter in designing and analyzing electronic circuits, as it determines the overall performance and functionality of the system. Different components have different gain characteristics, and understanding the gain of a component is crucial for achieving the desired signal processing or amplification in electronic systems.
26 dB - Max Output Power
The maximum output power = the maximum output current × the rated output voltage
85W - Max Output Power x Channels @ Load
Max Output Power x Channels @ Load is a specification that describes the maximum power output that an electronic component, such as an amplifier or audio device, can deliver across a certain number of channels at a specific load impedance. This parameter is important for understanding the capability of the component to drive speakers or other devices effectively. The value is typically expressed in watts and can vary depending on the number of channels being used and the impedance of the load. It helps users determine the compatibility of the component with their audio setup and ensures that the component can provide sufficient power for optimal performance.
85W x 4 @ 2 Ω - Harmonic Distortion
Harmonic distortion is a common parameter used to describe the quality of audio or electronic signals. It refers to the presence of unwanted harmonics or additional frequencies in the output signal that were not present in the input signal. These harmonics are typically multiples of the original signal frequency and can distort the waveform, affecting the overall sound quality or performance of the electronic component. Lower harmonic distortion values indicate a cleaner and more accurate output signal, while higher distortion levels can result in a more distorted or altered sound. Manufacturers often specify harmonic distortion levels in percentage or decibels to help users understand the quality of the component's output.
10% - Features
In the context of electronic components, the term "Features" typically refers to the specific characteristics or functionalities that a particular component offers. These features can vary depending on the type of component and its intended use. For example, a microcontroller may have features such as built-in memory, analog-to-digital converters, and communication interfaces like UART or SPI.When evaluating electronic components, understanding their features is crucial in determining whether they meet the requirements of a particular project or application. Engineers and designers often look at features such as operating voltage, speed, power consumption, and communication protocols to ensure compatibility and optimal performance.In summary, the "Features" parameter in electronic components describes the unique attributes and capabilities that differentiate one component from another, helping users make informed decisions when selecting components for their electronic designs.
Mute, Short-Circuit and Thermal Protection, Standby - Height15.7mm
- Length29.23mm
- Width4.5mm
- Radiation Hardening
Radiation hardening is the process of making electronic components and circuits resistant to damage or malfunction caused by high levels of ionizing radiation, especially for environments in outer space (especially beyond the low Earth orbit), around nuclear reactors and particle accelerators, or during nuclear accidents or nuclear warfare.
No - RoHS Status
RoHS means “Restriction of Certain Hazardous Substances” in the “Hazardous Substances Directive” in electrical and electronic equipment.
ROHS3 Compliant - Lead Free
Lead Free is a term used to describe electronic components that do not contain lead as part of their composition. Lead is a toxic material that can have harmful effects on human health and the environment, so the electronics industry has been moving towards lead-free components to reduce these risks. Lead-free components are typically made using alternative materials such as silver, copper, and tin. Manufacturers must comply with regulations such as the Restriction of Hazardous Substances (RoHS) directive to ensure that their products are lead-free and environmentally friendly.
Lead Free
TDA7850 Functional Block Diagram

Functional Block Diagram
TDA7850 Standard Test And Application Circuit

Standard Test And Application Circuit
TDA7850 Alternatives
| Part Number | Description | Manufacturer |
| TA8266HCONSUMER CIRCUITS | IC 23 W, 4 CHANNEL, AUDIO AMPLIFIER, PZFM25, HZIP-25, Audio/Video Amplifier | Toshiba America Electronic Components |
| TA8266HQCONSUMER CIRCUITS | IC 23 W, 4 CHANNEL, AUDIO AMPLIFIER, PZFM25, 1 MM PITCH, PLASTIC, HZIP-25, Audio/Video Amplifier | Toshiba America Electronic Components |
| TDA7560CONSUMER CIRCUITS | Hi-fi quad BTL output power amplifier with HDS/offset detection, stand-by and mute | STMicroelectronics |
TDA7850 Applications
● High Power Car Radio
● Audio
TDA7850 Package

Package
TDA7850 Manufacturer
STMicroelectronics is a globally recognized semiconductor company. They are dedicated to developing semiconductor solutions for various microelectronics applications. STMicroelectronics enjoys unrivaled silicon and system expertise, strong manufacturing strength, IP portfolio, and solid relationships with their strategic partners. Based on these advantages, STMicroelectronics has become a pioneer in System-on-Chip (SoC) technology and its products have a positive effect in realizing today's convergence trends.
Electronic circuits form a mostly invisible part of the world we live in today. These circuits are present in microchips or just “chips”, which combine the latest advances in performance, intelligence and, efficiency. Hundreds of thousands of these chips are integrated into each of the millions and billions of electronic devices people across the globe interact with every day. It is in this unseen realm that STMicroelectronics creates the sparks that animate the products they use at any given moment. Their technology is found everywhere microelectronics makes a positive contribution to people’s lives.
Chips from ST embedding the most advanced innovations are an essential part of products as diverse as cars and key fobs, giant factory machines and data center power supplies, washing machines and hard disks, and smartphones and toothbrushes. They help their customers make these devices more intelligent, more energy-efficient, more connected, safer and more secure.
Datasheet PDF
- Datasheets :
1.Which is better, TDA7498 or TDA7850?
If you want high power, then TDA7498 is good. If you want to listen to music and require high sound quality, TDA7498 is not as good as TDA7850. If you use it in a car amplifier, it's the TDA7850.
2.What is the difference between power amplifier ic TDA7850 and TDA7388?
These two chips are high-power supplier chips of STMicroelectronics, which are usually used in vehicle-mounted vehicles. TDA7388 is 45W*4, TDA7850 is 50W*4, and in the early promotion of 7850, it was a gold-plated process. Now on the market, It should be impossible to buy gold-plated technology. In fact, most of the 7388 are used in the market, because it is cheap and common, and some car navigation systems use 25W chips with the same pins as the 7388 to save costs. The car you bought is not very expensive. It is recommended that you do not replace it, because even if you replace it, it does not make much sense. If the speakers want to have a good effect, there are two main aspects, a good power amplifier board and a good speaker. If the power amplifier is 25W, then the speaker maybe 25W. If you use a 50W power amplifier, although the effect will be a little better, it will definitely not reach the effect of a 50W household with a 45W speaker. It is recommended not to change the power amplifier chip by yourself. In this way, it is very dangerous, because your power amplifier has increased power and changed the original design.
3.Is it necessary to replace the original TB2929HQ with TDA7850 or TDA7854 for the DVD navigation integrated machine of the car navigation motorcycle? Will it be effective after the exchange?
Increasing the power of the power amplifier has no practical effect. It is not enough to increase the output power. If you still need to do this, you need to replace the high-power speakers, increase the filter capacitor, thicken the speaker connection line, and do the shock absorption and sound insulation of the door to achieve the required effect.
PCA9615DP IC-Bus Buffer: Pinout, Datasheet and Advantages13 September 20212422
In-Depth Analysis of the Microchip PIC16LC622 Microcontroller28 February 2024162
MAX232ACSE Driver/Receiver: Features, Pinout, and Datasheet17 April 2025826
CR2016 vs CR2032 Lithium Batteries - What is the Difference?04 March 20226287
CD4503 Tri-state Hex Buffer: CD4503 Datasheet PDF, Pinout, CD4503 vs. MC1450318 January 20221985
S9013 NPN Silicon Transistors: Datasheet, Pinout and Equivalents13 April 202223197
A Comprehensive Guide to GOLDELOX Microcontroller by 4D Systems Pty Ltd07 March 2024267
PIC18F4620 Enhanced Flash Microcontrollers:Pinout, Features, and Datasheet13 September 20212628
Introduction to Sensors in the Internet of Things24 September 20212207
Introduction to AC motor05 March 20218704
Ten Smart Sensor Technology Trends for IoT Applications20 November 20216158
How to Find the Ideal Voltage Reference for Your Application11 July 2025794
What is a Servo Motor?09 March 20215956
The Ultimate Guide to Microchip MCUs: From Selection to Real-World Applications13 September 20251113
What Are Wi-Fi Modules and Their Uses in IoT Today04 June 20252363
Switch-mode Power Supply Basics14 December 20207406
STMicroelectronics
In Stock
United States
China
Canada
Japan
Russia
Germany
United Kingdom
Singapore
Italy
Hong Kong(China)
Taiwan(China)
France
Korea
Mexico
Netherlands
Malaysia
Austria
Spain
Switzerland
Poland
Thailand
Vietnam
India
United Arab Emirates
Afghanistan
Åland Islands
Albania
Algeria
American Samoa
Andorra
Angola
Anguilla
Antigua & Barbuda
Argentina
Armenia
Aruba
Australia
Azerbaijan
Bahamas
Bahrain
Bangladesh
Barbados
Belarus
Belgium
Belize
Benin
Bermuda
Bhutan
Bolivia
Bonaire, Sint Eustatius and Saba
Bosnia & Herzegovina
Botswana
Brazil
British Indian Ocean Territory
British Virgin Islands
Brunei
Bulgaria
Burkina Faso
Burundi
Cabo Verde
Cambodia
Cameroon
Cayman Islands
Central African Republic
Chad
Chile
Christmas Island
Cocos (Keeling) Islands
Colombia
Comoros
Congo
Congo (DRC)
Cook Islands
Costa Rica
Côte d’Ivoire
Croatia
Cuba
Curaçao
Cyprus
Czechia
Denmark
Djibouti
Dominica
Dominican Republic
Ecuador
Egypt
El Salvador
Equatorial Guinea
Eritrea
Estonia
Eswatini
Ethiopia
Falkland Islands
Faroe Islands
Fiji
Finland
French Guiana
French Polynesia
Gabon
Gambia
Georgia
Ghana
Gibraltar
Greece
Greenland
Grenada
Guadeloupe
Guam
Guatemala
Guernsey
Guinea
Guinea-Bissau
Guyana
Haiti
Honduras
Hungary
Iceland
Indonesia
Iran
Iraq
Ireland
Isle of Man
Israel
Jamaica
Jersey
Jordan
Kazakhstan
Kenya
Kiribati
Kosovo
Kuwait
Kyrgyzstan
Laos
Latvia
Lebanon
Lesotho
Liberia
Libya
Liechtenstein
Lithuania
Luxembourg
Macao(China)
Madagascar
Malawi
Maldives
Mali
Malta
Marshall Islands
Martinique
Mauritania
Mauritius
Mayotte
Micronesia
Moldova
Monaco
Mongolia
Montenegro
Montserrat
Morocco
Mozambique
Myanmar
Namibia
Nauru
Nepal
New Caledonia
New Zealand
Nicaragua
Niger
Nigeria
Niue
Norfolk Island
North Korea
North Macedonia
Northern Mariana Islands
Norway
Oman
Pakistan
Palau
Palestinian Authority
Panama
Papua New Guinea
Paraguay
Peru
Philippines
Pitcairn Islands
Portugal
Puerto Rico
Qatar
Réunion
Romania
Rwanda
Samoa
San Marino
São Tomé & Príncipe
Saudi Arabia
Senegal
Serbia
Seychelles
Sierra Leone
Sint Maarten
Slovakia
Slovenia
Solomon Islands
Somalia
South Africa
South Sudan
Sri Lanka
St Helena, Ascension, Tristan da Cunha
St. Barthélemy
St. Kitts & Nevis
St. Lucia
St. Martin
St. Pierre & Miquelon
St. Vincent & Grenadines
Sudan
Suriname
Svalbard & Jan Mayen
Sweden
Syria
Tajikistan
Tanzania
Timor-Leste
Togo
Tokelau
Tonga
Trinidad & Tobago
Tunisia
Turkey
Turkmenistan
Turks & Caicos Islands
Tuvalu
U.S. Outlying Islands
U.S. Virgin Islands
Uganda
Ukraine
Uruguay
Uzbekistan
Vanuatu
Vatican City
Venezuela
Wallis & Futuna
Yemen
Zambia
Zimbabwe


Product
Brand
Articles
Tools








