PCA9615DP IC-Bus Buffer: Pinout, Datasheet and Advantages
Surface Mount Tape & Reel (TR) 3.3V V Signal Buffers, Repeaters, Splitters 2.3V~5.5V V 7pF pF









Surface Mount Tape & Reel (TR) 3.3V V Signal Buffers, Repeaters, Splitters 2.3V~5.5V V 7pF pF
PCA9615DP is a 2-channel multipoint fast-mode plus differential i2c-bus buffer with hot-swap logic. This article mainly covers datasheet, pinout, applications, and more details about PCA9615DP. Furthermore, there is a huge range of Semiconductors, Capacitors, Resistors, and ICs in stock. Welcome RFQ!

Product Showcase Differential I2C Breakout
PCA9615DP Pinout

PCA9615DP Pinout
PCA9615DP CAD Model
Symbol

Symbol
Footprint

Footprint
PCA9615DP Description
The PCA9615DP is a Fast-mode Plus (Fm+) SMBus/I2C-bus buffer that extends the normal single-ended SMBus/I2C-bus through electrically noisy environments using a differential SMBus/I2C-bus (dI2C) physical layer, which is transparent to the SMBus/I2C-bus protocol layer. It consists of two single-ended differential driver channels for the SCL and SDA.
Specifications
- TypeParameter
- Factory Lead Time7 Weeks
- Mounting Type
The "Mounting Type" in electronic components refers to the method used to attach or connect a component to a circuit board or other substrate, such as through-hole, surface-mount, or panel mount.
Surface Mount - Package / Case
refers to the protective housing that encases an electronic component, providing mechanical support, electrical connections, and thermal management.
10-TFSOP, 10-MSOP (0.118, 3.00mm Width) - Surface Mount
having leads that are designed to be soldered on the side of a circuit board that the body of the component is mounted on.
YES - Operating Temperature
The operating temperature is the range of ambient temperature within which a power supply, or any other electrical equipment, operate in. This ranges from a minimum operating temperature, to a peak or maximum operating temperature, outside which, the power supply may fail.
-40°C~85°C - Packaging
Semiconductor package is a carrier / shell used to contain and cover one or more semiconductor components or integrated circuits. The material of the shell can be metal, plastic, glass or ceramic.
Tape & Reel (TR) - Published2010
- Part Status
Parts can have many statuses as they progress through the configuration, analysis, review, and approval stages.
Active - Moisture Sensitivity Level (MSL)
Moisture Sensitivity Level (MSL) is a standardized rating that indicates the susceptibility of electronic components, particularly semiconductors, to moisture-induced damage during storage and the soldering process, defining the allowable exposure time to ambient conditions before they require special handling or baking to prevent failures
1 (Unlimited) - Number of Terminations10
- TypeBuffer, ReDriver
- Applications
The parameter "Applications" in electronic components refers to the specific uses or functions for which a component is designed. It encompasses various fields such as consumer electronics, industrial automation, telecommunications, automotive, and medical devices. Understanding the applications helps in selecting the right components for a particular design based on performance, reliability, and compatibility requirements. This parameter also guides manufacturers in targeting their products to relevant markets and customer needs.
I2C - Voltage - Supply
Voltage - Supply refers to the range of voltage levels that an electronic component or circuit is designed to operate with. It indicates the minimum and maximum supply voltage that can be applied for the device to function properly. Providing supply voltages outside this range can lead to malfunction, damage, or reduced performance. This parameter is critical for ensuring compatibility between different components in a circuit.
2.3V~5.5V - Terminal Position
In electronic components, the term "Terminal Position" refers to the physical location of the connection points on the component where external electrical connections can be made. These connection points, known as terminals, are typically used to attach wires, leads, or other components to the main body of the electronic component. The terminal position is important for ensuring proper connectivity and functionality of the component within a circuit. It is often specified in technical datasheets or component specifications to help designers and engineers understand how to properly integrate the component into their circuit designs.
DUAL - Terminal Form
Occurring at or forming the end of a series, succession, or the like; closing; concluding.
GULL WING - Peak Reflow Temperature (Cel)
Peak Reflow Temperature (Cel) is a parameter that specifies the maximum temperature at which an electronic component can be exposed during the reflow soldering process. Reflow soldering is a common method used to attach electronic components to a circuit board. The Peak Reflow Temperature is crucial because it ensures that the component is not damaged or degraded during the soldering process. Exceeding the specified Peak Reflow Temperature can lead to issues such as component failure, reduced performance, or even permanent damage to the component. It is important for manufacturers and assemblers to adhere to the recommended Peak Reflow Temperature to ensure the reliability and functionality of the electronic components.
NOT SPECIFIED - Number of Functions1
- Supply Voltage
Supply voltage refers to the electrical potential difference provided to an electronic component or circuit. It is crucial for the proper operation of devices, as it powers their functions and determines performance characteristics. The supply voltage must be within specified limits to ensure reliability and prevent damage to components. Different electronic devices have specific supply voltage requirements, which can vary widely depending on their design and intended application.
3.3V - Terminal Pitch
The center distance from one pole to the next.
0.5mm - Time@Peak Reflow Temperature-Max (s)
Time@Peak Reflow Temperature-Max (s) refers to the maximum duration that an electronic component can be exposed to the peak reflow temperature during the soldering process, which is crucial for ensuring reliable solder joint formation without damaging the component.
NOT SPECIFIED - Base Part Number
The "Base Part Number" (BPN) in electronic components serves a similar purpose to the "Base Product Number." It refers to the primary identifier for a component that captures the essential characteristics shared by a group of similar components. The BPN provides a fundamental way to reference a family or series of components without specifying all the variations and specific details.
PCA9615 - Output
In electronic components, the parameter "Output" typically refers to the signal or data that is produced by the component and sent to another part of the circuit or system. The output can be in the form of voltage, current, frequency, or any other measurable quantity depending on the specific component. The output of a component is often crucial in determining its functionality and how it interacts with other components in the circuit. Understanding the output characteristics of electronic components is essential for designing and troubleshooting electronic circuits effectively.
2-Wire Bus - Pin Count
a count of all of the component leads (or pins)
10 - JESD-30 Code
JESD-30 Code refers to a standardized descriptive designation system established by JEDEC for semiconductor-device packages. This system provides a systematic method for generating designators that convey essential information about the package's physical characteristics, such as size and shape, which aids in component identification and selection. By using JESD-30 codes, manufacturers and engineers can ensure consistency and clarity in the specification of semiconductor packages across various applications and industries.
S-PDSO-G10 - Number of Channels2
- Current - Supply
Current - Supply is a parameter in electronic components that refers to the maximum amount of electrical current that the component can provide to the circuit it is connected to. It is typically measured in units of amperes (A) and is crucial for determining the power handling capability of the component. Understanding the current supply rating is important for ensuring that the component can safely deliver the required current without overheating or failing. It is essential to consider this parameter when designing circuits to prevent damage to the component and ensure proper functionality of the overall system.
16μA - Input
In electronic components, "Input" refers to the signal or data that is provided to a device or system for processing or manipulation. It is the information or command that is received by the component to initiate a specific function or operation. The input can come from various sources such as sensors, other electronic devices, or user interactions. It is crucial for the proper functioning of the component as it determines how the device will respond or behave based on the input received. Understanding and managing the input parameters is essential in designing and using electronic components effectively.
2-Wire Bus - Data Rate (Max)
Data Rate (Max) refers to the maximum rate at which data can be transferred or processed within an electronic component or device. It is typically measured in bits per second (bps) or megabits per second (Mbps). This parameter is important for determining the speed and efficiency of data transmission or processing in various electronic applications such as computer systems, networking devices, and memory modules. A higher data rate indicates that the component is capable of handling larger volumes of data at a faster pace, leading to improved performance and responsiveness in electronic systems. It is crucial to consider the Data Rate (Max) specification when selecting electronic components to ensure compatibility and optimal functionality for specific applications.
400kHz - Supply Voltage1-Nom
Supply Voltage1-Nom is a parameter in electronic components that refers to the nominal or rated voltage level at which the component is designed to operate optimally. This parameter specifies the voltage level that the component requires to function correctly and efficiently. It is important to ensure that the actual supply voltage provided to the component closely matches the specified nominal voltage to prevent damage or malfunction. Deviating significantly from the nominal voltage may result in unreliable performance or even permanent damage to the component. It is crucial to adhere to the specified supply voltage range to ensure the proper functioning and longevity of the electronic component.
5V - Capacitance - Input
Capacitance - Input is a parameter that describes the input capacitance of an electronic component, such as a transistor or an integrated circuit. It represents the amount of charge that the input of the component can store when a voltage is applied to it. This capacitance affects the speed and performance of the component, as it can influence the time it takes for the input signal to be processed. A higher input capacitance can result in slower response times and may require additional circuitry to mitigate its effects. It is an important parameter to consider when designing and analyzing electronic circuits to ensure proper functionality and performance.
7pF - Length3mm
- Height Seated (Max)
Height Seated (Max) is a parameter in electronic components that refers to the maximum allowable height of the component when it is properly seated or installed on a circuit board or within an enclosure. This specification is crucial for ensuring proper fit and alignment within the overall system design. Exceeding the maximum seated height can lead to mechanical interference, electrical shorts, or other issues that may impact the performance and reliability of the electronic device. Manufacturers provide this information to help designers and engineers select components that will fit within the designated space and function correctly in the intended application.
1.1mm - Width3mm
- RoHS Status
RoHS means “Restriction of Certain Hazardous Substances” in the “Hazardous Substances Directive” in electrical and electronic equipment.
ROHS3 Compliant
PCA9615DP Block Diagram

PCA9615DP Block Diagram
PCA9615DP Features and Advantages
New dI2C-bus buffers offer improved resistance to system noise and ground offset up to 1⁄2 of supply voltage
2 channel dI2C (differential I2C-bus) to Fm+ single-ended buffer operating up to 1 MHz with 30 mA SDA/SCL drive capability
Hot-swap (allows insertion or removal of modules or cards without disruption to bus data)
EN signal (PCA9615 input) controls PCA9615 hot-swap sequence
Bus idle detect (PCA9615 internal function) waits for a bus idle condition before the connection is made
Compatible with I2C-bus Standard/Fast-mode and SMBus, Fast-mode Plus up to 1 MHz
Single-ended I2C-bus on card side up to 540 pF
Differential I2C-bus on cable side supporting multi-drop bus
Maximum cable length: 3 m (approximately 10 feet) (longer at lower frequency)
dI2C output: 1.5 V differential output with nominal terminals
Differential line impedance (user-defined): 100 nominal suggested
Receive input sensitivity: 200 mV
Hysteresis: 30 mV typical
Input impedance: high-impedance (200 typical)
Receive input voltage range: 0.5 V to +5.5 V
Lock-up free operation
Supports arbitration and clock stretching across the dI2C-bus buffers
Powered-off and powering-up high-impedance I2C-bus pins
Operating supply voltage (VDD(A)) range of 2.3 V to 5.5 V with single-ended side 5.5 V tolerant
Differential I2C-bus operating supply voltage (VDD(B)) range of 3.0 V to 5.5 V with 5.5 V tolerant. The best operation is at 5 V.
ESD protection exceeds 2000 V HBM per JESD22-A114 and 1000 V CDM per JESD22-C101
Latch-up testing is done to JEDEC Standard JESD78 which exceeds 100 mA
Package offering: TSSOP10
PCA9615DP Applications
Monitor remote temperature/leak detectors in harsh environment
Control of power supplies in high noise environment
Transmission of I2C-bus between equipment cabinets
Commercial lighting and industrial heating/cooling control
Any application that requires long I2C-bus runs in electrically noisy environments
Any application with multiple power suppliers and the potential for ground offsets up to 2.5 V
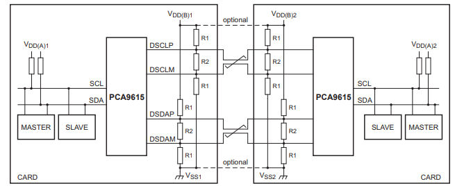
PCA9615DP Typical Application

PCA9615DP Typical Application
PCA9615DP Simplified Circuit

PCA9615DP Simplified Circuit
PCA9615DP Environmental
| Part/12NC | Pb-Free | EU RoHS | Halogen Free | RHF Indicator | REACH SVHC | Weight (mg) |
| PCA9615DPJ ( 935302505118 ) | Yes | Yes Certificate Of Analysis (CoA) | Yes | D | REACH SVHC | 29.436 |
| PCA9615DPZ ( 935302505431 ) | Yes | Yes Certificate Of Analysis (CoA) | Yes | D | REACH SVHC | 29.436 |
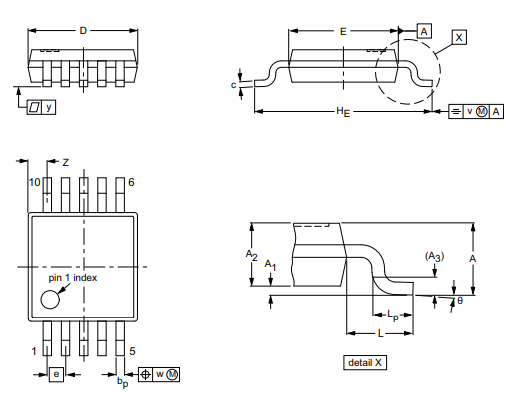
PCA9615DP Dimensions

PCA9615DP Dimensions
PCA9615DP Manufacturer
NXP Semiconductors N.V. (NASDAQ: NXPI) is a global semiconductor company creating solutions that enable secure connections and infrastructure for a smarter world. NXP focuses on research, development, and innovation in its target markets.
Trend Analysis
Datasheet PDF
- Datasheets :
- Environmental Information :
What is bus buffer used for?
PCA9615DP buffers are used widely on buses, which allow multiple devices to communicate with each other. A bus can only read one data input from a device at one time, and that is when a tri-state buffer is applied. A Tri-state buffer, with its control input, can prevent a bus from reading excessive input.
How does bus buffer work?
PCA9615DP buffers are used widely on buses, which allow multiple devices to communicate with each other. A bus can only read one data input from a device at one time, and that is when a tri-state buffer is applied. A Tri-state buffer, with its control input, can prevent a bus from reading excessive input.
What is TIP120?22 November 20215000
A Comprehensive Guide to the AD558 Digital to Analog Converter (DAC)06 March 2024918
TLP521-2XGB Optocoupler: TLP521 Series, Datasheet, Pinout [FAQ]06 January 20231771
ICL7660S Voltage Regulators DC Switching Regulators[Video]:Datasheet, Pinout, and Applications.01 April 20222645
DRV8835DSSR: Pinout, Datasheet18 March 20221262
Unveiling the Microchip PIC32MX1XX/2XX 32-bit Microcontrollers: A Technical Investigation29 February 2024204
CR2477 Battery: 3V CR2477 Lithium Battery, CR2477 Equivalent and Datasheet17 November 20219545
What is MMBT3904?24 January 20222643
PCB Design Guidelines21 December 20217379
Semiconductor Industry Techniques Revolutionize Battery Manufacturing06 November 20232356
The Introduction to QFN Package15 October 20257922
Hall Effect: Definition, Principle, Measurement Methods08 November 20229717
What are Varactor Diodes?24 November 202510959
What is an Auto Transformer and Its Working?01 April 20218924
All You Need to Know about Wireless Access Point26 October 20214737
Using SiC-GaN to Create Two-Phase Interleaved DC-DC Converters for Plug-in Electric Vehicles03 February 20232819
NXP USA Inc.
In Stock
United States
China
Canada
Japan
Russia
Germany
United Kingdom
Singapore
Italy
Hong Kong(China)
Taiwan(China)
France
Korea
Mexico
Netherlands
Malaysia
Austria
Spain
Switzerland
Poland
Thailand
Vietnam
India
United Arab Emirates
Afghanistan
Åland Islands
Albania
Algeria
American Samoa
Andorra
Angola
Anguilla
Antigua & Barbuda
Argentina
Armenia
Aruba
Australia
Azerbaijan
Bahamas
Bahrain
Bangladesh
Barbados
Belarus
Belgium
Belize
Benin
Bermuda
Bhutan
Bolivia
Bonaire, Sint Eustatius and Saba
Bosnia & Herzegovina
Botswana
Brazil
British Indian Ocean Territory
British Virgin Islands
Brunei
Bulgaria
Burkina Faso
Burundi
Cabo Verde
Cambodia
Cameroon
Cayman Islands
Central African Republic
Chad
Chile
Christmas Island
Cocos (Keeling) Islands
Colombia
Comoros
Congo
Congo (DRC)
Cook Islands
Costa Rica
Côte d’Ivoire
Croatia
Cuba
Curaçao
Cyprus
Czechia
Denmark
Djibouti
Dominica
Dominican Republic
Ecuador
Egypt
El Salvador
Equatorial Guinea
Eritrea
Estonia
Eswatini
Ethiopia
Falkland Islands
Faroe Islands
Fiji
Finland
French Guiana
French Polynesia
Gabon
Gambia
Georgia
Ghana
Gibraltar
Greece
Greenland
Grenada
Guadeloupe
Guam
Guatemala
Guernsey
Guinea
Guinea-Bissau
Guyana
Haiti
Honduras
Hungary
Iceland
Indonesia
Iran
Iraq
Ireland
Isle of Man
Israel
Jamaica
Jersey
Jordan
Kazakhstan
Kenya
Kiribati
Kosovo
Kuwait
Kyrgyzstan
Laos
Latvia
Lebanon
Lesotho
Liberia
Libya
Liechtenstein
Lithuania
Luxembourg
Macao(China)
Madagascar
Malawi
Maldives
Mali
Malta
Marshall Islands
Martinique
Mauritania
Mauritius
Mayotte
Micronesia
Moldova
Monaco
Mongolia
Montenegro
Montserrat
Morocco
Mozambique
Myanmar
Namibia
Nauru
Nepal
New Caledonia
New Zealand
Nicaragua
Niger
Nigeria
Niue
Norfolk Island
North Korea
North Macedonia
Northern Mariana Islands
Norway
Oman
Pakistan
Palau
Palestinian Authority
Panama
Papua New Guinea
Paraguay
Peru
Philippines
Pitcairn Islands
Portugal
Puerto Rico
Qatar
Réunion
Romania
Rwanda
Samoa
San Marino
São Tomé & Príncipe
Saudi Arabia
Senegal
Serbia
Seychelles
Sierra Leone
Sint Maarten
Slovakia
Slovenia
Solomon Islands
Somalia
South Africa
South Sudan
Sri Lanka
St Helena, Ascension, Tristan da Cunha
St. Barthélemy
St. Kitts & Nevis
St. Lucia
St. Martin
St. Pierre & Miquelon
St. Vincent & Grenadines
Sudan
Suriname
Svalbard & Jan Mayen
Sweden
Syria
Tajikistan
Tanzania
Timor-Leste
Togo
Tokelau
Tonga
Trinidad & Tobago
Tunisia
Turkey
Turkmenistan
Turks & Caicos Islands
Tuvalu
U.S. Outlying Islands
U.S. Virgin Islands
Uganda
Ukraine
Uruguay
Uzbekistan
Vanuatu
Vatican City
Venezuela
Wallis & Futuna
Yemen
Zambia
Zimbabwe


Product
Brand
Articles
Tools


