The Comprehensive Introduction to LMD18245T
8mA mA 4.62mm mm 17.501mm mm Motor Drivers 15 42V V 55V V 2 20.015mm mm









8mA mA 4.62mm mm 17.501mm mm Motor Drivers 15 42V V 55V V 2 20.015mm mm
The LMD18245T is a 3A 55V DMOS Full-bridge Motor Driver. This article will unlock its pinout, datasheet, function operation and more detailed information on LMD18245T.
LMD18245T Overview
The LMD18245T is a 3A 55V DMOS Full-bridge Motor Driver that includes all of the circuitry needed to drive and control current in a brushed DC motor or one phase of a bipolar stepper motor. The LMD18245T is built using a multi-technology process that combines bipolar and CMOS control and protection circuitry with DMOS power switches on the same monolithic structure. It regulates motor current using a fixed off-time chopper technique.
LMD18245T Pinout

LMD18245T Pinout
Pins Description
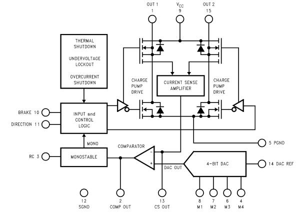
Pin 1, OUT 1: Output node of the first half H-bridge.
Pin 2, COMP OUT: Output of the comparator. If the voltage at CS OUT exceeds that provided by the DAC, the comparator triggers the monostable.
Pin 3, RC: Monostable timing node. A parallel resistor-capacitor network connection between this node and the ground sets the monostable timing pulse at about 1.1 RC seconds.
Pin 5, PGND: Ground return node of the power bridge. Bond wires (internal) connect PGND to the tab of the TO-220 package.
Pins 4 and 6 through 8, M4 through M1: Digital inputs of the DAC. These inputs make up a four-bit binary number with M4 as the most significant bit or MSB. The DAC provides an analogue voltage directly proportional to the binary number applied at M4 through M1.
Pin 9, VCC: Power supply node.
Pin 10, BRAKE: Brake logic input. Pulling the BRAKE input logic-high activates both sourcing switches of the power bridge — effectively shorting the load. Shorting the load in this manner forces the load current to recirculate and decay to zero.
Pin 11, DIRECTION: Direction logic input. The logic level at this input dictates the direction of the current flow in the load.
Pin 12, SGND: Ground return node of all signal level circuits.
Pin 13, CS OUT: Output of the current sense amplifier. The current sense amplifier sources 250 μA (typical) per ampere of total forward current conducted by the upper two switches of the power bridge.
Pin 14, DAC REF: Voltage reference input of the DAC. The DAC provides an analogue voltage equal to VDAC REF × D/16, where D is the decimal equivalent (0–15) of the binary number applied at M4 through M1.
Pin 15, OUT 2: Output node of the second half H-bridge.
LMD18245T CAD Model
Symbol

LMD18245T Symbol
Footprint

LMD18245T Footprint
3D Model

LMD18245T 3D Model
LMD18245T Applications
Industrial
Medical
Motor Drive
Control
LMD18245T Functional Block Diagram

LMD18245T Functional Block Diagram
LMD18245T Function Description
The LMD18245 includes all of the circuitry required to implement a fixed off-time chopper amplifier. These components include an all-DMOS, full H-bridge with clamp diodes, an amplifier for sensing load current, a comparator, a monostable, and a DAC for digital control of the chopping threshold. Logic, level shifting, and drive blocks are also included for digital control of the direction of the load current and braking.


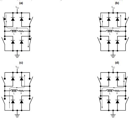
LMD18245T Typical Operation of A Chopper Amplifier Circuit
Chopper amplifiers use feedback-driven switching of a power bridge to control and limit current in a motor's winding (circuit 9). The bridge is made up of four solid-state power switches and four diodes connected in an H pattern.
The winding current is monitored and compared to a threshold by control circuitry (not shown). While the winding current remains less than the threshold, a source and sink switch in opposite halves of the bridge forces the supply voltage across the winding, causing the winding current to rapidly increase towards VCC/R. (circuit 9a and circuit 9d ). When the winding current exceeds the threshold, the control circuitry turns off the sink switch for a predetermined period of time.
During the off-time, the source switch and the opposite upper diode short the winding, causing the winding current to recirculate and gradually decay to zero (circuit 9b and circuit 9e ). At the end of the off-time, the control circuitry turns the sink switch back ON, and the winding current rapidly increases towards VCC/R. (circuit 9a and circuit 9d again). The preceding sequence is repeated to provide a current chopping action that restricts the winding current to the threshold (circuit 9g ).
Chopping occurs only when the winding current reaches a certain threshold. The diodes provide a decay path for the initial winding current when the direction of the winding current changes (circuit 9c and circuit 9f ). Because the bridge shorts the winding for a fixed period of time, this type of chopper amplifier is also known as a fixed off-time chopper.
LMD18245T Package

LMD18245T Package
Specifications
- TypeParameter
- Lifecycle Status
Lifecycle Status refers to the current stage of an electronic component in its product life cycle, indicating whether it is active, obsolete, or transitioning between these states. An active status means the component is in production and available for purchase. An obsolete status indicates that the component is no longer being manufactured or supported, and manufacturers typically provide a limited time frame for support. Understanding the lifecycle status is crucial for design engineers to ensure continuity and reliability in their projects.
ACTIVE (Last Updated: 4 days ago) - Factory Lead Time6 Weeks
- Mount
In electronic components, the term "Mount" typically refers to the method or process of physically attaching or fixing a component onto a circuit board or other electronic device. This can involve soldering, adhesive bonding, or other techniques to secure the component in place. The mounting process is crucial for ensuring proper electrical connections and mechanical stability within the electronic system. Different components may have specific mounting requirements based on their size, shape, and function, and manufacturers provide guidelines for proper mounting procedures to ensure optimal performance and reliability of the electronic device.
Through Hole - Mounting Type
The "Mounting Type" in electronic components refers to the method used to attach or connect a component to a circuit board or other substrate, such as through-hole, surface-mount, or panel mount.
Through Hole - Package / Case
refers to the protective housing that encases an electronic component, providing mechanical support, electrical connections, and thermal management.
TO-220-15 Formed Leads - Number of Pins15
- Operating Temperature
The operating temperature is the range of ambient temperature within which a power supply, or any other electrical equipment, operate in. This ranges from a minimum operating temperature, to a peak or maximum operating temperature, outside which, the power supply may fail.
-40°C~150°C TJ - Packaging
Semiconductor package is a carrier / shell used to contain and cover one or more semiconductor components or integrated circuits. The material of the shell can be metal, plastic, glass or ceramic.
Tube - JESD-609 Code
The "JESD-609 Code" in electronic components refers to a standardized marking code that indicates the lead-free solder composition and finish of electronic components for compliance with environmental regulations.
e3 - Pbfree Code
The "Pbfree Code" parameter in electronic components refers to the code or marking used to indicate that the component is lead-free. Lead (Pb) is a toxic substance that has been widely used in electronic components for many years, but due to environmental concerns, there has been a shift towards lead-free alternatives. The Pbfree Code helps manufacturers and users easily identify components that do not contain lead, ensuring compliance with regulations and promoting environmentally friendly practices. It is important to pay attention to the Pbfree Code when selecting electronic components to ensure they meet the necessary requirements for lead-free applications.
yes - Part Status
Parts can have many statuses as they progress through the configuration, analysis, review, and approval stages.
Active - Moisture Sensitivity Level (MSL)
Moisture Sensitivity Level (MSL) is a standardized rating that indicates the susceptibility of electronic components, particularly semiconductors, to moisture-induced damage during storage and the soldering process, defining the allowable exposure time to ambient conditions before they require special handling or baking to prevent failures
1 (Unlimited) - Number of Terminations15
- ECCN Code
An ECCN (Export Control Classification Number) is an alphanumeric code used by the U.S. Bureau of Industry and Security to identify and categorize electronic components and other dual-use items that may require an export license based on their technical characteristics and potential for military use.
EAR99 - Terminal Finish
Terminal Finish refers to the surface treatment applied to the terminals or leads of electronic components to enhance their performance and longevity. It can improve solderability, corrosion resistance, and overall reliability of the connection in electronic assemblies. Common finishes include nickel, gold, and tin, each possessing distinct properties suitable for various applications. The choice of terminal finish can significantly impact the durability and effectiveness of electronic devices.
Matte Tin (Sn) - Applications
The parameter "Applications" in electronic components refers to the specific uses or functions for which a component is designed. It encompasses various fields such as consumer electronics, industrial automation, telecommunications, automotive, and medical devices. Understanding the applications helps in selecting the right components for a particular design based on performance, reliability, and compatibility requirements. This parameter also guides manufacturers in targeting their products to relevant markets and customer needs.
General Purpose - Additional Feature
Any Feature, including a modified Existing Feature, that is not an Existing Feature.
CONTAINS DC MOTOR DRIVER - Voltage - Supply
Voltage - Supply refers to the range of voltage levels that an electronic component or circuit is designed to operate with. It indicates the minimum and maximum supply voltage that can be applied for the device to function properly. Providing supply voltages outside this range can lead to malfunction, damage, or reduced performance. This parameter is critical for ensuring compatibility between different components in a circuit.
12V~55V - Terminal Position
In electronic components, the term "Terminal Position" refers to the physical location of the connection points on the component where external electrical connections can be made. These connection points, known as terminals, are typically used to attach wires, leads, or other components to the main body of the electronic component. The terminal position is important for ensuring proper connectivity and functionality of the component within a circuit. It is often specified in technical datasheets or component specifications to help designers and engineers understand how to properly integrate the component into their circuit designs.
ZIG-ZAG - Supply Voltage
Supply voltage refers to the electrical potential difference provided to an electronic component or circuit. It is crucial for the proper operation of devices, as it powers their functions and determines performance characteristics. The supply voltage must be within specified limits to ensure reliability and prevent damage to components. Different electronic devices have specific supply voltage requirements, which can vary widely depending on their design and intended application.
42V - Base Part Number
The "Base Part Number" (BPN) in electronic components serves a similar purpose to the "Base Product Number." It refers to the primary identifier for a component that captures the essential characteristics shared by a group of similar components. The BPN provides a fundamental way to reference a family or series of components without specifying all the variations and specific details.
LMD18245 - Function
The parameter "Function" in electronic components refers to the specific role or purpose that the component serves within an electronic circuit. It defines how the component interacts with other elements, influences the flow of electrical signals, and contributes to the overall behavior of the system. Functions can include amplification, signal processing, switching, filtering, and energy storage, among others. Understanding the function of each component is essential for designing effective and efficient electronic systems.
Driver - Fully Integrated, Control and Power Stage - Output Voltage
Output voltage is a crucial parameter in electronic components that refers to the voltage level produced by the component as a result of its operation. It represents the electrical potential difference between the output terminal of the component and a reference point, typically ground. The output voltage is a key factor in determining the performance and functionality of the component, as it dictates the level of voltage that will be delivered to the connected circuit or load. It is often specified in datasheets and technical specifications to ensure compatibility and proper functioning within a given system.
55V - Number of Channels2
- Interface
In electronic components, the term "Interface" refers to the point at which two different systems, devices, or components connect and interact with each other. It can involve physical connections such as ports, connectors, or cables, as well as communication protocols and standards that facilitate the exchange of data or signals between the connected entities. The interface serves as a bridge that enables seamless communication and interoperability between different parts of a system or between different systems altogether. Designing a reliable and efficient interface is crucial in ensuring proper functionality and performance of electronic components and systems.
Parallel - Analog IC - Other Type
Analog IC - Other Type is a parameter used to categorize electronic components that are integrated circuits (ICs) designed for analog signal processing but do not fall into more specific subcategories such as amplifiers, comparators, or voltage regulators. These ICs may include specialized analog functions such as analog-to-digital converters (ADCs), digital-to-analog converters (DACs), voltage references, or signal conditioning circuits. They are typically used in various applications where precise analog signal processing is required, such as in audio equipment, instrumentation, communication systems, and industrial control systems. Manufacturers provide detailed specifications for these components to help engineers select the most suitable IC for their specific design requirements.
STEPPER MOTOR CONTROLLER - Operating Supply Current
Operating Supply Current, also known as supply current or quiescent current, is a crucial parameter in electronic components that indicates the amount of current required for the device to operate under normal conditions. It represents the current drawn by the component from the power supply while it is functioning. This parameter is important for determining the power consumption of the component and is typically specified in datasheets to help designers calculate the overall power requirements of their circuits. Understanding the operating supply current is essential for ensuring proper functionality and efficiency of electronic systems.
8mA - Output Configuration
Output Configuration in electronic components refers to the arrangement or setup of the output pins or terminals of a device. It defines how the output signals are structured and how they interact with external circuits or devices. The output configuration can determine the functionality and compatibility of the component in a circuit design. Common types of output configurations include single-ended, differential, open-drain, and push-pull configurations, each serving different purposes and applications in electronic systems. Understanding the output configuration of a component is crucial for proper integration and operation within a circuit.
Half Bridge (2) - Logic Function
In electronic components, the term "Logic Function" refers to the specific operation or behavior of a component based on its input signals. It describes how the component processes the input signals to produce the desired output. Logic functions are fundamental to digital circuits and are used to perform logical operations such as AND, OR, NOT, and XOR.Each electronic component, such as logic gates or flip-flops, is designed to perform a specific logic function based on its internal circuitry. By understanding the logic function of a component, engineers can design and analyze complex digital systems to ensure proper functionality and performance. Different logic functions can be combined to create more complex operations, allowing for the creation of sophisticated digital devices and systems.
AND - Output Current-Max
Output Current-Max is a parameter in electronic components that specifies the maximum amount of current that can be safely drawn from the output of the component without causing damage. It is an important specification to consider when designing circuits to ensure that the component can handle the required current without overheating or failing. Exceeding the maximum output current can lead to performance issues, component damage, or even complete failure of the circuit. It is crucial to adhere to the specified maximum output current to ensure the reliable operation of the electronic component and the overall circuit.
6A - Collector Emitter Voltage (VCEO)
Collector-Emitter Voltage (VCEO) is a key parameter in electronic components, particularly in transistors. It refers to the maximum voltage that can be applied between the collector and emitter terminals of a transistor while the base terminal is open or not conducting. Exceeding this voltage limit can lead to breakdown and potential damage to the transistor. VCEO is crucial for ensuring the safe and reliable operation of the transistor within its specified limits. Designers must carefully consider VCEO when selecting transistors for a circuit to prevent overvoltage conditions that could compromise the performance and longevity of the component.
55V - Max Collector Current
Max Collector Current is a parameter used to specify the maximum amount of current that can safely flow through the collector terminal of a transistor or other electronic component without causing damage. It is typically expressed in units of amperes (A) and is an important consideration when designing circuits to ensure that the component operates within its safe operating limits. Exceeding the specified max collector current can lead to overheating, degradation of performance, or even permanent damage to the component. Designers must carefully consider this parameter when selecting components and designing circuits to ensure reliable and safe operation.
3A - Voltage - Load
Voltage - Load refers to the voltage across a load component in an electronic circuit when it is connected and operational. It represents the electrical potential difference that drives current through the load, which can be a resistor, motor, or other devices that consume electrical power. The voltage - load relationship is crucial for determining how much power the load will utilize and how it will affect the overall circuit performance. Properly managing voltage - load is essential for ensuring devices operate efficiently and safely within their specified limits.
12V~55V - Motor Type
Motor Type in electronic components refers to the classification or categorization of motors based on their design, construction, and operating characteristics. This parameter helps in identifying the specific type of motor being used in a particular electronic device or system. Common motor types include DC motors, AC motors, stepper motors, servo motors, and brushless motors, each with its own unique features and applications. Understanding the motor type is crucial for selecting the right motor for a given application, as different types of motors have different performance characteristics, efficiency levels, and control requirements. It is important to consider the motor type when designing or troubleshooting electronic systems to ensure optimal performance and reliability.
Brushed - Motor Type - AC, DC
The parameter "Motor Type - AC, DC" in electronic components refers to the type of motor used in a particular device or system. AC motors run on alternating current, while DC motors run on direct current. The choice between AC and DC motors depends on the specific requirements of the application, such as power efficiency, speed control, and cost. AC motors are commonly used in household appliances and industrial equipment, while DC motors are often found in battery-operated devices and automotive applications. Understanding the motor type is crucial for selecting the right component to ensure optimal performance and compatibility within the system.
Brushed DC - Motor Type - Stepper
Motor Type - Stepper refers to a type of electromechanical device that converts electrical pulses into discrete mechanical movements. Stepper motors move in fixed angular increments or steps, allowing for precise control of position and speed. They are commonly used in applications requiring accurate positioning, such as 3D printers, CNC machines, and robotics. Stepper motors typically operate by energizing coils in a specific sequence, creating a magnetic field that moves the rotor in defined steps.
Bipolar - Step Resolution
Servo motor resolution is determined by feedback device of motor. I.e. 1000 PPR (pulses per revolution) quadrature encoder yields 1/4000 revolution resolution because 1000 PPR equals 4000 counts per revolution after standard 4X decoding.
1, 1/2 - Height4.62mm
- Length20.015mm
- Width17.501mm
- Thickness
Thickness in electronic components refers to the measurement of how thick a particular material or layer is within the component structure. It can pertain to various aspects, such as the thickness of a substrate, a dielectric layer, or conductive traces. This parameter is crucial as it impacts the electrical, mechanical, and thermal properties of the component, influencing its performance and reliability in electronic circuits.
4.496mm - REACH SVHC
The parameter "REACH SVHC" in electronic components refers to the compliance with the Registration, Evaluation, Authorization, and Restriction of Chemicals (REACH) regulation regarding Substances of Very High Concern (SVHC). SVHCs are substances that may have serious effects on human health or the environment, and their use is regulated under REACH to ensure their safe handling and minimize their impact.Manufacturers of electronic components need to declare if their products contain any SVHCs above a certain threshold concentration and provide information on the safe use of these substances. This information allows customers to make informed decisions about the potential risks associated with using the components and take appropriate measures to mitigate any hazards.Ensuring compliance with REACH SVHC requirements is essential for electronics manufacturers to meet regulatory standards, protect human health and the environment, and maintain transparency in their supply chain. It also demonstrates a commitment to sustainability and responsible manufacturing practices in the electronics industry.
No SVHC - Radiation Hardening
Radiation hardening is the process of making electronic components and circuits resistant to damage or malfunction caused by high levels of ionizing radiation, especially for environments in outer space (especially beyond the low Earth orbit), around nuclear reactors and particle accelerators, or during nuclear accidents or nuclear warfare.
No - RoHS Status
RoHS means “Restriction of Certain Hazardous Substances” in the “Hazardous Substances Directive” in electrical and electronic equipment.
ROHS3 Compliant - Lead Free
Lead Free is a term used to describe electronic components that do not contain lead as part of their composition. Lead is a toxic material that can have harmful effects on human health and the environment, so the electronics industry has been moving towards lead-free components to reduce these risks. Lead-free components are typically made using alternative materials such as silver, copper, and tin. Manufacturers must comply with regulations such as the Restriction of Hazardous Substances (RoHS) directive to ensure that their products are lead-free and environmentally friendly.
Lead Free
Datasheet PDF
- Datasheets :
- PCN Assembly/Origin :
Parts with Similar Specs
- ImagePart NumberManufacturerPackage / CaseNumber of PinsOutput VoltageInterfaceSupply VoltageFactory Lead TimeMoisture Sensitivity Level (MSL)Voltage - LoadView Compare
LMD18245T/NOPB
TO-220-15 Formed Leads
15
55 V
Parallel
42 V
6 Weeks
1 (Unlimited)
12V ~ 55V
TO-220-11 (Formed Leads)
11
55 V
Parallel
42 V
6 Weeks
1 (Unlimited)
12V ~ 55V
TO-220-11 (Formed Leads)
11
-
Parallel
42 V
6 Weeks
1 (Unlimited)
12V ~ 55V
Exploring the Silicon Labs EFM8LB12F64ECQFN32 Microcontroller: A Comprehensive Analysis29 February 2024143
ADM2587EBRWZ Transceiver, RS-422/RS-485 20-SOIC, Signal and Power Isolated09 February 20223028
TJA1051 CAN Transceiver: Features, Equivalent and Datasheet18 January 202210710
LM293D:Dual Comparator, 36V, Pinout, Datasheet04 March 20221419
TL494CN PWM Controllers[FAQ+Video]:Circuit, datasheet, Alternatives13 April 20227843
PL602-21 HCSL Compatible Clock Generator: Pinout, Equivalent and Datasheet22 February 2022482
DS1090 Clock Generator: Pinout, Equivalent and Datasheet21 February 2022586
TDA7492P Audio Amplifier: Datasheet, Applications Circuit, and Pinout26 July 20213949
Electric Car Rechargeable Batteries: How Long Do They Last?13 April 20233725
Opportunities and Challenges for 2D Materials22 March 20225052
What is Potentiometer?25 October 20217247
The Development Trends in the Field of Electronic Component Applications28 July 20234633
What is Tantalum Capacitor: Structure, Failure and Application Guide14 April 202219377
Nickel-Cadmium Battery: Construction, Features and Working Principle06 March 202130830
‘6G Networks’ - Pioneering the Next Era of Connectivity And Innovation18 March 20243341
Core Components behind Smart Glasses28 June 202310034
Texas Instruments
In Stock: 70
United States
China
Canada
Japan
Russia
Germany
United Kingdom
Singapore
Italy
Hong Kong(China)
Taiwan(China)
France
Korea
Mexico
Netherlands
Malaysia
Austria
Spain
Switzerland
Poland
Thailand
Vietnam
India
United Arab Emirates
Afghanistan
Åland Islands
Albania
Algeria
American Samoa
Andorra
Angola
Anguilla
Antigua & Barbuda
Argentina
Armenia
Aruba
Australia
Azerbaijan
Bahamas
Bahrain
Bangladesh
Barbados
Belarus
Belgium
Belize
Benin
Bermuda
Bhutan
Bolivia
Bonaire, Sint Eustatius and Saba
Bosnia & Herzegovina
Botswana
Brazil
British Indian Ocean Territory
British Virgin Islands
Brunei
Bulgaria
Burkina Faso
Burundi
Cabo Verde
Cambodia
Cameroon
Cayman Islands
Central African Republic
Chad
Chile
Christmas Island
Cocos (Keeling) Islands
Colombia
Comoros
Congo
Congo (DRC)
Cook Islands
Costa Rica
Côte d’Ivoire
Croatia
Cuba
Curaçao
Cyprus
Czechia
Denmark
Djibouti
Dominica
Dominican Republic
Ecuador
Egypt
El Salvador
Equatorial Guinea
Eritrea
Estonia
Eswatini
Ethiopia
Falkland Islands
Faroe Islands
Fiji
Finland
French Guiana
French Polynesia
Gabon
Gambia
Georgia
Ghana
Gibraltar
Greece
Greenland
Grenada
Guadeloupe
Guam
Guatemala
Guernsey
Guinea
Guinea-Bissau
Guyana
Haiti
Honduras
Hungary
Iceland
Indonesia
Iran
Iraq
Ireland
Isle of Man
Israel
Jamaica
Jersey
Jordan
Kazakhstan
Kenya
Kiribati
Kosovo
Kuwait
Kyrgyzstan
Laos
Latvia
Lebanon
Lesotho
Liberia
Libya
Liechtenstein
Lithuania
Luxembourg
Macao(China)
Madagascar
Malawi
Maldives
Mali
Malta
Marshall Islands
Martinique
Mauritania
Mauritius
Mayotte
Micronesia
Moldova
Monaco
Mongolia
Montenegro
Montserrat
Morocco
Mozambique
Myanmar
Namibia
Nauru
Nepal
New Caledonia
New Zealand
Nicaragua
Niger
Nigeria
Niue
Norfolk Island
North Korea
North Macedonia
Northern Mariana Islands
Norway
Oman
Pakistan
Palau
Palestinian Authority
Panama
Papua New Guinea
Paraguay
Peru
Philippines
Pitcairn Islands
Portugal
Puerto Rico
Qatar
Réunion
Romania
Rwanda
Samoa
San Marino
São Tomé & Príncipe
Saudi Arabia
Senegal
Serbia
Seychelles
Sierra Leone
Sint Maarten
Slovakia
Slovenia
Solomon Islands
Somalia
South Africa
South Sudan
Sri Lanka
St Helena, Ascension, Tristan da Cunha
St. Barthélemy
St. Kitts & Nevis
St. Lucia
St. Martin
St. Pierre & Miquelon
St. Vincent & Grenadines
Sudan
Suriname
Svalbard & Jan Mayen
Sweden
Syria
Tajikistan
Tanzania
Timor-Leste
Togo
Tokelau
Tonga
Trinidad & Tobago
Tunisia
Turkey
Turkmenistan
Turks & Caicos Islands
Tuvalu
U.S. Outlying Islands
U.S. Virgin Islands
Uganda
Ukraine
Uruguay
Uzbekistan
Vanuatu
Vatican City
Venezuela
Wallis & Futuna
Yemen
Zambia
Zimbabwe


Product
Brand
Articles
Tools








