What is Tantalum Capacitor: Structure, Failure and Application Guide

Avi Oziel in: What are Tantalum Capacitors? How to recover Tantalum from Computers?
Ⅰ. Introduction and basic structure of tantalum capacitors
Solid tantalum capacitors are made by pressing tantalum powder into an anode body and sintering it in a high-temperature furnace. The dielectric is energized by forming a porous amorphous Ta2O5 dielectric film by immersing the anode body in acid. MnO2 is formed by high-temperature breakdown and is employed as a lead-out connection through the graphite layer.
Tantalum capacitors have high performance, can reach great capacities while maintaining a small volume, are easy to manufacture into small and chip components, are suited for current electronic device assembly automation, miniaturization development, and have been widely employed. It has a long service life, good temperature resistance, and excellent accuracy, but it has limited withstand voltage and current capabilities, and it is generally used in large-capacity filtering parts of circuits.
2.1. Basic structure

Figure. 1
The figure below shows a tantalum capacitor with MnO2 as the negative electrode

Figure. 2

Figure. 3
The figure below shows a tantalum capacitor with a polymer as the negative electrode

Figure. 4

Figure. 5
Ⅱ. Production process
Tantalum electrolytic capacitors are separated into liquid and solid tantalum electrolytic capacitors based on the electrolyte form. Liquid tantalum electrolysis produces a relatively little quantity of heat. This article only covers the solid tantalum electrolysis manufacturing method.
Tantalum pentoxide is used as the dielectric material in solid tantalum electrolytic capacitors; the anode is a metal tantalum block made by sintering and pulled from tantalum wire; and the typical negative electrode is solid MnO2.
There are two ways to install tantalum electrolytic capacitors: lead type and SMD.
1. Production process flow chart
Forming → sintering → volume test → frame assembly → energizing → PTFE coating → film → graphite silver paste → film dispensing and curing → spot welding → molding curing → rib cutting → sand blasting → electroplating → marking → edge trimming → Leakage prediction→aging→testing→inspection→taping→warehousing
2. Description of the main production process
2.1 Forming process:
The goal of this procedure is to combine tantalum powder and tantalum wire into a specific shape. A specified amount of adhesive should be added to the tantalum powder during the molding process.
a) Why do we add adhesive?
To improve the tantalum powder's fluidity and formability, avoid making too many errors in the powder weight, and prevent cluttering the mold cavity with tantalum powder. More adhesive can be used if the low specific volume powder has good fluidity, and less adhesive can be added if the high specific volume powder has poor fluidity.
b) What is the effect of adding too much or too little?
If there is too much camphor, a substantial amount of camphor will volatilize when the camphor is removed, causing the tantalum billet to fracture and split, and the thin tantalum billet to bend. It will not increase the fluidity of tantalum powder if it is too small. Because camphor is a volatile material, a small amount of adhesive can be added to the combined tantalum powder if it will be used for a long time. Camphor will raise the impurity concentration of the tantalum powder, which will influence leakage. To avoid camphor volatilization, contaminants mixed with tantalum powder, and tantalum powder adsorbing gas in the air, the tantalum powder should be sealed and stored in a PTFE bottle or vacuum bag after each day of usage.
c) 3. Can it be sinterized without removing the camphor after it has been formed in the sintering furnace?
Camphor is a low-temperature volatile substance, thus no. The volatile matter will condense in the discharge pipes of the furnace, mechanical pump, diffusion pump, and so on if it is immediately placed into the sintering furnace for sintering.
d) What are the effects of a too shallow depth of wire burial?
It is simple to pull out or loosen the tantalum wire. It is easy to create a high leakage current at the heel of the tantalum wire after it has been gravitationalized in the succeeding step. As a result, it is recommended that the tantalum wire be buried at least two-thirds of the height of the tantalum billet and that it be checked often during the forming process.
e) What is the impact of too much powder weight error?
The pink weight error error is too great, causing major capacity dispersion, and the K (ten percent) file's hit rate will be extremely low. During molding, the powder is frequently weighed, and the error should be within the authorized range (3%). The energizing voltage or sintering temperature can be modified if both light and heavy are heavy or light. Adjust the forming machine, isolate the pressed tantalum billet, make a mark, and place a crucible separately for sintering if there is light or heavy, and it exceeds the error range.
f) The density should be uniform
There can't be any tightness on top, no looseness on the bottom, and no tension on the top. Otherwise, the loose place's pressure resistance will be diminished. The tantalum billet's height should be within the tolerance range; read the process manual for further information.
g) Precautions for molding:
(1) Powder weight
(2) Compaction
(3) Height
(4) Tantalum wire buried depth
(5) Before changing the powder, the machine must be properly cleaned of the old powder.
(6) Avoid touching tantalum powder and tantalum billets with bare hands, and be wary of tantalum powder and tantalum billet contamination. Do not apply oil to any areas where tantalum powder may be present.
(7)The sintered tantalum billet should be packed and kept in a dry container as quickly as feasible, often within 24 hours.
(8) Each crucible must be accompanied with a little card with the operator's name, date, specification, powder weight, and other pertinent information. This card cycles with the work order, and after empowerment, the data must be written on the work order before it is discarded. It may be traced back to prevent quality issues in sintering, energization, and film.
2.2 Sintering process
a) Sintering: under high temperature and high vacuum, sintering tantalum blanks into high-purity tantalum blocks with a particular mechanical strength.
b) Purpose: one is to purify, while the other is to strengthen mechanically.
c) What influence does sintering temperature have on tantalum powder specific volume?

Figure. 6
The specific volume decreases as the sintering temperature rises, however this decrease is not totally linear.
Because the tantalum powder particles shrink more closely as the temperature rises, some apertures become burnt and blocked. Porous tantalum powder particles make up the tantalum block. The specific surface area of tantalum powder is decreasing, resulting in a decrease in the specific volume of the tantalum powder.
d) What influence does sintering temperature have on tantalum powder breakdown voltage?

Figure. 7
Because the impurities are eliminated more thoroughly at higher sintering temperatures, the breakdown voltage rises in a non-linear fashion as the sintering temperature rises.
e) What will happen to the electrical characteristics if the sintering temperature is too high or too low?
The tantalum wire and the tantalum block are not firmly joined, and the tantalum wire is easily pulled out, or the heel of the tantalum wire is subjected to gravity during future processing, resulting in damage to the oxide coating on the heel. There is a significant current leakage. When the sintering temperature is too high, the specific volume differs significantly from the specified specific volume, and the expected capacity is not obtained. For leakage current, a high temperature is beneficial.The effective pore size will be lowered if the temperature is too high, and the membrane manganese nitrate will not enter into the fine pore size. It causes the film to become impermeable and increases the amount of loss.
f) What should I do if the test volume's capacity is low after sintering?
(1)Determine if the calculated energizing voltage can attain the minimum energizing voltage if the capacity is controlled at 5% —- 10%.
(2) If not, you can only alter the specifications, such as 16V10UF to 16V6.8UF, as long as the energizing voltage is increased; however, it is unclear whether the higher energizing voltage would reach its flash voltage; if it does, it will be extremely harmful. It can also be altered to 25V6.8UF, but the estimated energizing voltage must meet the amended specification's minimum energizing voltage.
g) What should I do if the capacity of the test volume is large after sintering?
Is the computed energizing voltage close to the flash voltage if the capacity is controlled at +5 percent ——-+10 percent? It can't flow into the rear channel if it's too close;
The specification can be modified to 16V10U, 16V15U, or 10V15U if it is close to the flash voltage, but the calculated enabling voltage cannot be lower than the minimum enabling voltage, and the specification cannot be altered to a high voltage.
It can only be re-sintered if it is not possible. The sintering temperature should be regulated according to the exact volume for re-sintering.
h) How do you deal with a vacuum degree that isn't good at high temperatures?If the vacuum level drops suddenly at a high temperature, the furnace has sprung a leak. Cool down as soon as possible. Because the tantalum block, tantalum wire, crucible insulating layer, and heat shield are all tantalum products, they will oxidize and become brittle once oxygen enters the furnace.
i) Empty burning
An empty sintering is required after a month of normal sintering, and the temperature of the empty sintering should be more than 100 degrees higher than the normal sintering temperature.
Because low-temperature impurities are adsorbed on the furnace and crucible, if the furnace and crucible are not burnt in an empty state, the low-temperature impurities volatilize to the tantalum block, resulting in a large tantalum block leakage current. (A batch of 35V106 335 225 is thought to be owing to the furnace capacity being too large and the furnace being empty.) Because of the low compression density, it's quite huge).
2.3 Rack
a) Dimensions
The distance between the tantalum block's upper end face and the steel bar's edge is 5.00.2mm. The upper end face of the tantalum block will be covered with silica gel or tantalum wire if the deviation is too large.
b) Be careful to be vertical.
c) Make a note on the mixing tiny card stating if the diameter is less than 2.0, 60 pieces will be released, and if the diameter is greater than 2.5, 30 pieces will be released.
d)A little card should be put to each shelf. Transfer the forming, forming, and sintering data to the tiny card, and make a note of the voltage after the test capacity. Spread on a shelf.
e) Although the voltage is the same for sintering of different levels, it is advisable not to mount it on a steel frame to prevent the capacity from being dispersed across the strip.
f) The steel frame steel sheet must be utilized after cleaning, and it must not be exposed to excessive force in order to avoid distortion and bending.
2.4 Enabling process
a) Enabling: An electrochemical reaction produces a tantalum pentoxide oxide layer, which serves as the medium for a tantalum capacitor.
b) Oxide film thickness: the higher the voltage, the thicker the oxide film, therefore as the energizing voltage rises, the oxide film thickness rises and the capacity falls.
c) Color of the oxide film: the color of the oxide film is also different due to the interference of different forming voltages. The hue becomes periodic as the voltage rises.
d) Forming voltage:Empirical formula (this formula can only increase the voltage in a small range, if the voltage is increased by a large margin, it is not very accurate, and an insurance factor must be added).
C1.V1=C2.V2
V2=C1.V1/C2
C1------The first capacity average;
V1------The first forming voltage (constant voltage);
C2------The capacity to be indicated C2=K CR
(K is defined by the rear channel's capacity shrinkage and can be changed over time.) In general, the smaller the capacity, the smaller the back channel capacity loss; the larger the capacity, the larger the back channel capacity loss; the low specific volume powder, the smaller the capacity loss; the higher the specific volume powder, the greater the back channel capacity loss. CR1UF, K=1.0; CR>1UF, K=1.04) are the most common.
For instance, if the voltage is 35V105, the intermediate sampling capacity is 1.08, 1.05, 1.12, 1.09, 1.10, and the voltage is 95V. To obtain the needed capacity, how many volts must be increased?
To increase 9V, first find the average value of the intermediate sampling capacity C1=1.09, V1=95, V2=1.09X95/1.0=103.5(V).
Note: After increasing the voltage, the energization can be terminated only after the constant voltage is required for one hour.
e) Forming liquid temperature: T1.V1=T2.V2
T1: the first constant pressure temperature;
V1: the first constant voltage;
T2: the second constant pressure temperature;
V2: the second constant pressure temperature;
V2: T1.V1/T2
Note that the temperature K in the formula is an absolute temperature; the Celsius temperature must be multiplied by 273; for example, the first constant pressure temperature is 75 degrees, and the constant pressure voltage is 90 volts. How many volts should the forming voltage be reduced if the forming liquid temperature is increased to 85 degrees?
V2=90(75+273)/(85+273)=87.5V, requiring a 3V reduction.
This is a formula that isn't often utilized. However, it can help explain why the capacity increases at low temperatures.
The better the quality of the oxide sheet, the higher the formation temperature. However, if the temperature is too high and the water vapourizes rapidly, it is required to add water on a regular basis, which might lead to liquid conductivity instability. The constant pressure temperature of the dilute aqueous phosphoric acid solution is usually kept between 70 and 90 degrees Celsius. After extensive testing, it has been established that if the constant pressure temperature is less than 70 °C, the quality of the oxide film will be substantially compromised, and the wet test leakage will be out of tolerance. The constant pressure temperature of the Ethylene glycol series can be appropriately enhanced.
f) Current density:
Low specific volume powder requires a small boost current density due to its small specific surface area. 10 mA/g, B grade powder; boost current density is 20 mA/g; high specific volume powder is 35-60 mA/g, depending on specific volume; consult the process manual for further information.
g) Forming liquid:
Low conductivity, poor oxidation effect, but high flash voltage of creating liquid, anode block is difficult to crystallize and break down; high conductivity, poor oxidation effect, but high flash voltage of producing liquid Only a voltage of less than 200V may be formed with the current dilute aqueous phosphoric acid solution. A dilute aqueous solution of ethylene glycol should be used instead if a product with a voltage more than 200V is to be manufactured. Although this solution has a high flash voltage and a good ability to suppress crystallization, ethylene glycol is difficult to boil. The film's loss will increase slightly after washing. As long as a dilute aqueous solution of phosphoric acid is used, the production voltage of CA42 will not surpass 200V under typical conditions.
h) Constant pressure time: the shorter the constant pressure time, the longer the constant pressure time; consult the process document for details. Principle: The end current should be very tiny, essentially stable, and not drop; the exact value is determined by the typical accumulated data.
2.5 film
a) Coating: The process of degrading manganese dioxide by repeatedly immersing it in manganese nitrate.
b) Purpose: To produce a dense layer of manganese dioxide as the cathode of a tantalum capacitor by thermally decomposing manganese nitrate at high temperatures.
c) Decomposition temperature: Decomposition temperatures should be moderate, ranging between 200 and 270 degrees Celsius (referring to the actual decomposition temperature). At this temperature, the crystal structure of manganese dioxide is -type, and its conductivity is the highest. If the decomposition temperature is too high (more than 300°C) or too low, a-type manganese dioxide or manganese trioxide is formed, which has a very high resistivity and a lower electrical conductivity than -type. The electrical performance reflects the huge loss.
d) Decomposition time: A heavy smoke may be visible when the product initially enters the decomposition furnace, which is nitrogen dioxide gas produced by the violent reaction of manganese nitrate. After around 2-3 minutes, there is hardly little smoke visible, suggesting that the reaction has essentially ended. The decomposition period is too short, the reaction is not yet complete, manganese ions will be dissolved during replenishment formation, and the replenishment formation current will be extremely high. Replace it; if the decomposition period is too long, the oxide coating will be damaged, and there will be a big leakage current. The decomposition time should be flexible; for tiny items, the time is short, while for large things, the time is long. If the decomposition temperature is high, the decomposition time should be decreased accordingly, and if it is very low, the decomposition period should be adequately extended.
e) Manganese nitrate concentration: The goal is for the dilute manganese nitrate to easily penetrate the tantalum powder particles' small pores, allowing access to the interior. The cathode area will be lowered if it is not penetrated, and the film capacity and energizing capacity will be significantly different. The scenario will be reflected in the loss, which will be significant. Before producing the dope, it is necessary to dissect a tantalum core to see if it has been pierced. If it still isn't penetrating, dilute the fluid. Low specific volume powder particles are big, and manganese nitrate is easily penetrated. It's too easy to break in, there aren't enough small tantalum cores, and the quantity of huge tantalum cores should be raised properly. The goal of producing the dope and strengthening solution is to make the manganese dioxide film thicker. When the voltage is applied to the film without a particular thickness, it is simple to generate end-to-end discharge at the upper and lower end face contours, causing the oxide film to breakdown. As a result, try to avoid the upper small and the lower, or the upper and the lower, while making the strengthening liquid, and the thickness of the film layer should be uniform. It's crucial to consider the acidity of dilute manganese acid. It will have a direct impact on manganese nitrate permeability and breakdown quality. In general, each time you test, you should use test paper. Nitric acid should be added if it fails to meet the process requirements. After adding the nitric acid, give it a good stir. Once a week, dilute manganese nitrate is replaced, and once a month, concentrated manganese nitrate is replaced (depending on the output and the cleanliness of manganese nitrate).
f) Intermediate formation liquid:
Pure water repair has a little negative effect. It contains a low number of conductive ions, but a high resistance, which protects the product. The tantalum core is utilized as a replenishing liquid since it is difficult to break down and scorch. There will be no loss if there is no residue. The forming action of a dilute aqueous solution of glacial acetic acid (0.04%) is good. After formation, there is no residue, and there will be no significant losses. However, because of the low flash voltage, it is only suited for 6.3V 10V 16V items. Glacial acetic acid is easily volatilized, resulting in toxic fumes. Because the conductivity is not particularly steady, you should always measure it if you use it. Although a dilute aqueous solution of phosphoric acid (0.01 percent) has a good forming effect and a high flash voltage, making it appropriate for 25V 35V products, phosphate ions persist in the tantalum core after formation, causing a loss increase of roughly 0.5. Solution of ethylene glycol, The forming effect is poor, the flash fire voltage is quite high, and there will be no significant losses after forming. It is appropriate for large-scale 40V50V goods. The forming liquid is expensive and poisonous, but it can be used multiple times if the conductivity is within the qualifying range. In most cases, CA42 is unable to use the developing liquid.
g) Emergency measures for problems found:
(1) If the final diluted solution and concentrated solution have not been formed after soaking in the strengthening solution and drying, and the appearance does not match the requirements, the strengthening layer can be made at this time by simply soaking it in deionized water to strengthen it. The layer will flake off on its own. You can proceed when you've removed the decomposition and formation.
(2) If after strengthening a dilute or concentrated solution, it is discovered that the leakage is significant, it must be handled. You can soak for more than 12 hours with 10 mL glacial acetic acid + 30 mL hydrogen peroxide + 1000 mL deionized water. This technique of treatment Because the damage to the oxide coating is minor, remove it and rinse it, then boil and wash it under steady pressure for 2 hours, and then proceed to the next operation in the order listed.
h) The decomposition atmosphere of the film furnace is the most difficult thing for the film to grasp (temperature, wind speed, oxygen content, steam size). In addition, the air intake, air outlet, recirculation hole, and distribution plate below must all be adjusted properly. Only by checking that the adjustment is in a more suited position can it be validated. It is also vital to guarantee good leakage current in order to ensure good loss. The oxygen concentration is usually kept between 9 and 12 percent.
2.6 Graphite silver paste cutting
Auxiliary cathode is a graphite silver paste that functions as a bridge between manganese dioxide and solder. The original bottle's graphite content is over 10%, and it's best to reduce it to around 4.5 percent in practical use. Because graphite has a high permeability, it is easy to climb up if it is too thin, and if it comes into touch with the tantalum wire, it will cause a short circuit, a huge leakage current, and other problems that cannot be noticed at the time. The heel of the tantalum wire is stressed after spot welding, and the pass rate when spot welding detects leakage current is quite low, as is the breakdown during aging. When making strong graphite, if the graphite layer and manganese dioxide layer are too thick, the graphite layer and manganese dioxide layer are easily delaminated, and subsequent encapsulation and curing are subject to thermal attraction, resulting in interlayer peeling between the graphite layer and the manganese dioxide layer, resulting in increased loss.
It should be mentioned that graphite must have a pH greater than 9. The silver paste is the same way. It is easy to dip if it is too thin, but the silver coating is easily eaten by the solder during dip soldering if it is too thick. The contact between the silver layer and the graphite is poor if it is too thick. During dipping, this causes significant contact resistance and wire pulling. Silver paste is used twice by some producers, and the silver paste and graphite must be rolled evenly according to the process requirements before usage.
The cut's quality is frequently overlooked. The leakage will be affected by the sharpness of the knife edge, the gap, and the rate of rushing down.
We found a ten percent leakage current due to poor cutting quality in our tests.
2.7 Spot welding
The further away the solder connection is from the root, the less likely the root oxide film will be damaged. The position and gesture of the spot welding should be correct. The look after encapsulation is strongly influenced by the position of spot welding and dip welding.
The pass rate of spot testing leakage current after spot welding is crucial information. We must always pay attention to the testing information as process technicians. If it is discovered to be inaccurate, we must determine what caused it; otherwise, the quality of subsequent items will be impossible to manage. Although the batch of products cannot be recovered, the same situation arises when the film flows for a period of time.
Frequently possible problems:
a) Tantalum wire cut too short? Solder joint too close to root? The spot welding voltage is too high, and the tantalum wire is too melted?
b) Is the tantalum wire dirty? Is the silicone not coated properly? Silicone on the top? Is the reinforcement layer on the upper end surface too thin? The frame size does not meet the requirements? Deformation of the steel sheet? Mold wear?
c) Graphite crawled onto the end face? The evacuation of the reinforcement layer makes it easy for graphite to climb up?
d) Problem with the cutter?
The problem must be investigated to the end, and only after the problem has been identified can corrective and preventive measures be formulated.
2.8 Dip Soldering
The temperature should be kept at 210°C (+10/-5°C): if it's too low, the sticky tin is too thick, and there's a tin tip at the bottom; if it's too high, the sticky tin is too thin, and the silver layer is easily swallowed by the solder; and if it's too high, the silver layer is easily swallowed by the solder, and the time is kept at The duration is too long, about 2 seconds, and the silver coating is easy to peel off. It's excellent if you can master one-dip soldering. The silver layer and graphite may be peeled off if you immerse it repeatedly.
Because the negative pin is so close to the tantalum core, it can't be short- or open-circuited. The negative electrode should reach at least 1/2 of the tantalum core, but it should not protrude from the tantalum core's bottom, as this will make it easier for waste to form after encapsulation.
Control the flux concentration; if the concentration is too thin, the tin is too sluggish; if the concentration is thick, the tin is rapid, but the sticky tin is thick, the graphite and manganese dioxide layer will readily separate.
2.9 Aging
The goal of aging is to remove early failure products and restore the oxide film. The size of the aging power supply's series resistance has a strong association with the aging impact. It is impossible to meet the goal of rejecting early failure goods if it is too large. Because the product will be broken down a little if it is too small to repair the oxide film, the impact of mending the oxide film will be lost. The product should be released for 24 hours after aging before being measured, or the leakage test will be erroneous.
2.10 Three Parameters and Test Methods of Capacitors
Capacity: Note that the frequency is 100HZ.
Loss: Note that the frequency is 100HZ.
Leakage current: The IL criterion is 0.02CU (C is the nominal capacity, U is the test voltage).
2.11 Explanation of several professional terms:
The formed tantalum billet is called the tantalum block after sintering-------the energized is called the anode block-------after the graphite silver paste It is called tantalum core------- after spot welding and dip welding, it is called core group------- after encapsulation, it is called capacitor
The quality of the products will not meet the basic requirements of users. Such a product has poor anti-surge ability, so it will be very prone to breakdown when used in circuits with large pulse currents.
Ⅲ. The relationship between leakage current and operating temperature of tantalum capacitors
When the operating temperature of tantalum capacitors rises, the leakage current rises with it. The leakage current temperature curve is the name for this curve. Due to differences in production procedures and the precision of raw materials and equipment employed, goods of the same specification produced by different manufacturers frequently change the leakage current at high temperatures. There is a significant distinction. Due to the constant accumulation of heat generated by themselves at high temperatures, products with considerable changes in high temperature leakage current would eventually fail. Products with modest fluctuations in high temperature leakage current work for a long time at high temperatures, and the product's stability is improved. As a result, the tantalum capacitor's reliability can be determined by the product's leakage current change rate at high temperatures. The high temperature performance of chip tantalum capacitors has a significant impact on reliability.
3.1 Leakage current VS temperature:

Figure. 8
3.2 Leakage current VS voltage:
Apply the rated voltage at 20°C, connect a 1000 OHM protection resistor in series with the capacitor in the measuring circuit, charge for one to five minutes (2 minutes for KEMET , VISHAY, AVX, and five minutes for SANYO ), and then measure the leakage current.

Figure. 9
3.3 Dissipation factor (DF value)
The dissipation factor is a physical number that influences how much power the capacitor dissipates internally. The lower the DF value, the better; the general DF value rises as the frequency rises.
The impact of product use and reliability on the size of the loss Description: The ESR of the product with less loss will likewise be less. Loss (DF value) is a measure that indicates the proportion of invalid power consumption that can be caused by the resistance of the tantalum capacitor itself. The little change in loss size, on the other hand, will not have a substantial impact on the use. The impact on product reliability in a working state is greater than the capacity deviation, but it is linked to the impact of product leakage current and ESR on reliability during usage. The ratio is still tiny (leakage current and ESR effects > loss size effects > capacity deviation effects). The filtering effect will be poor if the product is lost a lot during the filtering process. Products with higher losses, on the other hand, have low surge resilience.

Figure. 10
3.4 Impedance, Equivalent Series Resistance (ESR) & Inductive Reactance
The ESR of capacitors is a crucial metric for determining their filter performance. The impedance of the pins and internal electrodes is primarily responsible for the ESR of tantalum capacitors, and it is a critical characteristic for the capacitor's performance at high frequencies. In general, the same capacity and voltage value are used. Tantalum capacitors have a lower ESR than electrolytic capacitors, but they have a greater ESR than multilayer ceramic capacitors. ESR decreases as frequency and temperature increase; ESR=DF/WC. The impedance of the capacitor is the vector sum of the capacitive reactance and ESR of the capacitor below the resonance frequency. The impedance of the capacitor after it resonates is the vector sum of the inductive reactance and ESR of the capacitor.
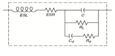
The figure below shows the equivalent composition of a capacitor:

Figure. 11
Among them: ESL: describes the inductance of the pin and the internal structure
RL: leakage resistance of the capacitor
Rd: dielectric loss due to dielectric absorption and internal molecular polarization
ESR and frequency characteristic curve:

Figure. 12
Capacitor impedance Z versus frequency characteristic curve:

Figure. 13
The tantalum capacitor in the pulse charging and discharging circuit will continuously withstand the surge current with a peak power that can reach tens of amperes, and the charging and discharging frequency can sometimes reach hundreds or even thousands of Hz; when such a voltage is basically stable, the surge current will be stable. Tantalum capacitors' reliability in a circuit with constant current is determined not only by their withstand voltage, volt-ampere characteristics, and high and low temperature performance, but also by their equivalent series resistance ESR, because products with higher ESR values are subject to higher surges. More heat will build up in an instant, making it very easy for the goods to break down.
Furthermore, the heat created in a circuit with AC ripple by products with varied ESR values over time is proportional to their ESR value. Products with higher ESR values generate more heat in a shorter amount of time. As a result, various Due to varying impedance ESR values, products of various specifications have varying resistance to ripple current. When utilized at high frequencies, products with low ESR not only have less capacity attenuation, but also have a better filtering effect and can be used in higher frequency circuits. It offers better anti-surge properties and fits the fundamental criteria of pulse charge and discharge circuits that must continuously pass huge currents at high dependability.
Ⅳ. Capacitor failure mode, mechanism and failure characteristics
There are three sorts of failures for tantalum capacitors, same like other types of capacitors: electrical parameter change failures, short-circuit failures, and open-circuit failures. Tantalum capacitors rarely fail due to parameter changes because of their consistent electrical performance and unique "self-healing" qualities. Insufficient circuit derating, reverse voltage, and high power consumption are the most common causes of tantalum capacitor failures. Short circuit is the failure mode. Furthermore, according to tantalum capacitor failure statistics, tantalum capacitors have very rare open-circuit failures. As a result, tantalum capacitor failure is primarily manifested as short-circuit failure. The short-circuit failure mode of tantalum capacitors is caused by imperfections in the dielectric Ta2O5 of solid tantalum capacitors, such as impurities, cracks, holes, and other defects caused by impure raw materials or manufacturing reasons. A minor quantity of the fault remains after it burns or evaporates. These defects are transformed into the origin of field-induced crystallization-crystal nucleus under the action of voltage and temperature during the energization, aging, and other processes; under long-term action, the dielectric film is caused to undergo physical and chemical processes at a faster rate. changes, resulting in the building of stress, which, at some point, will induce localized overheating and medium disintegration.
If the imperfections in the dielectric oxide film are big and concentrated, the huge short-circuit current will quickly overheat the capacitor and cause it to lose thermal balance once instantaneous breakdown occurs under the effect of thermal and electrical stress. Tantalum capacitors have a built-in "self-healing" feature. The characteristics have been unable to rebuild the oxide film, resulting in tantalum capacitors breaking down and failing quickly.
The oxide film flaws, relative displacement between the tantalum block and the anode lead wire, contact between the anode lead tantalum wire and the oxide film particles, and other factors all contribute to the failure process. The majority of tantalum capacitors fail catastrophically. require extra attention.
4.1. Solid tantalum fails due to the problem of "continuous breakdown" and "continuous self-healing".
The solder of the solid tantalum seal frequently melts or explodes after a period of regular use, and the solder flies to the circuit board. The reason for the investigation is that when it is working, it "breaks down" and "self-heals," which results in an increase in leakage current. After "self-healing," this short-time (ns-ms) local short circuit resumes operation. Concerning "self-healing." A continuous and constant Ta2O5 dielectric oxide coating is excellent. Due to the presence of Ta+ ion defects, the leakage current of the defect micro-region increases when working at high voltage or high temperature, and the temperature can reach over 500°C1000°C. MnO2 is reduced to low-valent Mn3O4 at such a high temperature. The resistivity of Mn3O4 is 4 to 5 orders of magnitude higher than that of MnO2, according to some tests. The electrical isolation provided by the Mn3O4 in close contact with the Ta2O5 dielectric oxide film prevents additional damage to the Ta2O5 dielectric oxide film, which is the local "self-healing" of solid tantalum. The following "breakdown" voltage, on the other hand, is likely to be lower than the preceding "breakdown" voltage. The leakage current of this breakdown power supply will increase with each breakdown, and this breakdown power supply may create currents in the ampere range. At the same time, the capacitor's stored energy is extremely high, resulting in the capacitor's permanent failure.
The materials are chosen first by the manufacturer. To overcome the problem of solid tantalum's "continuous breakdown" and "continuous self-healing," ultra-pure tantalum powder materials and process control are employed to reduce the local "breakdown" phenomenon. When solid tantalum is exposed to high voltage or high temperatures, a local "breakdown" phenomena is observed. The working life of solid tantalum is enhanced by tenfold when the ambient temperature is reduced from +85°C to 55°C.
4.2. Solid tantalum has the problem of "thermal failure"
Solid tantalum's Ta2O5 dielectric oxide layer possesses unidirectional conductivity. Heat failure occurs when a charging current flows through the Ta2O5 dielectric oxide coating. The Ta2O5 dielectric oxide coating is only a few microns thick. The dielectric oxide film is highly stable when there is no charge or amplification current, and the microscopic ion arrangement is uneven and disorganized, resulting in an amorphous structure. Multicolor interference colors are the colors that appear optically. Micro "crystallization" is the slow transformation of an amorphous structure into a permanent structure, resulting in an orderly arrangement. Tantalum capacitors' performance degrades until they fail due to the "crystallized" evacuated structure of the Ta2O5 dielectric oxide film.
To tackle the problem of "thermal failure." The application side begins with the circuit, which uses current limiting methods to improve the solid tantalum circuit's loop resistance. "If the series resistance in the application circuit is reduced from 3W to 0.1W, its reliability will be degraded by more than an order of magnitude," the author has read in the literature. That is, solid tantalum's reliability is tenfold reduced! Increase the series connection in solid tantalum circuits. After achieving 1W/1V, the resistance can improve the dependability of solid tantalum applications.
4.3. Solid tantalum has the problem of "field-induced failure".
When solid tantalum is combined with high voltage, a large electric field is created within that is easily broken down locally.
The rationale for "field-induced failure" is that the higher the voltage applied to solid tantalum and the stronger the field, the easier it is to cause "field-induced failure." As a result, voltage derating must be employed to increase the reliability of solid tantalum!
In high-reliability lines, solid tantalum voltage is often reduced by 50%, and its working life can be extended by 100 times.
4.4. Failure caused by high voltage of low impedance circuit;
Circuits with resistance protection and low-impedance circuits without resistance protection are the only two types of circuits utilized in tantalum capacitors. Because the resistance will reduce the voltage and prevent the passage of big currents in circuits with resistance protection, utilize it. The voltage can exceed 60 percent of the tantalum capacitor's rated voltage. There are two types of circuits without resistance protection: one in which the pre-stage input has been rectified and filtered and the output is a stable charging and discharging circuit; and the other in which the pre-stage input has been rectified and filtered and the output is a stable charging and discharging circuit. The capacitor is employed as a discharge power supply in this type of circuit. Because the input parameters are stable and there is no surge, even though the circuit is low-impedance, the voltage that can be safely utilized can still approach 50% of the rated voltage, ensuring great reliability. Two; the electronic machine's power supply component; capacitor When utilized in parallel in such circuits, it is frequently required to discharge according to a specific frequency and power, in addition to filtering the input signal.
Because this is a power supply circuit, the loop impedance is extremely low to ensure that the power supply's output power density is sufficient. The circuit will generate a high-intensity spike pulse with a duration of less than 1 microsecond. The pulse voltage can be at least three times the steady-state input voltage, and the current can be at least ten times the steady-state current. As a result of the incredibly short period, the energy density per unit time is exceptionally high. If the capacitor's use voltage is too high, the pulse voltage actually supplied to the product at this moment will considerably surpass the product's rated value and cause it to fail. As a result, it's employed in this situation. Tantalum capacitors in the circuit have a maximum operating voltage of 1/3 of their rated value.
The rating of the circuit will be decreased by 50% if the circuit impedance type is not separated. When the DC-DC circuit with the lowest loop impedance is turned on, a breakdown short circuit or explosion may occur immediately.
The amount of circuit impedance, input and output power, and the level of AC ripple in the circuit must all be considered when determining how much the capacitors employed in such circuits should be derated. Because the magnitude of the instantaneous switching surge is determined by the level of circuit impedance. The circuit with the lowest internal resistance should have a higher derated value.
The magnitude of the derating range is impossible to predict. Accurate dependability estimates must be used to calculate the derating range.
4.5. The voltage is suitable, but the peak output current is too large.
The following mathematical relationship exists between the maximum DC current impulse I that tantalum capacitors can safely withstand during operation and the equivalent series resistance ESR and rated voltage UR of the product itself:
I=UR/1+ESR
Due to current overload, a low-capacity tantalum capacitor used in a circuit with a large peak output current may burn out. This is pretty simple to comprehend.
4.6. Failure caused by high equivalent series resistance ESR of tantalum capacitor and high AC ripple in the circuit.
Even if the operating voltage is much lower than the derating range, a sudden breakdown can occur at the moment of power-on when a tantalum capacitor with too high ESR is used in a filter circuit with too high AC ripple. The main reason for such problems is the serious mismatch between the ESR of the capacitor and the magnitude of the AC ripple in the circuit.
Capacitors are polar components that generate heat when they travel through the AC ripple, and varying shell sizes allow for different calorific values to maintain thermal balance. Varying standards of tantalum are needed since the ESR values of goods with diverse capacities are highly different. The amount of AC ripple that capacitors can safely take varies a lot. As a result, if the AC ripple in a circuit exceeds the maximum AC ripple that the capacitors can safely withstand, the product will experience thermal breakdown. The similar phenomenon will occur in the product if the AC ripple in the circuit is certain and the real ESR value of the selected tantalum capacitor is too high.
In general, tantalum capacitors with the lowest ESR value should be utilized in filtering and high-power charging and discharging circuits. Many circuit designers overlook the dangers of high AC ripple in the circuit, which causes capacitor failure. Or a lack of comprehension. It's simply a problem with the capacitor's quality. There are numerous examples of this type of phenomenon.
4.7. The leakage current of the tantalum capacitor is too large, which causes the actual withstand voltage to be insufficient.
This problem is usually caused by the tantalum capacitor's real withstand voltage being insufficient. If the insulation resistance of the dielectric layer is low, the actual leakage current of the product will be considerable when a specific field strength is applied to the capacitor for a long time. The real withstand voltage will decline for high-current items.
Another cause of this issue is that tantalum capacitors' leakage current standard is too loose, causing some companies who lack tantalum capacitor production capacity to make low-quality tantalum capacitors. Products with a high leakage current at room temperature, if operated at a higher temperature, the leakage current will exponentially grow, reducing the actual withstand voltage at high temperatures. It is highly prone to breakdown when the working temperature is high.
Because a modest change in leakage current at high temperatures is one of the most essential goals for all capacitor makers, this parameter has a significant impact on reliability.
If the leakage current of the tantalum capacitor you choose is too high, it's a waste product, and issues are bound to arise.
4.8. Failure caused by production process factors when using tantalum capacitors.
Many users focus solely on the selection and design of tantalum capacitor performance, oblivious to the problems that can easily arise during the installation and usage of chip tantalum capacitors.
Examples are as follows;
1. Instead of using automatic placement, manual soldering is used. The product is not warmed, and the capacitor is directly heated for a long period with an electric soldering iron at a temperature greater than 300 degrees, causing the capacitor to fail due to the shock of excessive temperature.
2. Manual welding does not use a preheating table to heat the product, and as soon as cold welding and virtual welding occur during welding, the soldering iron is used frequently to heat the product.
The soldering iron tip used may achieve temperatures of up to 500 degrees Celsius. Although this may be soldered rapidly, it is very easy to cause the chip part to fail.
4.9. Consistent quality issues
It is possible to calculate the reliability of tantalum capacitors in actual use, but many of our customers have insufficient design margins and low robustness. Small batch experiments are entirely coincidental, and batch production yields consistent quality. Problem. At this point, the blame for the problem is frequently shifted on the capacitor manufacturer, with the search for design reliability being neglected. Many people are still unaware with the MTBF (mean time between failures) while utilizing tantalum capacitors. Only a rudimentary concept of reliability engineering exists. Experiments are overvalued, and mathematical calculations are undervalued. As a result, the sub-circuit design's reliability is worse than the machine's overall reliability. As a result, issues continue to arise throughout mass production. Failure to recognize that failure is a probabilistic problem, not a single-person one.
In truth, there are other reasons and phenomena of failure that can occur when tantalum capacitors are employed, which are outside the scope of this article.
In actual use, it is found that the failure of tantalum capacitors presents the following characteristics:
a) Tantalum capacitors with larger capacitance are more likely to fail than those with smaller capacitance
b) Chip tantalum capacitors mostly occur in fixed parts or fixed circuits.
c) The first tantalum capacitor for power filtering is more likely to fail.
d) ICT and FCT are prone to failure at the moment of power-on.
e) Tantalum capacitors are most likely to fail during the aging process.
f) The area with poor heat dissipation is prone to failure.
g) It is prone to failure under surge.
Because the above characteristics of tantalum capacitors are nothing more than capacitance, temperature, surge, and other factors, we must consider all of them in the application process.
Ⅴ. Precautions for design, preservation and welding
Since the failure of tantalum capacitors is prone to fire and explosion, the following points should be paid attention to during the design, storage and welding process:
5.1. Design considerations
5.1.1. Voltage
1. The voltage is applied to the tantalum capacitor mostly in the form of an electric field, causing the capacitor to fail locally. The voltage is derated to at least 1/3 of the rated voltage when used in a switching power supply (the US military standard prohibits the use of solids in the power filter). Other uses (such as tantalum capacitors) should reduce the voltage by 2/3. It is recommended that the voltage be reduced by at least 50% or perhaps 1/3 for our application.
2. The rated voltage value cannot be exceeded by the sum of the DC bias voltage and the peak value of the AC partial voltage.
3. The AC negative peak value and DC bias voltage must not exceed the capacitor's reverse voltage limit.
Tantalum capacitors are not recommended for DC voltage filtering above 4.15V, especially at the input port where power up and down is fast; for low-voltage but fast power up and down situations, a slow-start circuit should be used instead, or solid tantalum capacitors should be avoided as much as possible.
4. Regardless of polarity, avoid using a multimeter to measure resistance in the application.
5. When several tantalum capacitors are used in parallel, it is recommended to place small-capacity capacitors in the previous stage, and large-capacity capacitors in the latter stage.
5.1.2. Current
1. The ripple current generates active power consumption via the tantalum capacitor's ESR, which causes the capacitor's temperature to rise, leading to thermal breakdown failure. As a result, the power loss produced by the ripple current passing through the capacitor must be minimized (tantalum capacitors should not be used for a long time. in high AC components or in pure AC circuits).
2. The impact of instantaneous high current on tantalum capacitors should be regulated in the circuit (the national military standard and suppliers normally recommend connecting a resistor with R>3/V in series to alleviate this impact and limit the current to less than 300mA; when a series resistor is used When it falls below 3/V, more derating design should be considered; otherwise, the product's reliability would suffer as a result. The failure rate will increase by around 10 times if the circuit resistance is decreased from 3/V to 0.1/V). The derating factor in filter circuits should be at least 0.5, and the low impedance circuit should be 1/3. Solid tantalum capacitors are not often robust to significant current shocks, and it is simple to build heat in the weak area of the oxide film, causing the oxide film to crystallize sooner and lowering the withstand voltage capabilities. As a result, capacitors should avoid repeated charging and discharge to extend their service life.
5.1.3. Thermal Design & Power Consumption Considerations
1. Tantalum capacitors should be stored as far away from heat sources as possible, such as transformer disks, batteries, and so on.
2. To reduce the risk of heat failure, it's important to understand the power loss and derating factor of tantalum capacitors of varied shell sizes.
5.2. Assembly, Soldering & Cleaning
1. The pressure applied to the capacitor's working end must not exceed 4.9N (the diameter of the working end must not exceed 1.5mm), and the time must not exceed 5 seconds.
2. The number of times a capacitor can be welded cannot exceed two.
3. The second welding can only be done 2 hours after the first welding is finished, and the second welding is done right after the second welding is finished.
cleansing of the lines
4. Whether manual or reflow soldering, use of flux with high activity and strong acidity should be avoided to avoid penetration, corrosion, and diffusion after cleaning, which will impact its reliability.
5. Avoid using extremely active solvents; instead, use isopropanol for cleaning, but only for a maximum of 5 minutes.
6. Using ultrasonic cleaning is not suggested. If it's definitely necessary, 48KHZ/40 degrees/5 minutes is advised, with a vibration output of 0.02W/cm3. Cleaning equipment should not come into touch with the installed capacitors, and brushes should not be utilized. Capacitors should be poked and washed.
5.3. Save
1. Store in a temperature and humidity controlled environment (the temperature is required to be below 35 degrees).
2. Avoid exposure to direct sunlight, as well as extreme vibration and stress.
3. Capacitors that have been stored for more than two years must be re-aged and electrical characteristics evaluated.
Ⅵ. Application Guide for Tantalum Electrolytic Capacitors
What considerations should be made when selecting and using tantalum electrolytic capacitors?
1. Considerations in Making a Decision
When choosing a capacitor for a certain application, designers must consider a number of aspects. Prioritize the most critical aspects of the application requirements when picking, and then select and coordinate the remaining features. Below are a handful of the most significant factors, along with the reasons why they are the most crucial factors.
1.1 Temperature
Temperature effect:
A) Capacitance: caused by changes in dielectric constant, changes in conductor area or spacing
B) Leakage current: affected by impedance changes
C) High temperature breakdown voltage and frequency: effect on heat generation
D) Rated current: when heat has an effect
E) Electrolyte leaks from the seal
1.2 Humidity
Humidity effects: A) leakage current B) breakdown voltage C) effect on power factor or quality factor
1.3 Low pressure
Low air pressure affects: A) breakdown voltage B) electrolyte leakage from seal
1.4 Applied Voltage
Effects of applied voltage: A) Leakage current B) Heat generation and accompanying effects C) Dielectric breakdown: Frequency effects D) Corona E) Insulation of enclosure or base
1.5 Vibration
Vibration influence: A) Capacitance change caused by mechanical vibration B) Mechanical deformation of capacitor core, terminal or shell
1.6 Current
Current influence: A) Influence on the internal heating and life of the capacitor B) The current carrying capacity of a certain heating point of the conductor
1.7 Lifespan
All environmental and circuit conditions affect it.
1.8 Stability
All environmental and circuit conditions affect it.
1.9 Restoring performance
After the capacitance changes, can it be restored to the initial condition.
1.10 Dimensions, volume and installation method Under mechanical stress, when the product is installed and fixed improperly, it is easy to cause the lead wire to be subjected to large stress or resonance, and in severe cases, the lead wire will break and wait.
2. The following should be considered when selecting and using capacitors:
A) The circuit designer must consider the permitted variation of the capacitance employed in order to build a circuit that can perform satisfactorily within the needed time: the allowable deviation in accordance with the specification: aging and storage conditions of capacitance in circuits; capacitance-temperature characteristic change; recovery characteristic; capacitance—Frequency characteristic dielectric absorption; relationship of capacitance to pressure, vibration, and shock; relationship of capacitance to pressure, vibration, and shock
B) If the capacitance between the capacitor's terminal and the casing produces stray capacitance and leakage current, this capacitance must be considered.
C) To get the needed capacitance, a number of capacitor combinations can be utilized, adjusting for capacitance-temperature characteristics, etc.
D) The capacitor's peak voltage shall not exceed the rating mentioned in the related specification. Aging, temperature rise, greater dielectric area, higher frequency of applied voltage, and moisture entering the capacitor can all cause a drop in peak voltage.
It is critical to underline that the capacitor's short-term voltage transients in the application should not be overlooked.
1. When the capacitor is operated at a high voltage above ground potential and additional insulation is used, one of the capacitor's terminals should be connected to the casing, because the voltage distribution is influenced by the capacitance between the capacitor core and the casing, as well as the capacitance between the case and the chassis.
F) The peak current for charging and discharging must be calculated using the circuit's time constant.
G) The internal heat generation as well as the surrounding temperature must be taken into account.
H) Humidity, pressure, extreme corrosiveness, mold, vibration, and shock must all be taken into account.
I) It's important to think about insulation resistance, especially at high temperatures.
J) When operating in series in a DC circuit, balancing resistors must be addressed.
K) By paralleling tiny capacitors, the effective inductance of large-capacity capacitors can be lowered.
L) Because the capacitor has an inductance, it may create transitory oscillation when it operates or when it works in parallel in the circuit.
M) At low voltage, a bad electrical contact might cause a short circuit or noise.
N) The energy stored in the capacitor poses a risk to people and equipment, necessitating the use of suitable safety precautions.
O) Liquid-filled capacitors cannot be inverted because internal corona can result.
P) During "breathing," non-hermetic capacitors may be exposed to moisture.
3. About reverse voltage
Tantalum capacitors' dielectric oxide sheet possesses unidirectional conductivity and rectification properties. When a reverse voltage is applied, a significant current flows through, which can short circuit and cause the circuit to fail. As a result, when in use, the reverse voltage should be closely managed.
3.1 Solid electrolyte polar tantalum capacitance
In most cases, adding reverse voltage is prohibited, and it cannot be utilized in a pure AC circuit for an extended period of time. It is permissible to apply a modest amount of reverse voltage in a short time as a last resort, with the following values: at 25°C: 10% UR or 1V (whichever is smaller); at 85°C: 5% UR or 0.5V (whichever is smaller); and at 125°C: 1% UR or 0.1V (whichever is smaller).
Choose a bipolar tantalum capacitor if the capacitor will be used in a circuit with reverse voltage for a long time, but it can only be used in a DC or pulsing circuit where the polarity is changed and the frequency is not too high.
3.2 Non-Solid Electrolyte Tantalum Capacitors
Case in silver Tantalum capacitors with a non-solid electrolyte cannot resist any reverse voltage. Tantalum capacitors can tolerate a reverse voltage of 3 volts. Tantalum capacitors with a non-solid electrolyte cannot resist any reverse voltage.
3.3 It is strictly prohibited to use a three-way meter to prevent polarity-independent testing of tantalum capacitor circuits or the capacitors themselves (it is easy to apply reverse voltage).
3.4 If reverse voltage is accidentally applied to liquid tantalum capacitors during measurement and use, or more than specified reverse voltage is accidentally applied to solid tantalum capacitors during measurement and use, the capacitors should be scrapped, even if their electrical parameters are still qualified, because the quality hidden danger caused by reverse voltage of the product has a certain incubation period, and it may not manifest at that time.
4. About ripple current
In the circuit design of tantalum capacitors, when the ripple voltage and ripple current that exceed the tantalum capacitors can withstand, the product will fail.
4.1 Ripple current
The total of the DC bias voltage and the AC voltage peak must not exceed the capacitor's rated voltage. The sum of the negative AC peak value and the DC bias voltage must not be greater than the capacitor's permitted reverse voltage value. The ripple current travels through the capacitor, causing active power loss and raising the product's temperature. The chance of thermal breakdown increases as a result of the increase, hence the ripple current or permissible power loss in the circuit must be limited (tantalum capacitors should not be used in large AC components or in AC circuits for a long time) The following equation expresses the link between power loss (P has) and ripple current (Irms):
P has = V - · I drain + I2 rms · R ≈ I2 rms · Rs
Among them: V -: DC bias voltage (V); I Drain: leakage current (μA); Rs: Equivalent series resistance (Ω); I
rms : Ripple current (mA)
As can be seen from the calculation above, the power loss increases as Rs or Irms increases. As a result, the ripple current traveling through the tantalum electrolytic capacitor in the high-frequency line must be low, and a tantalum electrolytic capacitor with a low equivalent series resistance should be chosen. The maximum ripple current RMS (+85°C 40KHZ 0.66UR) of various non-solid tantalum capacitors is determined by the shell size and ripple current coefficient at various operating voltages and frequencies.
4.2 At a rated temperature of 85°C, the product's rated voltage (UR) refers to the greatest operating voltage applied to the capacitor. If it is utilized at a voltage higher than the rated voltage, the electric strength of the dielectric oxide film Ta2O5 will be surpassed, resulting in product degradation and, in extreme situations, dielectric breakdown and failure. As a result, derating design is commonly used in circuit design.
When the ambient temperature is less than 85°C, the rated voltage is used as a reference for derating.
When the ambient temperature exceeds 85°C, the class is used as a reference for derating. The voltage is approximately 0.65 times higher than the rated voltage. If it's too low,
It's best to keep the voltage in impedance circuits below 1/3 of the rated voltage. Temperature-dependent operating voltage.
4.3 In a low-impedance circuit, using capacitors in parallel increases the chance of failure owing to DC surge current or significant current effect. At the same time, the charge held in parallel capacitors should be considered as it is discharged through other capacitors.
4.4 The influence of instantaneous big current on the capacitor in the circuit of tantalum electrical appliances should be regulated. A series resistance R> 3/V is recommended to limit the current below 300mA, and a series resistance R> 3/V is recommended to mitigate this impact. When the series resistance is smaller than 3/V, further derating design should be considered; otherwise, the product dependability will suffer as a result (the failure rate increases by a factor of roughly 10 if the circuit resistance is decreased from 3/V to 0.1/V). The derating factor for capacitors in ripple circuits should be at least 0.5. The resistance of the current-limiting series resistance can be decreased properly when employing high-frequency tantalum capacitors (recommended R> 2/V).
4.5 Capacitors have been solderability tested before leaving the manufacturer; there are no solderability issues, and no tin immersion pretreatment is required before use. It can be treated with an immersion tin if necessary (for example, if it has been stored for more than two years, or if it has been wet, or if it has been polluted by acid gas, etc.).
Whether the fully sealed solid tantalum capacitor is welded or submerged in tin, the processing distance from the sealing tin package specified in the technical specification must be kept within 3.2mm, the temperature must not exceed 260°C, and the time must not be less than 5 seconds. Because the fully sealed solid tantalum capacitor's sealing material is solder, if the welding time is too long, the temperature is too high, or the welding distance is too close to the body 3.2mm, the sealing tin package may melt, causing the capacitor to be damp and unsealed, affecting its electrical performance. Negative pressure is formed inside the capacitor after it has been heated, and the solder at the seal is sucked into the interior, resulting in excess material in the cavity and a short circuit. After immersion tin treatment, the tantalum capacitor should be aged for 4 to 8 hours at rated voltage and 85°C before electrical performance testing (bipolar products should be commutated once per hour, and the leakage current should also be measured in two directions respectively. ).
4.6 Tantalum capacitors can be stored for more than 14 years (except for welding), although it is preferable to apply the rated voltage and the internal resistance of the power supply before use for tantalum capacitors that have been stored for more than 2 years or have been treated with tin immersion. A 1100 (maximum) resistor should be aged for 4 to 8 hours at 85°C, and electrical performance should be monitored (bipolar products should be commutated once per hour, and leakage current should be recorded in both directions separately. amount).
4.7 The instantaneous voltage in the transition state is generated when the circuit is turned on or off. In most cases, it has a value greater than the working voltage, resulting in an inrush current. When the power supply and load resistances are both low, the instantaneous current value is high, and it is easy to damage the electrolytic capacitor's oxide film, especially the solid tantalum capacitor, which is more dangerous. Because solid tantalum capacitors are susceptible to strong inrush currents, heat can easily be generated in the weak area of the oxide film, causing crystallization to develop sooner and lowering the withstand voltage capabilities.
As a result, the capacitor should avoid repeated charging and draining to extend its service life.
4.8 The product should not be used at high temperatures. The qualities of the material will change if the temperature is too high. Internal stress and failure may develop as a result of the varied thermal expansion coefficients of various materials used in the product; if the product is stored at a high temperature for an extended period of time, internal stress and failure may occur. As a result, the product must be utilized within the standard's temperature range.
4.9 Tantalum capacitor failure rates are based on the DC rated value (85°C, rated voltage) and usage conditions.
(for example, ambient temperature, applied voltage, circuit resistance, and so on.) Because voltage or current peak shocks, ripple currents, and other unexpected electrical shocks frequently occur in actual circuits, it is vital to decrease the amount of design in use. To protect the integrity of the product and line, it is generally suggested to derate to less than 65 percent UR. The derating under Article 3 should be considered when the ambient temperature is more than 85°C.
4.10 Non-solid electrolyte tantalum capacitors should be fully discharged before using wet PH test paper to detect leaks; otherwise, the contact between the test paper and the anode of the capacitor will be red due to incomplete discharge of the capacitor (the positive charge of the anode will cause the OH in the test paper to lose its charge, and the Caused by excess H+ ); the contact between the test paper and the cathode of the capacitor will be blue (This is a misleading phenomena created by an excess of OH- as a result of H+ in the water gaining electrons, causing the capacitor to be misunderstood as leaking acid.)
4.11 When manual soldering or reflow soldering chip tantalum capacitors, use of flux with high activity and strong acidity should be avoided to avoid penetration, corrosion, and diffusion after cleaning, which will impact the capacitor's dependability. It's best to use a flux that doesn't need to be cleaned. Cleaning should be done with isopropyl alcohol and should not take more than 5 minutes; ultrasonic cleaning is not suggested.
4.12 When measuring and using tantalum capacitors, avoid direct contact with bare hands (especially the terminals of chip tantalum capacitors) to avoid poor solderability caused by contamination such as sweat and oil.
4.13 Description of product signs and symbols
Products with reliability indicators
4.14 Recommended Tantalum Capacitor Mounting Method
It is simple for the entire machine to be subjected to mechanical stress (vibration, shock), resulting in the use of tantalum capacitor lead-bearing tantalum electrolytic capacitors if the tantalum capacitor is improperly fitted and fixed or the fixing effect is inadequate. The majority of mechanical stress or resonance will eventually fracture the product, causing it to fail.
(1) Axial lead tantalum electrolytic capacitor
Otherwise, the mechanical stress will create resonance and lead to breaking and failure of the axially drawn product's parent body, which must be securely fitted with the circuit board, as far as feasible without gaps, and then secured with glue or resin.
The lead wire bend is more than 6mm away from this or (soldering point), and there is a R (at least 2 times the wire diameter), with no scars at the bend.
Due to the weight of the main body, the lead wires cannot take all of the stress in a vibration environment for items with a large shell size C. If the body is not reinforced during installation, mechanical stress will easily break the leads and cause them to fail. Fasteners that are recommended.
(2) One-way lead-out tantalum electrolytic capacitor
(3) It is recommended that the components installed on the circuit board be evenly distributed, without affecting the overall circuit design; if the distributed components are light on one side and heavy on the other, the mechanical test of the entire machine will easily cause resonance, leading to product lead fracture failure.
1. What are the advantages of tantalum capacitors?
Since there is no electrolyte inside the tantalum capacitor, it is very suitable for working at high temperature. This unique self-healing property ensures its long life and reliability advantages. Solid tantalum capacitors have excellent electrical properties, wide operating temperature range, various forms, and excellent volume efficiency, which have their unique characteristics.
2. What is the difference between yellow and black tantalum capacitors?
Tantalum capacitors are parts that appear on the circuit board, there are yellow and black, and their differences are as follows: 1. Different manufacturers. Yellow tantalum capacitors are basically produced by American AVX and KEMET companies, while black tantalum capacitors are produced by NEC and NICHICON. 2, the production process is different. Yellow tantalum capacitors are made of tantalum powder wrapped with polyoxy resin, while black tantalum capacitors are directly molded from tantalum capacitor molds. 3. The withstand voltage value of the capacitor is different. The withstand voltage of black tantalum capacitors does not exceed 5V, and the withstand voltage of yellow tantalum capacitors can not exceed 6.3V.
3. Can tantalum capacitors be replaced with ordinary capacitors? What is the difference between them?
Tantalum capacitors cannot be replaced with ordinary capacitors. First, the subject is different 1. Tantalum capacitor: It is a product with a small volume and a large capacitance among the capacitors. 2. Capacitance: refers to the ability to accommodate an electric field. Any electrostatic field is composed of many capacitors. If there is an electrostatic field, there is a capacitor. The capacitance is described by the electrostatic field. Second, different uses 1. Tantalum capacitors: It is not only used in military communications, aerospace and other fields, but also widely used in industrial control, video equipment, communication instruments and other products. 2. Capacitor: Mainly used in power supply filtering, signal filtering, signal coupling, resonance, filtering, compensation, charging and discharging, energy storage, DC blocking and other circuits. Third, different characteristics 1. Tantalum capacitors: use metal tantalum as the medium, unlike ordinary electrolytic capacitors that use electrolyte, tantalum capacitors do not need to be wound with aluminum-coated capacitor paper like ordinary electrolytic capacitors, and have almost no inductance themselves, but this also limits capacity. 2. Capacitor: An energy storage device that provides energy for local devices, which can homogenize the output of the regulator and reduce the load demand.
What is Feedthrough Capacitor?UTMEL06 November 202140440Hello, everyone. I am Rose. Today I will introduce the feedthrough capacitor to you. The feedthrough capacitor is a three-terminal capacitor that is used to reduce high frequencies. The feedthrough capacitor, unlike regular three-terminal capacitors, is directly installed on the metal panel, resulting in a lower grounding inductance and a negligible effect on the lead inductance.
Read More
Detailed Explanation About Twenty Kinds of CapacitorUTMEL08 November 20218926Hello everyone, I am Rose. Today I will introduce 20 kinds of capacitor to you. I will illustrate them in three or four aspects: Structure, features, Usages, advantages and disadvantages.
Read More
What is a Polypropylene Capacitor?UTMEL08 November 202120854A polypropylene capacitor is a kind of capacitor with a very stable electric capacity. It is often used in applications requiring very precise capacitance and can replace most polyphenylene or mica capacitors.
Read More
What is the Difference between MOM, MIM and MOS Capacitors?UTMEL17 April 202567371This article mainly introduces the structure, principle, advantages and disadvantages of MOM, MIM and MOS capacitors and the difference between them.
Read More
What is a Power Capacitor?UTMEL20 November 20216228Power capacitors are capacitors used in power systems and electrical equipment. Any two pieces of metal conductors are separated by an insulating medium to form a capacitor. The size of the capacitor is determined by its size and the characteristics of the insulating medium between the two plates.
Read More
Subscribe to Utmel !
EVAL-CN0216-PMDZAnalog Devices Inc.
MAX40024EVKIT#Analog Devices Inc./Maxim Integrated
ISL91128IIN-EVZRenesas Electronics America Inc
MAX25300EVKIT#Analog Devices Inc./Maxim Integrated
EVALM105F310RTOBO1Infineon Technologies
5309Adafruit Industries LLC
5146Adafruit Industries LLC
5346Adafruit Industries LLC
MAX1477XEVKIT#Analog Devices Inc./Maxim Integrated
BCMS50065RY01Broadcom Limited


Product
Brand
Articles
Tools


