TLV70033DDCR: Low Quiescent, Pinout, Datasheet
Enable Fixed TLV70033 PMIC 5 SOT-23-5 Thin, TSOT-23-5
The TLV70033DDCR series of low-dropout (LDO) linear 234regulators are low quiescent current devices with excellent line and load transient performance. The article is going to introduce its pinout, features, etc.
TLV70033DDCR Description
The low-dropout (LDO) linear 234regulators of the TLV70033DDCR series have a low quiescent current and outstanding line and load transient performance. These LDOs are intended for low-power applications. A precision bandgap and error amplifier give total accuracy of 2%. This class of devices is appropriate for most battery-powered handheld equipment due to its low output noise, very high power-supply rejection ratio (PSRR), and low dropout voltage. For safety, all device models have a thermal shutdown and a current limit.
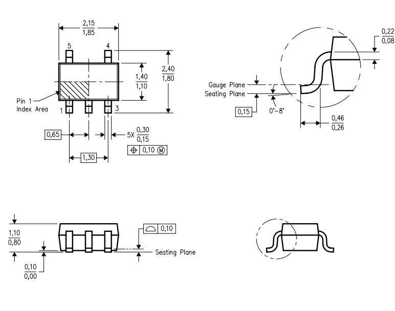
TLV70033DDCR Pinout

TLV70033DDCR CAD Model
Symbol

Footprint

3D Model

TLV70033DDCR Features
• Very Low Dropout:
– 43 mV at IOUT = 50 mA, VOUT = 2.8 V
– 85 mV at IOUT = 100 mA, VOUT = 2.8 V
– 175 mV at IOUT = 200 mA, VOUT = 2.35 V
• 2% Accuracy
• Low IQ: 31 μA
• Available in Fixed-Output Voltages from 1.2 V to 4.8 V
• High PSRR: 68 dB at 1 kHz
• Stable with Effective Capacitance of 0.1 μF
• Thermal Shutdown and Overcurrent Protection
• Available in 1,5-mm × 1,5-mm SON-6, SOT23-5, and SC-70 Packages
TLV70033DDCR Functional Block Diagram

TLV70033DDCR Applications
• Wireless Handsets
• Smart Phones, PDAs
• MP3 Players
• ZigBee® Networks
• Bluetooth® Devices
• Li-Ion Operated Handheld Products
• WLAN and Other PC Add-on Cards
TLV70033DDCR Typical Application Circuit

TLV70033DDCR Typical Application Circuit
TLV70033DDCR Package

TLV70033DDCR Manufacturer
Texas Instruments Incorporated (TI) is an American technology company based in Dallas, Texas, that designs and manufactures semiconductors and various integrated circuits, which it sells to electronics designers and manufacturers globally. It is one of the top 10 semiconductor companies worldwide based on sales volume. The company's focus is on developing analog chips and embedded processors, which account for more than 80% of its revenue. TI also produces TI digital light processing technology and education technology products including calculators, micro-controllers, and multi-core processors. The company boasts 45,000 patents around the globe as of 2016.
What is TLV70033DDCR ?
The TLV70033DDCR series of low-dropout (LDO) linear 234regulators are low quiescent current devices with excellent line and load transient performance.
What is the recommended operating temperature of the component?
-40°C~125°C TJ.
What is the package of the device?
SOT-23-5 Thin, TSOT-23-5.
What is the component’s number of pins?
5.
LM4040 Bandgap Reference: Pinout, Equivalent and Datasheet28 October 20212189
Navigating the XA-H4 Single-Chip 16-bit Microcontroller: An In-depth Analysis29 February 2024128
UC3842AN PWM Controller[FAQ+Video]: UC3842AN VS UC3842N, Circuit, Equivalent, Datasheet, and Pinout14 April 202214936
LM1117MP-3.3 Voltage Regulator: Pinout, Datasheet and Schematic06 September 20219229
BMP180 Digital Pressure Sensor: Datasheet, Pinout, Application22 September 20213140
BC547 NPN Transistor: Pinout, Datasheet, and Circuit28 July 202130718
SS34 Diode : Replacement, Price and Datasheet06 August 202117724
Transistor PN2222A Silicon NPN Audio Amplifier: Pinout, Datasheet, and Package12 January 20223989
What is a Decoder?09 January 202619409
Understanding Adapter Cards in Modern Computers05 July 20252404
SoftBank's Arm Gears Up for the Largest IPO of 2023 Riding the AI Wave07 September 20233559
Comparing Popular Jumper Wires for Electronics Projects10 July 20251421
A Simple Method to Build a Programmable Oscillator27 May 20226773
Introduction to Wearable Sensors27 October 20252462
Essential Tips for Picking the Best Gas Sensor15 July 20252090
What is a USB Type-C Connector?28 October 20255580
Texas Instruments
In Stock: 2737
United States
China
Canada
Japan
Russia
Germany
United Kingdom
Singapore
Italy
Hong Kong(China)
Taiwan(China)
France
Korea
Mexico
Netherlands
Malaysia
Austria
Spain
Switzerland
Poland
Thailand
Vietnam
India
United Arab Emirates
Afghanistan
Åland Islands
Albania
Algeria
American Samoa
Andorra
Angola
Anguilla
Antigua & Barbuda
Argentina
Armenia
Aruba
Australia
Azerbaijan
Bahamas
Bahrain
Bangladesh
Barbados
Belarus
Belgium
Belize
Benin
Bermuda
Bhutan
Bolivia
Bonaire, Sint Eustatius and Saba
Bosnia & Herzegovina
Botswana
Brazil
British Indian Ocean Territory
British Virgin Islands
Brunei
Bulgaria
Burkina Faso
Burundi
Cabo Verde
Cambodia
Cameroon
Cayman Islands
Central African Republic
Chad
Chile
Christmas Island
Cocos (Keeling) Islands
Colombia
Comoros
Congo
Congo (DRC)
Cook Islands
Costa Rica
Côte d’Ivoire
Croatia
Cuba
Curaçao
Cyprus
Czechia
Denmark
Djibouti
Dominica
Dominican Republic
Ecuador
Egypt
El Salvador
Equatorial Guinea
Eritrea
Estonia
Eswatini
Ethiopia
Falkland Islands
Faroe Islands
Fiji
Finland
French Guiana
French Polynesia
Gabon
Gambia
Georgia
Ghana
Gibraltar
Greece
Greenland
Grenada
Guadeloupe
Guam
Guatemala
Guernsey
Guinea
Guinea-Bissau
Guyana
Haiti
Honduras
Hungary
Iceland
Indonesia
Iran
Iraq
Ireland
Isle of Man
Israel
Jamaica
Jersey
Jordan
Kazakhstan
Kenya
Kiribati
Kosovo
Kuwait
Kyrgyzstan
Laos
Latvia
Lebanon
Lesotho
Liberia
Libya
Liechtenstein
Lithuania
Luxembourg
Macao(China)
Madagascar
Malawi
Maldives
Mali
Malta
Marshall Islands
Martinique
Mauritania
Mauritius
Mayotte
Micronesia
Moldova
Monaco
Mongolia
Montenegro
Montserrat
Morocco
Mozambique
Myanmar
Namibia
Nauru
Nepal
New Caledonia
New Zealand
Nicaragua
Niger
Nigeria
Niue
Norfolk Island
North Korea
North Macedonia
Northern Mariana Islands
Norway
Oman
Pakistan
Palau
Palestinian Authority
Panama
Papua New Guinea
Paraguay
Peru
Philippines
Pitcairn Islands
Portugal
Puerto Rico
Qatar
Réunion
Romania
Rwanda
Samoa
San Marino
São Tomé & Príncipe
Saudi Arabia
Senegal
Serbia
Seychelles
Sierra Leone
Sint Maarten
Slovakia
Slovenia
Solomon Islands
Somalia
South Africa
South Sudan
Sri Lanka
St Helena, Ascension, Tristan da Cunha
St. Barthélemy
St. Kitts & Nevis
St. Lucia
St. Martin
St. Pierre & Miquelon
St. Vincent & Grenadines
Sudan
Suriname
Svalbard & Jan Mayen
Sweden
Syria
Tajikistan
Tanzania
Timor-Leste
Togo
Tokelau
Tonga
Trinidad & Tobago
Tunisia
Turkey
Turkmenistan
Turks & Caicos Islands
Tuvalu
U.S. Outlying Islands
U.S. Virgin Islands
Uganda
Ukraine
Uruguay
Uzbekistan
Vanuatu
Vatican City
Venezuela
Wallis & Futuna
Yemen
Zambia
Zimbabwe


Product
Brand
Articles
Tools

















