BD135 Transistor: Equivalent, Datasheet, Pinout
BD135 Series NPN 45 V 1.5 A Complementary Low Voltage Transistor - SOT-32
Unit Price: $0.276770
Ext Price: $0.28









BD135 Series NPN 45 V 1.5 A Complementary Low Voltage Transistor - SOT-32
BD135 is one of the transistors of the popular BD series. This post will unlock more details about BD135. There is a huge range of Semiconductors, Capacitors, Resistors and ICs in stock. Welcome RFQ.

Top 4 Simple Electronic Project Using Bc547 Bd135 transistor Capacitor & More Components.
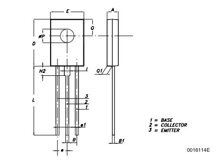
BD135 Pinout

BD135 Pinout
BD135 CAD Model
Symbol

BD135 Symbol
Footprint

BD135 Footprint
BD135 Description
The BD135 is one of the transistors in the popular BD series, which also includes the BD131, BD137, and BD139, as well as their PNP counterparts. Because of its many helpful qualities, the BD135 is also an extensively utilized transistor. With a collector current of up to 1.5A and a maximum collector dissipation of 12.5 Watt, this transistor is ideal for a wide range of switching and amplification applications.
When employed as a switch, it can drive loads up to 1.5A, which means we may utilize this transistor to control a wide range of components in our electrical circuits. In an electrical circuit, you can, for example, drive high-power LEDs, relays, high-power transistors, and a variety of other components. It can also be used as an amplifier for audio and other sorts of signal amplification, as discussed previously.
It's also an excellent transistor for usage at the output of microcontrollers and other integrated circuits with low current outputs.
BD135 is manufactured in three different gain values that can be determined with the last digit written after the transistor number. for example BD135-6 gain will be 40-100, BD135-10 gain will be 63-160 and BD135-16 gain will be 100-250.
Where & How to use BD135?
Commercial products, as well as educational and hobby electronic circuits, can all benefit from the use of the BD135 transistor. It can be used as a switch or driver to control a range of loads under 1500mA, for example. It can, however, be utilized at an audio amplifier's output or in stages. In addition, it can be utilized in circuits to amplify other electronic signals.
How to Get Long Term Performance in a Circuit?
To get the best long-term performance out of the BD135 transistor, don't use it to drive loads that are more than 1.5A and demand more than 45V. When driving loads more than 200mA, always utilize a suitable heatsink. Always use a proper base resistor with it, and store or operate the transistor at temperatures between -55 and +150 ℃。
BD135 Feature
Package Type: TO-126
Transistor Type: NPN
Max Collector Current(IC): 1.5A
Max Collector-Emitter Voltage (VCE): 45V
Max Collector-Base Voltage (VCB): 45V
Max Emitter-Base Voltage (VEBO): 5V
Max Collector Dissipation (Pc): 12.5 Watt
Max Transition Frequency (fT): 190 MHz
Minimum & Maximum DC Current Gain (hFE): 40 – 250
Max Storage & Operating temperature Should Be: -55 to +150 Centigrade
BD135 Application
Audio & Other Signal Amplification
Driving & Switching Loads under 1.5A
Motor Driver Circuits
Battery Charger Circuits
Power Supply Circuits
Darlington Pairs
BD135 Equivalent
BD137
BD139
BD230
2SC5171S
BD349
BD379
BD135 Package

BD135 Package
BD135 Manufacturer
STMicroelectronics is a globally recognized semiconductor company. They are dedicated to developing semiconductor solutions for various microelectronics applications. STMicroelectronics enjoys unrivalled silicon and system expertise, strong manufacturing strength, IP portfolio, and solid relationships with their strategic partners. Based on these advantages, STMicroelectronics has become a pioneer in System-on-Chip (SoC) technology and its products have a positive effect in realizing today's convergence trends.
Parts with Similar Specs
Specifications
- TypeParameter
- Lifecycle Status
Lifecycle Status refers to the current stage of an electronic component in its product life cycle, indicating whether it is active, obsolete, or transitioning between these states. An active status means the component is in production and available for purchase. An obsolete status indicates that the component is no longer being manufactured or supported, and manufacturers typically provide a limited time frame for support. Understanding the lifecycle status is crucial for design engineers to ensure continuity and reliability in their projects.
ACTIVE (Last Updated: 8 months ago) - Factory Lead Time8 Weeks
- Contact Plating
Contact plating (finish) provides corrosion protection for base metals and optimizes the mechanical and electrical properties of the contact interfaces.
Tin - Mount
In electronic components, the term "Mount" typically refers to the method or process of physically attaching or fixing a component onto a circuit board or other electronic device. This can involve soldering, adhesive bonding, or other techniques to secure the component in place. The mounting process is crucial for ensuring proper electrical connections and mechanical stability within the electronic system. Different components may have specific mounting requirements based on their size, shape, and function, and manufacturers provide guidelines for proper mounting procedures to ensure optimal performance and reliability of the electronic device.
Through Hole - Mounting Type
The "Mounting Type" in electronic components refers to the method used to attach or connect a component to a circuit board or other substrate, such as through-hole, surface-mount, or panel mount.
Through Hole - Package / Case
refers to the protective housing that encases an electronic component, providing mechanical support, electrical connections, and thermal management.
TO-225AA, TO-126-3 - Number of Pins3
- Weight4.535924g
- Transistor Element Material
The "Transistor Element Material" parameter in electronic components refers to the material used to construct the transistor within the component. Transistors are semiconductor devices that amplify or switch electronic signals and are a fundamental building block in electronic circuits. The material used for the transistor element can significantly impact the performance and characteristics of the component. Common materials used for transistor elements include silicon, germanium, and gallium arsenide, each with its own unique properties and suitability for different applications. The choice of transistor element material is crucial in designing electronic components to meet specific performance requirements such as speed, power efficiency, and temperature tolerance.
SILICON - Collector-Emitter Breakdown Voltage45V
- Collector-Emitter Saturation Voltage500mV
- Number of Elements1
- hFEMin25
- Operating Temperature
The operating temperature is the range of ambient temperature within which a power supply, or any other electrical equipment, operate in. This ranges from a minimum operating temperature, to a peak or maximum operating temperature, outside which, the power supply may fail.
150°C TJ - Packaging
Semiconductor package is a carrier / shell used to contain and cover one or more semiconductor components or integrated circuits. The material of the shell can be metal, plastic, glass or ceramic.
Tube - JESD-609 Code
The "JESD-609 Code" in electronic components refers to a standardized marking code that indicates the lead-free solder composition and finish of electronic components for compliance with environmental regulations.
e3 - Part Status
Parts can have many statuses as they progress through the configuration, analysis, review, and approval stages.
Active - Moisture Sensitivity Level (MSL)
Moisture Sensitivity Level (MSL) is a standardized rating that indicates the susceptibility of electronic components, particularly semiconductors, to moisture-induced damage during storage and the soldering process, defining the allowable exposure time to ambient conditions before they require special handling or baking to prevent failures
1 (Unlimited) - Number of Terminations3
- ECCN Code
An ECCN (Export Control Classification Number) is an alphanumeric code used by the U.S. Bureau of Industry and Security to identify and categorize electronic components and other dual-use items that may require an export license based on their technical characteristics and potential for military use.
EAR99 - Max Power Dissipation
The maximum power that the MOSFET can dissipate continuously under the specified thermal conditions.
1.25W - Base Part Number
The "Base Part Number" (BPN) in electronic components serves a similar purpose to the "Base Product Number." It refers to the primary identifier for a component that captures the essential characteristics shared by a group of similar components. The BPN provides a fundamental way to reference a family or series of components without specifying all the variations and specific details.
BD135 - Pin Count
a count of all of the component leads (or pins)
3 - Element Configuration
The distribution of electrons of an atom or molecule (or other physical structure) in atomic or molecular orbitals.
Single - Power Dissipation
the process by which an electronic or electrical device produces heat (energy loss or waste) as an undesirable derivative of its primary action.
1.25W - Case Connection
Case Connection refers to the method by which an electronic component's case or housing is connected to the electrical circuit. This connection is important for grounding purposes, mechanical stability, and heat dissipation. The case connection can vary depending on the type of component and its intended application. It is crucial to ensure a secure and reliable case connection to maintain the overall performance and safety of the electronic device.
ISOLATED - Transistor Application
In the context of electronic components, the parameter "Transistor Application" refers to the specific purpose or function for which a transistor is designed and used. Transistors are semiconductor devices that can amplify or switch electronic signals and are commonly used in various electronic circuits. The application of a transistor can vary widely depending on its design and characteristics, such as whether it is intended for audio amplification, digital logic, power control, or radio frequency applications. Understanding the transistor application is important for selecting the right type of transistor for a particular circuit or system to ensure optimal performance and functionality.
AMPLIFIER - Polarity/Channel Type
In electronic components, the parameter "Polarity/Channel Type" refers to the characteristic that determines the direction of current flow or the type of signal that can be accommodated by the component. For components like diodes and transistors, polarity indicates the direction in which current can flow through the component, such as forward bias or reverse bias for diodes. For components like MOSFETs or JFETs, the channel type refers to whether the component is an N-channel or P-channel device, which determines the type of charge carriers that carry current through the component. Understanding the polarity or channel type of a component is crucial for proper circuit design and ensuring that the component is connected correctly to achieve the desired functionality.
NPN - Transistor Type
Transistor type refers to the classification of transistors based on their operation and construction. The two primary types are bipolar junction transistors (BJTs) and field-effect transistors (FETs). BJTs use current to control the flow of current, while FETs utilize voltage to control current flow. Each type has its own subtypes, such as NPN and PNP for BJTs, and MOSFETs and JFETs for FETs, impacting their applications and characteristics in electronic circuits.
NPN - Collector Emitter Voltage (VCEO)
Collector-Emitter Voltage (VCEO) is a key parameter in electronic components, particularly in transistors. It refers to the maximum voltage that can be applied between the collector and emitter terminals of a transistor while the base terminal is open or not conducting. Exceeding this voltage limit can lead to breakdown and potential damage to the transistor. VCEO is crucial for ensuring the safe and reliable operation of the transistor within its specified limits. Designers must carefully consider VCEO when selecting transistors for a circuit to prevent overvoltage conditions that could compromise the performance and longevity of the component.
45V - Max Collector Current
Max Collector Current is a parameter used to specify the maximum amount of current that can safely flow through the collector terminal of a transistor or other electronic component without causing damage. It is typically expressed in units of amperes (A) and is an important consideration when designing circuits to ensure that the component operates within its safe operating limits. Exceeding the specified max collector current can lead to overheating, degradation of performance, or even permanent damage to the component. Designers must carefully consider this parameter when selecting components and designing circuits to ensure reliable and safe operation.
1.5A - DC Current Gain (hFE) (Min) @ Ic, Vce
The parameter "DC Current Gain (hFE) (Min) @ Ic, Vce" in electronic components refers to the minimum value of the DC current gain, denoted as hFE, under specific operating conditions of collector current (Ic) and collector-emitter voltage (Vce). The DC current gain hFE represents the ratio of the collector current to the base current in a bipolar junction transistor (BJT), indicating the amplification capability of the transistor. The minimum hFE value at a given Ic and Vce helps determine the transistor's performance and efficiency in amplifying signals within a circuit. Designers use this parameter to ensure proper transistor selection and performance in various electronic applications.
40 @ 150mA 2V - Current - Collector Cutoff (Max)
The parameter "Current - Collector Cutoff (Max)" refers to the maximum current at which a transistor or other electronic component will cease to conduct current between the collector and emitter terminals. This parameter is important in determining the maximum current that can flow through the component when it is in the cutoff state. Exceeding this maximum cutoff current can lead to malfunction or damage of the component. It is typically specified in the component's datasheet and is crucial for proper circuit design and operation.
100nA ICBO - Vce Saturation (Max) @ Ib, Ic
The parameter "Vce Saturation (Max) @ Ib, Ic" in electronic components refers to the maximum voltage drop across the collector-emitter junction when the transistor is in saturation mode. This parameter is specified at a certain base current (Ib) and collector current (Ic) levels. It indicates the minimum voltage required to keep the transistor fully conducting in saturation mode, ensuring that the transistor operates efficiently and does not enter the cutoff region. Designers use this parameter to ensure proper transistor operation and to prevent overheating or damage to the component.
500mV @ 50mA, 500mA - Transition Frequency
Transition Frequency in electronic components refers to the frequency at which a device can transition from one state to another, typically defining the upper limit of its operating frequency. It is a critical parameter in determining the speed and performance of active components like transistors and integrated circuits. This frequency is influenced by factors such as capacitance, resistance, and the inherent characteristics of the materials used in the component's construction. Understanding transition frequency is essential for optimizing circuit designs and ensuring reliable signal processing in various applications.
250MHz - Max Breakdown Voltage
The "Max Breakdown Voltage" of an electronic component refers to the maximum voltage that the component can withstand across its terminals before it breaks down and allows current to flow uncontrollably. This parameter is crucial in determining the operating limits and safety margins of the component in a circuit. Exceeding the maximum breakdown voltage can lead to permanent damage or failure of the component. It is typically specified by the manufacturer in datasheets to guide engineers and designers in selecting the appropriate components for their applications.
45V - Collector Base Voltage (VCBO)
Collector Base Voltage (VCBO) is the maximum allowable voltage that can be applied between the collector and base terminals of a bipolar junction transistor when the emitter is open. It is a critical parameter that determines the voltage rating of the transistor and helps prevent breakdown in the collector-base junction. Exceeding this voltage can lead to permanent damage or failure of the component.
45V - Emitter Base Voltage (VEBO)
Emitter Base Voltage (VEBO) is a parameter used in electronic components, particularly in transistors. It refers to the maximum voltage that can be applied between the emitter and base terminals of a transistor without causing damage to the device. Exceeding this voltage limit can lead to breakdown of the transistor and potential failure. VEBO is an important specification to consider when designing circuits to ensure the proper operation and reliability of the components. It is typically provided in the datasheet of the transistor and should be carefully observed to prevent any potential damage during operation.
5V - Height10.8mm
- Length7.8mm
- Width2.7mm
- REACH SVHC
The parameter "REACH SVHC" in electronic components refers to the compliance with the Registration, Evaluation, Authorization, and Restriction of Chemicals (REACH) regulation regarding Substances of Very High Concern (SVHC). SVHCs are substances that may have serious effects on human health or the environment, and their use is regulated under REACH to ensure their safe handling and minimize their impact.Manufacturers of electronic components need to declare if their products contain any SVHCs above a certain threshold concentration and provide information on the safe use of these substances. This information allows customers to make informed decisions about the potential risks associated with using the components and take appropriate measures to mitigate any hazards.Ensuring compliance with REACH SVHC requirements is essential for electronics manufacturers to meet regulatory standards, protect human health and the environment, and maintain transparency in their supply chain. It also demonstrates a commitment to sustainability and responsible manufacturing practices in the electronics industry.
No SVHC - Radiation Hardening
Radiation hardening is the process of making electronic components and circuits resistant to damage or malfunction caused by high levels of ionizing radiation, especially for environments in outer space (especially beyond the low Earth orbit), around nuclear reactors and particle accelerators, or during nuclear accidents or nuclear warfare.
No - RoHS Status
RoHS means “Restriction of Certain Hazardous Substances” in the “Hazardous Substances Directive” in electrical and electronic equipment.
ROHS3 Compliant - Lead Free
Lead Free is a term used to describe electronic components that do not contain lead as part of their composition. Lead is a toxic material that can have harmful effects on human health and the environment, so the electronics industry has been moving towards lead-free components to reduce these risks. Lead-free components are typically made using alternative materials such as silver, copper, and tin. Manufacturers must comply with regulations such as the Restriction of Hazardous Substances (RoHS) directive to ensure that their products are lead-free and environmentally friendly.
Lead Free
Datasheet PDF
- Datasheets :
Trend Analysis
What is the PNP complementary of BD135?
The PNP complementary of BD135 is BD136.
What is BD136?
A general-purpose with medium power BD136 transistor is mainly used for audio amplification & switching purposes. This kind of transistor belongs to the family of PNP. ... It can also be used as an amplifier within audio & signal amplification-based circuits. The package used to manufacture this BD136 Transistor is TO-126.
STN4NF03L-MOSFET01 March 2022390
Exploring the Microchip PIC16C6X 8-Bit CMOS Microcontrollers29 February 2024234
What is TIP3055 Transistor?25 November 20215723
A Comprehensive Guide to LTC6900CS5#TRMPBF Programmable Timer and Oscillator06 March 2024655
LT1028 0.85nV/√Hz Ultra-Low Noise Op-Amp: Performance Analysis, Pinout, and Stability Guide12 February 2026251
TPS54340QDDARQ1: Pinout, Switching Regulator, Step-down, N-channel14 February 2022588
STM32H743VIT6 Microcontroller: 480MHz, 100-LQFP, Pinout and Datasheet10 February 202210472
OPA1656 Audio Op Amps: Datasheet, Pinout and Applications11 October 20219432
A User Guide to Automotive Relay30 July 20216828
Basic Introduction to Memristor12 January 202111731
Surge Protector Best Practices for Everyday Use10 July 20251838
Amkor Technology to Invest $2 Billion in Semiconductor Testing Plant in Peoria, Creating 2,000 Jobs11 December 20234077
Strain Gauges: Structure, Working Principle and Common Types16 December 202012910
The Introduction to QFN Package15 October 20257289
Semiconductor Veteran Kevin Conley Takes Helm as CEO of Applied Brain Research13 September 20233626
What is inductor: Symbol, Applications and Types04 January 202210065
STMicroelectronics
In Stock: 6075
Minimum: 1 Multiples: 1
Qty
Unit Price
Ext Price
1
$0.276770
$0.28
10
$0.261104
$2.61
100
$0.246325
$24.63
500
$0.232382
$116.19
1000
$0.219228
$219.23
Not the price you want? Send RFQ Now and we'll contact you ASAP.
Inquire for More Quantity


Product
Brand
Articles
Tools








