GRM155R71C104KA88D Murata Electronics SMD 0402 125°C T/R: Datasheet, Features, and Equivalents
GRM 0.1μF Ceramic Capacitor ±10% X7R 0.039Lx0.020W 1.00mmx0.50mm -55°C~125°C 2 Terminations Surface Mount, MLCC 0402 (1005 Metric)









GRM 0.1μF Ceramic Capacitor ±10% X7R 0.039Lx0.020W 1.00mmx0.50mm -55°C~125°C 2 Terminations Surface Mount, MLCC 0402 (1005 Metric)
GRM155R71C104KA88D is a Capacitor. This article is going to introduce 3D MOdels, features, and more details about GRM155R71C104KA88D.
- Description of GRM155R71C104KA88D
- Description of GRM155R71C104KA88D's distributors
- GRM155R71C104KA88D Features
- GRM155R71C104KA88D 3D Model
- Specifications
- GRM155R71C104KA88D Equivalents
- GRM155R71C104KA88D Application
- GRM155R71C104KA88D Package informtion
- GRM155R71C104KA88D Manufacturer
- Datasheet PDF
- Popularity by Region
- Parts with Similar Specs
Description of GRM155R71C104KA88D
| Descriptions of GRM155R71C104KA88D |
| Multilayer Ceramic Capacitors MLCC - SMD/SMT PLEASE SEE MURATA'S SUGGESTED ALTERNATE GRM033C71C104KE14D |
| CAP, 0.1µF, 16V, 10%, X7R, 0402; Capacitance:0.1µF; Voltage Rating:16V; Ceramic Capacitor Case:0402 [1005 Metric]; Capacitance Tolerance:± 10%; Dielectric Characteristic: X7R; Product Range: GRM Series; Operating Temperature Min:-55°C; Operating Temperature Max:125°C; Automotive Qualification Standard:-; MSL:-; SVHC:No SVHC (07-Jul-2017); Capacitance Tolerance ±:± 10%; Capacitor Terminals:SMD |
| Multilayer Ceramic Capacitors MLCC - SMD/SMT PLEASE SEE MURATA'S SUGGESTED ALTERNATE GRM033C71C104KE14D |
| Multilayer Ceramic Capacitors MLCC - SMD/SMT 0402 0.1uF 16volts X7R 10% |
Description of GRM155R71C104KA88D's distributors
0402 0.1 uF 16V ±10 % Tolerance X7R SMT Multilayer Ceramic Capacitor --Future Electronics
Ceramic Capacitor, Multilayer , Ceramic , 16V, 10% +Tol, 10% -Tol, X7R, 15% TC, 0.1uF, Surface Mount, 0402--ComS.I.T. Europe - USA - Asia
Cap Ceramic 0.1uF 16V X7R 10% SMD 0402 125°C Paper T/R--Avnet
CERAMIC CAPACITOR, 0.1UF, 16V, X7R, 10%, 0402, FULL REEL--Farnell
CAP-FXD 0.1UF +10PCT 16VDC CER X7R 0402--IBS Electronics
GRM155R71C104KA88D Features
Terminations are made of metal highly resistant to migration.
The GRM series is a complete line of chip ceramic capacitors in 6.3V, 10V, 16V, 25V, 50V, 100V, 200Vand 500V ratings. These capacitors have temperature characteristics ranging from C0G to Y5V.
A wide selection of sizes is available, from the miniature LxWxT: 1.0x0.5x0.5mm toLxWxT: 3.2x1.6x1.15mm. GRM 18, 21, and GRM 31 types are suited to flow and reflow soldering. GRM 15 type is applied to only reflow soldering,
Stringent dimensional tolerances allow highly reliable, high-speed automatic chip placement PCBs.
The GRM series is available in paper or plastic embossed tape and reel packaging for automatic placement. Bulk case packaging is also available for GRM 15, GRM18, and GRM21.
GRM155R71C104KA88D 3D Model

GRM155R71C104KA88D Symbol

GRM155R71C104KA88D Footprint

GRM155R71C104KA88D 3D Model
Specifications
- TypeParameter
- Lifecycle Status
Lifecycle Status refers to the current stage of an electronic component in its product life cycle, indicating whether it is active, obsolete, or transitioning between these states. An active status means the component is in production and available for purchase. An obsolete status indicates that the component is no longer being manufactured or supported, and manufacturers typically provide a limited time frame for support. Understanding the lifecycle status is crucial for design engineers to ensure continuity and reliability in their projects.
IN PRODUCTION (Last Updated: 1 month ago) - Factory Lead Time10 Weeks
- Mount
In electronic components, the term "Mount" typically refers to the method or process of physically attaching or fixing a component onto a circuit board or other electronic device. This can involve soldering, adhesive bonding, or other techniques to secure the component in place. The mounting process is crucial for ensuring proper electrical connections and mechanical stability within the electronic system. Different components may have specific mounting requirements based on their size, shape, and function, and manufacturers provide guidelines for proper mounting procedures to ensure optimal performance and reliability of the electronic device.
Surface Mount - Mounting Type
The "Mounting Type" in electronic components refers to the method used to attach or connect a component to a circuit board or other substrate, such as through-hole, surface-mount, or panel mount.
Surface Mount, MLCC - Package / Case
refers to the protective housing that encases an electronic component, providing mechanical support, electrical connections, and thermal management.
0402 (1005 Metric) - Terminal Shape
Terminal Shape in electronic components refers to the physical design of the connection points on the component that allow for electrical connections to be made. These terminals can come in various shapes such as pins, leads, pads, or terminals with specific configurations like surface mount or through-hole. The terminal shape is important as it determines how the component can be mounted on a circuit board or connected to other components. Different terminal shapes are used based on the specific requirements of the electronic circuit design and manufacturing process.
WRAPAROUND - Number of Pins2
- Dielectric Material
a substance that is a poor conductor of electricity, but an efficient supporter of electrostatic field s.
Ceramic - Weight6.010099mg
- Operating Temperature
The operating temperature is the range of ambient temperature within which a power supply, or any other electrical equipment, operate in. This ranges from a minimum operating temperature, to a peak or maximum operating temperature, outside which, the power supply may fail.
-55°C~125°C - Packaging
Semiconductor package is a carrier / shell used to contain and cover one or more semiconductor components or integrated circuits. The material of the shell can be metal, plastic, glass or ceramic.
Tape & Reel (TR) - Series
In electronic components, the "Series" refers to a group of products that share similar characteristics, designs, or functionalities, often produced by the same manufacturer. These components within a series typically have common specifications but may vary in terms of voltage, power, or packaging to meet different application needs. The series name helps identify and differentiate between various product lines within a manufacturer's catalog.
GRM - Size / Dimension
In electronic components, the parameter "Size / Dimension" refers to the physical dimensions of the component, such as its length, width, and height. These dimensions are crucial for determining how the component will fit into a circuit or system, as well as for ensuring compatibility with other components and the overall design requirements. The size of a component can also impact its performance characteristics, thermal properties, and overall functionality within a given application. Engineers and designers must carefully consider the size and dimensions of electronic components to ensure proper integration and functionality within their designs.
0.039Lx0.020W 1.00mmx0.50mm - Tolerance
In electronic components, "tolerance" refers to the acceptable deviation or variation from the specified or ideal value of a particular parameter, such as resistance, capacitance, or voltage. It indicates the range within which the actual value of the component can fluctuate while still being considered acceptable for use in a circuit. Tolerance is typically expressed as a percentage or a specific value and is important for ensuring the accuracy and reliability of electronic devices. Components with tighter tolerances are more precise but may also be more expensive. It is crucial to consider tolerance when selecting components to ensure proper functionality and performance of the circuit.
±10% - JESD-609 Code
The "JESD-609 Code" in electronic components refers to a standardized marking code that indicates the lead-free solder composition and finish of electronic components for compliance with environmental regulations.
e3 - Pbfree Code
The "Pbfree Code" parameter in electronic components refers to the code or marking used to indicate that the component is lead-free. Lead (Pb) is a toxic substance that has been widely used in electronic components for many years, but due to environmental concerns, there has been a shift towards lead-free alternatives. The Pbfree Code helps manufacturers and users easily identify components that do not contain lead, ensuring compliance with regulations and promoting environmentally friendly practices. It is important to pay attention to the Pbfree Code when selecting electronic components to ensure they meet the necessary requirements for lead-free applications.
yes - Part Status
Parts can have many statuses as they progress through the configuration, analysis, review, and approval stages.
Active - Moisture Sensitivity Level (MSL)
Moisture Sensitivity Level (MSL) is a standardized rating that indicates the susceptibility of electronic components, particularly semiconductors, to moisture-induced damage during storage and the soldering process, defining the allowable exposure time to ambient conditions before they require special handling or baking to prevent failures
1 (Unlimited) - Number of Terminations2
- Termination
Termination in electronic components refers to the practice of matching the impedance of a circuit to prevent signal reflections and ensure maximum power transfer. It involves the use of resistors or other components at the end of transmission lines or connections. Proper termination is crucial in high-frequency applications to maintain signal integrity and reduce noise.
SMD/SMT - ECCN Code
An ECCN (Export Control Classification Number) is an alphanumeric code used by the U.S. Bureau of Industry and Security to identify and categorize electronic components and other dual-use items that may require an export license based on their technical characteristics and potential for military use.
EAR99 - Temperature Coefficient
The resistance-change factor per degree Celsius of temperature change is called the temperature coefficient of resistance. This factor is represented by the Greek lower-case letter “alpha” (α). A positive coefficient for a material means that its resistance increases with an increase in temperature.
X7R - Terminal Finish
Terminal Finish refers to the surface treatment applied to the terminals or leads of electronic components to enhance their performance and longevity. It can improve solderability, corrosion resistance, and overall reliability of the connection in electronic assemblies. Common finishes include nickel, gold, and tin, each possessing distinct properties suitable for various applications. The choice of terminal finish can significantly impact the durability and effectiveness of electronic devices.
Matte Tin (Sn) - with Nickel (Ni) barrier - Applications
The parameter "Applications" in electronic components refers to the specific uses or functions for which a component is designed. It encompasses various fields such as consumer electronics, industrial automation, telecommunications, automotive, and medical devices. Understanding the applications helps in selecting the right components for a particular design based on performance, reliability, and compatibility requirements. This parameter also guides manufacturers in targeting their products to relevant markets and customer needs.
General Purpose - Capacitance
Capacitance is a fundamental electrical property of electronic components that describes their ability to store electrical energy in the form of an electric field. It is measured in farads (F) and represents the ratio of the amount of electric charge stored on a component to the voltage across it. Capacitors are passive components that exhibit capacitance and are commonly used in electronic circuits for various purposes such as filtering, energy storage, timing, and coupling. Capacitance plays a crucial role in determining the behavior and performance of electronic systems by influencing factors like signal propagation, frequency response, and power consumption.
0.1μF - Voltage - Rated DC
Voltage - Rated DC is a parameter that specifies the maximum direct current (DC) voltage that an electronic component can safely handle without being damaged. This rating is crucial for ensuring the proper functioning and longevity of the component in a circuit. Exceeding the rated DC voltage can lead to overheating, breakdown, or even permanent damage to the component. It is important to carefully consider this parameter when designing or selecting components for a circuit to prevent any potential issues related to voltage overload.
50V - Packing Method
The packing method in electronic components refers to the technique used to package and protect the component during shipping and handling. It encompasses various forms including tape and reel, tray, tube, or bulk packaging, each suited for different types of components and manufacturing processes. The choice of packing method can affect the ease of handling, storage, and the efficiency of assembly in automated processes. Additionally, it plays a crucial role in ensuring the reliability and integrity of the components until they are used in electronic devices.
TR, PAPER, 7 INCH - Depth
In electronic components, "Depth" typically refers to the measurement of the distance from the front to the back of the component. It is an important parameter to consider when designing or selecting components for a project, as it determines how much space the component will occupy within a circuit or device. The depth of a component can impact the overall size and layout of the circuit board or enclosure in which it will be installed. It is usually specified in millimeters or inches and is crucial for ensuring proper fit and functionality within the intended application.
500μm - Case Code (Metric)
Case Code (Metric) in electronic components refers to a standardized system that specifies the dimensions of surface-mount devices (SMD) in millimeters, consisting of a four-digit number where the first two digits represent the width and the last two digits represent the height of the component, measured in tenths of a millimeter. The metric case codes are standardized by organizations such as the EIA and IEC, and are often compared to the Imperial code which uses inches, allowing for easier identification and selection of components across different regions and industries. This coding system is widely used in the design and manufacturing of electronic devices, particularly in applications requiring compact and efficient component layouts, and is essential for engineers and designers to ensure proper component selection and facilitate the assembly process in electronic manufacturing.
1005 - Case Code (Imperial)
The term "Case Code (Imperial)" in electronic components refers to a standardized system used to specify the physical dimensions and package types of components, particularly capacitors and resistors. This code helps manufacturers and engineers identify the size and form factor of the component, ensuring compatibility with circuit designs and PCB layouts. In the context of electronic components, the Case Code (Imperial) typically follows a numerical format that indicates the length and width of the component in inches. For example, a Case Code of 1206 signifies a component that measures 0.12 inches by 0.06 inches. This coding system is essential for selecting the correct components for specific applications, as it provides a quick reference to the physical characteristics of the part, including its footprint and mounting style.
0402 - Temperature Characteristics Code
The "Temperature Characteristics Code" in electronic components refers to a code or designation that indicates how the component's electrical properties vary with changes in temperature. This code helps users understand how the component will perform under different temperature conditions. It typically consists of a series of letters or numbers that represent the component's temperature coefficient, which is a measure of how the component's electrical characteristics change with temperature. Understanding the temperature characteristics code is important for selecting components that will operate reliably in specific temperature environments and for ensuring the overall performance and stability of electronic circuits.
X7R - Multilayer
The parameter "Multilayer" in electronic components refers to the construction of the component using multiple layers of materials. This construction technique involves stacking several layers of conductive and insulating materials to create a compact and efficient component. Multilayer components are commonly used in various electronic devices to save space and improve performance. The layers are typically interconnected using vias or other methods to ensure proper functionality. Overall, the multilayer design allows for increased functionality and complexity in a smaller form factor, making it a popular choice in modern electronics.
Yes - Voltage
Voltage is a measure of the electric potential difference between two points in an electrical circuit. It is typically represented by the symbol "V" and is measured in volts. Voltage is a crucial parameter in electronic components as it determines the flow of electric current through a circuit. It is responsible for driving the movement of electrons from one point to another, providing the energy needed for electronic devices to function properly. In summary, voltage is a fundamental concept in electronics that plays a key role in the operation and performance of electronic components.
50V - Dissipation Factor
Dissipation factor (DF) is a measure of loss-rate of energy of a mode of oscillation (mechanical, electrical, or electromechanical) in a dissipative system. It is the reciprocal of quality factor, which represents the "quality" or durability of oscillation.
0.025 % - Height550μm
- Length1mm
- Width0.5mm
- Thickness (Max)
Thickness (Max) is a parameter in electronic components that refers to the maximum allowable thickness of the component. This measurement is important for ensuring proper fit and compatibility within a circuit or device. It is typically specified in the component's datasheet and is crucial for mechanical design considerations, such as determining clearance requirements and ensuring that the component can be properly mounted or soldered onto a PCB. Exceeding the maximum thickness limit can lead to issues such as interference with neighboring components, improper assembly, or mechanical stress that may affect the component's performance or reliability.
0.022 0.55mm - Thickness
Thickness in electronic components refers to the measurement of how thick a particular material or layer is within the component structure. It can pertain to various aspects, such as the thickness of a substrate, a dielectric layer, or conductive traces. This parameter is crucial as it impacts the electrical, mechanical, and thermal properties of the component, influencing its performance and reliability in electronic circuits.
558.8μm - REACH SVHC
The parameter "REACH SVHC" in electronic components refers to the compliance with the Registration, Evaluation, Authorization, and Restriction of Chemicals (REACH) regulation regarding Substances of Very High Concern (SVHC). SVHCs are substances that may have serious effects on human health or the environment, and their use is regulated under REACH to ensure their safe handling and minimize their impact.Manufacturers of electronic components need to declare if their products contain any SVHCs above a certain threshold concentration and provide information on the safe use of these substances. This information allows customers to make informed decisions about the potential risks associated with using the components and take appropriate measures to mitigate any hazards.Ensuring compliance with REACH SVHC requirements is essential for electronics manufacturers to meet regulatory standards, protect human health and the environment, and maintain transparency in their supply chain. It also demonstrates a commitment to sustainability and responsible manufacturing practices in the electronics industry.
No SVHC - RoHS Status
RoHS means “Restriction of Certain Hazardous Substances” in the “Hazardous Substances Directive” in electrical and electronic equipment.
ROHS3 Compliant - Lead Free
Lead Free is a term used to describe electronic components that do not contain lead as part of their composition. Lead is a toxic material that can have harmful effects on human health and the environment, so the electronics industry has been moving towards lead-free components to reduce these risks. Lead-free components are typically made using alternative materials such as silver, copper, and tin. Manufacturers must comply with regulations such as the Restriction of Hazardous Substances (RoHS) directive to ensure that their products are lead-free and environmentally friendly.
Lead Free
GRM155R71C104KA88D Equivalents
| CC0402KRX7R7BB104 | GCM155R71C104KA55D | EMK105B7104KV-F | CL05B104KO5NNNC | |
| Descriptions | Ceramic Capacitors CAP CER 0.1UF 16V X7R 0402 | Ceramic Capacitors CAP CER 0.1UF 16V X7R 0402 | Ceramic Capacitors CAP CER 0.1UF 16V X7R 0402 | Ceramic Capacitors Cap Ceramic 0.1uF 16V X7R 10% Pad SMD 0402 125C T/R |
| Manufacturer | Yageo | Murata Electronics | Taiyo Yuden | Samsung Electro-Mechanics |
| Images | ![]() | ![]() | ![]() | ![]() |
GRM155R71C104KA88D Application
General electronic equipment
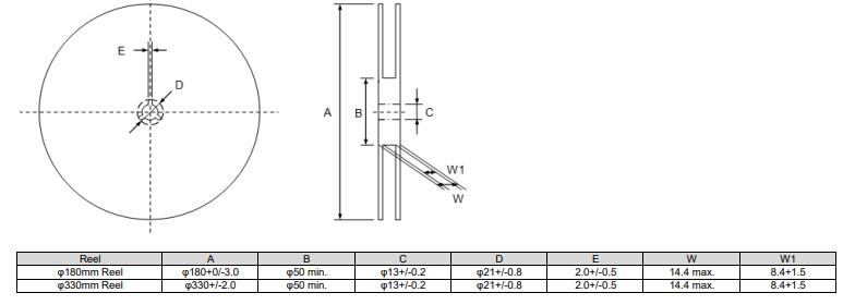
GRM155R71C104KA88D Package informtion

GRM155R71C104KA88D Package information
GRM155R71C104KA88D Manufacturer
Murata is a global leader in the design, manufacture, and supply of advanced electronic materials, leading-edge electronic components, and multi-functional, high-density modules. Murata innovations can be found in a wide range of applications from mobile phones to home appliances, and automotive applications to energy management systems and healthcare devices.
Datasheet PDF
- Datasheets :
- ReachStatement :
Popularity by Region
Parts with Similar Specs
- ImagePart NumberManufacturerCapacitanceMountPackage / CaseToleranceHeightCase Code (Metric)WidthNumber of TerminationsView Compare
GRM155R71H104KE14D
0.1μF
Surface Mount
0402 (1005 Metric)
±10%
550 μm
1005
0.5 mm
2
0.1μF
Surface Mount
0402 (1005 Metric)
±10%
550 μm
1005
0.5 mm
2
0.1μF
Surface Mount
0402 (1005 Metric)
±10%
550 μm
1005
0.5 mm
2
0.1μF
Surface Mount
0402 (1005 Metric)
±10%
550 μm
1005
0.5 mm
2
0.1μF
Surface Mount
0402 (1005 Metric)
±10%
500 μm
1005
0.5 mm
2
How many pins of GRM155R71C104KA88D ?
2 pins.
What’s the operating temperature of GRM155R71C104KA88D?
-55°C~125°C.
TPS2H160AQPWPRQ1: Dual-Channel, High-side, NMOs, FETs, Pinout15 February 2022714
TDA2050 Amplifier: Datasheet, Circuit, Replacement29 October 202123435
BTA41600B Triacs: Circuits, Pinout, and Datasheet [Video&FAQ]16 December 202125475
INA128 Amplifier: Pinout, Equivalent and Datasheet01 November 202111008
ntd24n06lt4g:an N-channel Power MOSFET12 March 2022583
NE555 VS TS555 Power Consumption[Video]25 April 20222934
How to use BME280 with Arduino?07 June 20223464
Understanding the dsPIC33EPXXXGP50X, dsPIC33EPXXXMC20X/50X, and PIC24EPXXXGP/MC20X Microcontrollers29 February 2024144
Introduction to AC motor05 March 20218716
Semiconductor Material Industry Guide21 January 20225916
Classification and Characteristics of Microwave Filter14 December 20218276
What is RF Power Amplifier?08 November 202511255
A Comprehensive Guide to FPGA Development Boards11 September 202512135
Introduction to IC Packaging08 January 202615408
What is a SAW Sensor? Types, Working and Applications29 March 202119126
DoD Allocates $238 Million for Semiconductor Centers under CHIPS and Science Act23 September 20232742
Murata Electronics
In Stock: 251147
United States
China
Canada
Japan
Russia
Germany
United Kingdom
Singapore
Italy
Hong Kong(China)
Taiwan(China)
France
Korea
Mexico
Netherlands
Malaysia
Austria
Spain
Switzerland
Poland
Thailand
Vietnam
India
United Arab Emirates
Afghanistan
Åland Islands
Albania
Algeria
American Samoa
Andorra
Angola
Anguilla
Antigua & Barbuda
Argentina
Armenia
Aruba
Australia
Azerbaijan
Bahamas
Bahrain
Bangladesh
Barbados
Belarus
Belgium
Belize
Benin
Bermuda
Bhutan
Bolivia
Bonaire, Sint Eustatius and Saba
Bosnia & Herzegovina
Botswana
Brazil
British Indian Ocean Territory
British Virgin Islands
Brunei
Bulgaria
Burkina Faso
Burundi
Cabo Verde
Cambodia
Cameroon
Cayman Islands
Central African Republic
Chad
Chile
Christmas Island
Cocos (Keeling) Islands
Colombia
Comoros
Congo
Congo (DRC)
Cook Islands
Costa Rica
Côte d’Ivoire
Croatia
Cuba
Curaçao
Cyprus
Czechia
Denmark
Djibouti
Dominica
Dominican Republic
Ecuador
Egypt
El Salvador
Equatorial Guinea
Eritrea
Estonia
Eswatini
Ethiopia
Falkland Islands
Faroe Islands
Fiji
Finland
French Guiana
French Polynesia
Gabon
Gambia
Georgia
Ghana
Gibraltar
Greece
Greenland
Grenada
Guadeloupe
Guam
Guatemala
Guernsey
Guinea
Guinea-Bissau
Guyana
Haiti
Honduras
Hungary
Iceland
Indonesia
Iran
Iraq
Ireland
Isle of Man
Israel
Jamaica
Jersey
Jordan
Kazakhstan
Kenya
Kiribati
Kosovo
Kuwait
Kyrgyzstan
Laos
Latvia
Lebanon
Lesotho
Liberia
Libya
Liechtenstein
Lithuania
Luxembourg
Macao(China)
Madagascar
Malawi
Maldives
Mali
Malta
Marshall Islands
Martinique
Mauritania
Mauritius
Mayotte
Micronesia
Moldova
Monaco
Mongolia
Montenegro
Montserrat
Morocco
Mozambique
Myanmar
Namibia
Nauru
Nepal
New Caledonia
New Zealand
Nicaragua
Niger
Nigeria
Niue
Norfolk Island
North Korea
North Macedonia
Northern Mariana Islands
Norway
Oman
Pakistan
Palau
Palestinian Authority
Panama
Papua New Guinea
Paraguay
Peru
Philippines
Pitcairn Islands
Portugal
Puerto Rico
Qatar
Réunion
Romania
Rwanda
Samoa
San Marino
São Tomé & Príncipe
Saudi Arabia
Senegal
Serbia
Seychelles
Sierra Leone
Sint Maarten
Slovakia
Slovenia
Solomon Islands
Somalia
South Africa
South Sudan
Sri Lanka
St Helena, Ascension, Tristan da Cunha
St. Barthélemy
St. Kitts & Nevis
St. Lucia
St. Martin
St. Pierre & Miquelon
St. Vincent & Grenadines
Sudan
Suriname
Svalbard & Jan Mayen
Sweden
Syria
Tajikistan
Tanzania
Timor-Leste
Togo
Tokelau
Tonga
Trinidad & Tobago
Tunisia
Turkey
Turkmenistan
Turks & Caicos Islands
Tuvalu
U.S. Outlying Islands
U.S. Virgin Islands
Uganda
Ukraine
Uruguay
Uzbekistan
Vanuatu
Vatican City
Venezuela
Wallis & Futuna
Yemen
Zambia
Zimbabwe


Product
Brand
Articles
Tools












