TL431A Integrated Circuit: Pinout, Equivalent and Datasheet
0°C~70°C TA Adjustable 1.27mm PMIC TL431 8-SOIC (0.154, 3.90mm Width)
The TL431A integrated circuit is three−terminal programmable shunt regulator diode. Furthermore, Huge range of Semiconductors, Capacitors, Resistors and IcS in stock. Welcome RFQ.

How to TEST TL431 Voltage Reference / TL431A TL432 KIA431 Shunt Regulator circuit
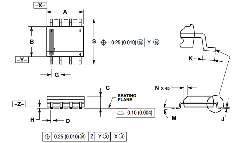
TL431A Pinout

Pinout
TL431A CAD Model

Symbol

Footprint

3D Model
TL431A Overview
The TL431A integrated circuit is three−terminal programmable shunt regulator diode. The monolithic IC voltage reference operates as a low temperature coefficient zener which is programmable from Vref to 36 V with two external resistors. The device exhibits a wide operating current range of 1.0 mA to 100 mA with a typical dynamic impedance of 0.22 Ω.
This article provides you with a basic overview of the TL431A, including its pin descriptions, features and specifications, etc., to help you quickly understand what TL431A is.
TL431A Features
● Programmable Output Voltage to 36 V
● Voltage Reference Tolerance: ±0.4%, Typ @ 25°C (TL431B)
● Low Dynamic Output Impedance, 0.22 Ω Typical
● Sink Current Capability of 1.0 mA to 100 mA
● Equivalent Full−Range Temperature Coefficient of 50 ppm/°C Typical
● Temperature Compensated for Operation over Full Rated Operating Temperature Range
● Low Output Noise Voltage
● NCV/SCV Prefixes for Automotive and Other Applications Requiring Unique Site and Control Change Requirements; AEC−Q100 Qualified and PPAP Capable
● The Device is Pb−Free, Halogen Free/BFR Free and are RoHS Compliant
TL431A Advantage
The characteristics of the reference makes them excellent replacements for zener diodes in many applications such as digital voltmeters, power supplies, and op amp circuitry. The 2.5 V reference makes it convenient to obtain a stable reference from 5.0 V logic supplies, and since the TL431A operates as a shunt regulator, it can be used as either a positive or negative voltage reference.
The TL431 is a programmable precision reference which is used in a variety of ways. It serves as a reference voltage in circuits where a non−standard reference voltage is needed. In each of these applications, it is critical to maintain stability of the device at various operating currents and load capacitances.
Specifications
- TypeParameter
- Lifecycle Status
Lifecycle Status refers to the current stage of an electronic component in its product life cycle, indicating whether it is active, obsolete, or transitioning between these states. An active status means the component is in production and available for purchase. An obsolete status indicates that the component is no longer being manufactured or supported, and manufacturers typically provide a limited time frame for support. Understanding the lifecycle status is crucial for design engineers to ensure continuity and reliability in their projects.
ACTIVE (Last Updated: 1 day ago) - Factory Lead Time2 Weeks
- Mount
In electronic components, the term "Mount" typically refers to the method or process of physically attaching or fixing a component onto a circuit board or other electronic device. This can involve soldering, adhesive bonding, or other techniques to secure the component in place. The mounting process is crucial for ensuring proper electrical connections and mechanical stability within the electronic system. Different components may have specific mounting requirements based on their size, shape, and function, and manufacturers provide guidelines for proper mounting procedures to ensure optimal performance and reliability of the electronic device.
Surface Mount - Mounting Type
The "Mounting Type" in electronic components refers to the method used to attach or connect a component to a circuit board or other substrate, such as through-hole, surface-mount, or panel mount.
Surface Mount - Package / Case
refers to the protective housing that encases an electronic component, providing mechanical support, electrical connections, and thermal management.
8-SOIC (0.154, 3.90mm Width) - Number of Pins8
- Operating Temperature
The operating temperature is the range of ambient temperature within which a power supply, or any other electrical equipment, operate in. This ranges from a minimum operating temperature, to a peak or maximum operating temperature, outside which, the power supply may fail.
0°C~70°C TA - Packaging
Semiconductor package is a carrier / shell used to contain and cover one or more semiconductor components or integrated circuits. The material of the shell can be metal, plastic, glass or ceramic.
Tube - Published2005
- Tolerance
In electronic components, "tolerance" refers to the acceptable deviation or variation from the specified or ideal value of a particular parameter, such as resistance, capacitance, or voltage. It indicates the range within which the actual value of the component can fluctuate while still being considered acceptable for use in a circuit. Tolerance is typically expressed as a percentage or a specific value and is important for ensuring the accuracy and reliability of electronic devices. Components with tighter tolerances are more precise but may also be more expensive. It is crucial to consider tolerance when selecting components to ensure proper functionality and performance of the circuit.
±1% - JESD-609 Code
The "JESD-609 Code" in electronic components refers to a standardized marking code that indicates the lead-free solder composition and finish of electronic components for compliance with environmental regulations.
e3 - Pbfree Code
The "Pbfree Code" parameter in electronic components refers to the code or marking used to indicate that the component is lead-free. Lead (Pb) is a toxic substance that has been widely used in electronic components for many years, but due to environmental concerns, there has been a shift towards lead-free alternatives. The Pbfree Code helps manufacturers and users easily identify components that do not contain lead, ensuring compliance with regulations and promoting environmentally friendly practices. It is important to pay attention to the Pbfree Code when selecting electronic components to ensure they meet the necessary requirements for lead-free applications.
yes - Part Status
Parts can have many statuses as they progress through the configuration, analysis, review, and approval stages.
Active - Moisture Sensitivity Level (MSL)
Moisture Sensitivity Level (MSL) is a standardized rating that indicates the susceptibility of electronic components, particularly semiconductors, to moisture-induced damage during storage and the soldering process, defining the allowable exposure time to ambient conditions before they require special handling or baking to prevent failures
1 (Unlimited) - Number of Terminations8
- ECCN Code
An ECCN (Export Control Classification Number) is an alphanumeric code used by the U.S. Bureau of Industry and Security to identify and categorize electronic components and other dual-use items that may require an export license based on their technical characteristics and potential for military use.
EAR99 - Temperature Coefficient
The resistance-change factor per degree Celsius of temperature change is called the temperature coefficient of resistance. This factor is represented by the Greek lower-case letter “alpha” (α). A positive coefficient for a material means that its resistance increases with an increase in temperature.
50ppm/°C Typical - Terminal Finish
Terminal Finish refers to the surface treatment applied to the terminals or leads of electronic components to enhance their performance and longevity. It can improve solderability, corrosion resistance, and overall reliability of the connection in electronic assemblies. Common finishes include nickel, gold, and tin, each possessing distinct properties suitable for various applications. The choice of terminal finish can significantly impact the durability and effectiveness of electronic devices.
Tin (Sn) - Terminal Position
In electronic components, the term "Terminal Position" refers to the physical location of the connection points on the component where external electrical connections can be made. These connection points, known as terminals, are typically used to attach wires, leads, or other components to the main body of the electronic component. The terminal position is important for ensuring proper connectivity and functionality of the component within a circuit. It is often specified in technical datasheets or component specifications to help designers and engineers understand how to properly integrate the component into their circuit designs.
DUAL - Terminal Form
Occurring at or forming the end of a series, succession, or the like; closing; concluding.
GULL WING - Peak Reflow Temperature (Cel)
Peak Reflow Temperature (Cel) is a parameter that specifies the maximum temperature at which an electronic component can be exposed during the reflow soldering process. Reflow soldering is a common method used to attach electronic components to a circuit board. The Peak Reflow Temperature is crucial because it ensures that the component is not damaged or degraded during the soldering process. Exceeding the specified Peak Reflow Temperature can lead to issues such as component failure, reduced performance, or even permanent damage to the component. It is important for manufacturers and assemblers to adhere to the recommended Peak Reflow Temperature to ensure the reliability and functionality of the electronic components.
260 - Number of Functions1
- Terminal Pitch
The center distance from one pole to the next.
1.27mm - Current Rating
Current rating is the maximum current that a fuse will carry for an indefinite period without too much deterioration of the fuse element.
100mA - Time@Peak Reflow Temperature-Max (s)
Time@Peak Reflow Temperature-Max (s) refers to the maximum duration that an electronic component can be exposed to the peak reflow temperature during the soldering process, which is crucial for ensuring reliable solder joint formation without damaging the component.
40 - Base Part Number
The "Base Part Number" (BPN) in electronic components serves a similar purpose to the "Base Product Number." It refers to the primary identifier for a component that captures the essential characteristics shared by a group of similar components. The BPN provides a fundamental way to reference a family or series of components without specifying all the variations and specific details.
TL431 - Pin Count
a count of all of the component leads (or pins)
8 - Number of Outputs1
- Output Voltage
Output voltage is a crucial parameter in electronic components that refers to the voltage level produced by the component as a result of its operation. It represents the electrical potential difference between the output terminal of the component and a reference point, typically ground. The output voltage is a key factor in determining the performance and functionality of the component, as it dictates the level of voltage that will be delivered to the connected circuit or load. It is often specified in datasheets and technical specifications to ensure compatibility and proper functioning within a given system.
36V - Output Type
The "Output Type" parameter in electronic components refers to the type of signal or data that is produced by the component as an output. This parameter specifies the nature of the output signal, such as analog or digital, and can also include details about the voltage levels, current levels, frequency, and other characteristics of the output signal. Understanding the output type of a component is crucial for ensuring compatibility with other components in a circuit or system, as well as for determining how the output signal can be utilized or processed further. In summary, the output type parameter provides essential information about the nature of the signal that is generated by the electronic component as its output.
Adjustable - Max Output Current
The maximum current that can be supplied to the load.
100mA - Trim/Adjustable Output
Trim or adjustable output refers to the ability of an electronic component, such as a voltage regulator or power supply, to produce an output voltage that can be finely tuned or adjusted to meet specific requirements. This feature allows for precise control over the output voltage level, accommodating variations in load conditions or desired operational parameters. Users can typically achieve this adjustment through external resistors, potentiometers, or internal calibration mechanisms, ensuring optimal performance in diverse applications.
YES - Analog IC - Other Type
Analog IC - Other Type is a parameter used to categorize electronic components that are integrated circuits (ICs) designed for analog signal processing but do not fall into more specific subcategories such as amplifiers, comparators, or voltage regulators. These ICs may include specialized analog functions such as analog-to-digital converters (ADCs), digital-to-analog converters (DACs), voltage references, or signal conditioning circuits. They are typically used in various applications where precise analog signal processing is required, such as in audio equipment, instrumentation, communication systems, and industrial control systems. Manufacturers provide detailed specifications for these components to help engineers select the most suitable IC for their specific design requirements.
THREE TERMINAL VOLTAGE REFERENCE - Accuracy
Accuracy in electronic components refers to the degree to which a measured value agrees with the true or accepted value. It evaluates the precision of a component in providing correct output or measurement under specified conditions. High accuracy indicates minimal deviation from the actual value, while low accuracy shows significant error in measurement. This parameter is crucial in applications where precise data is essential for reliable performance and decision-making.
1 % - Max Output Voltage
The maximum output voltage refers to the dynamic area beyond which the output is saturated in the positive or negative direction, and is limited according to the load resistance value.
36V - Voltage - Output (Min/Fixed)
Voltage - Output (Min/Fixed) refers to the minimum fixed output voltage level that an electronic component, such as a voltage regulator or power supply, is designed to provide under specified load conditions. This parameter ensures that the device consistently delivers a reliable voltage that meets the requirements of the connected circuits or components. It is critical for applications where stable and predictable voltage is necessary for proper operation.
2.495V - Max Input Voltage
Max Input Voltage refers to the maximum voltage level that an electronic component can safely handle without getting damaged. This parameter is crucial for ensuring the proper functioning and longevity of the component. Exceeding the specified maximum input voltage can lead to overheating, electrical breakdown, or permanent damage to the component. It is important to carefully adhere to the manufacturer's guidelines regarding the maximum input voltage to prevent any potential issues and maintain the reliability of the electronic device.
37V - Halogen Free
The term "Halogen Free" in electronic components refers to a specific characteristic of the materials used in the manufacturing of the component. Halogens are a group of elements that include fluorine, chlorine, bromine, iodine, and astatine. These elements are commonly used in flame retardants and other materials in electronics. However, the presence of halogens can pose environmental and health risks when the components are disposed of or recycled.Therefore, electronic components labeled as "Halogen Free" are manufactured without the use of halogenated materials. This designation indicates that the components do not contain any halogens, making them safer for the environment and human health. Halogen-free components are becoming increasingly popular in the electronics industry due to the growing awareness of environmental concerns and regulations regarding hazardous substances in electronic products.
Halogen Free - Reference Voltage
A voltage reference is an electronic device that ideally produces a fixed (constant) voltage irrespective of the loading on the device, power supply variations, temperature changes, and the passage of time. Voltage references are used in power supplies, analog-to-digital converters, digital-to-analog converters, and other measurement and control systems. Voltage references vary widely in performance; a regulator for a computer power supply may only hold its value to within a few percent of the nominal value, whereas laboratory voltage standards have precisions and stability measured in parts per million.
36V - Reference Type
a code object that is not stored directly where it is created, but that acts as a kind of pointer to a value stored elsewhere.
Shunt - Min Output Voltage
Min Output Voltage refers to the lowest voltage level that an electronic component, such as a voltage regulator or power supply, can provide reliably under specified conditions. It indicates the minimum threshold required for proper operation of connected devices. Operating below this voltage may lead to device malfunction or failure to operate as intended.
2.495V - Current - Cathode
Current - Cathode refers to the flow of electric current through the cathode terminal of an electronic component, such as a diode or a vacuum tube. It represents the amount of charge carriers, typically electrons, moving towards the cathode during operation. This parameter is crucial for determining the component's functionality and performance characteristics, as it influences the efficiency and stability of the circuit. High cathode current can indicate increased power consumption or potential overheating issues if not managed properly.
1mA - Height1.5mm
- Length5mm
- Width4mm
- REACH SVHC
The parameter "REACH SVHC" in electronic components refers to the compliance with the Registration, Evaluation, Authorization, and Restriction of Chemicals (REACH) regulation regarding Substances of Very High Concern (SVHC). SVHCs are substances that may have serious effects on human health or the environment, and their use is regulated under REACH to ensure their safe handling and minimize their impact.Manufacturers of electronic components need to declare if their products contain any SVHCs above a certain threshold concentration and provide information on the safe use of these substances. This information allows customers to make informed decisions about the potential risks associated with using the components and take appropriate measures to mitigate any hazards.Ensuring compliance with REACH SVHC requirements is essential for electronics manufacturers to meet regulatory standards, protect human health and the environment, and maintain transparency in their supply chain. It also demonstrates a commitment to sustainability and responsible manufacturing practices in the electronics industry.
No SVHC - Radiation Hardening
Radiation hardening is the process of making electronic components and circuits resistant to damage or malfunction caused by high levels of ionizing radiation, especially for environments in outer space (especially beyond the low Earth orbit), around nuclear reactors and particle accelerators, or during nuclear accidents or nuclear warfare.
No - RoHS Status
RoHS means “Restriction of Certain Hazardous Substances” in the “Hazardous Substances Directive” in electrical and electronic equipment.
ROHS3 Compliant - Lead Free
Lead Free is a term used to describe electronic components that do not contain lead as part of their composition. Lead is a toxic material that can have harmful effects on human health and the environment, so the electronics industry has been moving towards lead-free components to reduce these risks. Lead-free components are typically made using alternative materials such as silver, copper, and tin. Manufacturers must comply with regulations such as the Restriction of Hazardous Substances (RoHS) directive to ensure that their products are lead-free and environmentally friendly.
Lead Free
TL431A Functional Block Diagram

Representative Block Diagram

Representative Schematic Diagram
TL431A Simplified TL431 Device Model

Simplified TL431 Device Model
TL431A Equivalent
| Model number | Manufacturer | Description |
| TL431CLPRP | Motorola Mobility LLC | 1-OUTPUT THREE TERM VOLTAGE REFERENCE, 2.495V, PBCY3 |
| TL431AIDR2G | Rochester Electronics LLC | Three Terminal Voltage Reference, 1 Output, 2.495V, Trim/Adjustable, BIPolar, PDSO8, LEAD FREE, PLASTIC, SOIC-8 |
| TL431IYD | STMicroelectronics | Programmable Voltage Reference |
| TL431AILPM | Texas Instruments | Adjustable precision shunt regulator 3-TO-92 -40 to 85 |
| TL431ACLPX | Fairchild Semiconductor Corporation | Three Terminal Voltage Reference, 1 Output, 2.495V, Trim/Adjustable, BIPolar, PBCY3, TO-92, 3 PIN |
| TL431IDRG4 | Texas Instruments | Adjustable precision shunt regulator 8-SOIC -40 to 85 |
| TL431ACDR2 | Freescale Semiconductor | IC,VOLT REGULATOR,ADJUSTABLE,+2.5 TO +36V,BIPOLAR,SOP,8PIN,PLASTIC |
| TL431CLPR | Rochester Electronics LLC | Three Terminal Voltage Reference, 1 Output, 2.495V, Trim/Adjustable, BIPolar, PBCY3, ROHS COMPLIANT, PLASTIC, TO-226, TO-92, 3 PIN |
| TL431CLPM | Rochester Electronics LLC | Three Terminal Voltage Reference, 1 Output, 2.495V, Trim/Adjustable, BIPolar, PBCY3, ROHS COMPLIANT, PLASTIC, TO-226, TO-92, 3 PIN |
| TL431CLPB-TDJ | Texas Instruments | Adjustable Precision Shunt Regulator 3-TO-92 0 to 75 |
Parts with Similar Specs
- ImagePart NumberManufacturerPackage / CaseNumber of PinsMax Output CurrentMax Input VoltageMin Output VoltageOutput VoltageMax Output VoltageToleranceTemperature CoefficientView Compare
TL431ACDG
8-SOIC (0.154, 3.90mm Width)
8
100 mA
37 V
2.495 V
36 V
36 V
±1%
50ppm/°C Typical
8-SOIC (0.154, 3.90mm Width)
8
100 mA
37 V
2.495 V
36 V
36 V
±1%
50ppm/°C Typical
8-SOIC (0.154, 3.90mm Width)
8
100 mA
37 V
2.495 V
36 V
36 V
±1%
50ppm/°C Typical
8-SOIC (0.154, 3.90mm Width)
8
100 mA
37 V
2.495 V
36 V
36 V
±1%
50ppm/°C Typical
8-SOIC (0.154, 3.90mm Width)
8
100 mA
37 V
2.495 V
36 V
36 V
±1%
-
TL431A Application
● Shunt Regulator
● High Current Shunt Regulator
● Series Pass Regulator
● TRIAC Crowbar
● SRC Crowbar
● Voltage Monitor
● Linear Ohmmeter
● Simple 400 mW Phono Amplifier
● High Efficiency Step−Down Switching Converter
TL431A Package

SOIC−8 Package

Soldering Footprint
TL431A Manufacturer
On Semiconductor (Nasdaq: ON) is a manufacturer engaging itself in reducing energy use. It features a comprehensive portfolio of power, signal management, and logic, custom solutions that are energy efficient. It acts as a world-class supply chain with high reliability and a network of manufacturing facilities, sales, offices, and design centers in key markets through North America, Europe, and the Asia Pacific regions.
Datasheet PDF
- Datasheets :
- Environmental Information :
Trend Analysis
What tube is used instead of TL431A?
TL431A is a small-power miniature integrated voltage stabilizer, which forms a stabilized power supply through an external expansion transistor. It cannot be replaced by a triode, it can be replaced by uA431.
What kind of transistor is TL431A?
This is not a triode, but the shape is the same as that of a triode. TL431 is a shunt regulator integrated circuit. Because of its good performance and low price, it is widely used in various power circuits.
ATTINY1616 IC MCU 8BIT 16KB FLASH 20VQFN:Pinout, Block Diagram, and Datasheet26 April 20225283
nRF52810 Multiprotocol SoC : Datasheet, Pinout, Schematic11 September 20218550
6N139 Optocoupler: Pinout, Applications and Datasheet13 August 20212456
TDA7293 DMOS Audio Amplifier: Datasheet, TDA7293 vs. TDA729403 December 202115873
C2073 NPN Transistor: Datasheet, Pinout and Equivalent02 November 202139539
ATmega328P Series: 8-bit AVR Microcontroller Design Guide15 January 2026843
ATMEGA328P-MU AVR 8-bit Microcontrollers - MCU 32KB In-system: Datasheet, Pinout, and Equivalents24 February 20223517
Arduino Nano ESP32: Overview, Features and Applications06 October 20237711
How to Choose the Best Deep Cycle Battery in 2024 | Reviews and Buying Guide21 July 20252481
Battery Management System (BMS) Implementation Form and Chip Performance Analysis28 April 20223743
What is the Difference between MOM, MIM and MOS Capacitors?17 April 202565884
EMI Filter: Introduction, Functions and Applications23 December 202012932
Introduction To Different Types Of Relays10 November 202019904
Japanese Companies Increase Investment in Power Semiconductors17 March 20224912
Modeling Wide Band-Gap Semiconductors for Enhanced Performance31 January 20243418
How to Avoid Common Mistakes When Choosing Electrical Fuses14 July 2025738
ON Semiconductor
In Stock
United States
China
Canada
Japan
Russia
Germany
United Kingdom
Singapore
Italy
Hong Kong(China)
Taiwan(China)
France
Korea
Mexico
Netherlands
Malaysia
Austria
Spain
Switzerland
Poland
Thailand
Vietnam
India
United Arab Emirates
Afghanistan
Åland Islands
Albania
Algeria
American Samoa
Andorra
Angola
Anguilla
Antigua & Barbuda
Argentina
Armenia
Aruba
Australia
Azerbaijan
Bahamas
Bahrain
Bangladesh
Barbados
Belarus
Belgium
Belize
Benin
Bermuda
Bhutan
Bolivia
Bonaire, Sint Eustatius and Saba
Bosnia & Herzegovina
Botswana
Brazil
British Indian Ocean Territory
British Virgin Islands
Brunei
Bulgaria
Burkina Faso
Burundi
Cabo Verde
Cambodia
Cameroon
Cayman Islands
Central African Republic
Chad
Chile
Christmas Island
Cocos (Keeling) Islands
Colombia
Comoros
Congo
Congo (DRC)
Cook Islands
Costa Rica
Côte d’Ivoire
Croatia
Cuba
Curaçao
Cyprus
Czechia
Denmark
Djibouti
Dominica
Dominican Republic
Ecuador
Egypt
El Salvador
Equatorial Guinea
Eritrea
Estonia
Eswatini
Ethiopia
Falkland Islands
Faroe Islands
Fiji
Finland
French Guiana
French Polynesia
Gabon
Gambia
Georgia
Ghana
Gibraltar
Greece
Greenland
Grenada
Guadeloupe
Guam
Guatemala
Guernsey
Guinea
Guinea-Bissau
Guyana
Haiti
Honduras
Hungary
Iceland
Indonesia
Iran
Iraq
Ireland
Isle of Man
Israel
Jamaica
Jersey
Jordan
Kazakhstan
Kenya
Kiribati
Kosovo
Kuwait
Kyrgyzstan
Laos
Latvia
Lebanon
Lesotho
Liberia
Libya
Liechtenstein
Lithuania
Luxembourg
Macao(China)
Madagascar
Malawi
Maldives
Mali
Malta
Marshall Islands
Martinique
Mauritania
Mauritius
Mayotte
Micronesia
Moldova
Monaco
Mongolia
Montenegro
Montserrat
Morocco
Mozambique
Myanmar
Namibia
Nauru
Nepal
New Caledonia
New Zealand
Nicaragua
Niger
Nigeria
Niue
Norfolk Island
North Korea
North Macedonia
Northern Mariana Islands
Norway
Oman
Pakistan
Palau
Palestinian Authority
Panama
Papua New Guinea
Paraguay
Peru
Philippines
Pitcairn Islands
Portugal
Puerto Rico
Qatar
Réunion
Romania
Rwanda
Samoa
San Marino
São Tomé & Príncipe
Saudi Arabia
Senegal
Serbia
Seychelles
Sierra Leone
Sint Maarten
Slovakia
Slovenia
Solomon Islands
Somalia
South Africa
South Sudan
Sri Lanka
St Helena, Ascension, Tristan da Cunha
St. Barthélemy
St. Kitts & Nevis
St. Lucia
St. Martin
St. Pierre & Miquelon
St. Vincent & Grenadines
Sudan
Suriname
Svalbard & Jan Mayen
Sweden
Syria
Tajikistan
Tanzania
Timor-Leste
Togo
Tokelau
Tonga
Trinidad & Tobago
Tunisia
Turkey
Turkmenistan
Turks & Caicos Islands
Tuvalu
U.S. Outlying Islands
U.S. Virgin Islands
Uganda
Ukraine
Uruguay
Uzbekistan
Vanuatu
Vatican City
Venezuela
Wallis & Futuna
Yemen
Zambia
Zimbabwe


Product
Brand
Articles
Tools










