ICL7660CPAZ Super Voltage Converter: Equivalents, Pinout, and Datasheet
INTERSIL ICL7660CPAZ IC, VOLT CONVERTER, 7660, DIP8
The ICL7660CPAZ Super Voltage Converter is a monolithic CMOS voltage converter IC that offers considerable performance benefits over competing devices. This article mainly introduces equivalents, pinout, datasheet and other detailed information about Intersil (Renesas Electronics America) ICL7660CPAZ.
- ICL7660CPAZ Description
- ICL7660CPAZ Pinout
- ICL7660CPAZ CAD Model
- ICL7660CPAZ Features
- Specifications
- ICL7660CPAZ Functional Block Diagram
- How to use ICL7660CPAZ
- ICL7660CPAZ Test Circuit
- ICL7660CPAZ Equivalents
- ICL7660CPAZ Alternatives
- ICL7660CPAZ Applications
- ICL7660CPAZ Package
- ICL7660CPAZ Manufacturer
- Trend Analysis
- Datasheet PDF
ICL7660CPAZ Description
The ICL7660CPAZ Super Voltage Converter is a monolithic CMOS voltage converter IC that offers considerable performance benefits over competing devices. They are direct replacements for the industry-standard ICL7660, having a 12V operational supply voltage range and lower supply current. A Frequency Boost pin has been added to allow users to obtain reduced output impedance even with smaller capacitors. Over the full commercial and industrial temperature ranges, critical parameters are ensured.
The ICL7660CPAZ converts positive to negative supply voltages for an input range of 1.5V to 12V, yielding complementary output voltages of -1.5V to -12V. For the charge pump and charge reservoir functions, just two non-critical external capacitors are required.
With a 12V input, the ICL7660CPAZ can be attached to act as a voltage doubler, generating up to 22.8V. They can also be utilized as voltage dividers or multipliers.
A series DC power supply regulator, RC oscillator, voltage level translator, and four output power MOS switches are all found on each device. When unloaded, the oscillator oscillates at a nominal frequency of 10kHz for a 5.0 V input supply voltage, An additional capacitor can be added to the "OSC" terminal to lower the frequency, or the oscillator can be overdriven by an external clock.
To bypass the internal series regulator and improve low voltage (LV) operation, connect the "LV" terminal to GND. The LV pin is left floating at medium to high voltages (3.5V to 12V) to prevent device latchup.
An external Schottky diode from VOUT to CAP- is required in some situations to ensure latchup-free functioning.
ICL7660CPAZ Pinout
The ICL7660CPAZ Pinout is shown as follows.

Pinout
| Pin Number | Pin Name | Description |
| 1 | NC (No Connection) | No internal connection |
| 2 | Capacitor + | Connect to positive terminal of capacitor |
| 3 | Ground | Connect to ground |
| 4 | Capacitor - | Connect to negative terminal of capacitor |
| 5 | Output | Output voltage pin |
| 6 | LV (Low Voltage) | Connect to ground for low voltage operation (<3.5 V) |
| 7 | Oscillator | Connect to external oscillator if required |
| 8 | Positive Supply | Input voltage for the IC |
ICL7660CPAZ CAD Model
The followings are ICL7660CPAZ Symbol, Footprint and 3D Model.

Symbol

Footprint

3D Model
ICL7660CPAZ Features
• Guaranteed Lower Max Supply Current for All Temperature Ranges
• Wide Operating Voltage Range: 1.5V to 12V
• 100% Tested at 3V
• Boost Pin (Pin 1) for Higher Switching Frequency
• Guaranteed Minimum Power Efficiency of 96%
• Improved Minimum Open Circuit Voltage Conversion Efficiency of 99%
• Improved SCR Latchup Protection
• Simple Conversion of +5V Logic Supply to ±5V Supplies
• Simple Voltage Multiplication VOUT = (-)nVIN
• Easy to Use; Requires Only Two External Non-Critical Passive Components
• Improved Direct Replacement for Industry Standard ICL7660 and Other Second Source Devices
• Pb-Free Available ( RoHS Compliant )
Specifications
- TypeParameter
- Factory Lead Time7 Weeks
- Mount
In electronic components, the term "Mount" typically refers to the method or process of physically attaching or fixing a component onto a circuit board or other electronic device. This can involve soldering, adhesive bonding, or other techniques to secure the component in place. The mounting process is crucial for ensuring proper electrical connections and mechanical stability within the electronic system. Different components may have specific mounting requirements based on their size, shape, and function, and manufacturers provide guidelines for proper mounting procedures to ensure optimal performance and reliability of the electronic device.
Surface Mount, Through Hole - Package / Case
refers to the protective housing that encases an electronic component, providing mechanical support, electrical connections, and thermal management.
PDIP - Number of Pins8
- Weight930.006106mg
- Packaging
Semiconductor package is a carrier / shell used to contain and cover one or more semiconductor components or integrated circuits. The material of the shell can be metal, plastic, glass or ceramic.
Cut Tape - Published1995
- JESD-609 Code
The "JESD-609 Code" in electronic components refers to a standardized marking code that indicates the lead-free solder composition and finish of electronic components for compliance with environmental regulations.
e3 - Part Status
Parts can have many statuses as they progress through the configuration, analysis, review, and approval stages.
Active - Number of Terminations8
- ECCN Code
An ECCN (Export Control Classification Number) is an alphanumeric code used by the U.S. Bureau of Industry and Security to identify and categorize electronic components and other dual-use items that may require an export license based on their technical characteristics and potential for military use.
EAR99 - Terminal Finish
Terminal Finish refers to the surface treatment applied to the terminals or leads of electronic components to enhance their performance and longevity. It can improve solderability, corrosion resistance, and overall reliability of the connection in electronic assemblies. Common finishes include nickel, gold, and tin, each possessing distinct properties suitable for various applications. The choice of terminal finish can significantly impact the durability and effectiveness of electronic devices.
Matte Tin (Sn) - annealed - Max Operating Temperature
The Maximum Operating Temperature is the maximum body temperature at which the thermistor is designed to operate for extended periods of time with acceptable stability of its electrical characteristics.
70°C - Min Operating Temperature
The "Min Operating Temperature" parameter in electronic components refers to the lowest temperature at which the component is designed to operate effectively and reliably. This parameter is crucial for ensuring the proper functioning and longevity of the component, as operating below this temperature may lead to performance issues or even damage. Manufacturers specify the minimum operating temperature to provide guidance to users on the environmental conditions in which the component can safely operate. It is important to adhere to this parameter to prevent malfunctions and ensure the overall reliability of the electronic system.
0°C - Terminal Position
In electronic components, the term "Terminal Position" refers to the physical location of the connection points on the component where external electrical connections can be made. These connection points, known as terminals, are typically used to attach wires, leads, or other components to the main body of the electronic component. The terminal position is important for ensuring proper connectivity and functionality of the component within a circuit. It is often specified in technical datasheets or component specifications to help designers and engineers understand how to properly integrate the component into their circuit designs.
DUAL - Number of Functions1
- Terminal Pitch
The center distance from one pole to the next.
2.54mm - Frequency
In electronic components, the parameter "Frequency" refers to the rate at which a signal oscillates or cycles within a given period of time. It is typically measured in Hertz (Hz) and represents how many times a signal completes a full cycle in one second. Frequency is a crucial aspect in electronic components as it determines the behavior and performance of various devices such as oscillators, filters, and communication systems. Understanding the frequency characteristics of components is essential for designing and analyzing electronic circuits to ensure proper functionality and compatibility with other components in a system.
10kHz - Number of Outputs1
- Output Type
The "Output Type" parameter in electronic components refers to the type of signal or data that is produced by the component as an output. This parameter specifies the nature of the output signal, such as analog or digital, and can also include details about the voltage levels, current levels, frequency, and other characteristics of the output signal. Understanding the output type of a component is crucial for ensuring compatibility with other components in a circuit or system, as well as for determining how the output signal can be utilized or processed further. In summary, the output type parameter provides essential information about the nature of the signal that is generated by the electronic component as its output.
Adjustable - Max Output Current
The maximum current that can be supplied to the load.
45mA - Input Voltage-Nom
Input Voltage-Nom refers to the nominal or rated input voltage that an electronic component or device is designed to operate within. This parameter specifies the voltage level at which the component is expected to function optimally and safely. It is important to ensure that the actual input voltage supplied to the component does not exceed this nominal value to prevent damage or malfunction. Manufacturers provide this specification to guide users in selecting the appropriate power supply or input voltage source for the component. It is a critical parameter to consider when designing or using electronic circuits to ensure reliable performance and longevity of the component.
5V - Temperature Grade
Temperature grades represent a tire's resistance to heat and its ability to dissipate heat when tested under controlled laboratory test conditions.
COMMERCIAL - Max Supply Voltage
In general, the absolute maximum common-mode voltage is VEE-0.3V and VCC+0.3V, but for products without a protection element at the VCC side, voltages up to the absolute maximum rated supply voltage (i.e. VEE+36V) can be supplied, regardless of supply voltage.
10V - Min Supply Voltage
The minimum supply voltage (V min ) is explored for sequential logic circuits by statistically simulating the impact of within-die process variations and gate-dielectric soft breakdown on data retention and hold time.
1.5V - Analog IC - Other Type
Analog IC - Other Type is a parameter used to categorize electronic components that are integrated circuits (ICs) designed for analog signal processing but do not fall into more specific subcategories such as amplifiers, comparators, or voltage regulators. These ICs may include specialized analog functions such as analog-to-digital converters (ADCs), digital-to-analog converters (DACs), voltage references, or signal conditioning circuits. They are typically used in various applications where precise analog signal processing is required, such as in audio equipment, instrumentation, communication systems, and industrial control systems. Manufacturers provide detailed specifications for these components to help engineers select the most suitable IC for their specific design requirements.
SWITCHED CAPACITOR CONVERTER - Max Supply Current
Max Supply Current refers to the maximum amount of electrical current that a component can draw from its power supply under normal operating conditions. It is a critical parameter that ensures the component operates reliably without exceeding its thermal limits or damaging internal circuitry. Exceeding this current can lead to overheating, performance degradation, or failure of the component. Understanding this parameter is essential for designing circuits that provide adequate power while avoiding overload situations.
165μA - Max Output Voltage
The maximum output voltage refers to the dynamic area beyond which the output is saturated in the positive or negative direction, and is limited according to the load resistance value.
-1.5V - Voltage - Output
Voltage - Output is a parameter that refers to the electrical potential difference between the output terminal or pin of an electronic component and a reference point, typically ground. It indicates the level of voltage that the component is capable of providing at its output under specified operating conditions. This parameter is crucial in determining the performance and functionality of the component in a circuit, as it directly affects the signal or power being delivered to other components or devices connected to the output. Engineers and designers use the voltage output specification to ensure compatibility and proper functioning of the component within the overall system.
18.6V - Topology
In the context of electronic components, "topology" refers to the arrangement or configuration of the components within a circuit or system. It defines how the components are connected to each other and how signals flow between them. The choice of topology can significantly impact the performance, efficiency, and functionality of the electronic system. Common topologies include series, parallel, star, mesh, and hybrid configurations, each with its own advantages and limitations. Designers carefully select the appropriate topology based on the specific requirements of the circuit to achieve the desired performance and functionality.
Boost, Charge Pump - Min Input Voltage
The parameter "Min Input Voltage" in electronic components refers to the minimum voltage level that must be applied to the component for it to operate within its specified parameters. This value is crucial as providing a voltage below this minimum threshold may result in the component malfunctioning or not functioning at all. It is important to adhere to the specified minimum input voltage to ensure the proper operation and longevity of the electronic component. Failure to meet this requirement may lead to potential damage to the component or the overall system in which it is used.
1.5V - Logic Function
In electronic components, the term "Logic Function" refers to the specific operation or behavior of a component based on its input signals. It describes how the component processes the input signals to produce the desired output. Logic functions are fundamental to digital circuits and are used to perform logical operations such as AND, OR, NOT, and XOR.Each electronic component, such as logic gates or flip-flops, is designed to perform a specific logic function based on its internal circuitry. By understanding the logic function of a component, engineers can design and analyze complex digital systems to ensure proper functionality and performance. Different logic functions can be combined to create more complex operations, allowing for the creation of sophisticated digital devices and systems.
Inverting - Frequency - Switching
"Frequency - Switching" in electronic components refers to the rate at which a device, such as a transistor or switching regulator, turns on and off during operation. This parameter is crucial in determining the efficiency and performance of power converters, oscillators, and other circuits that rely on rapid switching. Higher switching frequencies typically allow for smaller component sizes but may require more advanced design considerations to manage heat and electromagnetic interference.
10kHz - Max Input Voltage
Max Input Voltage refers to the maximum voltage level that an electronic component can safely handle without getting damaged. This parameter is crucial for ensuring the proper functioning and longevity of the component. Exceeding the specified maximum input voltage can lead to overheating, electrical breakdown, or permanent damage to the component. It is important to carefully adhere to the manufacturer's guidelines regarding the maximum input voltage to prevent any potential issues and maintain the reliability of the electronic device.
10V - Min Output Voltage
Min Output Voltage refers to the lowest voltage level that an electronic component, such as a voltage regulator or power supply, can provide reliably under specified conditions. It indicates the minimum threshold required for proper operation of connected devices. Operating below this voltage may lead to device malfunction or failure to operate as intended.
-10V - Switcher Configuration
Switcher Configuration in electronic components refers to the arrangement or setup of a switcher circuit, which is a type of power supply that converts one form of electrical energy into another. The configuration of a switcher circuit includes the specific components used, such as transistors, diodes, capacitors, and inductors, as well as their interconnections and control mechanisms. The switcher configuration determines the efficiency, voltage regulation, and other performance characteristics of the power supply. Different switcher configurations, such as buck, boost, buck-boost, and flyback, are used for various applications depending on the desired output voltage and current requirements. Understanding and selecting the appropriate switcher configuration is crucial in designing reliable and efficient power supply systems for electronic devices.
DOUBLER INVERTER - Height4.95mm
- Length10.16mm
- Width7.11mm
- REACH SVHC
The parameter "REACH SVHC" in electronic components refers to the compliance with the Registration, Evaluation, Authorization, and Restriction of Chemicals (REACH) regulation regarding Substances of Very High Concern (SVHC). SVHCs are substances that may have serious effects on human health or the environment, and their use is regulated under REACH to ensure their safe handling and minimize their impact.Manufacturers of electronic components need to declare if their products contain any SVHCs above a certain threshold concentration and provide information on the safe use of these substances. This information allows customers to make informed decisions about the potential risks associated with using the components and take appropriate measures to mitigate any hazards.Ensuring compliance with REACH SVHC requirements is essential for electronics manufacturers to meet regulatory standards, protect human health and the environment, and maintain transparency in their supply chain. It also demonstrates a commitment to sustainability and responsible manufacturing practices in the electronics industry.
No SVHC - Radiation Hardening
Radiation hardening is the process of making electronic components and circuits resistant to damage or malfunction caused by high levels of ionizing radiation, especially for environments in outer space (especially beyond the low Earth orbit), around nuclear reactors and particle accelerators, or during nuclear accidents or nuclear warfare.
No - RoHS Status
RoHS means “Restriction of Certain Hazardous Substances” in the “Hazardous Substances Directive” in electrical and electronic equipment.
RoHS Compliant - Lead Free
Lead Free is a term used to describe electronic components that do not contain lead as part of their composition. Lead is a toxic material that can have harmful effects on human health and the environment, so the electronics industry has been moving towards lead-free components to reduce these risks. Lead-free components are typically made using alternative materials such as silver, copper, and tin. Manufacturers must comply with regulations such as the Restriction of Hazardous Substances (RoHS) directive to ensure that their products are lead-free and environmentally friendly.
Lead Free
ICL7660CPAZ Functional Block Diagram
The following shows ICL7660CPAZ Functional Block Diagram.

Functional Block Diagram
How to use ICL7660CPAZ
The ICL7660 is a monolithic CMOS charge pump IC that achieves voltage inversion with negligible losses from (+1.5 to +10V) to (-1.5V to -10V). The manufacturers offer the IC in an 8-pin PDIP and SOIC packaging. As previously noted, this IC can be used to invert voltage. The datasheet and application note contain the basic circuit as well as various application circuits. For voltage inverting application circuits, the IC simply requires two external capacitors. The values of the capacitors are predefined in the datasheet. The two capacitors are linked in the circuit according to their polarity. The output capacitor C2's positive and negative pins, in particular, must be connected to ground and the ICL7660's pin 5. The basic voltage inverting circuit is given below.

The Basic Voltage Inverting Circuit
Using the built-in oscillator, the IC operates at a frequency of 10kHz. The IC's OSC pin (pin7) can be used to synchronize it to an external clock. To prevent device latch up and internal damage, the IC incorporates an internal voltage regulator (pin6). This pin must be connected to ground for low voltage operation to work properly.
ICL7660CPAZ Test Circuit
The following figure is ICL7660CPAZ Test Circuit.

Test Circuit
Parts with Similar Specs
ICL7660CPAZ Equivalents
MAX1044, TC7660, LTC1044, LTC1046
ICL7660CPAZ Alternatives
| Part Number | Description | Manufacturer |
| MAX1044MJAPOWER CIRCUITS | Switched Capacitor Converter, 0.1A, 10kHz Switching Freq-Max, CMOS, CDIP8, CERDIP-8 | Maxim Integrated Products |
| 5962-3870701MPXPOWER CIRCUITS | IC SWITCHED CAPACITOR CONVERTER, 5 kHz SWITCHING FREQ-MAX, CDIP8, CERAMIC, DIP-8, Switching Regulator or Controller | Defense Supply Center Columbus |
| TC7660EPAPOWER CIRCUITS | SWITCHED CAPACITOR REGULATOR, 10 kHz SWITCHING FREQ-MAX, PDIP8, PLASTIC, DIP-8 | Microchip Technology Inc |
| TC1121CUARTPOWER CIRCUITS | SWITCHED CAPACITOR CONVERTER, 200 kHz SWITCHING FREQ-MAX, PDSO8, MSOP-8 | Microchip Technology Inc |
| ADM8829ART-REEL7POWER CIRCUITS | SWITCHED CAPACITOR CONVERTER, 190 kHz SWITCHING FREQ-MAX, PDSO6, SOT-23, 6 PIN | Rochester Electronics LLC |
| MAX860ISAPOWER CIRCUITS | Switched Capacitor Converter, 0.06A, 130kHz Switching Freq-Max, CMOS, PDSO8, 0.150 INCH, PLASTIC, SOIC-8 | Maxim Integrated Products |
| MAX861CUAPOWER CIRCUITS | SWITCHED CAPACITOR CONVERTER, 250kHz SWITCHING FREQ-MAX, PDSO8, 1.11 MM HEIGHT, UMAX-8 | Rochester Electronics LLC |
| ICL7662CTVSIGNAL CIRCUITS | Analog Circuit, CMOS, MBCY8, | General Electric Solid State |
| MAX660MXPOWER CIRCUITS | SWITCHED CAPACITOR CONVERTER, 80kHz SWITCHING FREQ-MAX, PDSO8, SO-8 | Texas Instruments |
| ADM8660ANPOWER CIRCUITS | SWITCHED CAPACITOR CONVERTER, 120kHz SWITCHING FREQ-MAX, PDIP8, PLASTIC, MO-095AA, DIP-8 | Rochester Electronics LLC |
ICL7660CPAZ Applications
• Simple Conversion of +5V to ±5V Supplies
• Voltage Multiplication VOUT = ±nVIN
• Negative Supplies for Data Acquisition Systems and Instrumentation
• RS232 Power Supplies
• Supply Splitter, VOUT = ±VS
• Personal Communications Equipment
• Op-Amp Power Supplies
• Memory Power Supplies
• Handheld Meters
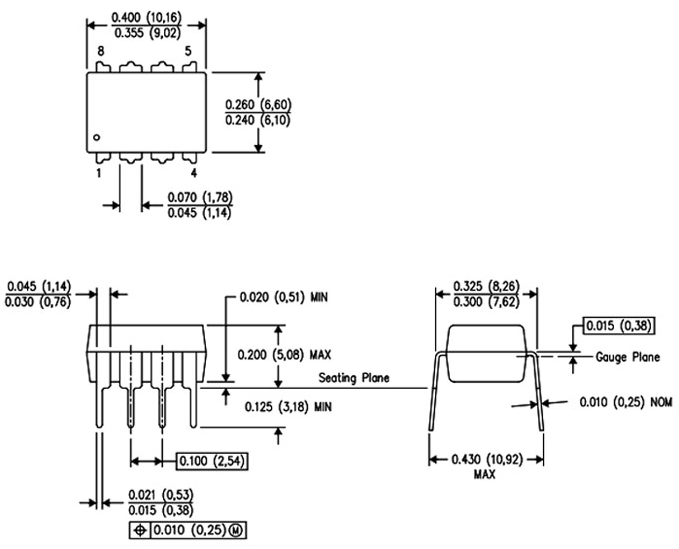
ICL7660CPAZ Package
The following figure is ICL7660CPAZ Package.

Package
ICL7660CPAZ Manufacturer
Renesas and Intersil will merge on January 1, 2018, resulting in a considerable increase in semiconductor inherent capabilities. Intersil's market-leading expertise in high-performance power management and precision analog devices is combined with Renesas' globally regarded MCU and SoC technologies. As a result, organic expansion in the automotive, industrial, and broad-based industries occurs, allowing the new company to respond more quickly to clients' system requirements. The merger of Renesas and Intersil began on February 24, 2017, with the completion of the acquisition, and the unified "One Global Renesas" went into operation across all markets the following July, bringing together the strengths of both companies in anticipation of customer needs in a rapidly changing market environment. This genuinely worldwide company has a tremendous amount of synergy. Join Renesas as it improves its position as the world's premier semiconductor manufacturer.
Trend Analysis
Datasheet PDF
- Datasheets :
What is ICL7660?
The ICL7660 is a monolithic CMOS power supply circuit that offers unique performance advantages over previously available devices. The ICL7660 performs supply voltage conversions from positive to negative for an input range of +1.5V to +10.0V resulting in complementary output voltages of -1.5V to -10.0V.
What does a voltage converter do?
A voltage converter is an electric power converter that changes the voltage of an electrical power source. It may be combined with other components to create a power supply.
What is the ICL7660CPAZ Super Voltage Converter?
Monolithic CMOS voltage converter IC.
What does the ICL7660CPAZ Super Voltage Converter have?
12V operational supply voltage range and lower supply current.
What are critical parameters ensured over the ICL7660 CPAZ Super Voltage Converter?
Commercial and industrial temperature ranges.
What does the ICL7660 CPAZ convert positive to negative supply voltages for an input range of 1.5V to 12V?
-1.5V to -12V.
What is the input of the ICL7660 CPAZ?
12V.
What can the ICL7660 CPAZ be used as?
Voltage dividers or multipliers.
How does the ICL7660 CPAZ Super Voltage Converter bypass the internal series regulator?
Connect the "LV" terminal to GND.
What is required in some situations to ensure latchup-free functioning?
Schottky diode.
TPS51200DRCR Regulator: Features, Applications and Datasheet28 October 20231270
LM234 Current Source: Pinout, 3D Model and Datasheet29 October 20212250
MCP2221 Driver: USB 2.0 to I2C/UART, Datasheet, Pinout20 December 20212740
PESD2CAN TVS Diode: SOT-23, CAN Bus, Datasheet and Pinout16 February 20223583
MAX3232 Line Receiver: Features, Speicifications and Applications21 May 20211361
Unveiling the Texas Instruments MSP430F20x Microcontroller Series: A Comprehensive Analysis29 February 2024162
TL431CZ Automotive Adjustable Voltage Reference: Pinout, Datasheet, and Applications16 September 2021602
The Guide to TPS63060DSCR Buck-Boost Switching Regulator IC [FAQ]22 March 20224731
What is Field Programmable Gate Array?29 September 20203541
A Complete Guide to Tantalum Capacitors in 202510 July 20252999
Classification and Working Principle of Ballast Resistor18 November 20207107
The Underappreciated iphone - No One Believed Apple CEO Steve Jobs Would Succeed Before01 July 20224449
Analysis and Solutions of Common Causes of Serial Port Lost Data15 August 20224484
FPGA Tutorial: A Beginner's Guide to Programmable Logic Design in 202515 April 20252903
Best 1N4007 diode alternatives to use in 202525 August 20255112
How to Test and Diagnose CAN Bus Transceiver Failures07 June 20255537
Intersil (Renesas Electronics America)
In Stock: 1000
United States
China
Canada
Japan
Russia
Germany
United Kingdom
Singapore
Italy
Hong Kong(China)
Taiwan(China)
France
Korea
Mexico
Netherlands
Malaysia
Austria
Spain
Switzerland
Poland
Thailand
Vietnam
India
United Arab Emirates
Afghanistan
Åland Islands
Albania
Algeria
American Samoa
Andorra
Angola
Anguilla
Antigua & Barbuda
Argentina
Armenia
Aruba
Australia
Azerbaijan
Bahamas
Bahrain
Bangladesh
Barbados
Belarus
Belgium
Belize
Benin
Bermuda
Bhutan
Bolivia
Bonaire, Sint Eustatius and Saba
Bosnia & Herzegovina
Botswana
Brazil
British Indian Ocean Territory
British Virgin Islands
Brunei
Bulgaria
Burkina Faso
Burundi
Cabo Verde
Cambodia
Cameroon
Cayman Islands
Central African Republic
Chad
Chile
Christmas Island
Cocos (Keeling) Islands
Colombia
Comoros
Congo
Congo (DRC)
Cook Islands
Costa Rica
Côte d’Ivoire
Croatia
Cuba
Curaçao
Cyprus
Czechia
Denmark
Djibouti
Dominica
Dominican Republic
Ecuador
Egypt
El Salvador
Equatorial Guinea
Eritrea
Estonia
Eswatini
Ethiopia
Falkland Islands
Faroe Islands
Fiji
Finland
French Guiana
French Polynesia
Gabon
Gambia
Georgia
Ghana
Gibraltar
Greece
Greenland
Grenada
Guadeloupe
Guam
Guatemala
Guernsey
Guinea
Guinea-Bissau
Guyana
Haiti
Honduras
Hungary
Iceland
Indonesia
Iran
Iraq
Ireland
Isle of Man
Israel
Jamaica
Jersey
Jordan
Kazakhstan
Kenya
Kiribati
Kosovo
Kuwait
Kyrgyzstan
Laos
Latvia
Lebanon
Lesotho
Liberia
Libya
Liechtenstein
Lithuania
Luxembourg
Macao(China)
Madagascar
Malawi
Maldives
Mali
Malta
Marshall Islands
Martinique
Mauritania
Mauritius
Mayotte
Micronesia
Moldova
Monaco
Mongolia
Montenegro
Montserrat
Morocco
Mozambique
Myanmar
Namibia
Nauru
Nepal
New Caledonia
New Zealand
Nicaragua
Niger
Nigeria
Niue
Norfolk Island
North Korea
North Macedonia
Northern Mariana Islands
Norway
Oman
Pakistan
Palau
Palestinian Authority
Panama
Papua New Guinea
Paraguay
Peru
Philippines
Pitcairn Islands
Portugal
Puerto Rico
Qatar
Réunion
Romania
Rwanda
Samoa
San Marino
São Tomé & Príncipe
Saudi Arabia
Senegal
Serbia
Seychelles
Sierra Leone
Sint Maarten
Slovakia
Slovenia
Solomon Islands
Somalia
South Africa
South Sudan
Sri Lanka
St Helena, Ascension, Tristan da Cunha
St. Barthélemy
St. Kitts & Nevis
St. Lucia
St. Martin
St. Pierre & Miquelon
St. Vincent & Grenadines
Sudan
Suriname
Svalbard & Jan Mayen
Sweden
Syria
Tajikistan
Tanzania
Timor-Leste
Togo
Tokelau
Tonga
Trinidad & Tobago
Tunisia
Turkey
Turkmenistan
Turks & Caicos Islands
Tuvalu
U.S. Outlying Islands
U.S. Virgin Islands
Uganda
Ukraine
Uruguay
Uzbekistan
Vanuatu
Vatican City
Venezuela
Wallis & Futuna
Yemen
Zambia
Zimbabwe


Product
Brand
Articles
Tools









