LM338K Voltage Regulator: Datasheet, Circuit, Alternatives
Adjustable LM338 PMIC 2 TO-204AA, TO-3
The LM338k is a three-terminal 5 A adjustable voltage regulator. This article will unlock more details about LM338K.

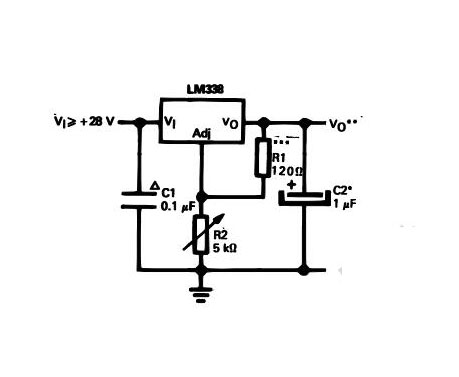
High power dc supply circuit using LM338k | 15V 5A DC
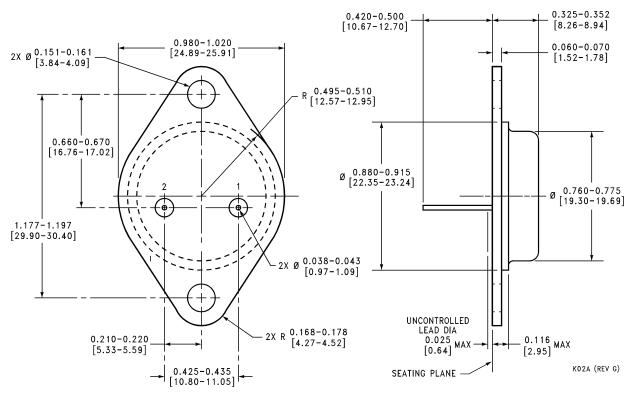
LM338K Pinout

LM338K Pinout
LM338K Description
The LM338K is an adjustable 3- terminal positive voltage regulator capable of supplying in excess of 5 A over a 1.2 V to 32 V output range. It is exceptionally easy to use and requires only 2 resistors to set the output voltage. The careful circuit design has resulted in outstanding load and line regulation comparable to many commercial power supplies.
LM338K from TI
Specifications
- TypeParameter
- Mount
In electronic components, the term "Mount" typically refers to the method or process of physically attaching or fixing a component onto a circuit board or other electronic device. This can involve soldering, adhesive bonding, or other techniques to secure the component in place. The mounting process is crucial for ensuring proper electrical connections and mechanical stability within the electronic system. Different components may have specific mounting requirements based on their size, shape, and function, and manufacturers provide guidelines for proper mounting procedures to ensure optimal performance and reliability of the electronic device.
Through Hole - Mounting Type
The "Mounting Type" in electronic components refers to the method used to attach or connect a component to a circuit board or other substrate, such as through-hole, surface-mount, or panel mount.
Through Hole - Package / Case
refers to the protective housing that encases an electronic component, providing mechanical support, electrical connections, and thermal management.
TO-204AA, TO-3 - Number of Pins2
- Weight6.40101g
- Operating Temperature
The operating temperature is the range of ambient temperature within which a power supply, or any other electrical equipment, operate in. This ranges from a minimum operating temperature, to a peak or maximum operating temperature, outside which, the power supply may fail.
0°C~125°C - Packaging
Semiconductor package is a carrier / shell used to contain and cover one or more semiconductor components or integrated circuits. The material of the shell can be metal, plastic, glass or ceramic.
Tube - Tolerance
In electronic components, "tolerance" refers to the acceptable deviation or variation from the specified or ideal value of a particular parameter, such as resistance, capacitance, or voltage. It indicates the range within which the actual value of the component can fluctuate while still being considered acceptable for use in a circuit. Tolerance is typically expressed as a percentage or a specific value and is important for ensuring the accuracy and reliability of electronic devices. Components with tighter tolerances are more precise but may also be more expensive. It is crucial to consider tolerance when selecting components to ensure proper functionality and performance of the circuit.
5% - JESD-609 Code
The "JESD-609 Code" in electronic components refers to a standardized marking code that indicates the lead-free solder composition and finish of electronic components for compliance with environmental regulations.
e3 - Part Status
Parts can have many statuses as they progress through the configuration, analysis, review, and approval stages.
Obsolete - Moisture Sensitivity Level (MSL)
Moisture Sensitivity Level (MSL) is a standardized rating that indicates the susceptibility of electronic components, particularly semiconductors, to moisture-induced damage during storage and the soldering process, defining the allowable exposure time to ambient conditions before they require special handling or baking to prevent failures
1 (Unlimited) - Number of Terminations2
- ECCN Code
An ECCN (Export Control Classification Number) is an alphanumeric code used by the U.S. Bureau of Industry and Security to identify and categorize electronic components and other dual-use items that may require an export license based on their technical characteristics and potential for military use.
EAR99 - Terminal Finish
Terminal Finish refers to the surface treatment applied to the terminals or leads of electronic components to enhance their performance and longevity. It can improve solderability, corrosion resistance, and overall reliability of the connection in electronic assemblies. Common finishes include nickel, gold, and tin, each possessing distinct properties suitable for various applications. The choice of terminal finish can significantly impact the durability and effectiveness of electronic devices.
Tin (Sn) - Power Rating
The "Power Rating" of an electronic component refers to the maximum amount of power that the component can handle or dissipate without being damaged. It is typically measured in watts and is an important specification to consider when designing or selecting components for a circuit. Exceeding the power rating of a component can lead to overheating, malfunction, or even permanent damage. It is crucial to ensure that the power rating of each component in a circuit is sufficient to handle the power levels expected during normal operation to maintain the reliability and longevity of the electronic system.
50W - Terminal Position
In electronic components, the term "Terminal Position" refers to the physical location of the connection points on the component where external electrical connections can be made. These connection points, known as terminals, are typically used to attach wires, leads, or other components to the main body of the electronic component. The terminal position is important for ensuring proper connectivity and functionality of the component within a circuit. It is often specified in technical datasheets or component specifications to help designers and engineers understand how to properly integrate the component into their circuit designs.
BOTTOM - Terminal Form
Occurring at or forming the end of a series, succession, or the like; closing; concluding.
PIN/PEG - Number of Functions1
- Base Part Number
The "Base Part Number" (BPN) in electronic components serves a similar purpose to the "Base Product Number." It refers to the primary identifier for a component that captures the essential characteristics shared by a group of similar components. The BPN provides a fundamental way to reference a family or series of components without specifying all the variations and specific details.
LM338 - Pin Count
a count of all of the component leads (or pins)
2 - Number of Outputs1
- Voltage - Input (Max)
Voltage - Input (Max) is a parameter in electronic components that specifies the maximum voltage that can be safely applied to the input of the component without causing damage. This parameter is crucial for ensuring the proper functioning and longevity of the component. Exceeding the maximum input voltage can lead to electrical overstress, which may result in permanent damage or failure of the component. It is important to carefully adhere to the specified maximum input voltage to prevent any potential issues and maintain the reliability of the electronic system.
35V - Output Voltage
Output voltage is a crucial parameter in electronic components that refers to the voltage level produced by the component as a result of its operation. It represents the electrical potential difference between the output terminal of the component and a reference point, typically ground. The output voltage is a key factor in determining the performance and functionality of the component, as it dictates the level of voltage that will be delivered to the connected circuit or load. It is often specified in datasheets and technical specifications to ensure compatibility and proper functioning within a given system.
32V - Output Type
The "Output Type" parameter in electronic components refers to the type of signal or data that is produced by the component as an output. This parameter specifies the nature of the output signal, such as analog or digital, and can also include details about the voltage levels, current levels, frequency, and other characteristics of the output signal. Understanding the output type of a component is crucial for ensuring compatibility with other components in a circuit or system, as well as for determining how the output signal can be utilized or processed further. In summary, the output type parameter provides essential information about the nature of the signal that is generated by the electronic component as its output.
Adjustable - Max Output Current
The maximum current that can be supplied to the load.
5A - Output Configuration
Output Configuration in electronic components refers to the arrangement or setup of the output pins or terminals of a device. It defines how the output signals are structured and how they interact with external circuits or devices. The output configuration can determine the functionality and compatibility of the component in a circuit design. Common types of output configurations include single-ended, differential, open-drain, and push-pull configurations, each serving different purposes and applications in electronic systems. Understanding the output configuration of a component is crucial for proper integration and operation within a circuit.
Positive - Max Output Voltage
The maximum output voltage refers to the dynamic area beyond which the output is saturated in the positive or negative direction, and is limited according to the load resistance value.
32V - Number of Regulators
A regulator is a mechanism or device that controls something such as pressure, temperature, or fluid flow. The voltage regulator keeps the power level stabilized. A regulator is a mechanism or device that controls something such as pressure, temperature, or fluid flow.
1 - Min Input Voltage
The parameter "Min Input Voltage" in electronic components refers to the minimum voltage level that must be applied to the component for it to operate within its specified parameters. This value is crucial as providing a voltage below this minimum threshold may result in the component malfunctioning or not functioning at all. It is important to adhere to the specified minimum input voltage to ensure the proper operation and longevity of the electronic component. Failure to meet this requirement may lead to potential damage to the component or the overall system in which it is used.
4.2V - Protection Features
Protection features in electronic components refer to the built-in mechanisms or functionalities designed to safeguard the component and the overall system from various external factors or internal faults. These features are crucial for ensuring the reliability, longevity, and safety of the electronic device. Common protection features include overvoltage protection, overcurrent protection, reverse polarity protection, thermal protection, and short-circuit protection. By activating these features when necessary, the electronic component can prevent damage, malfunctions, or hazards that may arise from abnormal operating conditions or unforeseen events. Overall, protection features play a vital role in enhancing the robustness and resilience of electronic components in diverse applications.
Over Current, Over Temperature - PSRR
PSRR stands for Power Supply Rejection Ratio. It is a measure of how well a device, such as an amplifier or a voltage regulator, can reject variations in the power supply voltage. A high PSRR value indicates that the device is able to maintain its performance even when the power supply voltage fluctuates. This parameter is important in ensuring stable and reliable operation of electronic components, especially in applications where the power supply voltage may not be perfectly regulated. A good PSRR helps to minimize noise and interference in the output signal of the device.
75dB ~ 60dB (120Hz) - Reference Voltage
A voltage reference is an electronic device that ideally produces a fixed (constant) voltage irrespective of the loading on the device, power supply variations, temperature changes, and the passage of time. Voltage references are used in power supplies, analog-to-digital converters, digital-to-analog converters, and other measurement and control systems. Voltage references vary widely in performance; a regulator for a computer power supply may only hold its value to within a few percent of the nominal value, whereas laboratory voltage standards have precisions and stability measured in parts per million.
1.29V - Dropout Voltage
Dropout voltage is the input-to-output differential voltage at which the circuit ceases to regulate against further reductions in input voltage; this point occurs when the input voltage approaches the output voltage.
3V - Dropout Voltage1-Nom
Dropout Voltage1-Nom is a parameter commonly found in voltage regulators and power management ICs. It refers to the minimum voltage difference required between the input voltage and the output voltage for the regulator to maintain regulation. In other words, it is the minimum voltage drop that the regulator can handle while still providing a stable output voltage. This parameter is important to consider when designing power supply circuits to ensure that the regulator can operate within its specified voltage range and maintain proper regulation under varying load conditions.
3V - Min Output Voltage
Min Output Voltage refers to the lowest voltage level that an electronic component, such as a voltage regulator or power supply, can provide reliably under specified conditions. It indicates the minimum threshold required for proper operation of connected devices. Operating below this voltage may lead to device malfunction or failure to operate as intended.
1.2V - Power Supply Rejection Ratio (PSRR)
Power Supply Rejection Ratio (PSRR) is a measure of how well an electronic component, such as an operational amplifier or voltage regulator, can reject changes in its supply voltage. It indicates the ability of the component to maintain a stable output voltage despite fluctuations in the input supply voltage. A higher PSRR value signifies better performance in rejecting noise and variations from the power supply, leading to improved signal integrity and more reliable operation in electronic circuits. PSRR is typically expressed in decibels (dB).
75dB - Min Current Limit
Min Current Limit is a parameter in electronic components that refers to the minimum amount of current that must flow through the component to ensure proper operation. This parameter is important because if the current falls below this limit, the component may not function as intended or may even be damaged. Manufacturers specify the minimum current limit to help users understand the operating conditions and limitations of the component. It is crucial to ensure that the current flowing through the component remains above the specified minimum limit to maintain its performance and reliability.
7A - Load Regulation-Max(%)
Load Regulation-Max(%) is a measure of how much the output voltage of a power supply or voltage regulator changes in response to variations in load current. It is expressed as a percentage of the nominal output voltage and indicates the maximum deviation from the set voltage when the load shifts from no load to full load. A lower value of load regulation signifies better performance, as it indicates that the output voltage remains stable under varying load conditions.
1% - Height8.7mm
- Length39.5mm
- Width26.2mm
- REACH SVHC
The parameter "REACH SVHC" in electronic components refers to the compliance with the Registration, Evaluation, Authorization, and Restriction of Chemicals (REACH) regulation regarding Substances of Very High Concern (SVHC). SVHCs are substances that may have serious effects on human health or the environment, and their use is regulated under REACH to ensure their safe handling and minimize their impact.Manufacturers of electronic components need to declare if their products contain any SVHCs above a certain threshold concentration and provide information on the safe use of these substances. This information allows customers to make informed decisions about the potential risks associated with using the components and take appropriate measures to mitigate any hazards.Ensuring compliance with REACH SVHC requirements is essential for electronics manufacturers to meet regulatory standards, protect human health and the environment, and maintain transparency in their supply chain. It also demonstrates a commitment to sustainability and responsible manufacturing practices in the electronics industry.
No SVHC - Radiation Hardening
Radiation hardening is the process of making electronic components and circuits resistant to damage or malfunction caused by high levels of ionizing radiation, especially for environments in outer space (especially beyond the low Earth orbit), around nuclear reactors and particle accelerators, or during nuclear accidents or nuclear warfare.
No - RoHS Status
RoHS means “Restriction of Certain Hazardous Substances” in the “Hazardous Substances Directive” in electrical and electronic equipment.
ROHS3 Compliant - Lead Free
Lead Free is a term used to describe electronic components that do not contain lead as part of their composition. Lead is a toxic material that can have harmful effects on human health and the environment, so the electronics industry has been moving towards lead-free components to reduce these risks. Lead-free components are typically made using alternative materials such as silver, copper, and tin. Manufacturers must comply with regulations such as the Restriction of Hazardous Substances (RoHS) directive to ensure that their products are lead-free and environmentally friendly.
Lead Free
LM338K Features
■ Guaranteed 7 A peak output current
■ Guaranteed 5 A output current
■ Adjustable output down to 1.2 V
■ Line regulation typically 0.005 %/V
■ Load regulation typically 0.1 %
■ Guaranteed thermal regulation
■ Current limit constant with temperature
■ Standard 3-lead transistor package
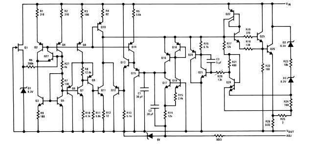
LM338K Schematic
LM338K Application
Adjustable power supplies
Constant current regulators
Battery chargers
LM338K Typical Application Circuit

LM338K Alternatives
| Parts | Description | Manufacturer |
| LM138AKSTEEL POWER CIRCUITS | 1.2 V-32V ADJUSTABLE POSITIVE REGULATOR, MBFM2, METAL CAN, TO-3, 2 PIN | Texas Instruments |
| LM138K/883 POWER CIRCUITS | IC VREG 1.2 V-32 V ADJUSTABLE POSITIVE REGULATOR, MBFM2, METAL CAN, TO-3, 2 PIN, Adjustable Positive Single Output Standard Regulator | National Semiconductor Corporation |
| LM338K STEEL/NOPB POWER CIRCUITS | 1.2 V-32V ADJUSTABLE POSITIVE REGULATOR, MBFM2, GREEN, METAL CAN, TO-3, 2 PIN | Texas Instruments |
| LM138K-MIL/NOPB POWER CIRCUITS | 1.2 V-32V ADJUSTABLE POSITIVE REGULATOR, MBFM2, ROHS COMPLIANT, METAL CAN, TO-3, 3 PIN | Texas Instruments |
| M38510/11706SYA POWER CIRCUITS | IC VREG ADJUSTABLE POSITIVE REGULATOR, Adjustable Positive Single Output Standard Regulator | Linear Technology |
| FT138AK POWER CIRCUITS | Adjustable Positive Standard Regulator, 1.2V Min, 32V Max, MBFM2, METAL CAN, TO-3, 2 PIN | Force Technologies Ltd |
| FT338K POWER CIRCUITS | Adjustable Positive Standard Regulator, 1.2V Min, 32V Max, MBFM2, METAL CAN, TO-3, 2 PIN | Force Technologies Ltd |
| LT338AK POWER CIRCUITS | IC VREG 1.2 V-32 V ADJUSTABLE POSITIVE REGULATOR, MBFM2, METAL CAN, TO-3, 3 PIN, Adjustable Positive Single Output Standard Regulator | Linear Technology |
| SG138AK/883B POWER CIRCUITS | Regulator, 1 Output, BIPolar, | Microsemi Corporation |
| LM338MWC POWER CIRCUITS | 1.2 V-32V ADJUSTABLE POSITIVE REGULATOR, UUC, WAFER | Texas Instruments |
LM338K Alternatives
LM338K Package

LM338K Package
LM338K Manufacturer
At STMicroelectronics, we create technology for a sustainable world, in a sustainable way. We enable safer, smarter and greener ways of living while acting together to protect the planet.
Datasheet PDF
- Datasheets :
LM338K-STMicroelectronics-datasheet-5316166.pdf
LM338K-STMicroelectronics-datasheet-12516780.pdf
LM338K-STMicroelectronics-datasheet-14169815.pdf
LM338K-STMicroelectronics-datasheet-29584.pdf
LM338K-STMicroelectronics-datasheet-42005.pdf
LM338K-STMicroelectronics-datasheet-148272.pdf
Popularity by Region
What is LM338K rated for operation?
The LM338K is rated for operation from 0 °C to 125 °C.
What is LM338K?
The LM338K is an adjustable 3- terminal positive voltage regulator capable of supplying in excess of 5 A over a 1.2 V to 32 V output range. It is exceptionally easy to use and require only 2 resistors to set the output voltage. The careful circuit design has resulted in outstanding load and line regulation comparable to many commercial power supplies.
What package is LM338K available in?
It is available in a standard Steel TO-3 transistor package.
MLX90614 Infra Red Thermometer: Pinout, Datasheet and Applications30 July 20216484
ATTINY26L 8-bit Microcontroller: Pinout, Features and Datasheet23 December 20211992
8533AG-01 LVPECL Fanout Buffer: Pinout, Features and Datasheet28 March 2022287
KSZ9031RNXIA Transceiver Full Ethernet 48-QFN: KSZ9031RNXIA VS KSZ9021RN, Datasheet, and Equivalents10 February 20222691
UA741CP Operational Amplifier: Pinout, Specification, and Datasheet18 June 202117775
IRF640N MOSFET Transistor[FAQ+Video]: Datasheet, Equivalent, and Pinout11 April 20229166
1N4148 Signal Diode: Pinout, Datasheet and Equivalent12 July 20217316
Renesas DF2317VTF25V Microcontroller: A Technical Overview29 February 2024125
Understanding SiC MOSFET Power Modules and Ensuring its Short-Circuit Safety15 March 20243774
What to Know Before Buying CR1225 Battery Equivalent05 September 20251129
What is a Capacitive Sensor?31 October 20259531
RGB LED: Circuit, Difference and Application25 March 20215721
What is an Electrical Connector?19 November 20257998
Infrared Thermometer: How it Works? How to Use it?12 August 20218655
Spiral wrap choices that keep hoses damage free15 July 2025630
Key Networking Solutions Trends Every IT Leader Should Know17 July 2025642
STMicroelectronics
In Stock: 14
United States
China
Canada
Japan
Russia
Germany
United Kingdom
Singapore
Italy
Hong Kong(China)
Taiwan(China)
France
Korea
Mexico
Netherlands
Malaysia
Austria
Spain
Switzerland
Poland
Thailand
Vietnam
India
United Arab Emirates
Afghanistan
Åland Islands
Albania
Algeria
American Samoa
Andorra
Angola
Anguilla
Antigua & Barbuda
Argentina
Armenia
Aruba
Australia
Azerbaijan
Bahamas
Bahrain
Bangladesh
Barbados
Belarus
Belgium
Belize
Benin
Bermuda
Bhutan
Bolivia
Bonaire, Sint Eustatius and Saba
Bosnia & Herzegovina
Botswana
Brazil
British Indian Ocean Territory
British Virgin Islands
Brunei
Bulgaria
Burkina Faso
Burundi
Cabo Verde
Cambodia
Cameroon
Cayman Islands
Central African Republic
Chad
Chile
Christmas Island
Cocos (Keeling) Islands
Colombia
Comoros
Congo
Congo (DRC)
Cook Islands
Costa Rica
Côte d’Ivoire
Croatia
Cuba
Curaçao
Cyprus
Czechia
Denmark
Djibouti
Dominica
Dominican Republic
Ecuador
Egypt
El Salvador
Equatorial Guinea
Eritrea
Estonia
Eswatini
Ethiopia
Falkland Islands
Faroe Islands
Fiji
Finland
French Guiana
French Polynesia
Gabon
Gambia
Georgia
Ghana
Gibraltar
Greece
Greenland
Grenada
Guadeloupe
Guam
Guatemala
Guernsey
Guinea
Guinea-Bissau
Guyana
Haiti
Honduras
Hungary
Iceland
Indonesia
Iran
Iraq
Ireland
Isle of Man
Israel
Jamaica
Jersey
Jordan
Kazakhstan
Kenya
Kiribati
Kosovo
Kuwait
Kyrgyzstan
Laos
Latvia
Lebanon
Lesotho
Liberia
Libya
Liechtenstein
Lithuania
Luxembourg
Macao(China)
Madagascar
Malawi
Maldives
Mali
Malta
Marshall Islands
Martinique
Mauritania
Mauritius
Mayotte
Micronesia
Moldova
Monaco
Mongolia
Montenegro
Montserrat
Morocco
Mozambique
Myanmar
Namibia
Nauru
Nepal
New Caledonia
New Zealand
Nicaragua
Niger
Nigeria
Niue
Norfolk Island
North Korea
North Macedonia
Northern Mariana Islands
Norway
Oman
Pakistan
Palau
Palestinian Authority
Panama
Papua New Guinea
Paraguay
Peru
Philippines
Pitcairn Islands
Portugal
Puerto Rico
Qatar
Réunion
Romania
Rwanda
Samoa
San Marino
São Tomé & Príncipe
Saudi Arabia
Senegal
Serbia
Seychelles
Sierra Leone
Sint Maarten
Slovakia
Slovenia
Solomon Islands
Somalia
South Africa
South Sudan
Sri Lanka
St Helena, Ascension, Tristan da Cunha
St. Barthélemy
St. Kitts & Nevis
St. Lucia
St. Martin
St. Pierre & Miquelon
St. Vincent & Grenadines
Sudan
Suriname
Svalbard & Jan Mayen
Sweden
Syria
Tajikistan
Tanzania
Timor-Leste
Togo
Tokelau
Tonga
Trinidad & Tobago
Tunisia
Turkey
Turkmenistan
Turks & Caicos Islands
Tuvalu
U.S. Outlying Islands
U.S. Virgin Islands
Uganda
Ukraine
Uruguay
Uzbekistan
Vanuatu
Vatican City
Venezuela
Wallis & Futuna
Yemen
Zambia
Zimbabwe


Product
Brand
Articles
Tools

















