MP1584EN 8-SOIC 100kHz~1.5MHz Voltage Regulators: Datasheet, Pinout, and Equivalents
2 Terminals DC DC Voltage Regulator 1206 (3216 Metric)
MP1584EN is a high-frequency step-down switching regulator with an integrated internal high-side high voltage power MOSFET. This article is going to introduce pinout, applications, features, and more details about MP1584EN.

Test review of MP1584 0.8 to 25V 2A DC-DC Step down converter
Overview of MP1584EN
The MP1584EN is a high-frequency step-down switching regulator with an integrated internal high-side high voltage power MOSFET. It provides 3A output with current mode control for fast loop response and easy compensation.
The wide 4.5V to 28V input range accommodates a variety of step-down applications, including those in an automotive input environment. A 100µA operational quiescent current allows use in battery-powered applications.
High power conversion efficiency over a wide load range is achieved by scaling down the switching frequency at light load conditions to reduce the switching and gate driving losses.
The frequency foldback helps prevent inductor current runaway during startup and thermal shutdown provides reliable fault-tolerant operation.
Specifications
- TypeParameter
- Package / Case
refers to the protective housing that encases an electronic component, providing mechanical support, electrical connections, and thermal management.
1206 (3216 Metric) - Supplier Device Package
The parameter "Supplier Device Package" in electronic components refers to the physical packaging or housing of the component as provided by the supplier. It specifies the form factor, dimensions, and layout of the component, which are crucial for compatibility and integration into electronic circuits and systems. The supplier device package information typically includes details such as the package type (e.g., DIP, SOP, QFN), number of pins, pitch, and overall size, allowing engineers and designers to select the appropriate component for their specific application requirements. Understanding the supplier device package is essential for proper component selection, placement, and soldering during the manufacturing process to ensure optimal performance and reliability of the electronic system.
1206 - PackageTape & Reel (TR);Cut Tape (CT);Digi-Reel®;
- Base Product Number
"Base Product Number" (BPN) refers to the fundamental identifier assigned to a component by the manufacturer. This number is used to identify a specific product family or series of components that share common features, characteristics, or functionality. The BPN is usually part of a larger part number or order code that includes additional information, such as variations in packaging, tolerance, voltage ratings, and other specifications.
RN73R2B - MfrKOA Speer Electronics, Inc.
- Product StatusActive
- Operating Temperature
The operating temperature is the range of ambient temperature within which a power supply, or any other electrical equipment, operate in. This ranges from a minimum operating temperature, to a peak or maximum operating temperature, outside which, the power supply may fail.
-55°C ~ 155°C - Series
In electronic components, the "Series" refers to a group of products that share similar characteristics, designs, or functionalities, often produced by the same manufacturer. These components within a series typically have common specifications but may vary in terms of voltage, power, or packaging to meet different application needs. The series name helps identify and differentiate between various product lines within a manufacturer's catalog.
RN73R - Size / Dimension
In electronic components, the parameter "Size / Dimension" refers to the physical dimensions of the component, such as its length, width, and height. These dimensions are crucial for determining how the component will fit into a circuit or system, as well as for ensuring compatibility with other components and the overall design requirements. The size of a component can also impact its performance characteristics, thermal properties, and overall functionality within a given application. Engineers and designers must carefully consider the size and dimensions of electronic components to ensure proper integration and functionality within their designs.
0.126 L x 0.063 W (3.20mm x 1.60mm) - Tolerance
In electronic components, "tolerance" refers to the acceptable deviation or variation from the specified or ideal value of a particular parameter, such as resistance, capacitance, or voltage. It indicates the range within which the actual value of the component can fluctuate while still being considered acceptable for use in a circuit. Tolerance is typically expressed as a percentage or a specific value and is important for ensuring the accuracy and reliability of electronic devices. Components with tighter tolerances are more precise but may also be more expensive. It is crucial to consider tolerance when selecting components to ensure proper functionality and performance of the circuit.
±0.25% - Number of Terminations2
- Temperature Coefficient
The resistance-change factor per degree Celsius of temperature change is called the temperature coefficient of resistance. This factor is represented by the Greek lower-case letter “alpha” (α). A positive coefficient for a material means that its resistance increases with an increase in temperature.
±50ppm/°C - Resistance
Resistance is a fundamental property of electronic components that measures their opposition to the flow of electric current. It is denoted by the symbol "R" and is measured in ohms (Ω). Resistance is caused by the collisions of electrons with atoms in a material, which generates heat and reduces the flow of current. Components with higher resistance will impede the flow of current more than those with lower resistance. Resistance plays a crucial role in determining the behavior and functionality of electronic circuits, such as limiting current flow, voltage division, and controlling power dissipation.
2.49 kOhms - Composition
Parameter "Composition" in electronic components refers to the specific materials and substances used in the construction of the component. It encompasses the chemical and physical elements that make up the component, influencing its electrical, thermal, and mechanical properties. The composition can affect the performance, reliability, and durability of the component in various applications. Understanding the composition is essential for optimizing the design and functionality of electronic devices.
Thin Film - Power (Watts)
The parameter "Power (Watts)" in electronic components refers to the amount of electrical energy consumed or dissipated by the component. It is a measure of how much energy the component can handle or generate. Power is typically measured in watts, which is a unit of power that indicates the rate at which energy is transferred. Understanding the power rating of electronic components is crucial for ensuring they operate within their specified limits to prevent overheating and potential damage. It is important to consider power requirements when designing circuits or selecting components to ensure proper functionality and reliability.
0.25W, 1/4W - Failure Rate
the frequency with which an engineered system or component fails, expressed in failures per unit of time. It is usually denoted by the Greek letter λ (lambda) and is often used in reliability engineering.
- - Features
In the context of electronic components, the term "Features" typically refers to the specific characteristics or functionalities that a particular component offers. These features can vary depending on the type of component and its intended use. For example, a microcontroller may have features such as built-in memory, analog-to-digital converters, and communication interfaces like UART or SPI.When evaluating electronic components, understanding their features is crucial in determining whether they meet the requirements of a particular project or application. Engineers and designers often look at features such as operating voltage, speed, power consumption, and communication protocols to ensure compatibility and optimal performance.In summary, the "Features" parameter in electronic components describes the unique attributes and capabilities that differentiate one component from another, helping users make informed decisions when selecting components for their electronic designs.
Automotive AEC-Q200, Moisture Resistant - Height Seated (Max)
Height Seated (Max) is a parameter in electronic components that refers to the maximum allowable height of the component when it is properly seated or installed on a circuit board or within an enclosure. This specification is crucial for ensuring proper fit and alignment within the overall system design. Exceeding the maximum seated height can lead to mechanical interference, electrical shorts, or other issues that may impact the performance and reliability of the electronic device. Manufacturers provide this information to help designers and engineers select components that will fit within the designated space and function correctly in the intended application.
0.028 (0.70mm) - Ratings
The parameter "Ratings" in electronic components refers to the specified limits that define the maximum operational capabilities of a component. These ratings include voltage, current, power, temperature, and frequency, determining the conditions under which the component can function safely and effectively. Exceeding these ratings can lead to failure, damage, or unsafe operation, making it crucial for designers to adhere to them during component selection and usage.
AEC-Q200
MP1584EN Features
Wide 4.5V to 28V Operating Input Range
Programmable Switching Frequency from 100kHz to 1.5MHz
High-Efficiency Pulse Skipping Mode for Light Load
Ceramic Capacitor Stable
Internal Soft-Start
Internally Set Current Limit without Current Sensing Resistor
Available in SOIC8E Package
MP1584EN Pinout

MP1584EN Pinout
MP1584EN 3D Model

MP1584EN Symbol

MP1584EN Footprint

MP1584EN 3D Model
MP1584EN Block Diagram

MP1584EN Block Diagram
MP1584EN Equivalents
MP1584EN Application
High Voltage Power Conversion
Automotive Systems
Industrial Power Systems
Distributed Power Systems
Battery-Powered Systems
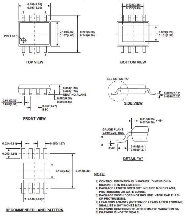
MP1584EN Package information

MP1584EN Package information
MP1584EN Manufacturer
Texas Instruments(TI) is an American technology company that designs and manufactures semiconductors and various integrated circuits, which it sells to electronics designers and manufacturers globally. Its headquarters are in Dallas, Texas, United States. TI is one of the top ten semiconductor companies worldwide, based on sales volume. Texas Instruments's focus is on developing analog chips and embedded processors, which account for more than 80% of their revenue. TI also produces TI digital light processing (DLP) technology and education technology products including calculators, microcontrollers, and multi-core processors. To date, TI has more than 43,000 patents worldwide.
Popularity by Region
Parts with Similar Specs
What is MP1584EN?
The MP1584EN is a high-frequency step-down switching regulator with an integrated internal high-side high voltage power MOSFET. It provides 3A output with current mode control for fast loop response and easy compensation. ... A 100µA operational quiescent current allows use in battery-powered applications.
What is a dc/dc buck converter?
The buck converter is a very simple type of DC-DC converter that produces an output voltage that is less than its input. The buck converter is so named because the inductor always “bucks” or acts against the input voltage. ... When the switch is opened the supply current to the inductor is suddenly interrupted.
What does a boost converter do?
The boost converter is used to "step up" an input voltage to some higher level, required by a load. This unique capability is achieved by storing energy in an inductor and releasing it to the load at a higher voltage.
2SK1058 N-Channel Power MOSFET: 2SK1058, Datasheet, Pinout24 December 20214157
T491C335M035AT Standard Tantalum Surface Capacitors:Pinout,Application and Advantages18 September 2021335
LM1875T/NOPB Audio Amplifier: Feature,Specification,Datasheet17 May 20214092
BMP085 Pressure Sensor: Datasheet, Pinout, BMP085 vs.BMP18001 November 20212411
MSP430x15x, MSP430x16x, MSP430x161x: Mixed Signal Microcontroller29 February 2024100
TC4420 MOSFET Driver: Datasheet, Pinout, Application Circuit13 December 202113961
TMC2100 VS DRV8825 VS A498827 April 20226627
How to Run IRFP250 Transistor Safely? [FAQ& Video]25 April 20225024
What is a Vibration Sensor?24 October 20252954
Samsung Austin Semiconductor Pledges $1M to UIUC's Grainger College of Engineering to Support U.S. Semiconductor Ecosystem20 September 20233629
Why is 50 ohms?13 June 202210592
Optimizing Energy Management with Non-Isolated DC-DC Converters04 February 20243007
Various Reasons for the Failure, Explosion and Burning of Tantalum Capacitors02 June 202210251
What is a Digital Potentiometer?08 January 20267525
13 Semiconductor Startups Poised for Success in 2024, According to Investors11 December 20235670
How do Solar Cells Work?20 November 20202941
NXP
In Stock
United States
China
Canada
Japan
Russia
Germany
United Kingdom
Singapore
Italy
Hong Kong(China)
Taiwan(China)
France
Korea
Mexico
Netherlands
Malaysia
Austria
Spain
Switzerland
Poland
Thailand
Vietnam
India
United Arab Emirates
Afghanistan
Åland Islands
Albania
Algeria
American Samoa
Andorra
Angola
Anguilla
Antigua & Barbuda
Argentina
Armenia
Aruba
Australia
Azerbaijan
Bahamas
Bahrain
Bangladesh
Barbados
Belarus
Belgium
Belize
Benin
Bermuda
Bhutan
Bolivia
Bonaire, Sint Eustatius and Saba
Bosnia & Herzegovina
Botswana
Brazil
British Indian Ocean Territory
British Virgin Islands
Brunei
Bulgaria
Burkina Faso
Burundi
Cabo Verde
Cambodia
Cameroon
Cayman Islands
Central African Republic
Chad
Chile
Christmas Island
Cocos (Keeling) Islands
Colombia
Comoros
Congo
Congo (DRC)
Cook Islands
Costa Rica
Côte d’Ivoire
Croatia
Cuba
Curaçao
Cyprus
Czechia
Denmark
Djibouti
Dominica
Dominican Republic
Ecuador
Egypt
El Salvador
Equatorial Guinea
Eritrea
Estonia
Eswatini
Ethiopia
Falkland Islands
Faroe Islands
Fiji
Finland
French Guiana
French Polynesia
Gabon
Gambia
Georgia
Ghana
Gibraltar
Greece
Greenland
Grenada
Guadeloupe
Guam
Guatemala
Guernsey
Guinea
Guinea-Bissau
Guyana
Haiti
Honduras
Hungary
Iceland
Indonesia
Iran
Iraq
Ireland
Isle of Man
Israel
Jamaica
Jersey
Jordan
Kazakhstan
Kenya
Kiribati
Kosovo
Kuwait
Kyrgyzstan
Laos
Latvia
Lebanon
Lesotho
Liberia
Libya
Liechtenstein
Lithuania
Luxembourg
Macao(China)
Madagascar
Malawi
Maldives
Mali
Malta
Marshall Islands
Martinique
Mauritania
Mauritius
Mayotte
Micronesia
Moldova
Monaco
Mongolia
Montenegro
Montserrat
Morocco
Mozambique
Myanmar
Namibia
Nauru
Nepal
New Caledonia
New Zealand
Nicaragua
Niger
Nigeria
Niue
Norfolk Island
North Korea
North Macedonia
Northern Mariana Islands
Norway
Oman
Pakistan
Palau
Palestinian Authority
Panama
Papua New Guinea
Paraguay
Peru
Philippines
Pitcairn Islands
Portugal
Puerto Rico
Qatar
Réunion
Romania
Rwanda
Samoa
San Marino
São Tomé & Príncipe
Saudi Arabia
Senegal
Serbia
Seychelles
Sierra Leone
Sint Maarten
Slovakia
Slovenia
Solomon Islands
Somalia
South Africa
South Sudan
Sri Lanka
St Helena, Ascension, Tristan da Cunha
St. Barthélemy
St. Kitts & Nevis
St. Lucia
St. Martin
St. Pierre & Miquelon
St. Vincent & Grenadines
Sudan
Suriname
Svalbard & Jan Mayen
Sweden
Syria
Tajikistan
Tanzania
Timor-Leste
Togo
Tokelau
Tonga
Trinidad & Tobago
Tunisia
Turkey
Turkmenistan
Turks & Caicos Islands
Tuvalu
U.S. Outlying Islands
U.S. Virgin Islands
Uganda
Ukraine
Uruguay
Uzbekistan
Vanuatu
Vatican City
Venezuela
Wallis & Futuna
Yemen
Zambia
Zimbabwe


Product
Brand
Articles
Tools











