BMP085 Pressure Sensor: Datasheet, Pinout, BMP085 vs.BMP180
Absolute Pressure Sensor I2C -40°C~85°C 4.35PSI ~ 15.95PSI (30kPa ~ 110kPa) No Port ±2% 16 ~ 19 b 1.62V~3.6V









Absolute Pressure Sensor I2C -40°C~85°C 4.35PSI ~ 15.95PSI (30kPa ~ 110kPa) No Port ±2% 16 ~ 19 b 1.62V~3.6V
BMP085 is a sensor from BOSCH. This article will unlock more details about BMP085. There is a huge range of Semiconductors, Capacitors, Resistors and ICs in stock. Welcome RFQ.

BMP085 Barometric Pressure Sensor with ARDUINO UNO.
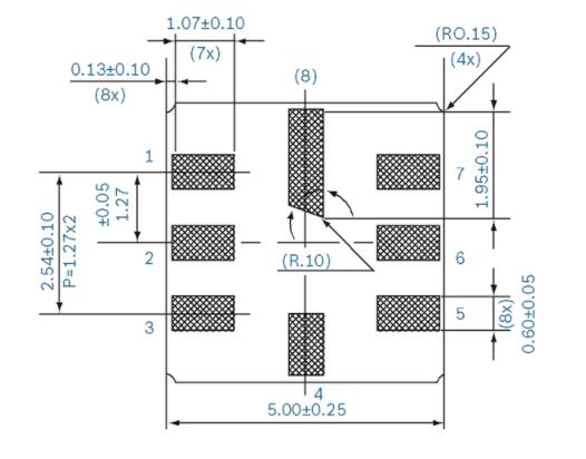
BMP085 Pinout

BMP085 Pinout
| Pin | Name | Function |
| 1 | Ground | This pin is connected to ground |
| 2 | EOC | EOC (End Of Conversion) pin is used as an indicator to speed up conversion time |
| 3 | Vdda | The positive power supply is connected to this pin |
| 4 | Vddd | Digital power supply pin is tied together with Vdda pin and connected to power |
| 5 | NC | No Connection |
| 6 | SCL | I2C interface - Serial Clock pin |
| 7 | SDA | I2C interface - Serial Data pin |
| 8 | XCLR | Master clear pin (Active low) |
BMP085 CAD Model
Symbol

BMP085 Symbol
Footprint

BMP085 Footprint
3D Model

BMP085 3D Model
BMP085 Description
BOSCH's BMP085 sensor measures both barometric pressure and temperature. The gadget is suited for advanced mobile applications because it is intended for high precision measurements and low power consumption.
Specifications
- TypeParameter
- Package / Case
refers to the protective housing that encases an electronic component, providing mechanical support, electrical connections, and thermal management.
8-CLCC - Surface Mount
having leads that are designed to be soldered on the side of a circuit board that the body of the component is mounted on.
YES - Number of Pins8
- Operating Temperature
The operating temperature is the range of ambient temperature within which a power supply, or any other electrical equipment, operate in. This ranges from a minimum operating temperature, to a peak or maximum operating temperature, outside which, the power supply may fail.
-40°C~85°C - Packaging
Semiconductor package is a carrier / shell used to contain and cover one or more semiconductor components or integrated circuits. The material of the shell can be metal, plastic, glass or ceramic.
Tape & Reel (TR) - Published2008
- Part Status
Parts can have many statuses as they progress through the configuration, analysis, review, and approval stages.
Obsolete - Moisture Sensitivity Level (MSL)
Moisture Sensitivity Level (MSL) is a standardized rating that indicates the susceptibility of electronic components, particularly semiconductors, to moisture-induced damage during storage and the soldering process, defining the allowable exposure time to ambient conditions before they require special handling or baking to prevent failures
1 (Unlimited) - Number of Terminations8
- Termination
Termination in electronic components refers to the practice of matching the impedance of a circuit to prevent signal reflections and ensure maximum power transfer. It involves the use of resistors or other components at the end of transmission lines or connections. Proper termination is crucial in high-frequency applications to maintain signal integrity and reduce noise.
SMD/SMT - Applications
The parameter "Applications" in electronic components refers to the specific uses or functions for which a component is designed. It encompasses various fields such as consumer electronics, industrial automation, telecommunications, automotive, and medical devices. Understanding the applications helps in selecting the right components for a particular design based on performance, reliability, and compatibility requirements. This parameter also guides manufacturers in targeting their products to relevant markets and customer needs.
Board Mount - Voltage - Supply
Voltage - Supply refers to the range of voltage levels that an electronic component or circuit is designed to operate with. It indicates the minimum and maximum supply voltage that can be applied for the device to function properly. Providing supply voltages outside this range can lead to malfunction, damage, or reduced performance. This parameter is critical for ensuring compatibility between different components in a circuit.
1.62V~3.6V - Terminal Form
Occurring at or forming the end of a series, succession, or the like; closing; concluding.
BUTT - Number of Functions1
- Terminal Pitch
The center distance from one pole to the next.
1.27mm - Output
In electronic components, the parameter "Output" typically refers to the signal or data that is produced by the component and sent to another part of the circuit or system. The output can be in the form of voltage, current, frequency, or any other measurable quantity depending on the specific component. The output of a component is often crucial in determining its functionality and how it interacts with other components in the circuit. Understanding the output characteristics of electronic components is essential for designing and troubleshooting electronic circuits effectively.
16 ~ 19 b - Termination Style
"Termination style" in electronic components refers to the method used to connect the component to a circuit board or other electronic devices. It determines how the component's leads or terminals are designed for soldering or mounting onto the circuit board. Common termination styles include through-hole, surface mount, and wire lead terminations.Through-hole components have leads that are inserted through holes in the circuit board and soldered on the other side. Surface mount components have flat terminals that are soldered directly onto the surface of the circuit board. Wire lead terminations involve attaching wires to the component for connection.The choice of termination style depends on factors such as the type of component, the manufacturing process, and the space available on the circuit board. Different termination styles offer various advantages in terms of ease of assembly, reliability, and space efficiency in electronic designs.
SMD (SMT) Tab - Qualification Status
An indicator of formal certification of qualifications.
Not Qualified - Output Type
The "Output Type" parameter in electronic components refers to the type of signal or data that is produced by the component as an output. This parameter specifies the nature of the output signal, such as analog or digital, and can also include details about the voltage levels, current levels, frequency, and other characteristics of the output signal. Understanding the output type of a component is crucial for ensuring compatibility with other components in a circuit or system, as well as for determining how the output signal can be utilized or processed further. In summary, the output type parameter provides essential information about the nature of the signal that is generated by the electronic component as its output.
I2C - Supply Voltage-Max (Vsup)
The parameter "Supply Voltage-Max (Vsup)" in electronic components refers to the maximum voltage that can be safely applied to the component without causing damage. It is an important specification to consider when designing or using electronic circuits to ensure the component operates within its safe operating limits. Exceeding the maximum supply voltage can lead to overheating, component failure, or even permanent damage. It is crucial to adhere to the specified maximum supply voltage to ensure the reliable and safe operation of the electronic component.
3.6V - Supply Voltage-Min (Vsup)
The parameter "Supply Voltage-Min (Vsup)" in electronic components refers to the minimum voltage level required for the component to operate within its specified performance range. This parameter indicates the lowest voltage that can be safely applied to the component without risking damage or malfunction. It is crucial to ensure that the supply voltage provided to the component meets or exceeds this minimum value to ensure proper functionality and reliability. Failure to adhere to the specified minimum supply voltage may result in erratic behavior, reduced performance, or even permanent damage to the component.
1.62V - Analog IC - Other Type
Analog IC - Other Type is a parameter used to categorize electronic components that are integrated circuits (ICs) designed for analog signal processing but do not fall into more specific subcategories such as amplifiers, comparators, or voltage regulators. These ICs may include specialized analog functions such as analog-to-digital converters (ADCs), digital-to-analog converters (DACs), voltage references, or signal conditioning circuits. They are typically used in various applications where precise analog signal processing is required, such as in audio equipment, instrumentation, communication systems, and industrial control systems. Manufacturers provide detailed specifications for these components to help engineers select the most suitable IC for their specific design requirements.
ANALOG CIRCUIT - Accuracy
Accuracy in electronic components refers to the degree to which a measured value agrees with the true or accepted value. It evaluates the precision of a component in providing correct output or measurement under specified conditions. High accuracy indicates minimal deviation from the actual value, while low accuracy shows significant error in measurement. This parameter is crucial in applications where precise data is essential for reliable performance and decision-making.
±2% - Operating Pressure
An operating pressure is the amount of internal force applied to the walls of some type of pressure vessel during normal conditions.
4.35PSI ~ 15.95PSI (30kPa ~ 110kPa) - Pressure Type
Pressure Type in electronic components refers to the type of pressure that the component can withstand without being damaged or malfunctioning. This parameter is important in applications where the component may be exposed to varying levels of pressure, such as in industrial or automotive settings. The pressure type specification typically includes information on the maximum pressure the component can handle, whether it is positive or negative pressure, and any specific conditions under which the component can operate safely. It is crucial to consider the pressure type rating when selecting electronic components for use in environments where pressure variations are a concern.
Absolute - Port Style
Port style in electronic components refers to the physical and electrical characteristics of a connection point on a device or circuit. It encompasses the design and configuration of ports used for input and output, including their shape, size, and pin arrangement. Different port styles are used to ensure compatibility and facilitate connections between various electronic devices and systems. This parameter is crucial for defining how components interface with one another in electronic design and integration.
No Port - Maximum Pressure
The parameter "Maximum Pressure" in electronic components refers to the maximum amount of pressure or force that the component can withstand without being damaged or failing. This specification is important for components that may be exposed to external pressure, such as in high-pressure environments or applications where physical pressure may be applied. Exceeding the maximum pressure rating of a component can lead to deformation, cracking, or complete failure of the component, potentially causing system malfunctions or safety hazards. It is crucial to adhere to the specified maximum pressure limits to ensure the reliable operation and longevity of electronic components in various applications.
145.04PSI (1000kPa) - Max Pressure
Max Pressure in electronic components refers to the maximum allowable pressure that a component can withstand without failure. This parameter is crucial for ensuring reliability and safety in applications where components are exposed to varying pressure conditions. Exceeding the max pressure can lead to physical damage, malfunction, or catastrophic failure, thereby compromising the entire system's integrity. Manufacturers often specify this value to guide designers in selecting appropriate components for specific environments.
145.04 PSI - Length5mm
- Width5mm
- RoHS Status
RoHS means “Restriction of Certain Hazardous Substances” in the “Hazardous Substances Directive” in electrical and electronic equipment.
RoHS Compliant
BMP085 Feature
Low-cost device
High precision
Temperature sensor included
Robust package
Low power: 5μA at 1 sample / sec. in standard mode
I2C interface
Fully calibrated
Pb-free, halogen-free and RoHS compliant
Pressure range: 300 ... 1100hPa (+9000m ... -500m above sea level)
Operating voltage range: 1.8V to 3.6V
Operating temperature range: -40ºC to +85ºC
Conversion time temperature: 4.5ms maximum
Conversion time pressure: 25.5ms maximum
BMP085 Application
Indoor and outdoor navigation
Sports equipment
Weather forecast
Temperature sensor
Vertical velocity indication
Enhancement of GPS navigation
Hobby projects
Parts with Similar Specs
Where to use BMP085
BMP085 is mostly utilized when precise measurements of ambient pressure and temperature are required. Although the device is accurate, it has become obsolete because of the availability of more accurate BMP series devices on the market. BMP180 detects barometric pressure more accurately than other modules on the market.
BMP085 is designed to utilize extremely little power, allowing it to be employed in battery-operated devices such as smartwatches and mobile phones. The device also communicated through the serial interface, allowing it to be easily interfaced with modern microcontrollers and microprocessors.
How to use BMP085
The typical application circuit for the device BMP085 is given below.

BMP085 Typical Application Circuit
Three pins are connected between the microcontroller and the device, as indicated in the circuit diagram. Only two pins are used to connect with the module, and this communication is done via the I2C protocol. This I2C interface is used to send data to or receive data from the module. As a result, we must use this interface to obtain information on barometric pressure and temperature. Simply connect the SDA pin of the module to the SDA pin of the C (microcontroller) and the SCL pin of the module to the SCL pin of the C (microcontroller) to create an I2C interface (microcontroller).
The arrangement can be powered from a voltage source ranging from +1.8V to +3.6V, but a 3.3V power source is more convenient.
All that remains is to program the microcontroller to communicate with the module after the connections are complete. We'll leverage libraries that have already been created for the module to make communication simple. Using these libraries simplifies communication; all you have to do is download them and call them up in programs. After you've included the header file, you can send and receive data from the module with simple commands.
We can use the data (which represents barometric pressure and temperature) as needed in the application once it is received from the module. As a result, we can utilize BMP085 to monitor barometric pressure in this manner.
BMP085 Package

BMP085 Package
BMP085 Manufacturer
Devoted to consumer electronics worldwide, Bosch Sensortec (fully owned by Robert Bosch GmbH as a subsidiary firm) provides a portfolio of MEMS(micro-electro-mechanical systems) based solutions and chips for applications in wearable devices, smartphones, tablets, and a number of products in the field of IoT(Internet of Things). With their great effort, more and more mobile devices are able to sense the world.
Datasheet PDF
- PCN Obsolescence/ EOL :
- Datasheets :
Popularity by Region
What are the similar parts for BMP085?
The similar parts: BMP180, BME280, BMP280
What is BMP085?
BOSCH's BMP085 sensor measures both barometric pressure and temperature. The gadget is suited for advanced mobile applications because it is intended for high precision measurements and low power consumption.
What is the pin function of bmp085?
BMP085 is an eight-pin device as shown in the pin diagram and the functioning of each pin is shown below. Usually, the device is used developed as a module and then used in circuits for convenience. These modules each them has a different pin out but they share the same pins and can be matched with the device.
A Comprehensive Guide to the RV-8803 Real-Time Clock Module11 March 20241643
AT24C32 Two-Wire Serial EEPROM: Datasheet, Pinout and Address15 October 20214262
MA700 Angular Sensor: Pinout, Features and Datasheet21 April 2025984
STWD100NYWY3F: ST, Watchdog Timer Circuit, STWD100NYWY3F PDF05 January 20221997
L9110S 2-Channel Motor driver: Circuit, Pinout, and How to work [Video&FAQ]25 April 202221865
M95020-W EEPROM: Pinout, Features and Datasheet07 January 20222092
STM32F407ZET6 Microcontroller: Features, Applications and Datasheet24 November 20235236
LT1785 RS485 Transceiver Analysis: Managing ±60V Fault Protection and 5V Logic Constraints25 April 202656
Ohmic Resistors: Differences, Laws, and Applications18 March 202610788
What is Digital Power Supply?10 November 20203303
Japanese Companies Increase Investment in Power Semiconductors17 March 20224969
Analysis of Wide Bandgap Devices in Renewable Energy Systems11 April 20235062
Photocoupler Basis: Description, Applications and Working Principle29 September 202110470
What is fluorescent lamp?19 October 20214221
Introduction to TRIAC and TRIAC Dimmer10 September 20209996
What are Tilt Sensors?19 December 20207211
Bosch Sensortec
In Stock: 1410
United States
China
Canada
Japan
Russia
Germany
United Kingdom
Singapore
Italy
Hong Kong(China)
Taiwan(China)
France
Korea
Mexico
Netherlands
Malaysia
Austria
Spain
Switzerland
Poland
Thailand
Vietnam
India
United Arab Emirates
Afghanistan
Åland Islands
Albania
Algeria
American Samoa
Andorra
Angola
Anguilla
Antigua & Barbuda
Argentina
Armenia
Aruba
Australia
Azerbaijan
Bahamas
Bahrain
Bangladesh
Barbados
Belarus
Belgium
Belize
Benin
Bermuda
Bhutan
Bolivia
Bonaire, Sint Eustatius and Saba
Bosnia & Herzegovina
Botswana
Brazil
British Indian Ocean Territory
British Virgin Islands
Brunei
Bulgaria
Burkina Faso
Burundi
Cabo Verde
Cambodia
Cameroon
Cayman Islands
Central African Republic
Chad
Chile
Christmas Island
Cocos (Keeling) Islands
Colombia
Comoros
Congo
Congo (DRC)
Cook Islands
Costa Rica
Côte d’Ivoire
Croatia
Cuba
Curaçao
Cyprus
Czechia
Denmark
Djibouti
Dominica
Dominican Republic
Ecuador
Egypt
El Salvador
Equatorial Guinea
Eritrea
Estonia
Eswatini
Ethiopia
Falkland Islands
Faroe Islands
Fiji
Finland
French Guiana
French Polynesia
Gabon
Gambia
Georgia
Ghana
Gibraltar
Greece
Greenland
Grenada
Guadeloupe
Guam
Guatemala
Guernsey
Guinea
Guinea-Bissau
Guyana
Haiti
Honduras
Hungary
Iceland
Indonesia
Iran
Iraq
Ireland
Isle of Man
Israel
Jamaica
Jersey
Jordan
Kazakhstan
Kenya
Kiribati
Kosovo
Kuwait
Kyrgyzstan
Laos
Latvia
Lebanon
Lesotho
Liberia
Libya
Liechtenstein
Lithuania
Luxembourg
Macao(China)
Madagascar
Malawi
Maldives
Mali
Malta
Marshall Islands
Martinique
Mauritania
Mauritius
Mayotte
Micronesia
Moldova
Monaco
Mongolia
Montenegro
Montserrat
Morocco
Mozambique
Myanmar
Namibia
Nauru
Nepal
New Caledonia
New Zealand
Nicaragua
Niger
Nigeria
Niue
Norfolk Island
North Korea
North Macedonia
Northern Mariana Islands
Norway
Oman
Pakistan
Palau
Palestinian Authority
Panama
Papua New Guinea
Paraguay
Peru
Philippines
Pitcairn Islands
Portugal
Puerto Rico
Qatar
Réunion
Romania
Rwanda
Samoa
San Marino
São Tomé & Príncipe
Saudi Arabia
Senegal
Serbia
Seychelles
Sierra Leone
Sint Maarten
Slovakia
Slovenia
Solomon Islands
Somalia
South Africa
South Sudan
Sri Lanka
St Helena, Ascension, Tristan da Cunha
St. Barthélemy
St. Kitts & Nevis
St. Lucia
St. Martin
St. Pierre & Miquelon
St. Vincent & Grenadines
Sudan
Suriname
Svalbard & Jan Mayen
Sweden
Syria
Tajikistan
Tanzania
Timor-Leste
Togo
Tokelau
Tonga
Trinidad & Tobago
Tunisia
Turkey
Turkmenistan
Turks & Caicos Islands
Tuvalu
U.S. Outlying Islands
U.S. Virgin Islands
Uganda
Ukraine
Uruguay
Uzbekistan
Vanuatu
Vatican City
Venezuela
Wallis & Futuna
Yemen
Zambia
Zimbabwe


Product
Brand
Articles
Tools


