TL431BQDBZR Shunt regulator: NXP, SOT-23, TL431BQDBZR Datasheet
-40°C~125°C TA Adjustable 0.95mm PMIC TL431 TO-236-3, SC-59, SOT-23-3









-40°C~125°C TA Adjustable 0.95mm PMIC TL431 TO-236-3, SC-59, SOT-23-3
TL431BQDBZR shunt regulator is a three-terminal shunt regulator. This article will unlock more details about TL431BQDBZR, including its pinout, datasheet, feature and so on... Welcome your RFQ!

3 useful circuits with TL431.
TL431BQDBZR Pinout

TL431BQDBZR Pinout
| Pin | Symbol | Name |
| 1 | K | CATHODE |
| 2 | REF | REFERENCE |
| 3 | A | ANODE |
TL431BQDBZR CAD Model
Symbol

TL431BQDBZR Symbol
Footprint

TL431BQDBZR Footprint
3D Model

TL431BQDBZR 3D Model
TL431BQDBZR Description
The TL431BQDBZR is from a three-terminal shunt regulator family with an output voltage range between Vref and 36 V, to be set by two external resistors.
• The TL431xDBZR types feature an enhanced stability area with a very low load capacity requirement.
• The TL431xFDT types offer an enhanced stability area and a higher ElectroMagnetic Interference (EMI) ruggedness, for example, for Switch Mode Power Supply (SMPS) applications.
• The TL431xSDT types are designed for standard requirements and linear applications.
TL431BQDBZR Feature
Programmable output voltage up to 36 V
Three different reference voltage tolerances:
Standard grade: 2 %
A-Grade: 1 %
B-Grade : 0.5 %
Typical temperature drift: 6 mV (in a range of 0 ℃ up to 70 ℃)
Low output noise
Typical output impedance: 0.2 Ω
Sink current capability: 1 mA to 100 mA
AEC-Q100 qualified (grade 1)
TL431BQDBZR Application
Shunt regulator
Precision current limiter
Precision constant current sink
Isolated feedback loop for Switch Mode Power Supply (SMPS)
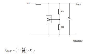
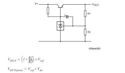
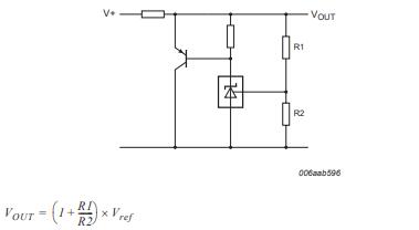
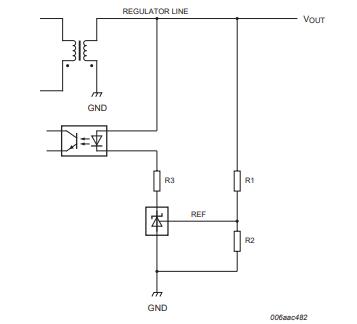
TL431BQDBZR Application Circuit
The following figure shows the application circuit of TL431BQDBZR:

TL431BQDBZR-Shunt regulator

TL431BQDBZR-Series pass regulator

TL431BQDBZR- High-current shunt regulator

TL431BQDBZR-TL431 in the control loop of SMPS
TL431BQDBZR Function Block Diagram
The following figure shows the functional block diagram of TL431BQDBZR:

TL431BQDBZR Functional Diagram
Specifications
- TypeParameter
- Factory Lead Time4 Weeks
- Package / Case
refers to the protective housing that encases an electronic component, providing mechanical support, electrical connections, and thermal management.
TO-236-3, SC-59, SOT-23-3 - Surface Mount
having leads that are designed to be soldered on the side of a circuit board that the body of the component is mounted on.
YES - Mounting Type
The "Mounting Type" in electronic components refers to the method used to attach or connect a component to a circuit board or other substrate, such as through-hole, surface-mount, or panel mount.
Surface Mount - Operating Temperature
The operating temperature is the range of ambient temperature within which a power supply, or any other electrical equipment, operate in. This ranges from a minimum operating temperature, to a peak or maximum operating temperature, outside which, the power supply may fail.
-40°C~125°C TA - Packaging
Semiconductor package is a carrier / shell used to contain and cover one or more semiconductor components or integrated circuits. The material of the shell can be metal, plastic, glass or ceramic.
Digi-Reel® - Published2005
- Tolerance
In electronic components, "tolerance" refers to the acceptable deviation or variation from the specified or ideal value of a particular parameter, such as resistance, capacitance, or voltage. It indicates the range within which the actual value of the component can fluctuate while still being considered acceptable for use in a circuit. Tolerance is typically expressed as a percentage or a specific value and is important for ensuring the accuracy and reliability of electronic devices. Components with tighter tolerances are more precise but may also be more expensive. It is crucial to consider tolerance when selecting components to ensure proper functionality and performance of the circuit.
±0.5% - JESD-609 Code
The "JESD-609 Code" in electronic components refers to a standardized marking code that indicates the lead-free solder composition and finish of electronic components for compliance with environmental regulations.
e3 - Part Status
Parts can have many statuses as they progress through the configuration, analysis, review, and approval stages.
Active - Moisture Sensitivity Level (MSL)
Moisture Sensitivity Level (MSL) is a standardized rating that indicates the susceptibility of electronic components, particularly semiconductors, to moisture-induced damage during storage and the soldering process, defining the allowable exposure time to ambient conditions before they require special handling or baking to prevent failures
1 (Unlimited) - Number of Terminations3
- Terminal Finish
Terminal Finish refers to the surface treatment applied to the terminals or leads of electronic components to enhance their performance and longevity. It can improve solderability, corrosion resistance, and overall reliability of the connection in electronic assemblies. Common finishes include nickel, gold, and tin, each possessing distinct properties suitable for various applications. The choice of terminal finish can significantly impact the durability and effectiveness of electronic devices.
Tin (Sn) - Terminal Position
In electronic components, the term "Terminal Position" refers to the physical location of the connection points on the component where external electrical connections can be made. These connection points, known as terminals, are typically used to attach wires, leads, or other components to the main body of the electronic component. The terminal position is important for ensuring proper connectivity and functionality of the component within a circuit. It is often specified in technical datasheets or component specifications to help designers and engineers understand how to properly integrate the component into their circuit designs.
DUAL - Terminal Form
Occurring at or forming the end of a series, succession, or the like; closing; concluding.
GULL WING - Peak Reflow Temperature (Cel)
Peak Reflow Temperature (Cel) is a parameter that specifies the maximum temperature at which an electronic component can be exposed during the reflow soldering process. Reflow soldering is a common method used to attach electronic components to a circuit board. The Peak Reflow Temperature is crucial because it ensures that the component is not damaged or degraded during the soldering process. Exceeding the specified Peak Reflow Temperature can lead to issues such as component failure, reduced performance, or even permanent damage to the component. It is important for manufacturers and assemblers to adhere to the recommended Peak Reflow Temperature to ensure the reliability and functionality of the electronic components.
260 - Number of Functions1
- Terminal Pitch
The center distance from one pole to the next.
0.95mm - Time@Peak Reflow Temperature-Max (s)
Time@Peak Reflow Temperature-Max (s) refers to the maximum duration that an electronic component can be exposed to the peak reflow temperature during the soldering process, which is crucial for ensuring reliable solder joint formation without damaging the component.
30 - Base Part Number
The "Base Part Number" (BPN) in electronic components serves a similar purpose to the "Base Product Number." It refers to the primary identifier for a component that captures the essential characteristics shared by a group of similar components. The BPN provides a fundamental way to reference a family or series of components without specifying all the variations and specific details.
TL431 - Pin Count
a count of all of the component leads (or pins)
3 - JESD-30 Code
JESD-30 Code refers to a standardized descriptive designation system established by JEDEC for semiconductor-device packages. This system provides a systematic method for generating designators that convey essential information about the package's physical characteristics, such as size and shape, which aids in component identification and selection. By using JESD-30 codes, manufacturers and engineers can ensure consistency and clarity in the specification of semiconductor packages across various applications and industries.
R-PDSO-G3 - Number of Outputs1
- Output Voltage
Output voltage is a crucial parameter in electronic components that refers to the voltage level produced by the component as a result of its operation. It represents the electrical potential difference between the output terminal of the component and a reference point, typically ground. The output voltage is a key factor in determining the performance and functionality of the component, as it dictates the level of voltage that will be delivered to the connected circuit or load. It is often specified in datasheets and technical specifications to ensure compatibility and proper functioning within a given system.
2.495V - Output Type
The "Output Type" parameter in electronic components refers to the type of signal or data that is produced by the component as an output. This parameter specifies the nature of the output signal, such as analog or digital, and can also include details about the voltage levels, current levels, frequency, and other characteristics of the output signal. Understanding the output type of a component is crucial for ensuring compatibility with other components in a circuit or system, as well as for determining how the output signal can be utilized or processed further. In summary, the output type parameter provides essential information about the nature of the signal that is generated by the electronic component as its output.
Adjustable - Supply Voltage-Max (Vsup)
The parameter "Supply Voltage-Max (Vsup)" in electronic components refers to the maximum voltage that can be safely applied to the component without causing damage. It is an important specification to consider when designing or using electronic circuits to ensure the component operates within its safe operating limits. Exceeding the maximum supply voltage can lead to overheating, component failure, or even permanent damage. It is crucial to adhere to the specified maximum supply voltage to ensure the reliable and safe operation of the electronic component.
36V - Supply Voltage-Min (Vsup)
The parameter "Supply Voltage-Min (Vsup)" in electronic components refers to the minimum voltage level required for the component to operate within its specified performance range. This parameter indicates the lowest voltage that can be safely applied to the component without risking damage or malfunction. It is crucial to ensure that the supply voltage provided to the component meets or exceeds this minimum value to ensure proper functionality and reliability. Failure to adhere to the specified minimum supply voltage may result in erratic behavior, reduced performance, or even permanent damage to the component.
2.495V - Trim/Adjustable Output
Trim or adjustable output refers to the ability of an electronic component, such as a voltage regulator or power supply, to produce an output voltage that can be finely tuned or adjusted to meet specific requirements. This feature allows for precise control over the output voltage level, accommodating variations in load conditions or desired operational parameters. Users can typically achieve this adjustment through external resistors, potentiometers, or internal calibration mechanisms, ensuring optimal performance in diverse applications.
YES - Analog IC - Other Type
Analog IC - Other Type is a parameter used to categorize electronic components that are integrated circuits (ICs) designed for analog signal processing but do not fall into more specific subcategories such as amplifiers, comparators, or voltage regulators. These ICs may include specialized analog functions such as analog-to-digital converters (ADCs), digital-to-analog converters (DACs), voltage references, or signal conditioning circuits. They are typically used in various applications where precise analog signal processing is required, such as in audio equipment, instrumentation, communication systems, and industrial control systems. Manufacturers provide detailed specifications for these components to help engineers select the most suitable IC for their specific design requirements.
THREE TERMINAL VOLTAGE REFERENCE - Voltage - Output (Min/Fixed)
Voltage - Output (Min/Fixed) refers to the minimum fixed output voltage level that an electronic component, such as a voltage regulator or power supply, is designed to provide under specified load conditions. This parameter ensures that the device consistently delivers a reliable voltage that meets the requirements of the connected circuits or components. It is critical for applications where stable and predictable voltage is necessary for proper operation.
2.495V - Reference Type
a code object that is not stored directly where it is created, but that acts as a kind of pointer to a value stored elsewhere.
Shunt - Output Voltage-Min
Output Voltage-Min is a parameter in electronic components that specifies the minimum voltage level that the component can provide at its output terminal under specified operating conditions. This parameter is crucial for determining the range of voltages that the component can deliver reliably to the connected circuit or device. It helps in ensuring that the output voltage remains within acceptable limits to prevent damage to the component or the connected components. Designers and engineers use this parameter to select components that meet the voltage requirements of their circuits and to ensure proper functionality and performance.
2.483V - Temp Coef of Voltage-Max
The parameter "Temp Coef of Voltage-Max" refers to the temperature coefficient of the maximum voltage rating of an electronic component. It indicates how the maximum voltage that the component can handle varies with temperature changes. A positive temperature coefficient means that the maximum voltage increases with temperature, while a negative coefficient indicates a decrease. This parameter is crucial for ensuring reliable performance and preventing breakdowns under different operating temperatures.
888 ppm/°C - Current - Cathode
Current - Cathode refers to the flow of electric current through the cathode terminal of an electronic component, such as a diode or a vacuum tube. It represents the amount of charge carriers, typically electrons, moving towards the cathode during operation. This parameter is crucial for determining the component's functionality and performance characteristics, as it influences the efficiency and stability of the circuit. High cathode current can indicate increased power consumption or potential overheating issues if not managed properly.
600μA - Height Seated (Max)
Height Seated (Max) is a parameter in electronic components that refers to the maximum allowable height of the component when it is properly seated or installed on a circuit board or within an enclosure. This specification is crucial for ensuring proper fit and alignment within the overall system design. Exceeding the maximum seated height can lead to mechanical interference, electrical shorts, or other issues that may impact the performance and reliability of the electronic device. Manufacturers provide this information to help designers and engineers select components that will fit within the designated space and function correctly in the intended application.
1.1mm - Width1.3mm
- Length2.9mm
- RoHS Status
RoHS means “Restriction of Certain Hazardous Substances” in the “Hazardous Substances Directive” in electrical and electronic equipment.
ROHS3 Compliant
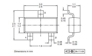
TL431BQDBZR Package

TL431BQDBZR Package
TL431BQDBZR Manufacturer
Nexperia is a dedicated global leader in Discretes, Logic and MOSFETs devices. This new company became independent at the beginning of 2017. Focused on efficiency, Nexperia produces consistently reliable semiconductor components at a high volume: 85 billion annually. The company’s extensive portfolio meets the stringent standards set by the Automotive industry. And industry-leading small packages, produced in their own manufacturing facilities, combine power and thermal efficiency with best-in-class quality levels. Built on over half a century of expertise, Nexperia has 11,000 employees across Asia, Europe and the U.S. supporting customers globally.
Datasheet PDF
- Datasheets :
- PCN Packaging :
- PCN Assembly/Origin :
- PCN Design/Specification :
- RohsStatement :
Trend Analysis
What family includes a range of 3-terminal adjustable shunt regulators?
TL431.
What type of shunt regulators feature an enhanced stability area with a very low load capacity requirement?
TL431xDBZR types.
What type of ruggedness does the TL431xFDT types offer?
Electromagnetic Interference (EMI) ruggedness.
What are the TL431xSDT types designed for?
Standard requirements and linear applications.
What are the applications of the shunt regulator?
A shunt regulator is used for low-powered circuits. It works by directing the current away from the load and sending it into the ground. It provides a path from the input voltage to a variable resistor which is connected to the ground.
What is the difference between series and shunt regulator?
A series regulator is connected in series with the load to stabilize the regulator's output voltage. A shunt regulator, on the other hand, is connected in parallel to the load to stabilize the device's output voltage.
PIC12F675 Microcontroller: Circuit, Pinout, and Datasheet [Video&FAQ]14 December 20218568
STM32G030F6P6: Overview, Features, Applications19 October 20233518
AD8232 ECG Sensor: AD8232 Arduino, AD8232 Pdf and Price08 July 20216010
An Overview of the 5962-8776301LX Digital to Analog Converter (DAC)06 March 2024112
CR2477 Battery: 3V CR2477 Lithium Battery, CR2477 Equivalent and Datasheet17 November 20219493
A Comprehensive Guide to LTC6911IMS-2#TRPBF Programmable Gain Instrumentation Amplifier06 March 2024291
D45H11 Bipolar Transistor PNP 80 V 10 A 40MHz[Video]: Datasheet, Pinout, and FAQ10 March 2022486
43025-0800 Micro-Fit 3.0 Receptacle Housing Dual Row: Drawing, Datasheet, and Equivalents11 February 20222454
Switching Diodes Basics: Working, Types and Circuit Analysis24 October 202542140
How do Solar Cells Work?20 November 20203023
What is speaker?08 October 20218411
Enhancing Wi-Fi Security and Its Impacts on IoT Connectivity25 October 20242543
How to Avoid Common Mistakes When Choosing Electrical Fuses14 July 20251087
New Crisis in Semiconductors: Neon Gas Prices Soar 9 Times21 March 20228875
What is an Electrical Connector?19 November 20258622
Assessing the Effectiveness of Transient Voltage Suppressors in Modern Electronics05 June 2025464
Nexperia USA Inc.
In Stock: 10756
United States
China
Canada
Japan
Russia
Germany
United Kingdom
Singapore
Italy
Hong Kong(China)
Taiwan(China)
France
Korea
Mexico
Netherlands
Malaysia
Austria
Spain
Switzerland
Poland
Thailand
Vietnam
India
United Arab Emirates
Afghanistan
Åland Islands
Albania
Algeria
American Samoa
Andorra
Angola
Anguilla
Antigua & Barbuda
Argentina
Armenia
Aruba
Australia
Azerbaijan
Bahamas
Bahrain
Bangladesh
Barbados
Belarus
Belgium
Belize
Benin
Bermuda
Bhutan
Bolivia
Bonaire, Sint Eustatius and Saba
Bosnia & Herzegovina
Botswana
Brazil
British Indian Ocean Territory
British Virgin Islands
Brunei
Bulgaria
Burkina Faso
Burundi
Cabo Verde
Cambodia
Cameroon
Cayman Islands
Central African Republic
Chad
Chile
Christmas Island
Cocos (Keeling) Islands
Colombia
Comoros
Congo
Congo (DRC)
Cook Islands
Costa Rica
Côte d’Ivoire
Croatia
Cuba
Curaçao
Cyprus
Czechia
Denmark
Djibouti
Dominica
Dominican Republic
Ecuador
Egypt
El Salvador
Equatorial Guinea
Eritrea
Estonia
Eswatini
Ethiopia
Falkland Islands
Faroe Islands
Fiji
Finland
French Guiana
French Polynesia
Gabon
Gambia
Georgia
Ghana
Gibraltar
Greece
Greenland
Grenada
Guadeloupe
Guam
Guatemala
Guernsey
Guinea
Guinea-Bissau
Guyana
Haiti
Honduras
Hungary
Iceland
Indonesia
Iran
Iraq
Ireland
Isle of Man
Israel
Jamaica
Jersey
Jordan
Kazakhstan
Kenya
Kiribati
Kosovo
Kuwait
Kyrgyzstan
Laos
Latvia
Lebanon
Lesotho
Liberia
Libya
Liechtenstein
Lithuania
Luxembourg
Macao(China)
Madagascar
Malawi
Maldives
Mali
Malta
Marshall Islands
Martinique
Mauritania
Mauritius
Mayotte
Micronesia
Moldova
Monaco
Mongolia
Montenegro
Montserrat
Morocco
Mozambique
Myanmar
Namibia
Nauru
Nepal
New Caledonia
New Zealand
Nicaragua
Niger
Nigeria
Niue
Norfolk Island
North Korea
North Macedonia
Northern Mariana Islands
Norway
Oman
Pakistan
Palau
Palestinian Authority
Panama
Papua New Guinea
Paraguay
Peru
Philippines
Pitcairn Islands
Portugal
Puerto Rico
Qatar
Réunion
Romania
Rwanda
Samoa
San Marino
São Tomé & Príncipe
Saudi Arabia
Senegal
Serbia
Seychelles
Sierra Leone
Sint Maarten
Slovakia
Slovenia
Solomon Islands
Somalia
South Africa
South Sudan
Sri Lanka
St Helena, Ascension, Tristan da Cunha
St. Barthélemy
St. Kitts & Nevis
St. Lucia
St. Martin
St. Pierre & Miquelon
St. Vincent & Grenadines
Sudan
Suriname
Svalbard & Jan Mayen
Sweden
Syria
Tajikistan
Tanzania
Timor-Leste
Togo
Tokelau
Tonga
Trinidad & Tobago
Tunisia
Turkey
Turkmenistan
Turks & Caicos Islands
Tuvalu
U.S. Outlying Islands
U.S. Virgin Islands
Uganda
Ukraine
Uruguay
Uzbekistan
Vanuatu
Vatican City
Venezuela
Wallis & Futuna
Yemen
Zambia
Zimbabwe


Product
Brand
Articles
Tools


