TPS54302DDCR: Synchronous Buck Converter, Pinout
6 Terminals 4.5V 6-Pin TPS54302 DC DC Voltage Regulator SWITCHING REGULATOR 1 Outputs 400kHz Tape & Reel (TR) SOT-23-6 Thin, TSOT-23-6
Unit Price: $0.254503
Ext Price: $0.25









6 Terminals 4.5V 6-Pin TPS54302 DC DC Voltage Regulator SWITCHING REGULATOR 1 Outputs 400kHz Tape & Reel (TR) SOT-23-6 Thin, TSOT-23-6
The TPS54302DDCR is a 3-A synchronous buck converter with a 4.5 to 28 V input voltage range. The device has two integrated switching FETs, internal loop correction, and a 5-ms internal soft start to reduce component count. The article is going to introduce its pinout, CAD model, features, etc.
- TPS54302DDCR Description
- TPS54302DDCR Pinout
- TPS54302DDCR CAD Model
- TPS54302DDCR Features
- TPS54302DDCR Functional Block Diagram
- TPS54302DDCR Recommended Operating Conditions
- Specifications
- TPS54302DDCR Equivalents
- TPS54302DDCR Applications
- TPS54302DDCR Typical Application Circuit
- TPS54302DDCR Package
- TPS54302DDCR Manufacturer
- Trend Analysis
- Parts with Similar Specs
- Datasheet PDF
TPS54302DDCR Description
The TPS54302DDCR is a 3-A synchronous buck converter with an input voltage range of 4.5 to 28 V. To reduce component count, the device contains two integrated switching FETs, internal loop correction, and a 5-ms internal soft start.
The TPS54302DDCR device provides great power density and a tiny footprint on the PCB by integrating MOSFETs and using the SOT-23 packaging. Advanced Eco-mode implementation increases light load efficiency while decreasing power loss. The frequency spread-spectrum operation is used in the TPS54302 gadget to reduce EMI. A cycle-by-cycle current limit in both high-side MOSFETs safeguards the converter in an overload condition, and this is supplemented by a freewheeling current limit in the low-side MOSFET, which prevents current runaway. If the overcurrent condition persists, hiccup mode protection is activated for longer than the present time.
TPS54302DDCR Pinout

TPS54302DDCR CAD Model
Symbol

Foorprint

3D Model

TPS54302DDCR Features
• 4.5-V to 28-V wide input voltage range
• Integrated 85-mΩ and 40-mΩ MOSFETs for 3-A,
continuous output current
• Low 2-μA shutdown, 45-μA quiescent current
• Internal 5-ms soft start
• Fixed 400-kHz switching frequency
• Frequency spread spectrum to reduce EMI
• Advanced Eco-mode™ pulse skip
• Peak current-mode control
• Internal loop compensation
• Overcurrent protection for both MOSFETs with
hiccup mode protection
• Overvoltage protection
• Thermal shutdown
• SOT-23 (6) package
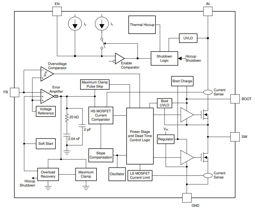
TPS54302DDCR Functional Block Diagram

TPS54302DDCR Recommended Operating Conditions

Specifications
- TypeParameter
- Lifecycle Status
Lifecycle Status refers to the current stage of an electronic component in its product life cycle, indicating whether it is active, obsolete, or transitioning between these states. An active status means the component is in production and available for purchase. An obsolete status indicates that the component is no longer being manufactured or supported, and manufacturers typically provide a limited time frame for support. Understanding the lifecycle status is crucial for design engineers to ensure continuity and reliability in their projects.
ACTIVE (Last Updated: 5 days ago) - Factory Lead Time8 Weeks
- Mounting Type
The "Mounting Type" in electronic components refers to the method used to attach or connect a component to a circuit board or other substrate, such as through-hole, surface-mount, or panel mount.
Surface Mount - Package / Case
refers to the protective housing that encases an electronic component, providing mechanical support, electrical connections, and thermal management.
SOT-23-6 Thin, TSOT-23-6 - Surface Mount
having leads that are designed to be soldered on the side of a circuit board that the body of the component is mounted on.
YES - Number of Pins6
- Operating Temperature
The operating temperature is the range of ambient temperature within which a power supply, or any other electrical equipment, operate in. This ranges from a minimum operating temperature, to a peak or maximum operating temperature, outside which, the power supply may fail.
-40°C~125°C TJ - Packaging
Semiconductor package is a carrier / shell used to contain and cover one or more semiconductor components or integrated circuits. The material of the shell can be metal, plastic, glass or ceramic.
Tape & Reel (TR) - JESD-609 Code
The "JESD-609 Code" in electronic components refers to a standardized marking code that indicates the lead-free solder composition and finish of electronic components for compliance with environmental regulations.
e3 - Pbfree Code
The "Pbfree Code" parameter in electronic components refers to the code or marking used to indicate that the component is lead-free. Lead (Pb) is a toxic substance that has been widely used in electronic components for many years, but due to environmental concerns, there has been a shift towards lead-free alternatives. The Pbfree Code helps manufacturers and users easily identify components that do not contain lead, ensuring compliance with regulations and promoting environmentally friendly practices. It is important to pay attention to the Pbfree Code when selecting electronic components to ensure they meet the necessary requirements for lead-free applications.
yes - Part Status
Parts can have many statuses as they progress through the configuration, analysis, review, and approval stages.
Active - Moisture Sensitivity Level (MSL)
Moisture Sensitivity Level (MSL) is a standardized rating that indicates the susceptibility of electronic components, particularly semiconductors, to moisture-induced damage during storage and the soldering process, defining the allowable exposure time to ambient conditions before they require special handling or baking to prevent failures
1 (Unlimited) - Number of Terminations6
- Terminal Finish
Terminal Finish refers to the surface treatment applied to the terminals or leads of electronic components to enhance their performance and longevity. It can improve solderability, corrosion resistance, and overall reliability of the connection in electronic assemblies. Common finishes include nickel, gold, and tin, each possessing distinct properties suitable for various applications. The choice of terminal finish can significantly impact the durability and effectiveness of electronic devices.
Matte Tin (Sn) - Terminal Position
In electronic components, the term "Terminal Position" refers to the physical location of the connection points on the component where external electrical connections can be made. These connection points, known as terminals, are typically used to attach wires, leads, or other components to the main body of the electronic component. The terminal position is important for ensuring proper connectivity and functionality of the component within a circuit. It is often specified in technical datasheets or component specifications to help designers and engineers understand how to properly integrate the component into their circuit designs.
DUAL - Terminal Form
Occurring at or forming the end of a series, succession, or the like; closing; concluding.
GULL WING - Terminal Pitch
The center distance from one pole to the next.
0.95mm - Base Part Number
The "Base Part Number" (BPN) in electronic components serves a similar purpose to the "Base Product Number." It refers to the primary identifier for a component that captures the essential characteristics shared by a group of similar components. The BPN provides a fundamental way to reference a family or series of components without specifying all the variations and specific details.
TPS54302 - Function
The parameter "Function" in electronic components refers to the specific role or purpose that the component serves within an electronic circuit. It defines how the component interacts with other elements, influences the flow of electrical signals, and contributes to the overall behavior of the system. Functions can include amplification, signal processing, switching, filtering, and energy storage, among others. Understanding the function of each component is essential for designing effective and efficient electronic systems.
Step-Down - Number of Outputs1
- Output Type
The "Output Type" parameter in electronic components refers to the type of signal or data that is produced by the component as an output. This parameter specifies the nature of the output signal, such as analog or digital, and can also include details about the voltage levels, current levels, frequency, and other characteristics of the output signal. Understanding the output type of a component is crucial for ensuring compatibility with other components in a circuit or system, as well as for determining how the output signal can be utilized or processed further. In summary, the output type parameter provides essential information about the nature of the signal that is generated by the electronic component as its output.
Adjustable - Voltage - Input (Min)
Voltage - Input (Min) refers to the minimum voltage level that an electronic component requires to operate correctly. It indicates the lowest voltage that can be applied to the component while still allowing it to function as intended. If the input voltage falls below this specified minimum, the component may not perform properly or may fail to operate altogether. This parameter is critical for ensuring reliable operation and longevity of the device in electronic circuits.
4.5V - Input Voltage-Nom
Input Voltage-Nom refers to the nominal or rated input voltage that an electronic component or device is designed to operate within. This parameter specifies the voltage level at which the component is expected to function optimally and safely. It is important to ensure that the actual input voltage supplied to the component does not exceed this nominal value to prevent damage or malfunction. Manufacturers provide this specification to guide users in selecting the appropriate power supply or input voltage source for the component. It is a critical parameter to consider when designing or using electronic circuits to ensure reliable performance and longevity of the component.
12V - Max Supply Voltage
In general, the absolute maximum common-mode voltage is VEE-0.3V and VCC+0.3V, but for products without a protection element at the VCC side, voltages up to the absolute maximum rated supply voltage (i.e. VEE+36V) can be supplied, regardless of supply voltage.
28V - Min Supply Voltage
The minimum supply voltage (V min ) is explored for sequential logic circuits by statistically simulating the impact of within-die process variations and gate-dielectric soft breakdown on data retention and hold time.
4.5V - Analog IC - Other Type
Analog IC - Other Type is a parameter used to categorize electronic components that are integrated circuits (ICs) designed for analog signal processing but do not fall into more specific subcategories such as amplifiers, comparators, or voltage regulators. These ICs may include specialized analog functions such as analog-to-digital converters (ADCs), digital-to-analog converters (DACs), voltage references, or signal conditioning circuits. They are typically used in various applications where precise analog signal processing is required, such as in audio equipment, instrumentation, communication systems, and industrial control systems. Manufacturers provide detailed specifications for these components to help engineers select the most suitable IC for their specific design requirements.
SWITCHING REGULATOR - Nominal Supply Current
Nominal current is the same as the rated current. It is the current drawn by the motor while delivering rated mechanical output at its shaft.
45μA - Output Configuration
Output Configuration in electronic components refers to the arrangement or setup of the output pins or terminals of a device. It defines how the output signals are structured and how they interact with external circuits or devices. The output configuration can determine the functionality and compatibility of the component in a circuit design. Common types of output configurations include single-ended, differential, open-drain, and push-pull configurations, each serving different purposes and applications in electronic systems. Understanding the output configuration of a component is crucial for proper integration and operation within a circuit.
Positive - Quiescent Current
The quiescent current is defined as the current level in the amplifier when it is producing an output of zero.
40μA - Voltage - Output (Min/Fixed)
Voltage - Output (Min/Fixed) refers to the minimum fixed output voltage level that an electronic component, such as a voltage regulator or power supply, is designed to provide under specified load conditions. This parameter ensures that the device consistently delivers a reliable voltage that meets the requirements of the connected circuits or components. It is critical for applications where stable and predictable voltage is necessary for proper operation.
0.596V - Topology
In the context of electronic components, "topology" refers to the arrangement or configuration of the components within a circuit or system. It defines how the components are connected to each other and how signals flow between them. The choice of topology can significantly impact the performance, efficiency, and functionality of the electronic system. Common topologies include series, parallel, star, mesh, and hybrid configurations, each with its own advantages and limitations. Designers carefully select the appropriate topology based on the specific requirements of the circuit to achieve the desired performance and functionality.
Buck - Control Mode
In electronic components, "Control Mode" refers to the method or mode of operation used to regulate or control the behavior of the component. This parameter determines how the component responds to input signals or commands to achieve the desired output. The control mode can vary depending on the specific component and its intended function, such as voltage regulation, current limiting, or frequency modulation. Understanding the control mode of an electronic component is crucial for proper integration and operation within a circuit or system.
CURRENT-MODE - Frequency - Switching
"Frequency - Switching" in electronic components refers to the rate at which a device, such as a transistor or switching regulator, turns on and off during operation. This parameter is crucial in determining the efficiency and performance of power converters, oscillators, and other circuits that rely on rapid switching. Higher switching frequencies typically allow for smaller component sizes but may require more advanced design considerations to manage heat and electromagnetic interference.
400kHz - Control Technique
In electronic components, "Control Technique" refers to the method or approach used to regulate and manage the operation of the component. This parameter is crucial in determining how the component functions within a circuit or system. Different control techniques can include analog control, digital control, pulse-width modulation (PWM), and various feedback mechanisms. The choice of control technique can impact the performance, efficiency, and overall functionality of the electronic component. It is important to select the appropriate control technique based on the specific requirements and characteristics of the application in which the component will be used.
PULSE WIDTH MODULATION - Synchronous Rectifier
Synchronous rectification is a technique for improving the efficiency of rectification by replacing diodes with actively controlled switches, usually power MOSFETs or power bipolar junction transistors (BJT).
Yes - Max Duty Cycle
Max Duty Cycle refers to the maximum percentage of time that an electronic component, such as a switch or a power supply, can be in an "on" state during a defined time period. It is an important parameter in pulse-width modulated (PWM) systems and helps determine how often a device can operate without overheating or sustaining damage. By specifying the maximum duty cycle, manufacturers provide guidance on the safe operational limits of the component, ensuring reliability and efficiency in various applications.
100 % - Max Junction Temperature (Tj)
Max Junction Temperature (Tj) refers to the maximum allowable temperature at the junction of a semiconductor device, such as a transistor or integrated circuit. It is a critical parameter that influences the performance, reliability, and lifespan of the component. Exceeding this temperature can lead to thermal runaway, breakdown, or permanent damage to the device. Proper thermal management is essential to ensure the junction temperature remains within safe operating limits during device operation.
125°C - Height1.1mm
- Length2.9mm
- Width1.6mm
- Thickness
Thickness in electronic components refers to the measurement of how thick a particular material or layer is within the component structure. It can pertain to various aspects, such as the thickness of a substrate, a dielectric layer, or conductive traces. This parameter is crucial as it impacts the electrical, mechanical, and thermal properties of the component, influencing its performance and reliability in electronic circuits.
870μm - RoHS Status
RoHS means “Restriction of Certain Hazardous Substances” in the “Hazardous Substances Directive” in electrical and electronic equipment.
ROHS3 Compliant - Lead Free
Lead Free is a term used to describe electronic components that do not contain lead as part of their composition. Lead is a toxic material that can have harmful effects on human health and the environment, so the electronics industry has been moving towards lead-free components to reduce these risks. Lead-free components are typically made using alternative materials such as silver, copper, and tin. Manufacturers must comply with regulations such as the Restriction of Hazardous Substances (RoHS) directive to ensure that their products are lead-free and environmentally friendly.
Lead Free
TPS54302DDCR Equivalents
| Part Number | Description | Manufacturer |
| APW7085KI-TRLPOWER CIRCUITS | Switching Regulator, Current-mode, 0.03A, 420kHz Switching Freq-Max, PDSO8, ROHS COMPLIANT, MS-012AA, SOP-8 | American Power Devices Inc |
| APW7070AKAI-TRGPOWER CIRCUITS | Switching Regulator, Current-mode, 3A, 420kHz Switching Freq-Max, PDSO8, GREEN, MS-012BA, SOP-8 | American Power Devices Inc |
| APW7070AKAI-TRLPOWER CIRCUITS | Switching Regulator, Current-mode, 0.03A, 420kHz Switching Freq-Max, PDSO8, ROHS COMPLIANT, MS-012BA, SOP-8 | American Power Devices Inc |
| LMR33640ADDARPOWER CIRCUITS | SIMPLE SWITCHER® 3.8-V to 36-V, 4-A step-down converter in SOIC-8 package 8-SO PowerPAD -40 to 125 | Texas Instruments |
| APW7080KAI-TRGPOWER CIRCUITS | Switching Regulator, Current-mode, 4A, 420kHz Switching Freq-Max, PDSO8, GREEN, MS-012BA, SOP-8 | American Power Devices Inc |
| TPS54302DDCTPOWER CIRCUITS | 4.5-V to 28-V Input, 3-A Output, EMI Friendly Synchronous Step-Down Converter 6-SOT-23-THIN -40 to 125 | Texas Instruments |
TPS54302DDCR Applications
• 12-V, 24-V distributed power-bus supply
• Industry application
– White goods
• Consumer application
– Audio
– STB, DTV
– Printer
TPS54302DDCR Typical Application Circuit

TPS54302DDCR Typical Application Circuit
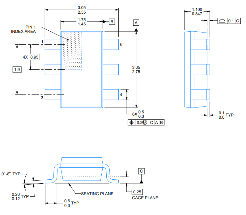
TPS54302DDCR Package

TPS54302DDCR Manufacturer
Texas Instruments Incorporated (TI) is an American technology company based in Dallas, Texas, that designs and manufactures semiconductors and various integrated circuits, which it sells to electronics designers and manufacturers globally. It is one of the top 10 semiconductor companies worldwide based on sales volume. The company's focus is on developing analog chips and embedded processors, which account for more than 80% of its revenue. TI also produces TI digital light processing technology and education technology products including calculators, micro-controllers, and multi-core processors. The company boasts 45,000 patents around the globe as of 2016.
Trend Analysis
Parts with Similar Specs
Datasheet PDF
- PCN Assembly/Origin :
- Datasheets :
What is TPS54302DDCR?
The TPS54302DDCR is a 3-A synchronous buck converter with an input voltage range of 4.5 to 28 V. To reduce component count, the device contains two integrated switching FETs, internal loop correction, and a 5-ms internal soft start.
What is the recommended operating temeprature of the component?
-40°C~125°C TJ.
STA540 Power Amplifier: Datasheet, Pinout and Equivalents23 August 202122917
IS181 Optocoupler: Datasheet, Pinout and Applications29 July 20212203
Maxim Integrated DS2431+ Guide for Easy Electronics Projects29 August 2025208
NE555PWR Timer IC: Pinout, Feature, Datasheet11 May 20211067
2N3771 Transistor: 2N3771 NPN Power Transistor, Datasheet, Pinout22 January 20222145
ESP32: a successor to the ESP8266 microcontroller21 February 20223753
STM32F103C6T6 Microcontroller: 72MHz, 48-LQFP, Pinout and Datasheet18 February 20226797
Stellaris® LM3S315 Microcontroller: Technical Overview29 February 2024128
Understanding the Flight Sensing Modules of Drones06 September 20211508
JSCJ Authorized Distributor | UTMEL Electronics21 November 20232344
Capacitor Basic: How do Capacitors Work?18 April 202514706
What is the DC Bias Characteristic of a Capacitor?25 July 202210661
PCB Design Guidelines21 December 20215220
What is a Motor Starter?06 March 20213933
7 Promising Semiconductor Stocks Amid U.S.-China Chip War18 September 20232631
Why Precision Matters in Analog-to-Digital Conversion28 May 2025364
Texas Instruments
In Stock: 6280
Minimum: 1 Multiples: 1
Qty
Unit Price
Ext Price
1
$0.254503
$0.25
10
$0.240097
$2.40
100
$0.226507
$22.65
500
$0.213686
$106.84
1000
$0.201590
$201.59
Not the price you want? Send RFQ Now and we'll contact you ASAP.
Inquire for More Quantity











