2N4400 Transistor: Datasheet, Pinout, Equivalents
TRANS NPN 40V 0.6A TO-92
This post will unlock more details about 2N4400, a general-purpose NPN transistor. And more, Huge range of Semiconductors, Capacitors, Resistors and ICs in stock. Welcome RFQ.
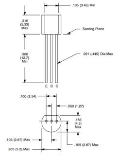
2N4400 Pinout

2N4400 Pinout
| Pin Number | Pin Name | Description |
| 1 | Emitter | Electrons emitted from the emitter into the first PN junction |
| 2 | Base | Controls the biasing of the transistor |
| 3 | Collector | Electrons Emitted from Emitter Collected by the Collector |
Pin Description
What is 2N4400
The 2N4400 is a TO-92 packaging NPN transistor with a VCE of 100V and a continuous collector current of 1A. This transistor can be employed in fairly high voltage switching applications with this characteristic and 1W total power dissipation.
2N4400 CAD Model
Symbol

2N4400 Symbol
Footprint

2N4400 Footprint
3D Model

2N4400 3D Model
Specifications
- TypeParameter
- Mounting Type
The "Mounting Type" in electronic components refers to the method used to attach or connect a component to a circuit board or other substrate, such as through-hole, surface-mount, or panel mount.
Through Hole - Package / Case
refers to the protective housing that encases an electronic component, providing mechanical support, electrical connections, and thermal management.
TO-226-3, TO-92-3 (TO-226AA) - Supplier Device Package
The parameter "Supplier Device Package" in electronic components refers to the physical packaging or housing of the component as provided by the supplier. It specifies the form factor, dimensions, and layout of the component, which are crucial for compatibility and integration into electronic circuits and systems. The supplier device package information typically includes details such as the package type (e.g., DIP, SOP, QFN), number of pins, pitch, and overall size, allowing engineers and designers to select the appropriate component for their specific application requirements. Understanding the supplier device package is essential for proper component selection, placement, and soldering during the manufacturing process to ensure optimal performance and reliability of the electronic system.
TO-92-3 - Current-Collector (Ic) (Max)600mA
- Operating Temperature
The operating temperature is the range of ambient temperature within which a power supply, or any other electrical equipment, operate in. This ranges from a minimum operating temperature, to a peak or maximum operating temperature, outside which, the power supply may fail.
-55°C~150°C TJ - Packaging
Semiconductor package is a carrier / shell used to contain and cover one or more semiconductor components or integrated circuits. The material of the shell can be metal, plastic, glass or ceramic.
Bulk - Published2007
- Part Status
Parts can have many statuses as they progress through the configuration, analysis, review, and approval stages.
Obsolete - Moisture Sensitivity Level (MSL)
Moisture Sensitivity Level (MSL) is a standardized rating that indicates the susceptibility of electronic components, particularly semiconductors, to moisture-induced damage during storage and the soldering process, defining the allowable exposure time to ambient conditions before they require special handling or baking to prevent failures
1 (Unlimited) - Base Part Number
The "Base Part Number" (BPN) in electronic components serves a similar purpose to the "Base Product Number." It refers to the primary identifier for a component that captures the essential characteristics shared by a group of similar components. The BPN provides a fundamental way to reference a family or series of components without specifying all the variations and specific details.
2N4400 - Power - Max
Power - Max is a parameter that specifies the maximum amount of power that an electronic component can handle without being damaged. It is typically measured in watts and indicates the upper limit of power that can be safely supplied to the component. Exceeding the maximum power rating can lead to overheating, malfunction, or permanent damage to the component. It is important to consider the power-max rating when designing circuits or systems to ensure proper operation and longevity of the electronic components.
625mW - Transistor Type
Transistor type refers to the classification of transistors based on their operation and construction. The two primary types are bipolar junction transistors (BJTs) and field-effect transistors (FETs). BJTs use current to control the flow of current, while FETs utilize voltage to control current flow. Each type has its own subtypes, such as NPN and PNP for BJTs, and MOSFETs and JFETs for FETs, impacting their applications and characteristics in electronic circuits.
NPN - DC Current Gain (hFE) (Min) @ Ic, Vce
The parameter "DC Current Gain (hFE) (Min) @ Ic, Vce" in electronic components refers to the minimum value of the DC current gain, denoted as hFE, under specific operating conditions of collector current (Ic) and collector-emitter voltage (Vce). The DC current gain hFE represents the ratio of the collector current to the base current in a bipolar junction transistor (BJT), indicating the amplification capability of the transistor. The minimum hFE value at a given Ic and Vce helps determine the transistor's performance and efficiency in amplifying signals within a circuit. Designers use this parameter to ensure proper transistor selection and performance in various electronic applications.
50 @ 150mA 1V - Vce Saturation (Max) @ Ib, Ic
The parameter "Vce Saturation (Max) @ Ib, Ic" in electronic components refers to the maximum voltage drop across the collector-emitter junction when the transistor is in saturation mode. This parameter is specified at a certain base current (Ib) and collector current (Ic) levels. It indicates the minimum voltage required to keep the transistor fully conducting in saturation mode, ensuring that the transistor operates efficiently and does not enter the cutoff region. Designers use this parameter to ensure proper transistor operation and to prevent overheating or damage to the component.
750mV @ 50mA, 500mA - Voltage - Collector Emitter Breakdown (Max)
Voltage - Collector Emitter Breakdown (Max) is a parameter that specifies the maximum voltage that can be applied between the collector and emitter terminals of a transistor or other semiconductor device before it breaks down and allows excessive current to flow. This parameter is crucial for ensuring the safe and reliable operation of the component within its specified limits. Exceeding the maximum breakdown voltage can lead to permanent damage or failure of the device. Designers and engineers must carefully consider this parameter when selecting components for their circuits to prevent potential issues and ensure proper functionality.
40V
Parts with Similar Specs
2N4400 Features
Bi-Polar NPN, high voltage Transistor
Collector-Emitter Voltage, VCE 40V
Collector-Base Voltage, VCB 60V
Emitter-Base Voltage, VEB 6V
DC Current Gain (hFE) is 150 maximum
Continuous Collector current (IC) is 600mA
Base Current (IB) is 50mA maximum
Collector Dissipation: 625 mW
Transition Frequency:200 MHz
Collector Capacitance 30pF
Input Impedance 7.5K, where IC 1mA, VCE 10V, F 1KHz
Operating Junction Temperature Max (Tj): 150 °C
Available in TO-92 Package
2N4400 Application
Simple switching applications
Microphone preamplifiers
Lighting systems
Relay drivers
Audio Amplifiers
Signal Amplifiers
2N4400 Equivalents
BC547, BC548, BC549, BC488.
Where to use 2N4400
The 2N4400 transistor is a highly adaptable device that can be used in a wide range of applications. This transistor can be used to switch relatively high voltage devices, such as a tiny DC-DC converter or the pre or mid amplifier stage of a power amplifier (power amplifiers typically require 45 to 60 DC). This gadget is inexpensive and simple to use, making it the best choice for a random switching device.
How to use 2N4400
Because transistors are current-controlled devices, a small amount of current is required to turn them on. The base current of the 2N4400 Transistor is less than 50mA since it is an NPN transistor, which means it is on when the base is connected to the ground and off when a positive voltage is given to the transistor's base.
The simulated circuit below shows how this transistor operates when the basic circuit's base is connected to the ground and when the power supply's 5V is applied.

How to use 2N4400
We utilized a simple switching circuit with the 2N4400 transistor for simulation, and the base of this transistor is connected to a clock source with a 1Hz signal, which is responsible for switching the circuit; we used the oscilloscope tool in proteus for visualization. In the oscilloscope, the blue signal represents the input signal, while the yellow signal represents the output signal. When the supplied pulse is high, the transistor will stay on until the voltage at the transistor's base falls below 0.7-0.9V, which is the transistor's cut-off voltage.
Because the base of the transistor cannot be left floating, erroneous triggering may occur, causing problems in the circuit, we must employ pulldown resistors to remedy the problem. In the example, a 10K resistor is used to pull up the transistor's base to the ground.
2N4400 Package

2N4400 Package
2N4400 Manufacturer
On Semiconductor (Nasdaq: ON) is a manufacturer engaging itself in reducing energy use. It features a comprehensive portfolio of power, signal management, and logic, custom solutions that are energy efficient. It acts as a world-class supply chain with high reliability and a network of manufacturing facilities, sales, offices, and design centres in key markets through North America, Europe, and the Asia Pacific regions.
Datasheet PDF
- PCN Obsolescence/ EOL :
- PCN Design/Specification :
- Datasheets :
What package is 2N4400 available in?
It is available in the TO-92 package.
How about the transition frequency of 2N4400?
The transition frequency of is 200MHz.
What is the function of each pin in 2N4400?
Pin1: Electrons emitted from the emitter into the first PN junction; Pin2: Controls the biasing of the transistor; Pin3: Electrons Emitted from Emitter Collected by the Collector.
TCMT4600 Input Phototransister: Pinout, Datasheet, and Circuit16 March 2022792
THS7314 Video Amplifiers:Pinout, Datasheet and Application25 June 20212335
2CR5 Lithium battery[FAQ+Video]: Equivalents, Datasheet, and 2CR5 vs CR123A20 April 20227989
AD823 Op-Amp Troubleshooting Guide: Common Failures and Repair Solutions04 July 2025247
MID400 Optocoupler: Pinout, Datasheet and Applications16 September 20211912
TIP147 Transistor: Datasheet, Equivalent, Pinout29 December 20219427
78L05 Voltage Regulator: Circuit, Equivalent, and 78L05 vs 780524 August 202129752
Texas Instruments MSP430F15x/F16x/F161x Mixed Signal Microcontroller: A Comprehensive Overview29 February 2024104
Good News: UTMEL Electronic is now the Authorized Distributor for Isocom Components 2004 Ltd.10 November 20236486
Battery Charger IC Guide16 February 202210497
Shift Register: Classification and Working Principle26 December 202010195
All About Video Connectors and Their Uses in Today’s Technology02 July 2025980
RVDT(Rotary Variable Differential Transformer) Basics02 February 202117167
Semiconductor Memory Market to See More Significant Price Declines17 August 2022931
Essential Tips for Picking the Best Gas Sensor15 July 20251656
Introduction to Wireless Router17 June 20212141
ON Semiconductor
In Stock
United States
China
Canada
Japan
Russia
Germany
United Kingdom
Singapore
Italy
Hong Kong(China)
Taiwan(China)
France
Korea
Mexico
Netherlands
Malaysia
Austria
Spain
Switzerland
Poland
Thailand
Vietnam
India
United Arab Emirates
Afghanistan
Åland Islands
Albania
Algeria
American Samoa
Andorra
Angola
Anguilla
Antigua & Barbuda
Argentina
Armenia
Aruba
Australia
Azerbaijan
Bahamas
Bahrain
Bangladesh
Barbados
Belarus
Belgium
Belize
Benin
Bermuda
Bhutan
Bolivia
Bonaire, Sint Eustatius and Saba
Bosnia & Herzegovina
Botswana
Brazil
British Indian Ocean Territory
British Virgin Islands
Brunei
Bulgaria
Burkina Faso
Burundi
Cabo Verde
Cambodia
Cameroon
Cayman Islands
Central African Republic
Chad
Chile
Christmas Island
Cocos (Keeling) Islands
Colombia
Comoros
Congo
Congo (DRC)
Cook Islands
Costa Rica
Côte d’Ivoire
Croatia
Cuba
Curaçao
Cyprus
Czechia
Denmark
Djibouti
Dominica
Dominican Republic
Ecuador
Egypt
El Salvador
Equatorial Guinea
Eritrea
Estonia
Eswatini
Ethiopia
Falkland Islands
Faroe Islands
Fiji
Finland
French Guiana
French Polynesia
Gabon
Gambia
Georgia
Ghana
Gibraltar
Greece
Greenland
Grenada
Guadeloupe
Guam
Guatemala
Guernsey
Guinea
Guinea-Bissau
Guyana
Haiti
Honduras
Hungary
Iceland
Indonesia
Iran
Iraq
Ireland
Isle of Man
Israel
Jamaica
Jersey
Jordan
Kazakhstan
Kenya
Kiribati
Kosovo
Kuwait
Kyrgyzstan
Laos
Latvia
Lebanon
Lesotho
Liberia
Libya
Liechtenstein
Lithuania
Luxembourg
Macao(China)
Madagascar
Malawi
Maldives
Mali
Malta
Marshall Islands
Martinique
Mauritania
Mauritius
Mayotte
Micronesia
Moldova
Monaco
Mongolia
Montenegro
Montserrat
Morocco
Mozambique
Myanmar
Namibia
Nauru
Nepal
New Caledonia
New Zealand
Nicaragua
Niger
Nigeria
Niue
Norfolk Island
North Korea
North Macedonia
Northern Mariana Islands
Norway
Oman
Pakistan
Palau
Palestinian Authority
Panama
Papua New Guinea
Paraguay
Peru
Philippines
Pitcairn Islands
Portugal
Puerto Rico
Qatar
Réunion
Romania
Rwanda
Samoa
San Marino
São Tomé & Príncipe
Saudi Arabia
Senegal
Serbia
Seychelles
Sierra Leone
Sint Maarten
Slovakia
Slovenia
Solomon Islands
Somalia
South Africa
South Sudan
Sri Lanka
St Helena, Ascension, Tristan da Cunha
St. Barthélemy
St. Kitts & Nevis
St. Lucia
St. Martin
St. Pierre & Miquelon
St. Vincent & Grenadines
Sudan
Suriname
Svalbard & Jan Mayen
Sweden
Syria
Tajikistan
Tanzania
Timor-Leste
Togo
Tokelau
Tonga
Trinidad & Tobago
Tunisia
Turkey
Turkmenistan
Turks & Caicos Islands
Tuvalu
U.S. Outlying Islands
U.S. Virgin Islands
Uganda
Ukraine
Uruguay
Uzbekistan
Vanuatu
Vatican City
Venezuela
Wallis & Futuna
Yemen
Zambia
Zimbabwe













